Loss of Power at the window motor

Tiny
BLESSING EWOBOR
  • MEMBER
  • 2005 HONDA CIVIC
  • 4 CYL
  • 2WD
  • AUTOMATIC
  • 287,543 MILES
Hi, the right front window motor and the left rear window is not functioning when the switch is pressed. I tested for power at the motors with the switch pressed but I found none. I have checked the fuses, they are okay. I don't know if I can get the circuit diagram.
Wednesday, February 24th, 2021 AT 12:29 PM

4 Replies

Tiny
JACOBANDNICKOLAS
  • MECHANIC
  • 110,194 POSTS
Hi,

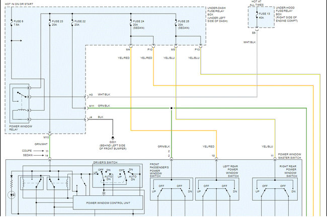
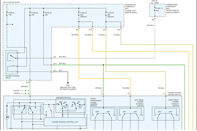
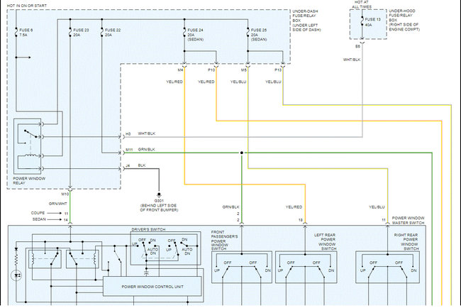
First, I attached the wiring schematic for the power window circuit. There are several fuses that are involved. Also, there is a power window relay. All fuses and the relay are located under the dash in the fuse/relay box.

In addition to just checking fuses, confirm there is power both in and out from the fuse. Here is a link you may find helpful:

https://www.2carpros.com/articles/how-to-check-a-car-fuse

Next, check the window relay. If there is another relay with the same part number, switch them to see if it makes a difference. If there isn't, here is a link that explains how to test a relay:

https://www.2carpros.com/articles/how-to-check-an-electrical-relay-and-wiring-control-circuit

When you checked for power, did you check both wires at the motor? Based on the direction (up or down) requested, one wire at a time will get power. Here is a link to help with testing wiring:

https://www.2carpros.com/articles/how-to-check-wiring

Check all fuses I highlighted in the pics below in pic 3.

______________________________

I hope this helps. Let me know if you have other questions.

Take care and God Bless,

Joe
Was this
answer
helpful?
Yes
No
Wednesday, February 24th, 2021 AT 8:17 PM
Tiny
BLESSING EWOBOR
  • MEMBER
  • 754 POSTS
Thank you sir.
Was this
answer
helpful?
Yes
No
Wednesday, February 24th, 2021 AT 10:42 PM
Tiny
JACOBANDNICKOLAS
  • MECHANIC
  • 110,194 POSTS
You are very welcome. Let me know what you find or if you have other questions.

Take care,
Joe
Was this
answer
helpful?
Yes
No
Thursday, February 25th, 2021 AT 5:58 PM
Tiny
BLESSING EWOBOR
  • MEMBER
  • 754 POSTS
Okay, sir.
Was this
answer
helpful?
Yes
No
Thursday, February 25th, 2021 AT 8:39 PM

Please login or register to post a reply.