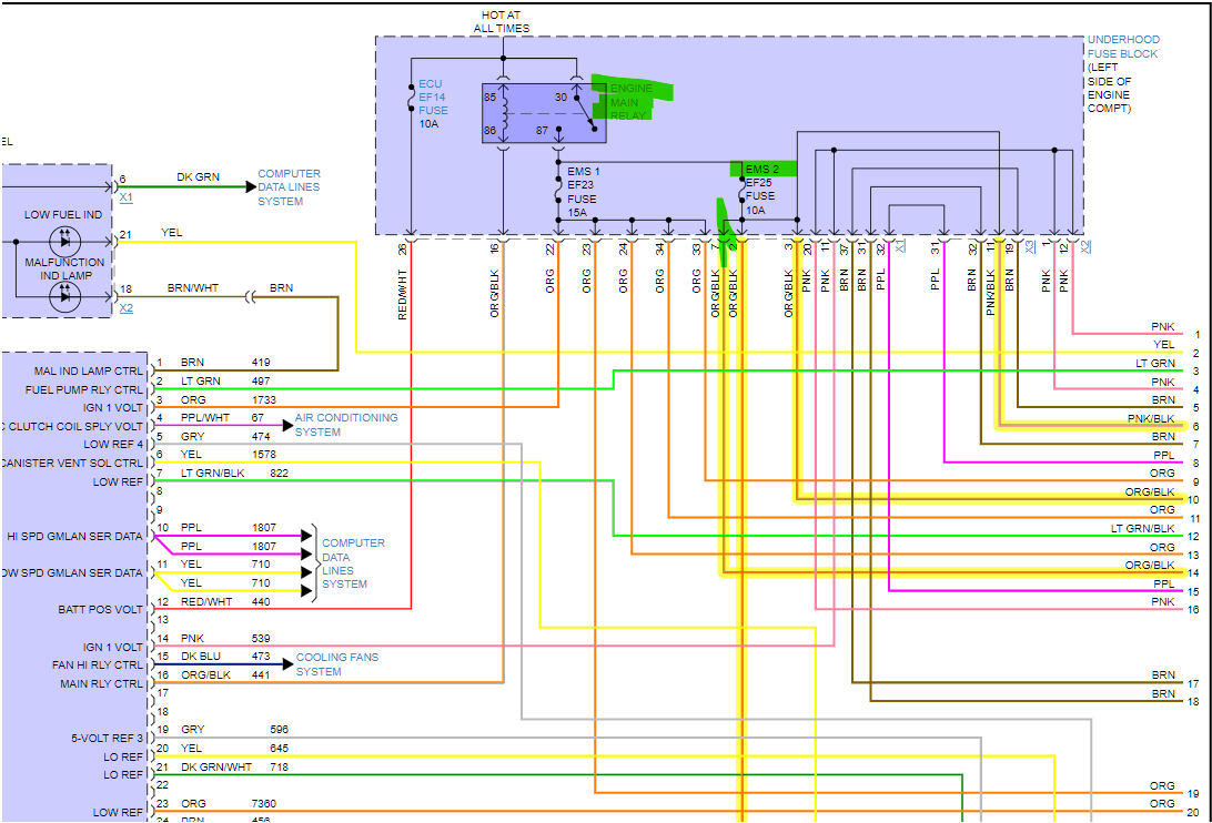
Like I said, I replaced the vent valve solenoid and pressure tested the evap canister. The evap canister checked out okay with air coming out of the other vacuum hole. I know you said fuel caps and filler necks also fixed the issue said by dealers. If the new valve for the fourth time I exchange is stuck open, then it must be a computer issue which will have to be checked with a scan tool. I am also thinking the fuel pressure sensor is the problem because code P0496 suggests checking it with scan tool. I know circuit is fine but like you said, you need to figure out why it's open and a scan tool can only command it close.
I didn't order this purge valve solenoid from a local dealer. I ordered it from a chevy dealer online to save money. They sent me GM part 96800400. They are going to contact me back to talk about an exchange. I am going to also have to buy a power probe to test the new one out of the car to make sure it's not stuck open. If it's not stuck open bench testing it and inside the car is again, I will take it. But the dealerships are expensive with labor, so I was hoping to take it to an independent. I told the one shop I took it to about it and they suggested I blow into it and give it power. He seen the videos I sent but he couldn't determine an answer why it's doing that. He thinks it's the computer shorting it out. If I go to a dealer should I show them our conversation and the readings of the circuit and component, so they know what's going on?
Was this helpful?
Yes
No
Monday, April 25th, 2022 AT 1:17 PM









