A/C blows warm air

Tiny
KC0YEF
  • MEMBER
  • 1994 LINCOLN TOWN CAR
My A/C is just blowing cool air not cold. Any suggestions?
Friday, July 24th, 2009 AT 7:34 PM

29 Replies

Tiny
RASMATAZ
  • MECHANIC
  • 75,992 POSTS
If the compressor clutch engages and turns the compressor, but the A/C still does not blow cold air, the system is probably low on refrigerant and needs to be recharged

This guide can help us fix it:

https://www.2carpros.com/articles/car-air-conditioner-not-working-or-is-weak

Please run down this guide and report back.
Was this
answer
helpful?
Yes
No
+2
Monday, July 13th, 2020 AT 1:35 PM
Tiny
TRACY747
  • MEMBER
  • 5 POSTS
  • 1994 LINCOLN TOWN CAR
  • V8
  • 2WD
  • AUTOMATIC
  • 98,000 MILES
Ac not working just blows heat, at temp set to hot or cold. Vents blow hot air.

I can hear the compressor cycling, it cycles to much every minute or so it clicks. It was replaced by the dealer.

I tested Eatc through temp display, cant find code definition for 02.

How do I check for a vacuum leak to make sure this is not the trouble?

I have a new eatc module, I am afraid of the work invovled replacing unit. Removing dash bolts dropping down steering wheel, Lifting back dash to snap in new module. Sounds easy

I just want to make sure that the Eatc is the problem before tearing apart the dashboard.

TRacy
Was this
answer
helpful?
Yes
No
Monday, July 13th, 2020 AT 1:41 PM (Merged)
Tiny
JASONRAY
  • MECHANIC
  • 213 POSTS
To check for a vacuum leak, it's usually easier to start at the actuator itself if you can get to it. If you can, unplug the vac. Line from it. With the vehicle running, move the switch back and forth from hot to cold and see if there's any vacuum at the line you just unplugged. Keep in mind that it will be a very small amount of vacuum so it's not going to suck your finger to it real hard like a brake booster line. If there is vacuum there, then the actuator is most likely bad. The diaphram inside them can go bad and not move the arm when vac. Is applied. If there's NOT any vac. Move to the control head in the dash. You can remove it without tearing a lot of the dash apart. Unplug the vacuum connector at the back of it. Again, with the engine running, see if there is ANY vacuum on one of the lines. If not, go under the hood. Look for a black vacuum line going through the firewall into the passenger compartment. It will come from the engine or maybe even the line going to the brake booster. There will be a small black "check valve" inline. Check that line where it originates and see if there's vacuum there.
Was this
answer
helpful?
Yes
No
+1
Monday, July 13th, 2020 AT 1:41 PM (Merged)
Tiny
TRACY747
  • MEMBER
  • 5 POSTS
Will the vac or Eatc repair - fix the AC so it will work?
Properly, the heat rolls out of those vents with no sign of AC output.

With a broken EATC: Can you have the AC and Heat on at the same time in the car, in a 94 lincoln, so if Vac or EATC is replaced/repaired. The AC should work.

The ac was repaired at the dealer one year ago, they did it twice for me. A Leak pressure test, new ac unit etc. And it was very cold when they got done with it. Now it is very hot.

Tracy
Was this
answer
helpful?
Yes
No
+1
Monday, July 13th, 2020 AT 1:41 PM (Merged)
Tiny
JASONRAY
  • MECHANIC
  • 213 POSTS
You can have the AC on and, at the same time, have the temp. Set to HOT. So, YES, you can have them both on at the same time. In your first post, you mentioned that the AC was cycling too much. If it's cycling pretty fast, that usually means that the system is low on freon. The low pressure switch is turning it off when it gets to a low pressure condition. OR. The HIGH side could be 'pegging' out and the same thing could happen. If the orfice is stopped up, when the compressor engages, the high side will increase pressure quickly and the HIGH pressure switch will cut it off. You'll need to connect a set of AC guages to varify.
I just read up on this system. The temp. Is controlled by an electric motor. There are 3 vacuum actuators but NONE of them control the temperature. They control the floor/panel, fresh air/recirc, and panel/defrost. The blend door(temp.) Is controlled by an electric actuator.
The code 02 you mentioned is for EATC connector and blend door actuator. I think we're on to something here. It's telling you that there is a problem with the actuator and that's why you can only get heat out of the vents. Go directly to the actuator. I'm pretty confident that you'll solve your problem by replacing it. First make sure it's plugged in.
You can test it if you like. Find the wires going to the actuator. (Purple and Brown/light green) Apply battery voltage to one wire at a time. The actuator should move in one direction. Change wires and the actuator should move in the opposite direction. If it doesn't, replace it. If it does, repost and let me know and I'll walk you through further diagnosing.
Was this
answer
helpful?
Yes
No
Monday, July 13th, 2020 AT 1:41 PM (Merged)
Tiny
TRACY747
  • MEMBER
  • 5 POSTS
TO test eatc WHERE ARE THE WIRES UNDER THE HOOD HARNESS, OR JUST UNDER THE DASH?

CAN I APPLY POWER INTO THE HARNESS WIRES IN PARALELL?

Find the wires going to the actuator. (Purple and Brown/light green) Apply battery voltage to one wire at a time.

The actuator should move in one direction. Change wires and the actuator should move in the opposite direction
Was this
answer
helpful?
Yes
No
+1
Monday, July 13th, 2020 AT 1:41 PM (Merged)
Tiny
DADS1940
  • MEMBER
  • 1 POST
  • 1994 LINCOLN TOWN CAR
Air Conditioning problem
1994 Lincoln Town Car V8 Two Wheel Drive Automatic

Has auto temp control
Was this
answer
helpful?
Yes
No
+1
Monday, July 13th, 2020 AT 1:41 PM (Merged)
Tiny
MERLIN2021
  • MECHANIC
  • 17,250 POSTS
Turn A/C on, open the hood, is the compressor cluych engaged? If not you may be low on R-134a. If the A/C compressor is working, Run the self diagnostic test on it by turning the key to on, then press off and floor at the same time, then within 2 secs, press auto, If there is a problem a trouble code will appear on the display. To exit self test, press the BLUE, cooler button this also retains error codes, To erase code and exit, press defrost, choose one of these before you power down the system. Test with engine at 120 degrees or more, and cabine between 40-90 degrees. Post any codes recorded here and I let you know what's defective.
Was this
answer
helpful?
Yes
No
+1
Monday, July 13th, 2020 AT 1:41 PM (Merged)
Tiny
JASONRAY
  • MECHANIC
  • 213 POSTS
They will be under the dash. Maybe behind the glove box, or on the bottom of the evap case on the passenger side. It may be easier to pull the control head out and find the wires there. Don't disconnect anything. Just find the wire, pierce the insulation and apply voltage and see if the actuator moves. I use a "POWER PROBE" but if you don't have one, you'll have to make a jumper connected to battery voltage. Be careful not to arc the wire to ground. In fact, if you have to build a jumper, it would be best to include an 'inline' fuse in it just in case you touch it to ground. We don't want a melt down.
Was this
answer
helpful?
Yes
No
Monday, July 13th, 2020 AT 1:41 PM (Merged)
Tiny
DANAEVANS
  • MEMBER
  • 1 POST
  • 1992 LINCOLN TOWN CAR
  • V8
  • 2WD
  • AUTOMATIC
  • 76,000 MILES
On my 1992 Lincoln Town Car (Limited), my A/C just stopped working. My question is, is there a A/C fuse that could have gone bad? I have converted it over to the new freon system, still does not work. It was suggested that I try the dye to see if there are any leaks, I did and no leaks. I am lost with any other ideas, HELP PLEASE.

Thank you so much, Dana
Was this
answer
helpful?
Yes
No
Monday, July 13th, 2020 AT 1:41 PM (Merged)
Tiny
CJ MEDEVAC
  • MECHANIC
  • 11,005 POSTS
Did you convert, before you had problems. And it worked fine?

Do your A/C gauges show you are at or near correct pressure?

Does the inner center portion of your compressor turn, when A/C is turned on?

Have you looked in owners manual or in the Fuse Box tops for A/C related fuses?

The WHOLE PICTURE, sometimes helps, on this end.

The Medic
Was this
answer
helpful?
Yes
No
-1
Monday, July 13th, 2020 AT 1:41 PM (Merged)
Tiny
FRITZEB
  • MEMBER
  • 2 POSTS
  • 1992 LINCOLN TOWN CAR
  • V8
  • 2WD
  • AUTOMATIC
  • 160,000 MILES
I have trouble getting into air conditioning mode. It wants to stay in heater mode no mater what the temperature is. This is the situation:
. The vertical lever (Hi, Lo, Auto) works fine.
2. The top Horizontal lever (Thermostat- Temperature gauge) works fine.
3. The bottom horizontal lever ( Air, Heat, Vent, etc.)Does NOT work fine. It wants to stay in heat mode. You can "play" with the lever and sometimes get the air conditioner on. If you leave the lever alone, it will stay in air conditioning mode, but if you turn it off or move it to vent or heat it takes a lot of messing with to get it back into air conditioning mode. When you are playing with the lever, and even if you don't touch it, you can hear a noise like a "flapper door" is trying to stay open or closed. I'm guessing something like a pencil has gotten into the system and is messing up the lever controls. The thing is I don't even know where to start to locate and remove the obstruction if that is the problem.

What are your suggestions on the situation?

Thanks,
Butch
Was this
answer
helpful?
Yes
No
Monday, July 13th, 2020 AT 1:41 PM (Merged)
Tiny
DOCFIXIT
  • MECHANIC
  • 18,828 POSTS
Hi
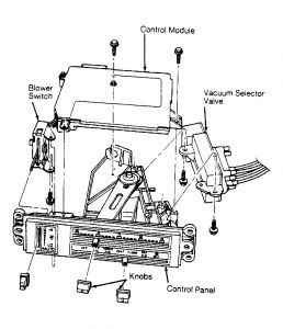
Suspect fault in vacuum select valve see diagram


https://www.2carpros.com/forum/automotive_pictures/198357_Graphic_504.jpg

if it does not direct vacuum to correct servo then mode selection is not possible. Do you hear like a hissing sound sometimes from control unit? Need to remove and inspect unit can be replaced no need to replace entire controler.
Let me know
Thanks for donate
Was this
answer
helpful?
Yes
No
Monday, July 13th, 2020 AT 1:41 PM (Merged)
Tiny
FRITZEB
  • MEMBER
  • 2 POSTS
Is there anyway to clear up the diagram of the heating and air unit? I can't even read the captions.
Thank you,
Butch
Was this
answer
helpful?
Yes
No
Monday, July 13th, 2020 AT 1:41 PM (Merged)
Tiny
CLOWNCOP
  • MEMBER
  • 1 POST
  • LINCOLN TOWN CAR
I have 91 Town Car 4.6L V8 with 146,500 mileage. My blower is working fine but not blowing any cold air out. I believe I need freon but I dont know where I need to hook up the freon can.
Was this
answer
helpful?
Yes
No
Monday, July 13th, 2020 AT 1:41 PM (Merged)
Tiny
MERLIN2021
  • MECHANIC
  • 17,250 POSTS
Unfortunatly in 92 USA went to R-134a and banned the use of R12! Your 91 unless already converted is R12! Take it to a knowledgable A/C shop.I've seen a guy blow 3 fingers off his hand hooking up an R12 can the wrong way!
Was this
answer
helpful?
Yes
No
Monday, July 13th, 2020 AT 1:41 PM (Merged)
Tiny
CHARLESRAY
  • MEMBER
  • 2 POSTS
  • 1990 LINCOLN TOWN CAR
  • 230,000 MILES
My a/c blows cold air when I first crank it up, but then right afterwards it blows nothing but heat. It has freon the compressor turns and stop turns and stop, and the a/c thing is cold and moist. When I switch the temperature level to high it still blows heat, Even when I put it on 65 it does the same thing
Was this
answer
helpful?
Yes
No
Monday, July 13th, 2020 AT 1:41 PM (Merged)
Tiny
JDL
  • MECHANIC
  • 16,098 POSTS
Your probably low on refrigerant. The compressor can kick on and off if low on refrigerant. R12 refrigerant may be hard to come by and expensive.
Was this
answer
helpful?
Yes
No
Monday, July 13th, 2020 AT 1:41 PM (Merged)
Tiny
CHARLESRAY
  • MEMBER
  • 2 POSTS
If I don't use R-12 will it still blow heat all the time and the condenser is real cold and moist.I had someone to check it the freon was good but it was R-14
Was this
answer
helpful?
Yes
No
Monday, July 13th, 2020 AT 1:42 PM (Merged)
Tiny
JDL
  • MECHANIC
  • 16,098 POSTS
Usually if the compressor is kicking on and off, the refrigerant is low. If that isn't the case, might be issue with ac pressure switch? Any applicable trouble codes? Also, check directional doors under the dash.
Was this
answer
helpful?
Yes
No
Monday, July 13th, 2020 AT 1:42 PM (Merged)

Please login or register to post a reply.