Blend door actuator does not respond?

Tiny
RON G
  • MEMBER
  • 2002 BUICK PARK AVENUE
  • 3.8L
  • 6 CYL
  • 2WD
  • AUTOMATIC
  • 90,000 MILES
The left air temperature actuator the one that is not functioning as it should would also go full range from far right stop to far left stop and return to the far right stop, and then continue to oscillate left and right during the self test, this movement was very slight just enough that you could notice it. At this point I replaced the left temperature actuator after viewing YouTube videos in which actuators from other manufacturers would also do the same thinking the unit was worn and the reference signal being sent back to the Instrument Panel Module was being lost and the actuator was searching to find its position. After replacing the actuator and performing the actuator calibration procedure (pulling the fuse waiting the specified time) the back and forth oscillations stopped with the new actuator in place but the actuator only responds barely the same as the old one, just enough that you can see it budge when operating the HVAC temperature control on the dash from full hot to full cold. If you guys don’t have an answer hopefully you have the connections to pose this to say the engineer who designed this.

Thank you
Wednesday, July 22nd, 2020 AT 3:55 PM

42 Replies

Tiny
ASEMASTER6371
  • MECHANIC
  • 52,796 POSTS
Good morning,

We have no connections to engineers at all. They do not and will not respond to us or any customer. There level stops at the dealer as they believe they are the most qualified to perform these diagnostics, which we all know is wrong.

Anyway, if I was working on this car, I would have never used a junkyard part for the controller at all. You have no idea where it came from and any issues.

Which module did you replace? I attached 2 pictures for you. Can you identify what was replaced?

Roy
Was this
answer
helpful?
Yes
No
+1
Thursday, July 23rd, 2020 AT 4:38 AM
Tiny
RON G
  • MEMBER
  • 4 POSTS
I would agree a junkyard part is of unknown quality and I try to diagnose and verify a problem and not take the route of throwing parts at it but I have been unsuccessful at identifying the issue, other mechanics I have contacted are unable to identify the problem, and if I were to purchase new parts I doubt a $500.00 bill would cover the parts alone not to mention flashing the unit, the auto part stores I have checked don't have a listing for the HVAC module making it a dealer part, and I would not be able to return parts if they did not correct the problem.
Being the junkyard parts are acting exactly the same as the modules that were in the car I think it is highly unlikely I would have found modules with the exact same issues. Short of purchasing new modules I suppose I could reaffirm the modules were not the issue, by returning to the junkyard and trying modules from different vehicles if they also make no difference I would be confident the modules were not the issue.
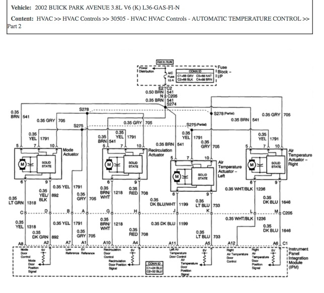
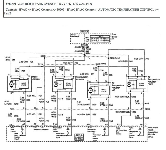
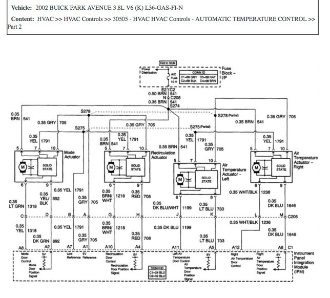
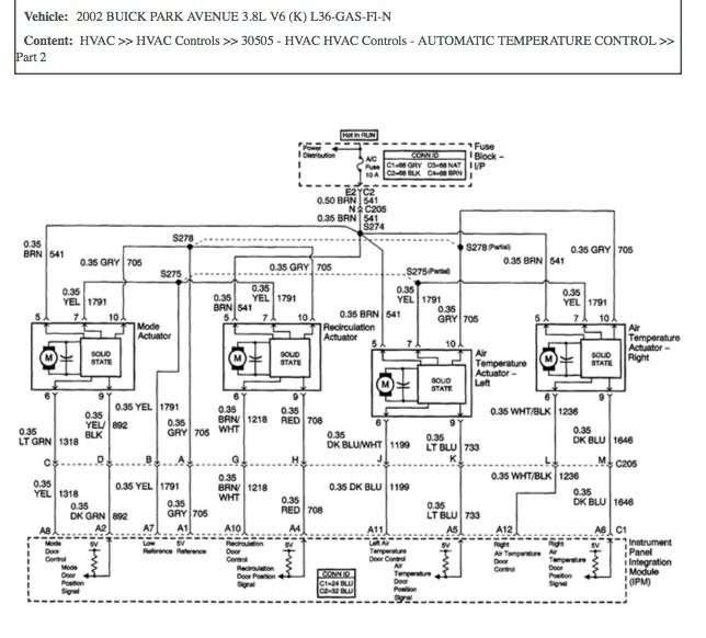
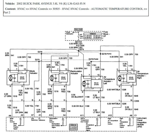
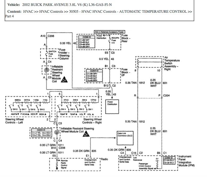
The pictures below are of the modules I had replaced the originals are now back in place. I have also included a component locator diagram from my shop manual it's a little different than the one you sent, the view is looking at the location of the IPM module from the viewpoint of the firewall under dash in area of glove box.
Since I have already looked up the necessary information and to minimize the time you invest in doing the same I have included connector end views of the pins or cavities I have listed in the text that I have used to obtain values with my VOM, wiring diagrams, data values for actuators, and system operation overview.
One last thing my shop manual was somewhat confusing in describing the fuse to remove for a minimum of one minute, I had referred back to (wiring diagram 1) being the CSTR/SBM fuse was hot at all times, I felt this was the fuse referred to but I also pulled the HVAC fuse to be sure I had the correct fuse and instruction covered.
I'm not always on the computer but I will check and if you require additional information I will get back to you as soon as can. Thank you
Was this
answer
helpful?
Yes
No
-1
Thursday, July 23rd, 2020 AT 9:17 AM
Tiny
ASEMASTER6371
  • MECHANIC
  • 52,796 POSTS
Thank you. I have all those diagrams as well.

Do you have an advanced scan tool that can access the climate control and move all the mode doors from the scan tool?

Roy
Was this
answer
helpful?
Yes
No
+1
Thursday, July 23rd, 2020 AT 9:21 AM
Tiny
RON G
  • MEMBER
  • 4 POSTS
Roy, the thing that I don't get is the actuator will go stop to stop through its initial self test at the beginning of each ignition cycle but will not when commanded from the HVAC module on the dash. To me this would indicate the problem is not the actuator motor and the shop manual doesn't indicate if the self test is initiated from the HVAC module or the IPM module. One mechanic I spoke with asked if I ran onboard diagnostics I searched online and I only found a detailed description stating to enter the diagnostic mode for a 1991 Park Ave by pressing both the off and warm buttons on the HVAC module for 5 seconds but mine did not enter into the diagnostic mode. I looked in my shop manual to see if there was a procedure for my 2002 Park Ave but I did not find one. Ron
Was this
answer
helpful?
Yes
No
Thursday, July 23rd, 2020 AT 9:37 AM
Tiny
ASEMASTER6371
  • MECHANIC
  • 52,796 POSTS
That was only for Cadillac DFI systems.

You need a scan tool for the auto climate control.

The self test comes from the module, not the control head.

Roy
Was this
answer
helpful?
Yes
No
Thursday, July 23rd, 2020 AT 10:01 AM
Tiny
RON G
  • MEMBER
  • 4 POSTS
No, I do not I only have a code reader. When contacting a local repair shop I asked if scanning the vehicle would help in diagnosing the problem and they said it would not.
Was this
answer
helpful?
Yes
No
Tuesday, July 28th, 2020 AT 1:14 PM
Tiny
ASEMASTER6371
  • MECHANIC
  • 52,796 POSTS
That is correct. Most scan tools will not pick up A/C codes. That is where you need an advanced scan tool to access the A/C system to check for the codes.

Just so you know, there is no programming new parts on the old systems. They are plug and plays. That was only required when we moved to OBD 2.

Roy
Was this
answer
helpful?
Yes
No
Wednesday, July 29th, 2020 AT 4:52 AM
Tiny
RON G
  • MEMBER
  • 4 POSTS
  • 2002 BUICK PARK AVENUE
  • 3.8L
  • V6
  • 2WD
  • AUTOMATIC
  • 90,000 MILES
Hello Roy I posted a question in regards to an inoperative blend door actuator which you responded to I couldn't find your URL or I would have gotten back to you sooner.
The reason I contacted you originally was because after checking and rechecking my wiring and replacing the original blend door actuator it still was in operative.

After having tried two new actuators and trying a different HVAC module and the module under the glove box and still not making the repair I thought I would try the actuators from vehicles in a local salvage yard. I single handedly emptied every car there and had mixed results of faulty actuators to some that move somewhat. I had stopped in a local auto parts store and talked to one of the counter people and asked him is it possible I could have two new actuators that were bad, he smiled at me and said he went through three before installing a fourth which worked. Since the cold weather was coming and I needed to have it working I ordered a third actuator this time from Rock Auto,

STANDARD MOTOR PRODUCTS F04009 #16164972, 89018375 TechSmart Info
Left; w/ Dual Zone Temp Control; Front
Part image $89.79

Which had a three-year warranty, voila it worked ! Apparently there seems to be a quality control and also a dependability issue with these parts, what made this so frustrating is that my wiring checked out but the new units still did not work. Being you offered to help me I thought you would appreciate knowing as well as your readers in the event someone else ran into the same issue that you may offer them this insight and may prevent a lot of frustration and wasted time looking for a defect that doesn't exist.

Again I would like to thank you for your time and offer to help me. Ron
Was this
answer
helpful?
Yes
No
+1
Sunday, December 6th, 2020 AT 3:31 PM (Merged)
Tiny
STEVE SUELL
  • MEMBER
  • 1 POST
  • 2002 BUICK PARK AVENUE
  • V6
  • 2WD
  • AUTOMATIC
  • 258,095 MILES
Warm air on driver side air. Removed actuator and plugged back in to determine if full range movement as I select temperature change. Actuator moves full range. I attempted to manually turn blend door. It moves slightly. Will not turn full range. Can the blend door be accessed to check for obstruction?
Was this
answer
helpful?
Yes
No
Friday, January 22nd, 2021 AT 12:50 PM (Merged)
Tiny
SCGRANTURISMO
  • MECHANIC
  • 4,897 POSTS
Hello,

In the diagrams down below I have included the instructions that you have requested. Please go through this guide and get back to us with how everything turns out.

Thanks,
Alex
2CarPros
Was this
answer
helpful?
Yes
No
+1
Friday, January 22nd, 2021 AT 12:50 PM (Merged)
Tiny
STEVE SUELL
  • MEMBER
  • 1 POST
Lacking in detail.
Was this
answer
helpful?
Yes
No
Friday, January 22nd, 2021 AT 12:50 PM (Merged)
Tiny
KEN L
  • MASTER CERTIFIED MECHANIC
  • 55,488 POSTS
Here is how you vacuum down and recharge the AC if needed. Please let us know what else you need.

https://www.2carpros.com/articles/re-charge-an-air-conditioner-system

Please let us know what you find. We are interested to see what it is.
Was this
answer
helpful?
Yes
No
Friday, January 22nd, 2021 AT 12:50 PM (Merged)
Tiny
BESERKER111
  • MEMBER
  • 1 POST
  • 2001 BUICK PARK AVENUE
  • 3.8L
  • V6
  • 2WD
  • AUTOMATIC
  • 225,000 MILES
The driver side of my car does not heat only cools while the passager side does both. I am trying to replace the blend door actuator but can only find the passengers side one.
Was this
answer
helpful?
Yes
No
Friday, January 22nd, 2021 AT 12:51 PM (Merged)
Tiny
JACOBANDNICKOLAS
  • MECHANIC
  • 110,194 POSTS
Hi and thanks for using 2CarPros. Com.

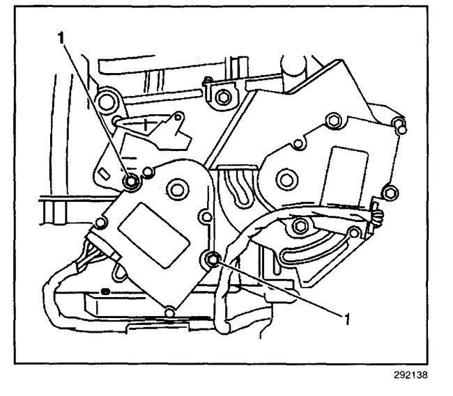
Here are the directions for replacing the left side actuator. All attached pictures correlate with these directions.

Picture 5 shows location.

______________________

Air Temperature Actuator Replacement - Left
Vehicle Heating and Air Conditioning Air Door Actuator / Motor Service and Repair Procedures HVAC System - Automatic Air Temperature Actuator Replacement - Left
AIR TEMPERATURE ACTUATOR REPLACEMENT - LEFT
REMOVAL PROCEDURE
1. Remove the left side sound insulator. Refer to Closeout/Insulator Panel Replacement - Left in Instrument Panel, Gauges and Warning Indicators.
2. Remove the aspirator muffler.
3. Remove the electrical connector from the left air temperature actuator.
4. Remove the left air temperature actuator retaining screws (1).
5. Remove the left air temperature actuator.

INSTALLATION PROCEDURE
1. Install the left air temperature actuator.

NOTE: Refer to Fastener Notice in Service Precautions.
2. Install the left air temperature actuator retaining screws (1).

Tighten
Tighten the screws to 1.4 N.M (12 lb in).

3. Install the electrical connector to the left air temperature actuator.
4. Install the aspirator muffler.
5. Install the left side sound insulator. Refer to Closeout/Insulator Panel Replacement - Left in Instrument Panel, Gauges and Warning Indicators.

____________________________________________

Let me know if this is what you need.

Take care,

Joe
Was this
answer
helpful?
Yes
No
+6
Friday, January 22nd, 2021 AT 12:51 PM (Merged)
Tiny
DEREK COUTEE
  • MEMBER
  • 3 POSTS
  • 1999 BUICK PARK AVENUE
  • 164,000 MILES
I have three plastic pieces that goes before you put the panel mode actuator on. Don't know what order they go in.
Was this
answer
helpful?
Yes
No
Friday, January 22nd, 2021 AT 12:51 PM (Merged)
Tiny
SCGRANTURISMO
  • MECHANIC
  • 4,897 POSTS
Hello,

In the diagrams down below I have included the factory guide for the removal and installation of the mode actuator for you. Please go through this guide and get back to us with how everything turns out.

Thanks,
Alex
2CarPros
Was this
answer
helpful?
Yes
No
Friday, January 22nd, 2021 AT 12:51 PM (Merged)
Tiny
GINO500
  • MEMBER
  • 9 POSTS
  • 1998 BUICK PARK AVENUE
  • 6 CYL
  • FWD
  • AUTOMATIC
  • 149,000 MILES
Heat blend actuator door, where is it on a 1998 buick park avenue ultra?
Was this
answer
helpful?
Yes
No
Friday, January 22nd, 2021 AT 12:51 PM (Merged)
Tiny
EDEHART
  • MEMBER
  • 2 POSTS
There are three that I'm aware of. Two left side under dash. One for driver side blend door and the other controls defrost/vent/floor position door. This one is very difficult maybe impossible to remove and check without removing entire dash. You can manipulate it by moving the linkages with your finger. It has a semi-circular lever that the actuator causes to pivot around to move the blend doors. I had to manually move mine to the defrost position for winter weather. I going to replace the programmer before I attempt to remove the entire dash. The programmer is inexpensive and can be googled online if you dont want to pay dealer.

Here is a guide to help you see what you are in for when doing the job.

https://www.2carpros.com/articles/replace-blend-door-motor

Check out the diagrams (Below). Please let us know if you need anything else to get the problem fixed.

Cheers
Was this
answer
helpful?
Yes
No
+1
Friday, January 22nd, 2021 AT 12:51 PM (Merged)
Tiny
GINO500
  • MEMBER
  • 9 POSTS
How would I get to the linkages because I think some debris is causing it to get stuck open or something. It blows hot air on the drivers side but cold air on the passenger side. Could I manipulate it to stay "open"?
Was this
answer
helpful?
Yes
No
+4
Friday, January 22nd, 2021 AT 12:51 PM (Merged)
Tiny
EDEHART
  • MEMBER
  • 2 POSTS
Probably not debris. Could be the heater programmer or control module in dash. Control module has four resistors that overheat in circuit board and cause solder joints to loosen and malfunction.

To answer your question there is an actuator on the passenger side as well. There are three small 11/32 bolts fastening the actuator. You can remove the actuator (See picture) and move the blend door rod (end of white rod under actuator counterclockwise with your fingers. Down fully counterclockwise is heat mode.
Was this
answer
helpful?
Yes
No
+4
Friday, January 22nd, 2021 AT 12:51 PM (Merged)

Please login or register to post a reply.