Left and right turn signal not working properly

Tiny
ETHEAN REVIS
  • MEMBER
  • 2004 CHEVROLET IMPALA
  • V6
  • 2WD
  • AUTOMATIC
  • 264,900 MILES
Niether left or right turn signal works, sometimes turn signal lights in gauge cluster actually work.
Saturday, April 10th, 2021 AT 2:33 PM

1 Reply

Tiny
JACOBANDNICKOLAS
  • MECHANIC
  • 110,194 POSTS
Hi,

Is the problem related to the indicators in the vehicle or the lights outside the vehicle?

Also, can you let me know if the hazard lights are working?

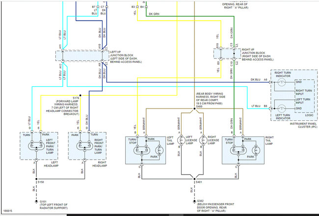
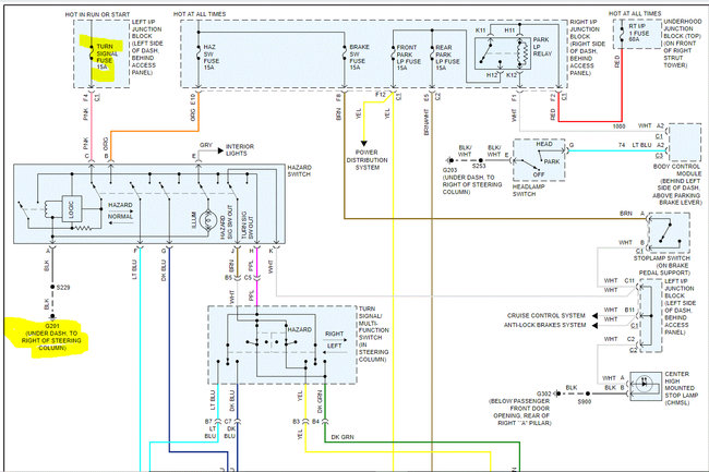
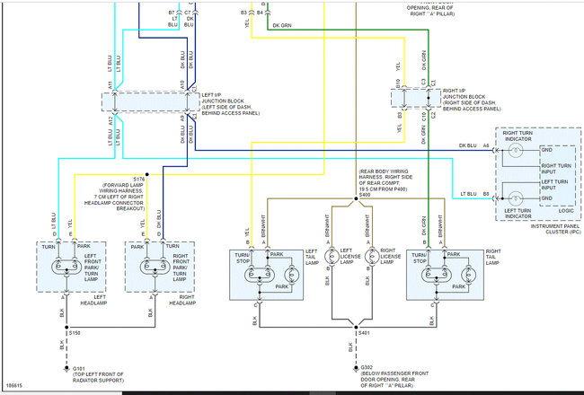
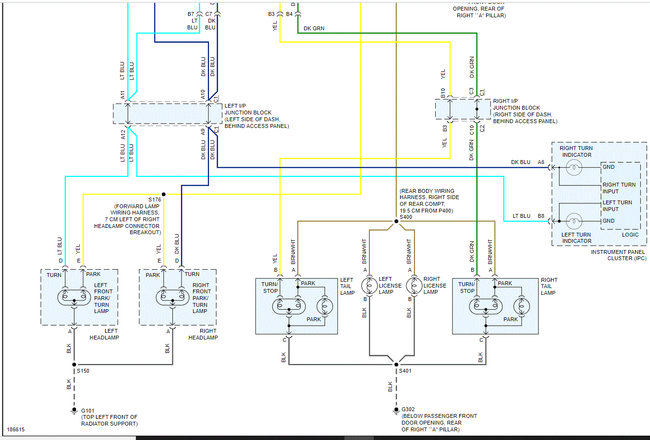
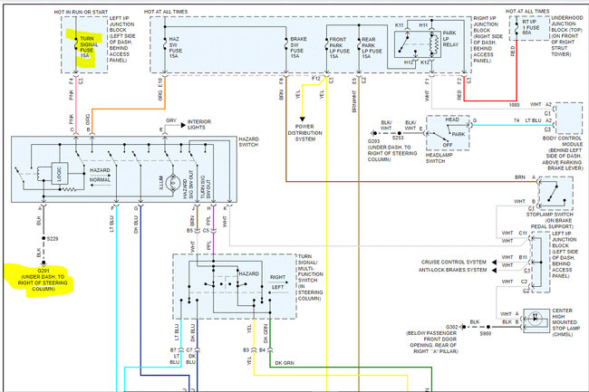
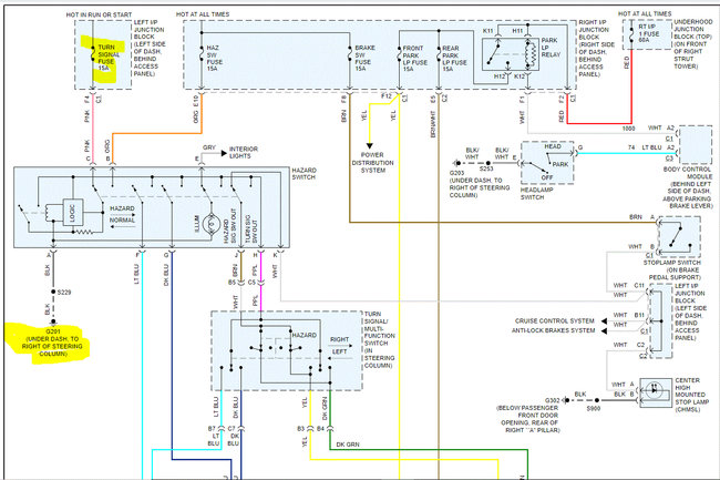
To get you started, I attached the wiring schematic related to the exterior wiring. I cut it in half to make it readable, but I did overlap them so you can follow from one to the next.

First, check the 15 amp turn signal fuse in the fuse box on the left side of the dash. See pic 3.

In addition to checking the fuse, confirm there is power to and from it. Here is a link you may find helpful:

https://www.2carpros.com/articles/how-to-check-a-car-fuse

Also, I need you to check the ground wire for the signal system. It is located under the dash to the right of the steering column.

Let me know what you find or if you have other questions.

Take care,

Joe

See pics below.
Was this
answer
helpful?
Yes
No
Saturday, April 10th, 2021 AT 10:34 PM

Please login or register to post a reply.