Fuel Filter Location?

2007 KIA OPTIMA
99,333 MILES • 6 CYL • FWD • AUTOMATIC
Avatar
RUTHLESSJUGGALO
  • MEMBER
  • 2 POSTS
I need to change my fiancees fuel filter on her optima. Where is it located at?
Nov 5, 2010 at 8:33 AM
Advertisement
Avatar
DOCFIXIT
  • CERTIFIED EXPERT
  • 18,828 POSTS
In fuel tank part of pump assembly. Here is a guide to help you step by step with instructions in the diagrams below to show you how on your car.

https://www.2carpros.com/articles/how-to-change-a-fuel-filter

Check out the diagrams (Below). Please let us know if you need anything else to get the problem fixed.
Dec 31, 2019 at 1:58 PM
Avatar
RUTHLESSJUGGALO
  • MEMBER
  • 2 POSTS
So I have to drop the tank to get to it?
Dec 31, 2019 at 1:58 PM
Advertisement
Avatar
DOCFIXIT
  • CERTIFIED EXPERT
  • 18,828 POSTS
no it is accessed through the trunk
Dec 31, 2019 at 1:58 PM
Avatar
GDSMOPAR
  • MEMBER
  • 2 POSTS
Where is my fuel filter located on my vehicle? The car is showing signs of sluggishness up hills and when I speed up rapidly; it may be misfiring caused by a fuel injector, but I would like to try changing the fuel filter first. I have a 2.4 liter 16v DOHC four cylinder engine and cannot find the fuel filter; normally they are located near the fuel tank and did not see it. What am I missing? Your help would be greatly appreciated. Thanks.
Jan 22, 2021 at 1:14 PM (Merged)
Avatar
BLUELIGHTNIN6
  • CERTIFIED EXPERT
  • 16,542 POSTS
Yeah, it should be near fuel tank if it is an in-line filter which is what it is listed as. Although, earlier models of the Optima had the fuel filter in the tank with the pump and sender assembly. So I would not be surprised if they have it listed wrong. May want to check there for the fuel filter. Try removing rear seat cushion to see if you have an access panel. Should be able to see sender unit from there to locate filter if it is in the fuel tank.
Jan 22, 2021 at 1:14 PM (Merged)
Avatar
GDSMOPAR
  • MEMBER
  • 2 POSTS
Thanks. The access hole is in the trunk just behind the seats you do not need to remove the seat to access it; it is in the middle with a plastic cover. Thanks again, as soon as I figure out how to open the sending unit cover I will let you know how it runs if you are interested; I am sure it just unscrews. Anyway thanks again.
Jan 22, 2021 at 1:14 PM (Merged)
Avatar
RUSSLJIM
  • MEMBER
  • 1 POST
car seems starve for fuel above 4000 rpm. No knowledge of filter ever having been replaced. visual of lines from manifold back cannot find filter. is it in the tank?
Jan 22, 2021 at 1:14 PM (Merged)
Avatar
CJ MEDEVAC
  • CERTIFIED EXPERT
  • 11,004 POSTS
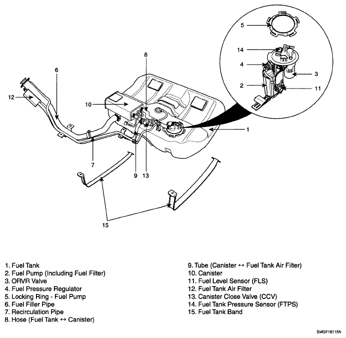
The fuel filter is part of the in-tank fuel pump in your vehicle (#2), you will need to remove the fuel tank to get to it.
Check the guide below on fuel tank removal as well as the diagrams for your specific vehicle and get back to us if you need anything else.

https://www.2carpros.com/articles/how-to-replace-an-electric-fuel-pump
Jan 22, 2021 at 1:14 PM (Merged)
Avatar
TONI CALDWELL
  • MEMBER
  • 1 POST
Trying to find the location with alot of difficulty.
Jan 22, 2021 at 1:14 PM (Merged)
Avatar
KASEKENNY
  • CERTIFIED EXPERT
  • 18,907 POSTS
Hi Toni,

I am going to assume you have a 2.7L engine. If so, the reason you cannot find the filter is because it is part of the fuel sending unit and is inside of tank.

If you have a 2.4L it is on the left hand side of the fuel tank.

If it is a 2.7L you would only change the filter if there is an issue and you need to replace the fuel module. I also attached the procedure if that is what you want to do. Thanks
Jan 22, 2021 at 1:14 PM (Merged)
Avatar
MIKE53110
  • MEMBER
  • 1 POST
Four cylinder two wheel drive automatic.

I am having a difficult time locating to the fuel filter on a my car it has a 2.4 liter engine. Could you please help me locate it and give me any tips you could to assist me in changing it? I was told it is inside the gas tank and it may or may not have an access panel. Is there a gasket I will need or is is even in the tank?
Jan 22, 2021 at 1:15 PM (Merged)
Avatar
BLUELIGHTNIN6
  • CERTIFIED EXPERT
  • 16,542 POSTS
It is under vehicle mounted in the fuel rail line (pictured below). Some cars have them and some don't depending on production date.


https://images.2carpros.com/forum/automotive_pictures/261618_1_69.jpg

INSTALLATION: Install the filter in the mounting bracket. Connect the fuel lines to the filter. Install the bracket nuts and tighten to 9.5 ft. lbs. (13 Nm) for 1.5L, 1.6L, 1.8L and 2.0L engines. For 2.4L engines, torque the nuts to 18-25 ft. lbs. (25-35 Nm). Connect the negative battery cable. Run the engine and check for any fuel leaks. Thanks for using 2CarPros.com! check the post BELOW!
Jan 22, 2021 at 1:15 PM (Merged)
Avatar
STRAILER
  • CERTIFIED EXPERT
  • 54,037 POSTS
This fuel filter location is in the rear of the car near the fuel tank on the drivers side.

Here is a guide to help you get the job done:

https://www.2carpros.com/articles/how-to-change-a-fuel-filter

This guide will show you how to raise the car up safely.

https://www.2carpros.com/articles/jack-up-and-lift-your-car-safely

Some Kia's do not have an external fuel filter the filter is in the tank, check out these diagrams (below) Its considered a lifetime filter.

Please let us know if you need anything else to get the problem fixed.

Cheers, Ken
Jan 22, 2021 at 1:15 PM (Merged)
Avatar
BIGGUY1968
  • MEMBER
  • 4 POSTS
I have looked all over and can't find the fuel filter.
Jan 22, 2021 at 1:15 PM (Merged)
Avatar
KASEKENNY
  • CERTIFIED EXPERT
  • 18,907 POSTS
That is because the filter is part of the fuel pump inside the tank. The only time it is replaced is when the pump is removed for other reasons. Otherwise it just stays in there.

I attached the info on this. Let us know if you have more questions. Thanks
Jan 22, 2021 at 1:15 PM (Merged)
Avatar
JOE FETTE
  • MEMBER
  • 1 POST
Speeding up and about 60 mph it wouldn't advance even though I was stepping on the accelerator. All of a sudden it started running fine and advanced to 70 mph. Hasn't done it again. Could this possibly be the fuel filter?
Jan 22, 2021 at 1:15 PM (Merged)
Avatar
JACOBANDNICKOLAS
  • CERTIFIED EXPERT
  • 110,176 POSTS
Hi and thanks for using 2CarPros.

The fuel filter is located underneath the chassis on the left hand side of the fuel tank.

See picture 1

Here is a link that shows in general how one is replaced:

https://www.2carpros.com/articles/how-to-change-a-fuel-filter


Here are the directions specific to your vehicle for replacement:

___________________________________

FUEL FILTER REPLACEMENT

1. Reduce the internal pressure of the fuel lines and hoses and perform the following operations.
- Disconnect the fuel pump harness connector in the trunk room.
- Start the engine and, after it stops, turn the ignition switch to OFF.
- Disconnect the battery negative (-) terminal.
- Connect the fuel pump harness connector.

2. Remove the two fitting nuts while holding the fuel filter nuts securely.


See picture 1

3. Remove the fuel filter mounting bolts, and then remove the fuel filter from the fuel filter clamp.

Tightening torque
Fuel filter fitting nut : 25 - 35 Nm (250 - 350 kg.cm, 18 - 25 lb.ft)


____________________________________

Let me know if this helps or if you have other questions.

Take care,
Joe
Jan 22, 2021 at 1:15 PM (Merged)
Avatar
MATT2010
  • MEMBER
  • 1 POST
Where is the fuel filter located and how do you change it?
Jan 22, 2021 at 1:15 PM (Merged)
Avatar
RASMATAZ
  • CERTIFIED EXPERT
  • 75,992 POSTS
Hello,

Here is a guide to help walk you through the job with a diagrams below to help you see the location on your car.

https://www.2carpros.com/articles/how-to-change-a-fuel-filter

Check out the diagrams (Below). Please let us know what happens.
Jan 22, 2021 at 1:15 PM (Merged)
Avatar
JENJOHN24
  • MEMBER
  • 2 POSTS
Having a problem finding the fuel filter on my car.
Jan 22, 2021 at 1:15 PM (Merged)
Avatar
ASEMASTER6371
  • CERTIFIED EXPERT
  • 52,796 POSTS
Good afternoon,

The fuel filter is located underneath the chassis on the left hand side of the fuel tank.


What is the issue?

Roy
Jan 22, 2021 at 1:15 PM (Merged)
Avatar
KASEKENNY
  • CERTIFIED EXPERT
  • 18,907 POSTS
Hi John,

I attached the location of the filter from the manual. However, it appears there are some that do not have this external filter. If yours does not have the filter in this location, the second attachment shows the in tank filter. Unfortunately, this is inside the fuel tank but all in tank filters are serviced for life and do not require replacement unless the pump comes out for some other issue.

Let me know if you have any other questions about this. Thanks
Jan 22, 2021 at 1:15 PM (Merged)
Avatar
JENJOHN24
  • MEMBER
  • 2 POSTS
I have even called Kia and they said there was one, but we have looked everywhere.
Jan 22, 2021 at 1:15 PM (Merged)
Avatar
ASEMASTER6371
  • CERTIFIED EXPERT
  • 52,796 POSTS
Did you check the location listed?

If it is not there, then it is part of the fuel pump.

Roy
Jan 22, 2021 at 1:15 PM (Merged)
Avatar
JENJOHN242003
  • MEMBER
  • 1 POST
Trying to locate my fuel filter.
Jan 22, 2021 at 1:15 PM (Merged)
Avatar
DANNY L
  • CERTIFIED EXPERT
  • 5,648 POSTS
Hello, I'm Danny,

Here is a basic fuel filter replacement tutorial for you to view:

https://www.2carpros.com/articles/how-to-change-a-fuel-filter

I've attached a picture (below) of its location. It's under left side of vehicle, forward of fuel tank. Hope this helps and thanks for using 2CarPros.
Danny-
Jan 22, 2021 at 1:15 PM (Merged)
Avatar
GINA VANSELOW
  • MEMBER
  • 1 POST
I need to change my fuel filter?
Jan 22, 2021 at 1:15 PM (Merged)
Avatar
ASEMASTER6371
  • CERTIFIED EXPERT
  • 52,796 POSTS
Good morning,

Here is a guide to help you step by step with instructions in the diagrams below to show you how on your car.

https://www.2carpros.com/articles/how-to-change-a-fuel-filter

The fuel filter is located underneath the chassis on the left hand side of the fuel tank. Check out the diagrams (Below). Please let us know if you need anything else to get the problem fixed.
Jan 22, 2021 at 1:15 PM (Merged)
Avatar
ARNOLDG576
  • MEMBER
  • 1 POST
I have been trying to find the location of the fuel filter, but cannot seem to find it. although I looked thoroughly under the car.
Jan 22, 2021 at 1:15 PM (Merged)
Avatar
JACOBANDNICKOLAS
  • CERTIFIED EXPERT
  • 110,176 POSTS
Welcome to 2CarPros.

I believe it is the left side, under vehicle, near the rear wheel. Take a look at the attached picture.

Here is a link you may find helpful:

https://www.2carpros.com/articles/how-to-change-a-fuel-filter

Here are the directions specific to your vehicle:

2003 Kia Optima L4-2.4L
Procedures
Vehicle Powertrain Management Fuel Delivery and Air Induction Fuel Filter Service and
PROCEDURES
FUEL FILTER REPLACEMENT

1. Reduce the internal pressure of the fuel lines and hoses and perform the following operations.
- Disconnect the fuel pump harness connector in the trunk room.
- Start the engine and, after it stops, turn the ignition switch to OFF.
- Disconnect the battery negative (-) terminal.
- Connect the fuel pump harness connector.

2. Remove the two fitting nuts while holding the fuel filter nuts securely.


pic 2

3. Remove the fuel filter mounting bolts, and then remove the fuel filter from the fuel filter clamp.

Tightening torque
Fuel filter fitting nut : 25 - 35 Nm (250 - 350 kg.cm, 18 - 25 lb.ft)

____________________________________

Let me know if that helps or if you have other questions.

Take care,
joe
Jan 22, 2021 at 1:15 PM (Merged)
Avatar
WALTERPOWELLJR
  • MEMBER
  • 1 POST
I own a 2003 Kia optima with 88,000 miles on it and it has started bogging down lossing power. I have never replaced the fuel filter. I have looked all over the underneath of the car. Can someone tell me for sure where it is located? I opened the trunk and pulled the carpet back and found the acess panel for the fuel pump, Please dont tell me they put the filter inside the gas tank! NEED HELP!!!!
Jan 22, 2021 at 1:15 PM (Merged)
Avatar
JACOBANDNICKOLAS
  • CERTIFIED EXPERT
  • 110,176 POSTS
It should be near fuel tank ( under the car) if it is an in-line filter which is what it is listed as. Although, earlier models of the Optima had the fuel filter in the tank with the pump and sender assembly, so I wouldn't be surprised if they have it listed wrong. May want to check there for the fuel filter. Try removing rear seat cushion or check in the trunk to see if you have an access panel. Should be able to see sender unit from there to locate filter if it is in the fuel tank.
Jan 22, 2021 at 1:16 PM (Merged)
Avatar
WAKKYTRIPLEA89
  • MEMBER
  • 1 POST
Shakes or Wobbles problem
2002 Kia Optima 4 cyl Front Wheel Drive Automatic

hello i tryed changin my fuel filter but i cant seem to find it some peole say is under the car or in the engine compartment or connected to the fuel pump ive looked everywhere but cant find it.
Jan 22, 2021 at 1:16 PM (Merged)
Avatar
RASMATAZ
  • CERTIFIED EXPERT
  • 75,992 POSTS


https://images.2carpros.com/forum/automotive_pictures/12900_ff_8.gif

The fuel filter is located underneath the chassis on the left hand side of the fuel tank.
Jan 22, 2021 at 1:16 PM (Merged)
Avatar
BUSTERS08
  • MEMBER
  • 5 POSTS
When I accelerate, the car dies. Is there an in line fuel filter or just the filter in the tank ?
Thankyou
Jan 22, 2021 at 1:16 PM (Merged)
Avatar
HMAC300
  • CERTIFIED EXPERT
  • 48,601 POSTS
check fuelpressure with a gauge first ti may be a bad pump. autoparts rent them. there is an online filter near tank though....
Jan 22, 2021 at 1:16 PM (Merged)
Avatar
BUSTERS08
  • MEMBER
  • 5 POSTS
Thankyou !
Jan 22, 2021 at 1:16 PM (Merged)
Avatar
BUSTERS08
  • MEMBER
  • 5 POSTS
is there a crank sensor on that car ? Pump seems to be fine. At first it would crank and at 2000rpm would spit and sputter then die. Now it won't crank at all
Jan 22, 2021 at 1:16 PM (Merged)
Avatar
HMAC300
  • CERTIFIED EXPERT
  • 48,601 POSTS
if it won't crank check battery for condition including load test. autoparts/tire stores do this for free.
Jan 22, 2021 at 1:16 PM (Merged)
Avatar
BUSTERS08
  • MEMBER
  • 5 POSTS
Thankyou for your response. The battery is good. It just won't start.
Jan 22, 2021 at 1:16 PM (Merged)