No Spark

Tiny
CA1970
  • MEMBER
  • 1993 JEEP CHEROKEE
  • 4.0L
  • 6 CYL
  • 4WD
  • AUTOMATIC
  • 260,000 MILES
The vehicle listed above has a 4.0 high out put. No fire to spark plugs, replaced Distributor, coil plugs and wires, Ignition switch and crank sensor with new parts, has a new fuel pump, but since changing crank sensor I can't hear fuel pump kick on. I'm not to familiar with Jeep products and this one has me stumped. What could I be over looking? Any suggestions on where to check next?
Monday, April 13th, 2020 AT 8:59 AM

22 Replies

Tiny
JACOBANDNICKOLAS
  • MECHANIC
  • 110,192 POSTS
Hi,

Before I suggest what I think may be the issue, first confirm the rotor is turning in the distributor when cranking the engine.

If that is good, then we need to confirm the ASD relay is also good. The relay is mounted in the power distribution center. This relay supplies battery voltage to fuel pump relay, fuel injectors, ignition coil, and O2 sensor heating element when energized by Powertrain Control Module (PCM). Basically, when the key is in the start or run position, the PCM provides a ground to the relay but the PCM has to receive a signal from the distributor to work. If there is no ignition reference to the PCM, the ground is removed and fuel pump and components are shut down.

Now, regardless of replacement of the crank sensor, the fuel pump should be powered for a couple seconds when the key is first turned on, so if it isn't, that leads me to this relay.

I hope I explained that well enough to understand. LOL

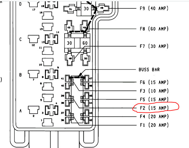
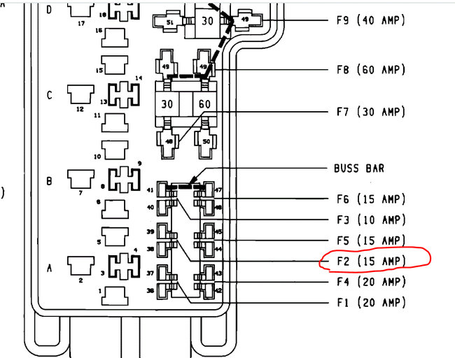
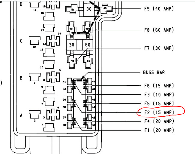
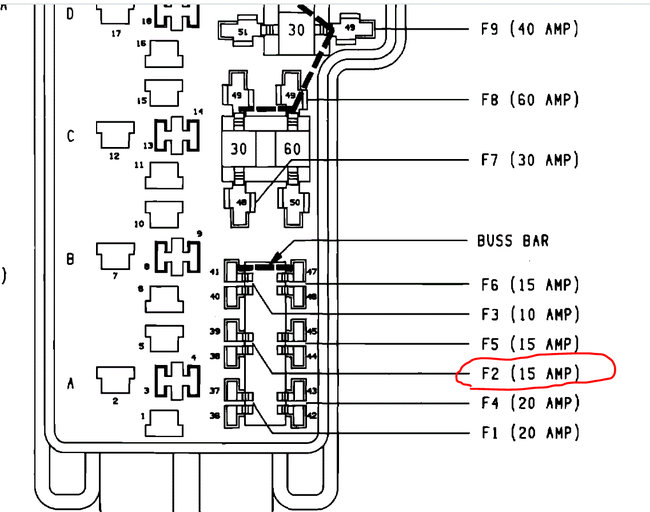
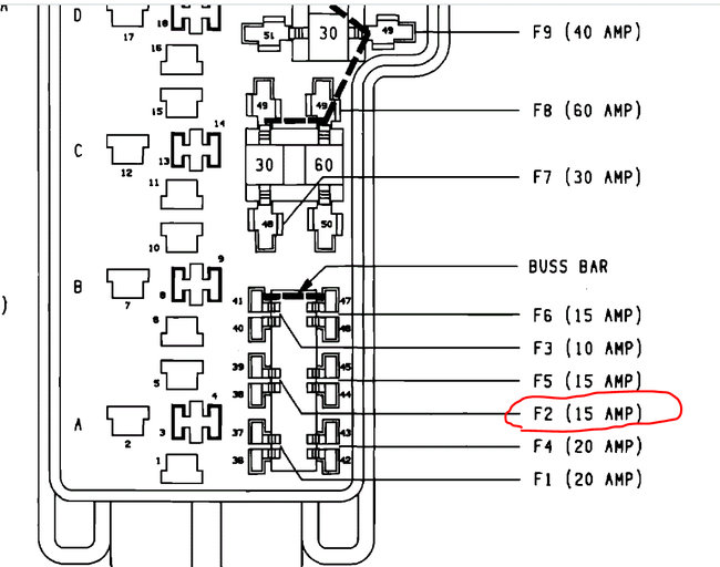
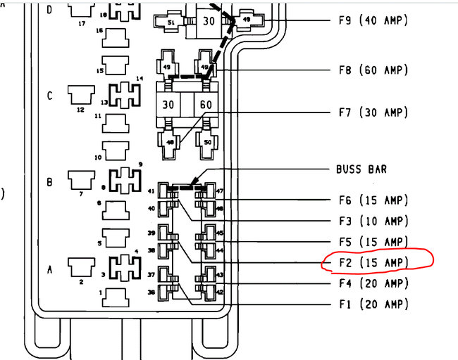
Okay, I attached three pics. The first shows the ASD relay location, the second is from the schematic showing a fuse for the ASD, and the third shows the ASD fues. Interestingly, the schematic says it's a 20 amp and the location (pic 3) shows it as a 15 amp. Stay with what is there if it is bad.

Don't know if this will help, but here is a link that shows how a relay is checked. I realize you are a mechanics, but thought I would add it in case it would help.

https://www.2carpros.com/articles/how-to-check-an-electrical-relay-and-wiring-control-circuit

If it was me, I would switch the relay with one in the box that has the same part number. LOL

Take care and let me know if any of this helps.

Joe

Was this
answer
helpful?
Yes
No
+1
Monday, April 13th, 2020 AT 4:22 PM
Tiny
CA1970
  • MEMBER
  • 36 POSTS
Okay, now its doing something strange. I changed the ASD relay, While it was raining outside, Jeep had fire, but still wouldn't run, Fuel pump working fine and plenty of pressure ( new pump) So figured I had timing off as I did replace the distributor. Went out today to set timing and no spark again :( fuel pump is kicking on, just no spark, tested power going to coil, 1 side of the 2 prong plug has power, other side, nothing. So thinking ECM or Ignition switch? Have any other suggestions? Really starting to hate this Jeep. :/
Was this
answer
helpful?
Yes
No
+1
Saturday, April 18th, 2020 AT 11:37 AM
Tiny
JACOBANDNICKOLAS
  • MECHANIC
  • 110,192 POSTS
Hi,

Did it start working after you replaced the ASD? If it did, recheck to see if there is corrosion, a damaged pin (pushed in), pull the ASD out and put it back in and see if it changes.

Also, there is an ignition ballast resistor relay. Check it as well. It is located under the hood on the outside of the power distribution box. See pic 1 You can use the aforementioned link to test a relay for this one as well.

The PCM controls ignition timing and coil dwell by controlling the ground path to the ignition coil. So the idea that you have power to the coil on one wire is normal. See pic 2 For power to flow, the PCM needs to provide ground.

Have you checked for diagnostic trouble codes? I have a feeling that if the ballast relay is good it may be related to the crankshaft position sensor. Follow this link and let me know if anything is stored. You can get codes without a scanner on this vehicle.

https://www.2carpros.com/articles/jeep-diagnostic-trouble-codes-for-car-built-on-or-before-1995-odb1

Next, make sure the connector to the crankshaft position sensor is good. Also, take a look through these three links:

https://www.2carpros.com/articles/how-a-crank-shaft-angle-sensor-works

https://www.2carpros.com/articles/symptoms-of-a-bad-crankshaft-sensor

https://www.2carpros.com/articles/crankshaft-angle-sensor-replacement
_____________________________________________
Here are the directions for testing your crankshaft position sensor. Basically, you are making sure there is no resistance between terminals B and C. See pic 3

PROCEDURE

1. Near the rear of intake manifold, disconnect sensor pigtail harness connector from main wiring harness.

See pic 3

2. Place an ohmmeter across terminals B and C (Fig. 5). Ohmmeter should be set to 1K-to-lOK scale for this test. The meter reading should be open (no resistance). Replace sensor if a low resistance is indicated.

___________________________________________
If you determine the sensor is bad, here are the directions specific to your vehicle for replacement.

I1993 Jeep Truck Cherokee 4WD L6-242 4.0L VIN S MFI
Procedures
Vehicle Powertrain Management Sensors and Switches - Powertrain Management Sensors and Switches - Computers and Control Systems Crankshaft Position Sensor Service and Repair Procedures
PROCEDURES
Crankshaft Position (CKP) Sensor 4.0L

See pic 4

REMOVAL

1. Disconnect negative battery cable.
2. Disconnect sensor electrical connector, located near rear of intake manifold
3. Remove nut holding sensor wiring clip to fuel rail.
4. Remove sensor mounting bolt(s) or nuts.
5. Remove the sensor from vehicle.
6. Remove clip from sensor wiring harness.

INSTALLATION

1. Position camshaft position sensor flush against the opening in transmission housing.
2. Install sensor mounting bolts or nuts and torque to 19 Nm (14 ft-lbs).

CAUTION: On some models, two bolts are used to secure sensor to transmission. These bolts are specially machined to correctly space the sensor to flywheel. Do not attempt to install any other bolts.

3. Connect the electrical connector to the sensor.
4. Install clip on sensor wire.
5. Install clip over fuel rail stud and tighten mounting nut.

Let me know. As far as the PCM being bad, anything is possible. However, lets eliminate other common causes.

Let me know what you find.

Take care,

Joe
Was this
answer
helpful?
Yes
No
Saturday, April 18th, 2020 AT 9:29 PM
Tiny
TDGAST
  • MEMBER
  • 2 POSTS
  • 1993 JEEP CHEROKEE
1993 Jeep Cherokee 6 cyl Four Wheel Drive Automatic

I am getting no spark when I try to start my Jeep. I have replaced plugs, wires, etc and still no spark. I have also went on to replace the coil, crankshaft position sensor, and camshaft position sensor. I still have no spark. All fuses are good. I am at a loss as to what I can check next. Any help as to what direction I can go now would be great. Thanks. Also has a new battery.
Was this
answer
helpful?
Yes
No
Monday, December 7th, 2020 AT 12:23 PM (Merged)
Tiny
CARADIODOC
  • MECHANIC
  • 34,463 POSTS
Hi tdgast. Welcome to the forum. I don't have a service manual so I'll try to do this from memory. You should have an automatic shutdown (ASD) relay. The first step is to determine if that is turning on. By '93, this was a Chrysler product and I think they were using the standard, fairly reliable circuit. You can measure the voltage feeding the ignition coil, (typically dark green with an orange stripe), the injectors, or one of the small terminals on the back of the alternator. Both small terminals on the alternator will have voltage at the same time, one will just be a little lower).

You should find full battery voltage on those places two times. The first is for just one second after turning on the ignition switch, then it will go back to 0 volts. The voltage will turn on again during engine rotation, (cranking or running). That voltage comes from the ASD relay which is turned on by the Engine Computer when it gets pulses from the two sensors you replaced.

As an alternative to measuring the voltage, you can pop the cover off the ASD relay and watch to see if it clicks when a helper cranks the engine.

When you replaced the crankshaft position sensor, was it new, and did it have a paper spacer or plastic rib on the end? One of them must be present to properly set the air gap. If there was no spacer, the sensor can be broken from hitting the ring on the flex plate or it won't generate a sufficient signal if it is too far away.

Caradiodoc
Was this
answer
helpful?
Yes
No
Monday, December 7th, 2020 AT 12:23 PM (Merged)
Tiny
TDGAST
  • MEMBER
  • 2 POSTS
All parts were new when installed and I believe that there was a spacer. My uncle actually installed the sensors. I will check the things you mentioned, thanks for the insight.
Was this
answer
helpful?
Yes
No
Monday, December 7th, 2020 AT 12:23 PM (Merged)
Tiny
CARADIODOC
  • MECHANIC
  • 34,463 POSTS
If the crank sensor came from the dealer, they should have provided the paper spacer. It will slide off when the engine is started. Many aftermarket sensors have a plastic rib molded in that wears away as the engine runs. When those are removed and reinstalled, you are supposed to cut off the remaining rib and use a new paper spacer.

Just thought I'd mention that in case you plan on removing the sensor to inspect it.

Caradiodoc
Was this
answer
helpful?
Yes
No
Monday, December 7th, 2020 AT 12:23 PM (Merged)
Tiny
ALLAN456321
  • MEMBER
  • 3 POSTS
  • 1993 JEEP CHEROKEE
  • 6 CYL
  • 4WD
  • AUTOMATIC
  • 180,000 MILES
Car won't start replaced hole distributed incloding the cam shaft positioning senser, the coil, and the automatic shut down relay, and still nno spark
Was this
answer
helpful?
Yes
No
+2
Monday, December 7th, 2020 AT 12:23 PM (Merged)
Tiny
RASMATAZ
  • MECHANIC
  • 75,992 POSTS
Check and test the crankshaft positioning sensor at left side of transmission bellhousing
Was this
answer
helpful?
Yes
No
Monday, December 7th, 2020 AT 12:23 PM (Merged)
Tiny
ALLAN456321
  • MEMBER
  • 3 POSTS
I tested the crank shaft positioning senser and it just read 9 volts on one side and 4.5 volts on the other but it never changed it never flickers or changed when u cranked it over just kept reading that voltage what dose that mean?
Was this
answer
helpful?
Yes
No
Monday, December 7th, 2020 AT 12:23 PM (Merged)
Tiny
RASMATAZ
  • MECHANIC
  • 75,992 POSTS
You should be getting a fluctuating AC signal-sounds like you have to replace it or a problem with the PCM
Was this
answer
helpful?
Yes
No
Monday, December 7th, 2020 AT 12:23 PM (Merged)
Tiny
RWD007
  • MEMBER
  • 3 POSTS
  • 1993 JEEP CHEROKEE
  • 6 CYL
  • 4WD
  • AUTOMATIC
  • 240,000 MILES
I have replaced the crank position sensor with a new one, replaced the coil with a known good one, PCM with a known good one(identical part#), checked all grounds, has 12v at coil connector. I also replaced the ASD relay with a known good one. The jeep was running fine, it was shut off for about six hours then no spark at coil. The only symptom it had prior to this issue was there was a lot of rattle from the Cat. This rattle was happening for about 2 weeks. Please help! I'm really tired of being my 18 yr. Old daughters' taxi! This is her Jeep. Thank You!
Was this
answer
helpful?
Yes
No
Monday, December 7th, 2020 AT 12:23 PM (Merged)
Tiny
RASMATAZ
  • MECHANIC
  • 75,992 POSTS
Perform the no start tests below


https://www.2carpros.com/forum/automotive_pictures/12900_ns1_2.jpg



https://www.2carpros.com/forum/automotive_pictures/12900_ns2_2.jpg



https://www.2carpros.com/forum/automotive_pictures/12900_ns3_2.jpg



https://www.2carpros.com/forum/automotive_pictures/12900_ns4_2.jpg



https://www.2carpros.com/forum/automotive_pictures/12900_ns5_2.jpg

Was this
answer
helpful?
Yes
No
Monday, December 7th, 2020 AT 12:23 PM (Merged)
Tiny
ALLAN456321
  • MEMBER
  • 3 POSTS
It was the crankshaft positing sencer. Boy thanks a lot fir your help it really means a lot to me. It rubs great and lives agian. So thanks again. And have great new year!
Was this
answer
helpful?
Yes
No
Monday, December 7th, 2020 AT 12:23 PM (Merged)
Tiny
RWD007
  • MEMBER
  • 3 POSTS
Will do. I will let you know what I find.
Was this
answer
helpful?
Yes
No
Monday, December 7th, 2020 AT 12:23 PM (Merged)
Tiny
EVERWONDERYME
  • MEMBER
  • 2 POSTS
  • 1993 JEEP CHEROKEE
  • V8
  • 4WD
  • AUTOMATIC
  • 135,000 MILES
I have a 1993 Jeep Grand Cherokee and when I turn the key on, I have to wait 5mins. Or longer untill it will start. After awhile I hear the relays start ticking away. When they stop, it starts rite up. I put a new coil, crank sensor, plugs, wires, cap and all in. I was stoped at alite and truck died. Now it woun't start at all. Does anyone know what it might be?
Was this
answer
helpful?
Yes
No
Monday, December 7th, 2020 AT 12:24 PM (Merged)
Tiny
RASMATAZ
  • MECHANIC
  • 75,992 POSTS
Inspect and test the ASD relay it powers the coil/injector/fuel pump-
Was this
answer
helpful?
Yes
No
Monday, December 7th, 2020 AT 12:24 PM (Merged)
Tiny
EVERWONDERYME
  • MEMBER
  • 2 POSTS
I did replace the relay. It starts, thank you
Was this
answer
helpful?
Yes
No
Monday, December 7th, 2020 AT 12:24 PM (Merged)
Tiny
SJT2107
  • MEMBER
  • 1 POST
  • 1993 JEEP CHEROKEE
  • 6 CYL
  • 4WD
  • AUTOMATIC
  • 102,000 MILES
I have always owned Cherokee Sports so I have quite a bit of experience with them but this one has me stumped.
I hope you can help.

The Jeep turns over fine but has no spark from coil.

I have changed the Coil, Crankshaft Position Sensor, Ballast Resistor, checked all fuses in both boxes, I tried jumping out the coil, I even tried a differrent computer (it was used & a different #, I don't know if that matters?)

I do not know what else to try.

Thank you,
Steve
Was this
answer
helpful?
Yes
No
Monday, December 7th, 2020 AT 12:24 PM (Merged)
Tiny
JAMES W.
  • MECHANIC
  • 2,394 POSTS
I see you changed the ballast resistor. In your system is a resistor bypass relay. My schematic doesn't tell me exactly where it is. I would assume it's close to the resistor. If this relay fails, you will have no spark. You may have already checked this, but we have to start somewhere. Also, I am again "assuming" you have fuel pressure and injector pulse. Please advise.
Was this
answer
helpful?
Yes
No
Monday, December 7th, 2020 AT 12:25 PM (Merged)

Please login or register to post a reply.