no spark?

1999 JEEP CHEROKEE
126,549 MILES • 6 CYL • 4WD • AUTOMATIC
Avatar
TRUCKS69
  • MEMBER
  • 1 POST
starts when cold then shuts off no spark what could the problem be
Oct 12, 2010 at 10:35 AM
Advertisement
Repair Safety Notice: This information is for general instructional purposes only. Vehicle repair can be dangerous. Verify all information, follow manufacturer service procedures, use proper tools and safety equipment, and consult a qualified repair shop when needed.
Avatar
JDL
  • AUTOMOTIVE REPAIR CONTRIBUTOR
  • 16,098 POSTS
Check for primary voltage at the coil. Dark green wire with orange tracer. Should be hot engine cranking. If no voltage check the fuses for the asd relay. Any applicable trouble codes?


https://images.2carpros.com/forum/automotive_pictures/170934_cherokee_asd_relay_1.jpg

Oct 12, 2010 at 11:05 AM
Avatar
STELLA25
  • MEMBER
  • 2 POSTS
hi i have a 98 jeep cherokee sport i have no spark i have my self changed the cap rotor coil crankshaft p sensor turns over gets gas but no spark need help
Dec 7, 2020 at 12:12 PM (Merged)
Advertisement
Avatar
CJ MEDEVAC
  • AUTOMOTIVE REPAIR CONTRIBUTOR
  • 11,004 POSTS
Check this guide out it can help us fix it.

https://www.2carpros.com/articles/how-to-test-an-ignition-system

Please run down this guide and report back.
Dec 7, 2020 at 12:12 PM (Merged)
Avatar
STELLA25
  • MEMBER
  • 2 POSTS
no spark to the coil plugs nothing could it be the engine computer? Can I get the engine wiring diagrams please?

Dec 7, 2020 at 12:12 PM (Merged)
Advertisement
Avatar
CJ MEDEVAC
  • AUTOMOTIVE REPAIR CONTRIBUTOR
  • 11,004 POSTS
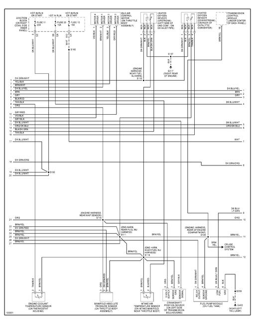
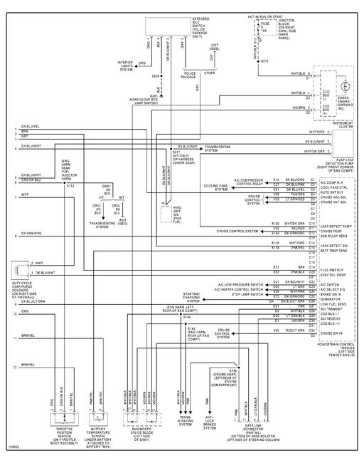
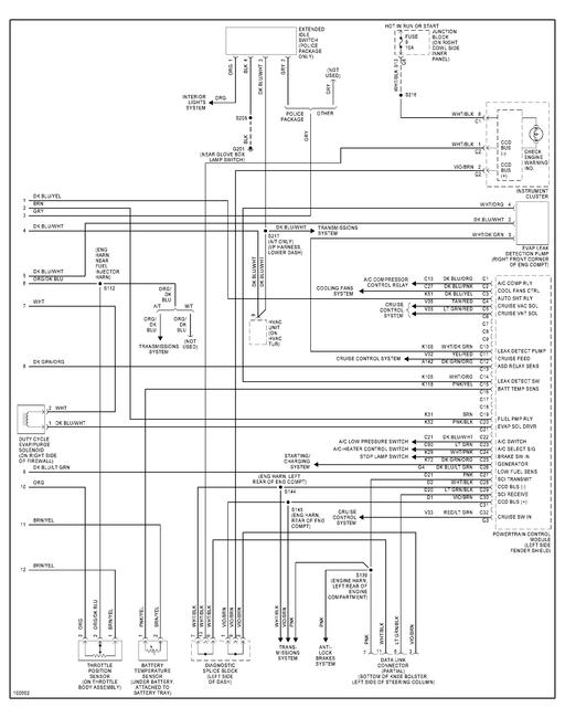
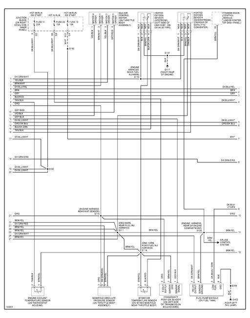
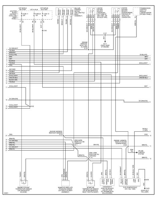
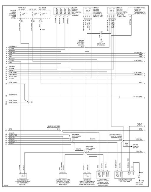
let's check out ez stuff 1st---then move on to the harder stuff

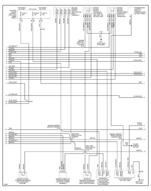
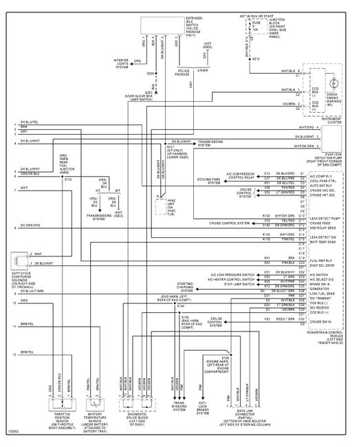
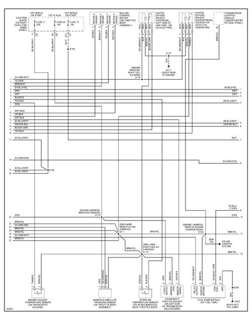
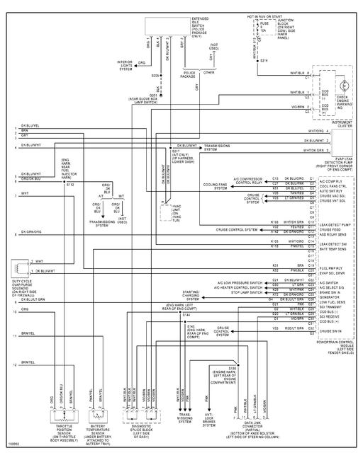
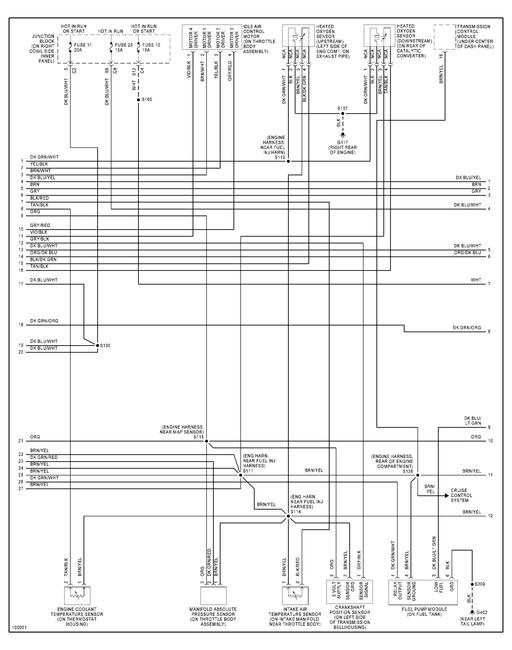
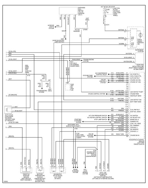
sending 3 diagrams----may be easier to print them and tape the corresponding wires together

start on page one---left side at top---"coil" (wire 1 [gray] and wire 2 dark green/ orange)

follow the positive wire---a highlighter will aid you---follow any "tees" the wire makes

trace them thru the diagrams---you will find that somewhere along the way ---"fuses" (maybe more than one)-----cool thing is "mitchell i" has them numbered! so you might go straight to the right one quick.

there maybe be relays too...they go bad..........sometimes as a test......you can swap it's identical twin (like from power windows etc) before you rush out and buy one, to see if that is the problem

"mitchell" also gives locations of components you come across

anywhere you find a "switch" along the positive wire----this could be a potential failure point.........like maybe the neutral safety switch, for instance........anything could be broke/ become disconnected/ wire breaks

with a voltmeter or even a 12 volt test light....you can follow voltages to each "switch".......locate it coming and going at each component along the way.........remember that the switch/ relay must be "on" or "made" to trace voltages thru it

Check out the diagrams (Below). Please let us know what happens.
Dec 7, 2020 at 12:12 PM (Merged)
Avatar
CONWILLI
  • MEMBER
  • 6 POSTS
I recently changed the motor mounts in my vehicle listed above XJ Limited. I had some trouble getting the motor back on the new mounts, but with some pulling, shaking, I was able to muscle and align it back into position. And when I went to start it it no longer starts. I have replaced the crankshaft position sensor and distributor so far. I tested for spark in which I have none at the ignition coil. At the ignition coil I tested the gray wire which is supposed to have constant 12v (when ignition is on) but there is nothing. When I crank the engine, I do get the required 12volts on the dark green/orange wire at the coil which leads me to believe there is no problem with the cam sensor, crank sensor, or automatic shutdown relay. My question is, how do I get the constant 12v power back? I traced the wire to the PCM computer. Possible problem with the ignition switch? Help!
Dec 7, 2020 at 12:15 PM (Merged)
Avatar
ASEMASTER6371
  • AUTOMOTIVE REPAIR CONTRIBUTOR
  • 52,796 POSTS
Good morning,

The green/white wire is from the ignition switch. The gray wire should be hot through the coil. It is the coil driver for spark and does go to the PCM.

From your testing, it tells me the coil is the issue.

Roy
Dec 7, 2020 at 12:15 PM (Merged)
Avatar
CONWILLI
  • MEMBER
  • 6 POSTS
Why would the coil be the issue if I don’t have power to the coil through the gry wire to begin with? The 12v power power is a supply to the coil from the PCM, isn’t that correct?
Dec 7, 2020 at 12:15 PM (Merged)
Avatar
CONWILLI
  • MEMBER
  • 6 POSTS
What would cause the pcm to not send those 12v? Thanks
Dec 7, 2020 at 12:15 PM (Merged)
Avatar
ASEMASTER6371
  • AUTOMOTIVE REPAIR CONTRIBUTOR
  • 52,796 POSTS
The PCM does not send power. It looks for the power from the coil. You are thinking backward.

You stated you have power to the positive side and that comes from the ignition switch.

That voltage should pass through the coil and go to the PCM which makes and breaks the ground for spark command.

Roy
Dec 7, 2020 at 12:15 PM (Merged)
Avatar
CONWILLI
  • MEMBER
  • 6 POSTS
Thanks Roy you were right about the coil. I now have spark to the spark plugs. I wasn’t able to get it started yet probably flooded it from cranking a bunch and dumping fuel in.
Dec 7, 2020 at 12:15 PM (Merged)
Avatar
ASEMASTER6371
  • AUTOMOTIVE REPAIR CONTRIBUTOR
  • 52,796 POSTS
You are welcome.

Hold the gas pedal to the floor and crank it. That will clear the flooding and it should start.

Roy
Dec 7, 2020 at 12:15 PM (Merged)
Avatar
CONWILLI
  • MEMBER
  • 6 POSTS
Roy,

Today I tried starting it again but it would not start. Confirmed again I have spark at all 6 spark plugs. When cranking, the air intake makes a gasp/gulping sound but sounds normal when depressing the gas pedal. I do have gas flow, can smell it. Any ideas?
Dec 7, 2020 at 12:15 PM (Merged)
Avatar
CONWILLI
  • MEMBER
  • 6 POSTS
Backfires through intake.
Dec 7, 2020 at 12:15 PM (Merged)
Avatar
ASEMASTER6371
  • AUTOMOTIVE REPAIR CONTRIBUTOR
  • 52,796 POSTS
Okay, I would check the compression to be sure it is not a timing issue.

https://www.2carpros.com/articles/how-to-test-engine-compression

Roy
Dec 7, 2020 at 12:15 PM (Merged)
Avatar
JONATHAN HERRING
  • MEMBER
  • 5 POSTS
Computer problem
1998 Jeep Cherokee 6 cyl Two Wheel Drive

i replaced the computer on my jeep limited and it still as no fire going to my coil
Dec 7, 2020 at 12:15 PM (Merged)
Avatar
JDL
  • AUTOMOTIVE REPAIR CONTRIBUTOR
  • 16,098 POSTS
Hello, can you check for codes? The ASD relay supplies primary voltage to the coil--injectors--heater circuits for the o2 sensors, I don't know what all.

The computer controls that relay on the ground circuit. A common reason for the computer not to ground that circuit, is because it doesn't see the proper cam and crank signals. I'm not telling you to replace anthing, you need to do some testing.
Dec 7, 2020 at 12:15 PM (Merged)
Avatar
JONATHAN HERRING
  • MEMBER
  • 5 POSTS
thanks i have been trying everything
Dec 7, 2020 at 12:15 PM (Merged)
Avatar
TERRY BURCHFIELD
  • MEMBER
  • 2 POSTS
Coming home one night it just quit at an intersection.
It is not getting any spark. I have replaced the ignition module in the distributor, the coil, The sensor on the bell housing, and the PCM (main computer). I have checked the relays and still not spark. These were all parts that I was told to replace by a on line mechanic. This has cost me a bundle so far, but I am in too deep to quit. Car ran fine for the eight years I have had it only replaced a battery and AC unit in all that time and it is still in good shape. Am on social security so I cannot afford to take it to a shop.
Dec 7, 2020 at 12:15 PM (Merged)
Avatar
DOCFIXIT
  • AUTOMOTIVE REPAIR CONTRIBUTOR
  • 18,828 POSTS
Try this, look at fuse box find automatic shut down relay remove find fuel pump relay remove and place in ASD slot . Then check for spark if there is replace ASD relay.
Dec 7, 2020 at 12:15 PM (Merged)
Avatar
TERRY BURCHFIELD
  • MEMBER
  • 2 POSTS
Did the Swap still no Spark. What ever happened to the good old days of points and condenser. Well, any other suggestions short of match in gas tank. LOL

Dec 7, 2020 at 12:15 PM (Merged)
Avatar
CARADIODOC
  • AUTOMOTIVE REPAIR CONTRIBUTOR
  • 34,308 POSTS
The first thing is always to read and record the diagnostic fault codes. Disconnecting the Engine Computer erased them, so that valuable information was lost. In particular, we are looking for a code relating to the crankshaft position sensor or the camshaft position sensor, (distributor pick-up assembly). The problem is codes related to them often do not set just from cranking the engine. They set when a stalled engine is coasting to a stop.

If there are no fault codes, the next step is to view live data on a scanner to see if those signals are showing up at the Engine Computer. If you do not have access to a scanner, you can at least determine if the automatic shutdown, (ASD) relay is turning on. Find the wire that is the same color at every injector, (usually dark green/orange), and back-probe that at any injector, the ignition coil, or either smaller terminal on the back of the alternator. Use a test light for this test. Digital voltmeters do not respond fast enough.

The test light should light up for one second when you turn on the ignition switch. You might also hear the hum of the fuel pump. What is important is if that twelve volts comes back during cranking. If it does, you have an ignition system problem or a fuel supply problem, but not both. If the twelve volts does not come back during cranking, you will not have spark and fuel, including injector pulses. That accounts for about ninety five percent of crank/no-starts.

If the ASD relay does not turn on only during cranking, you are going to need the scanner to see which sensor signal is missing. Be sure the distributor shaft is turning during cranking.

If you never see that twelve volts, including for that initial one second, there is a blown fuse feeding the ASD relay. Most commonly that is caused by a wire harness to the oxygen sensors that fell down onto hot exhaust parts, and the O2 sensor's heater circuit shorted to ground.
Dec 7, 2020 at 12:15 PM (Merged)