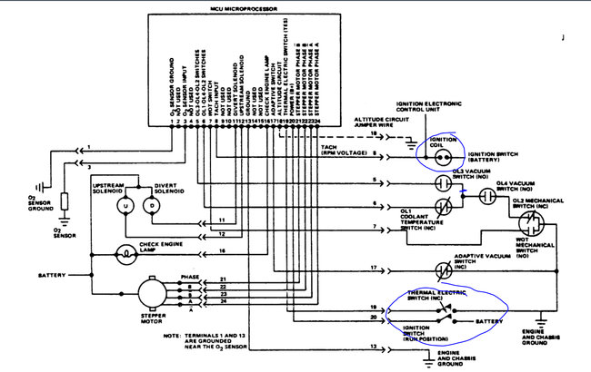
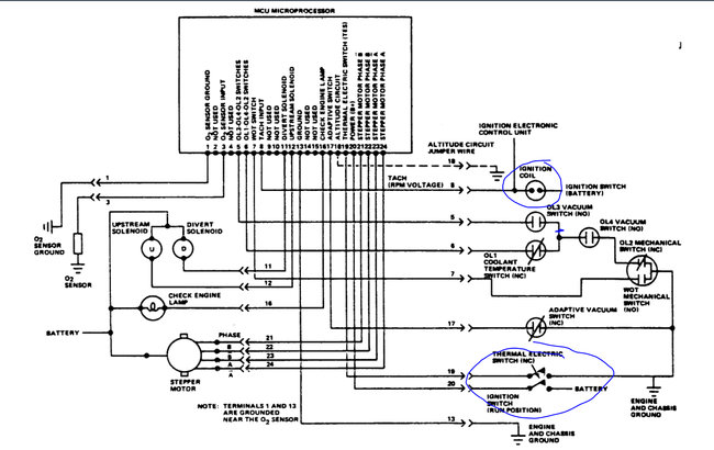
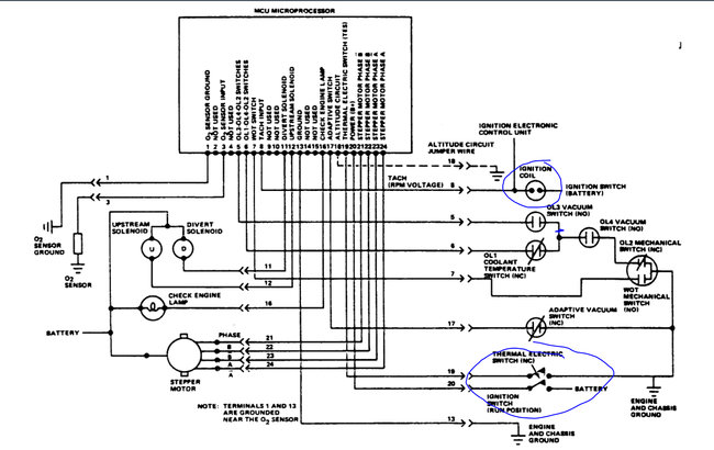
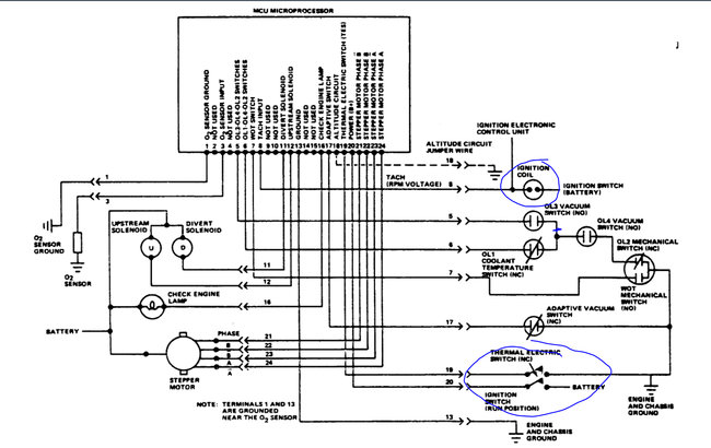
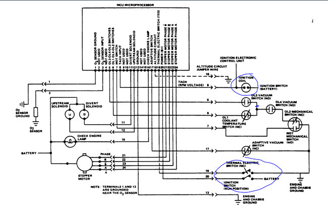
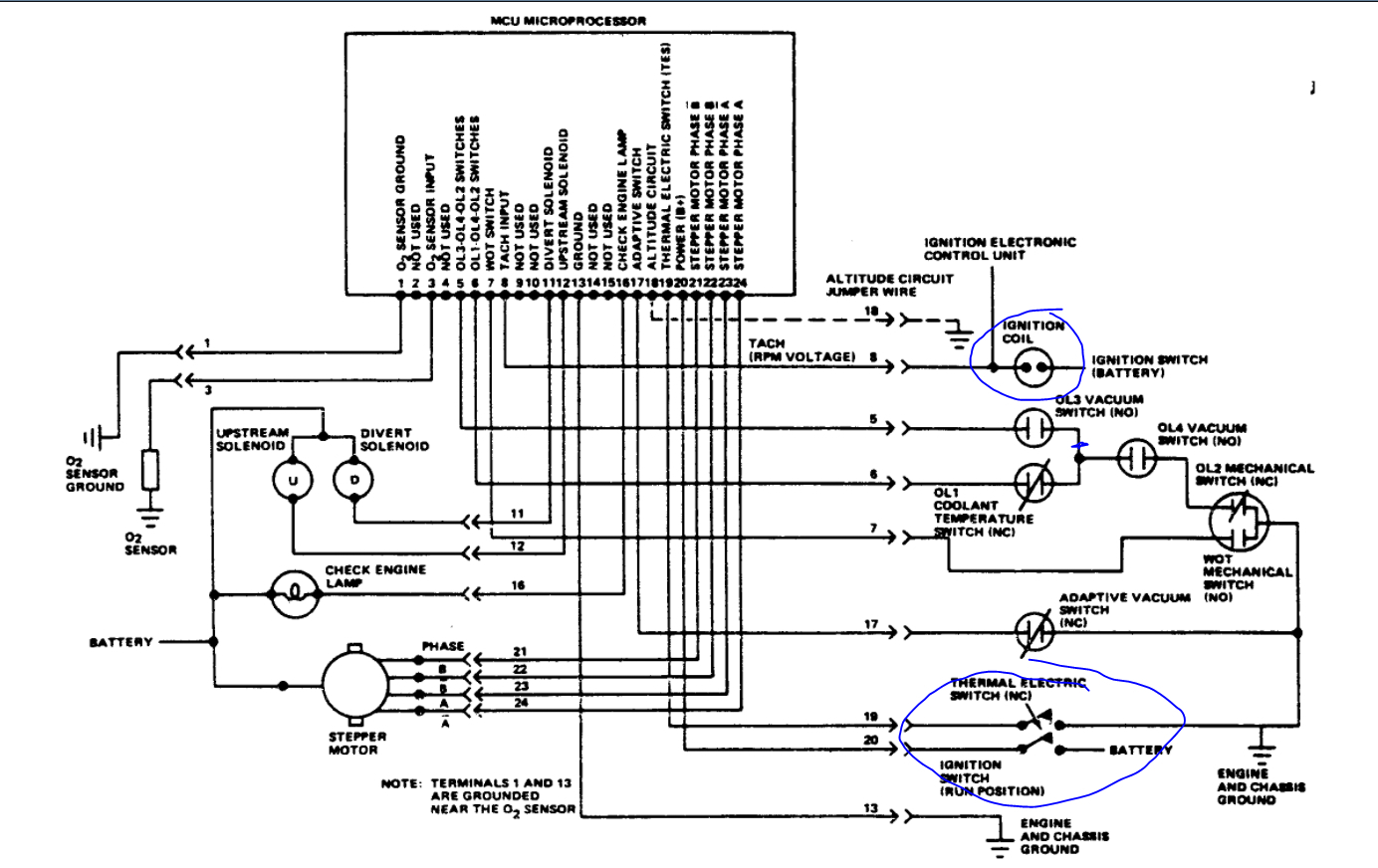
I was driving down the road the other day and it cut off. Wouldn’t start back up immediately but then I got it started and drove home. Now it will only run for a couple seconds and then will shut off.
I am getting plenty of fuel to the carburetor, took off both bowls and the floats are functioning properly and I replaced the needle and seats.
I replaced the coil and spark plugs and the distributor seems to be in good shape, (clean and rotor does not have play).
I do not know what is wrong, I am thinking it is a carburetor issue or vacuum perhaps. Please help.
Friday, July 16th, 2021 AT 3:58 PM


