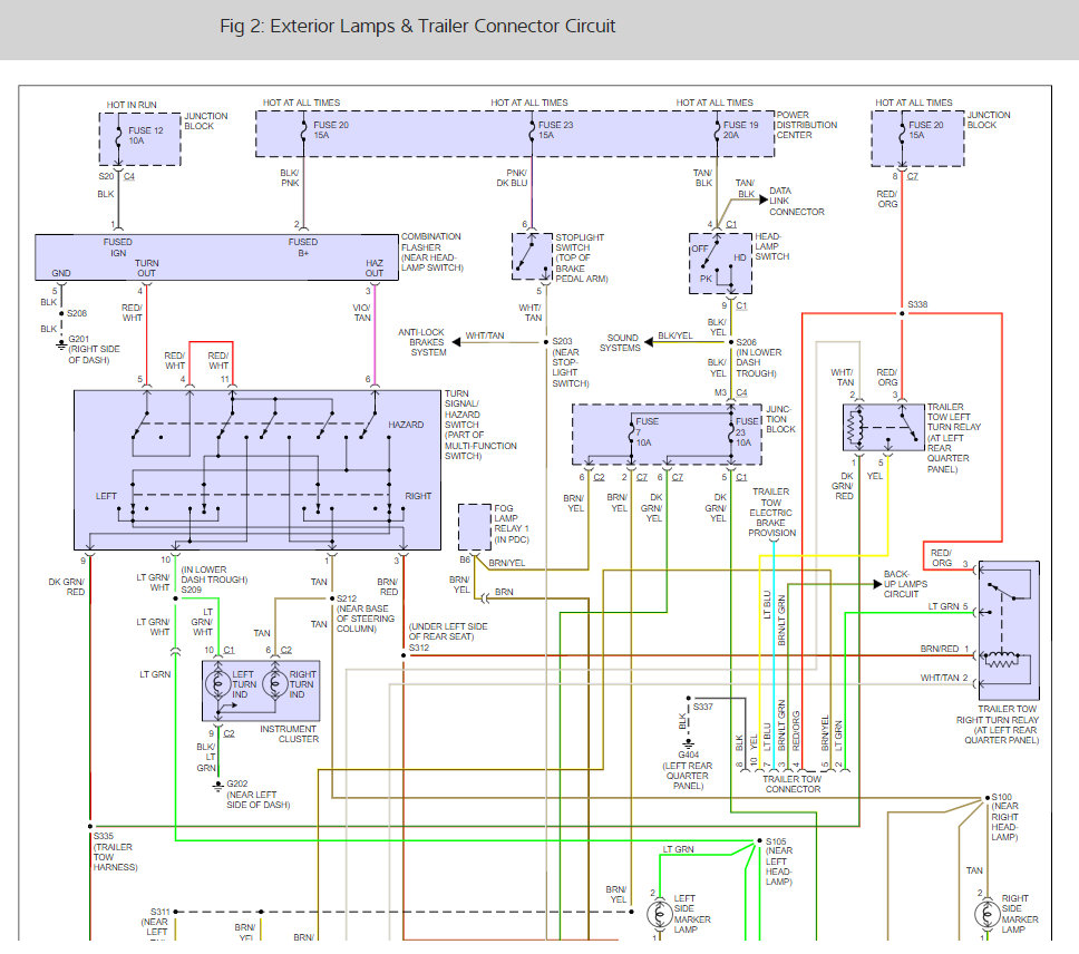
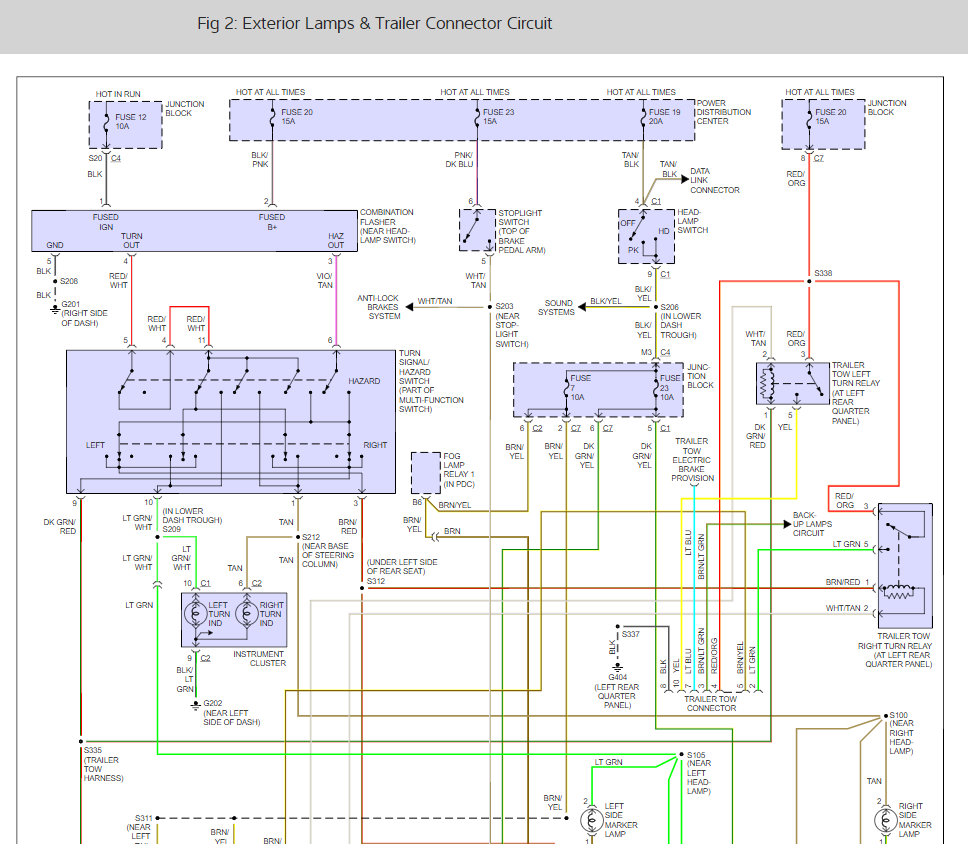
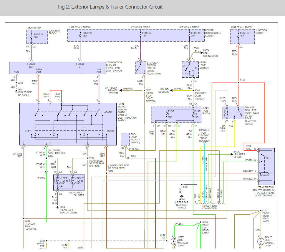
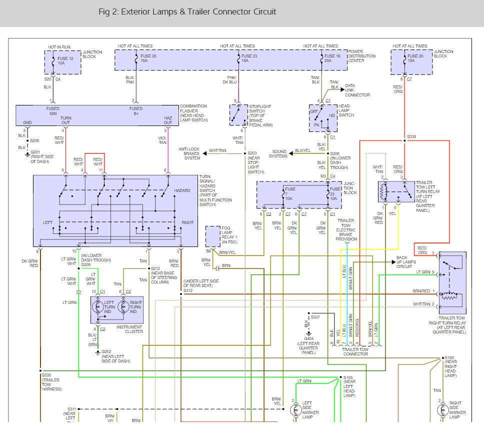
No brakes lights on my vehicle. (Includes the third eye) I replaced the following; brake switch, column multi switch, taillight fuses and bulbs. I had heard they have problems with the sockets, but the tail and running lights are fine. Any obvious things I have missed?
Thanks,
Dave
Friday, March 7th, 2008 AT 11:01 AM
















