Is it safe to change the Receiver Line myself or do I need to take it to a professional?

Tiny
AVID LEARNER
  • MEMBER
  • 2002 HONDA ACCORD
  • 4 CYL
  • 2WD
  • AUTOMATIC
  • 250,000 MILES
Hello, so a metal tube thing broke and I didn't know the name of the part or the name of the part it was connected to. After a lot of google searches, I believe the thing that broke off was the receiver line. So, my question is, is it safe to change the receiver line myself or do I need to take it to a professional? I think I heard that A/C systems require a professional to fix it but I'm not sure if this is considered part of the A/C system. And is it safe to drive the car with the receiver line broken off from the Receiver Drier? I posted a picture and video of what broke off. Any help is appreciated, thank you.

*Please keep in mind that I'm not a mechanic nor do I have a lot of car knowledge.
Sunday, June 4th, 2023 AT 9:20 PM

5 Replies

Tiny
BRENDON S
  • MECHANIC
  • 653 POSTS
Good morning, AVID LEARNER,

A/C lines aren't hard to replace for the most part. A lot of the times though you can have an issue with them sealing. You need a machine to pull a vacuum on the system for 20 minutes to make sure there are no leaks. So, you won't really know until they do that. Say you put the line in and say for some reason it has a leak when they go to charge it, then they are going to have to take it back apart to get it sealed so you would end up having to pay them to do it anyway.

In this instance, I would just let the A/C guy deal with it. Should be an hour worth of labor and the cost of the recharge.

I would buy the part yourself though but get it from the dealer. The dealer part will fit a lot better and comes with the seals needed.

Looks like retail is about $80.

So, in the end maybe around $400 and you don't have to deal with it. Probably cost closer to $300 if you do it yourself. So, in this instance I would just let them deal with it.

Make sure they add oil and dye to the system. That should be part of the recharge price.

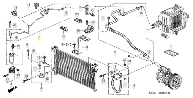
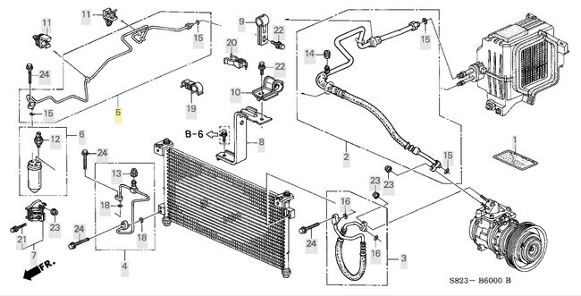
I have added some pictures for you. You were correct it is called a Receiver Line, number 5 in the picture. These pictures are from a Honda catalog and should help the parts guy get the right one for you. An Acura or Honda dealer should be able to get the part for you. Make sure to bring your VIN, they will need it to look up the correct part number.

I am also adding the capacity chart for the oil and refrigerant for your vehicle.

Thank you,
Brendon
Was this
answer
helpful?
Yes
No
+1
Monday, June 5th, 2023 AT 2:00 AM
Tiny
AVID LEARNER
  • MEMBER
  • 14 POSTS
Dang, I was hoping to do it myself, but I’ll take your advice. I’ll tell them to tell to add oil and dye the system. Thanks for the help Brendon!
Was this
answer
helpful?
Yes
No
Monday, June 5th, 2023 AT 9:26 AM
Tiny
BRENDON S
  • MECHANIC
  • 653 POSTS
Hello AVID LEARNER,

If you want to do it, I can get some information together for you. I don't mind.

Just let me know. Either way I am happy to help.

Thank you,
Brendon
Was this
answer
helpful?
Yes
No
+1
Monday, June 5th, 2023 AT 11:14 AM
Tiny
AVID LEARNER
  • MEMBER
  • 14 POSTS
That's okay Brendon, I'm just going to take it to a mechanic and have it checked since it might need to be vacuumed anyways. Thanks for the help, have a good day, you're the best.
Was this
answer
helpful?
Yes
No
Friday, June 9th, 2023 AT 10:02 PM
Tiny
BRENDON S
  • MECHANIC
  • 653 POSTS
Good morning, AVID LEARNER,

Thank you very much, that means a lot to me. I am happy to help however I can. Let me know how it goes or if you have any questions at all.

Hope you have a great weekend!
Brendon
Was this
answer
helpful?
Yes
No
+1
Saturday, June 10th, 2023 AT 5:25 AM

Please login or register to post a reply.