1998 Honda Accord AC/heating unit

Tiny
GLENNBUCKINGHAM
  • MEMBER
  • 1998 HONDA ACCORD
  • 115,000 MILES
AC / heating unit comes on and off by itself. This car has the V6 with everything power.I have found some answer's pointing to AC control panel but not sure. I was hoping that this my be common on this model
Monday, August 12th, 2013 AT 7:32 AM

3 Replies

Tiny
DRCRANKNWRENCH
  • MECHANIC
  • 3,380 POSTS
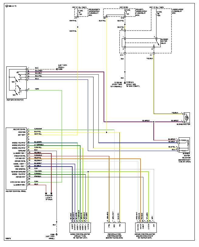
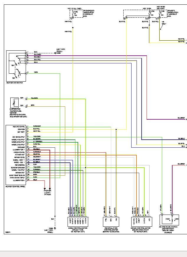
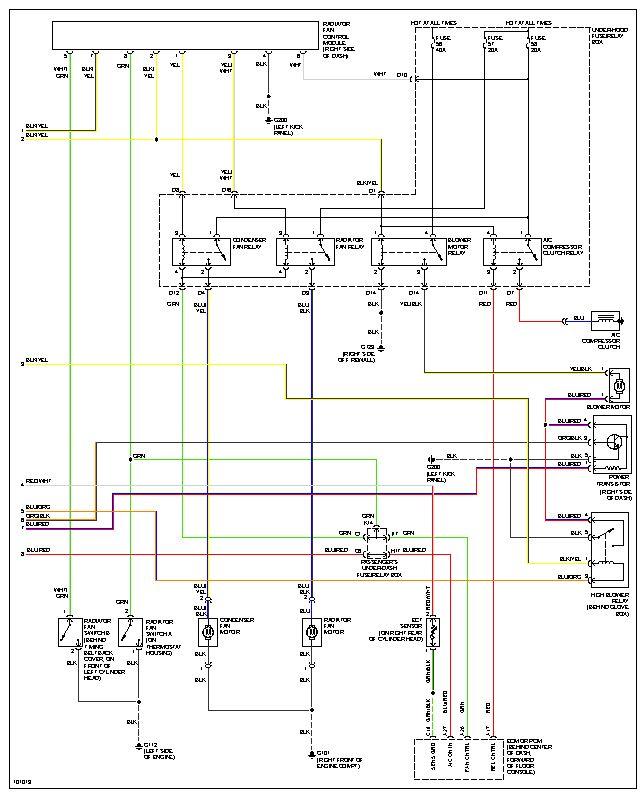
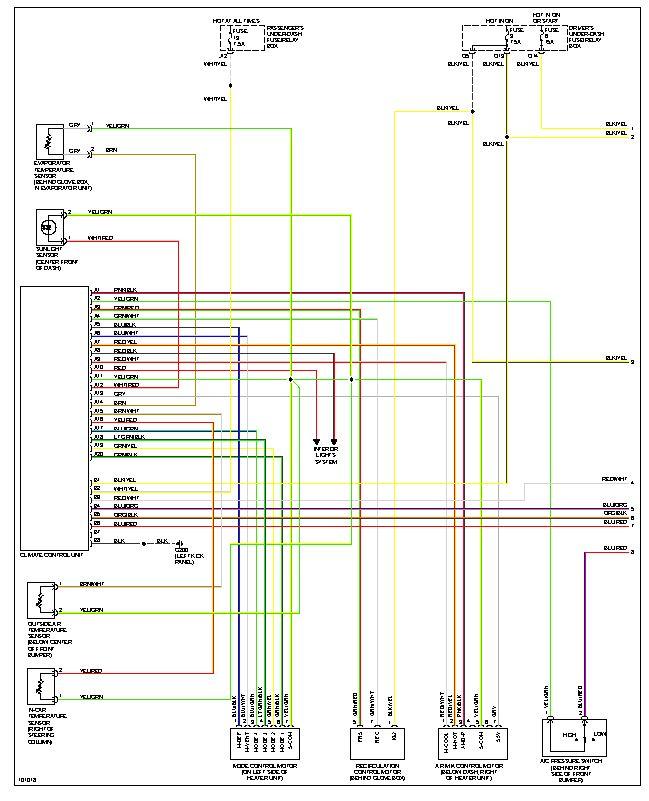
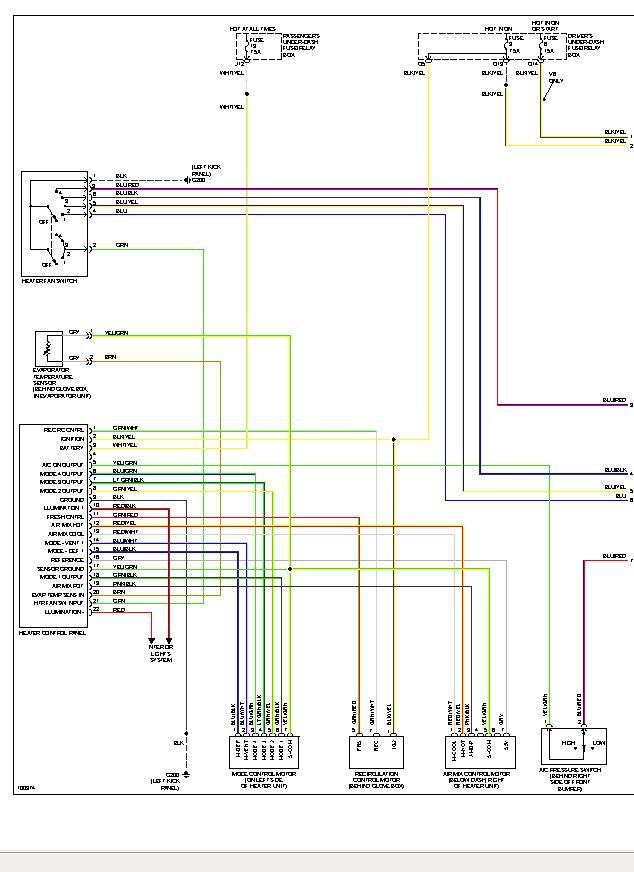
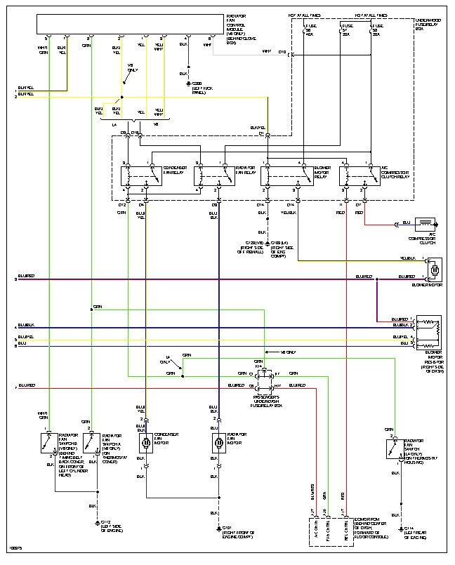
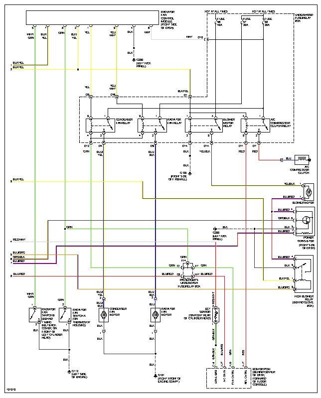
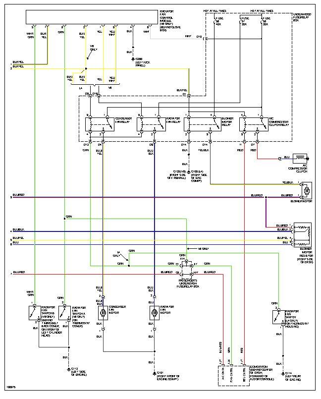
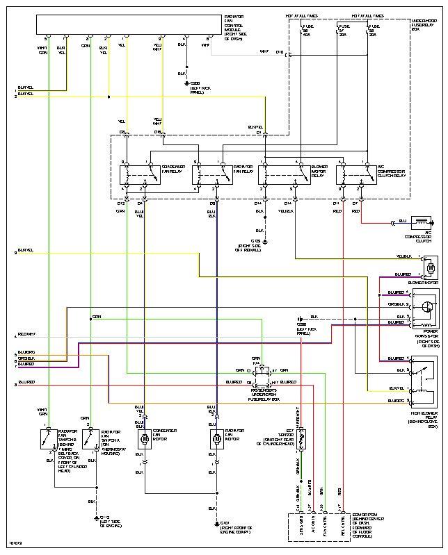
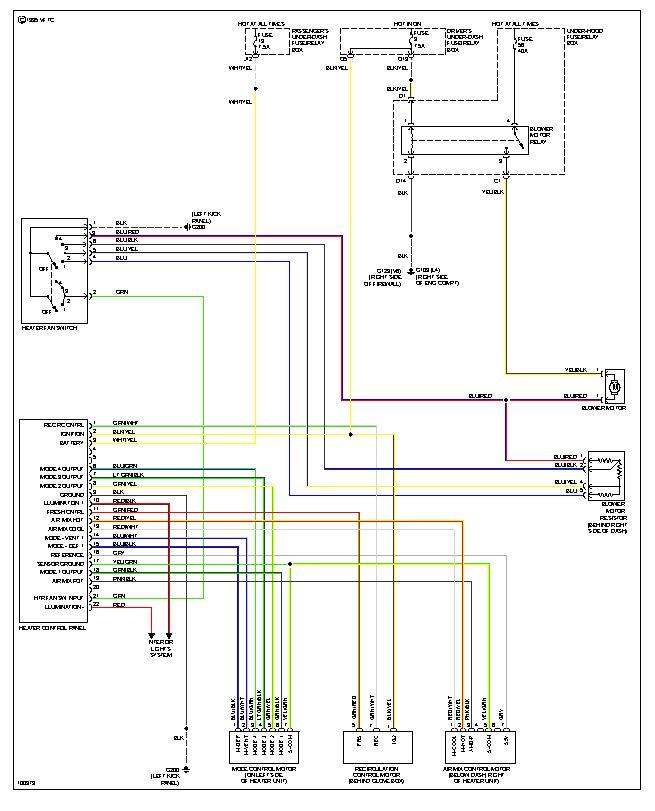
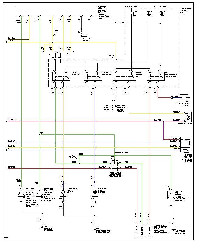
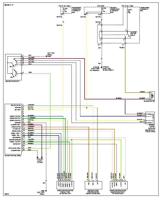
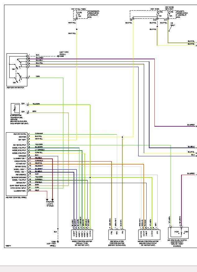
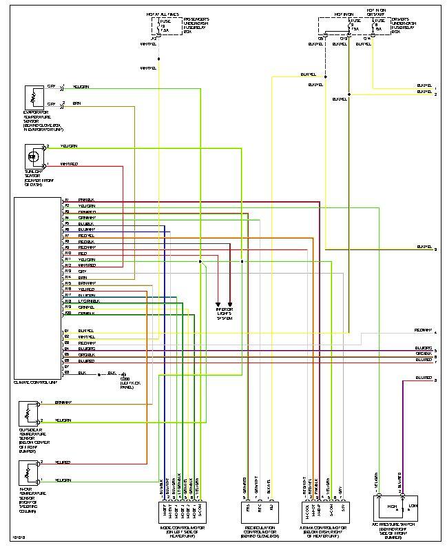
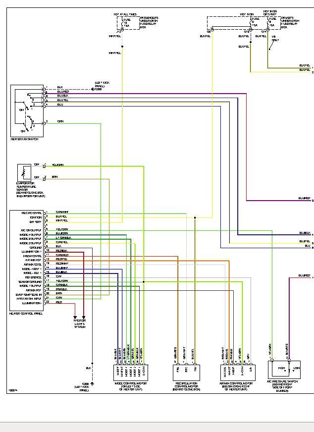
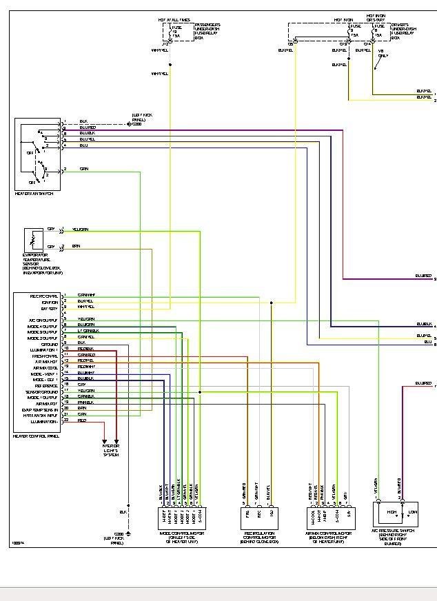
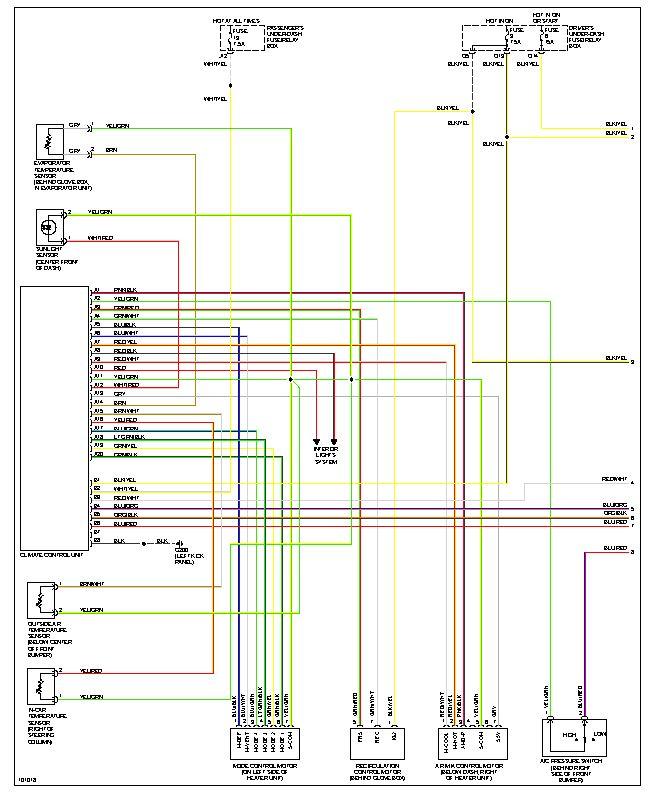
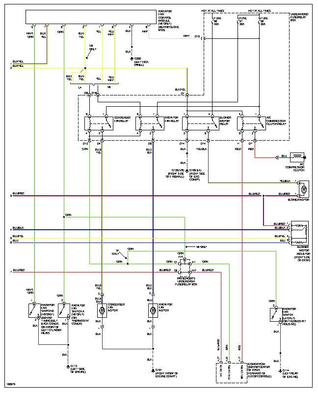
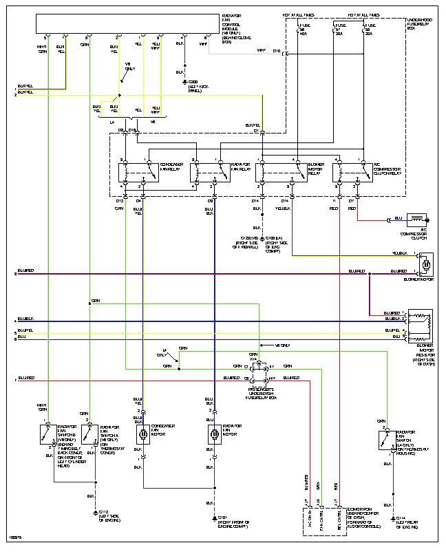
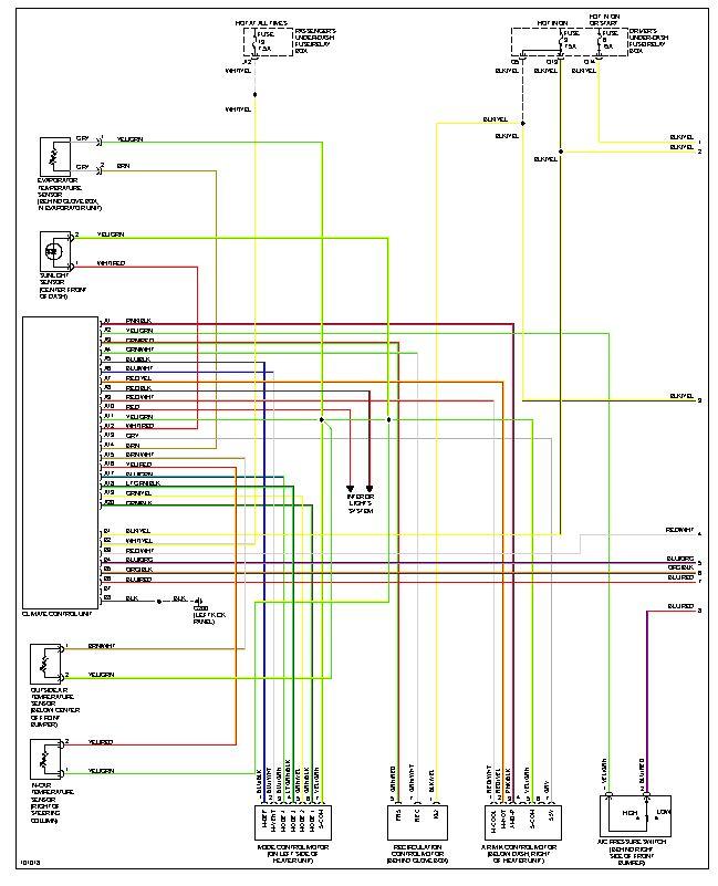
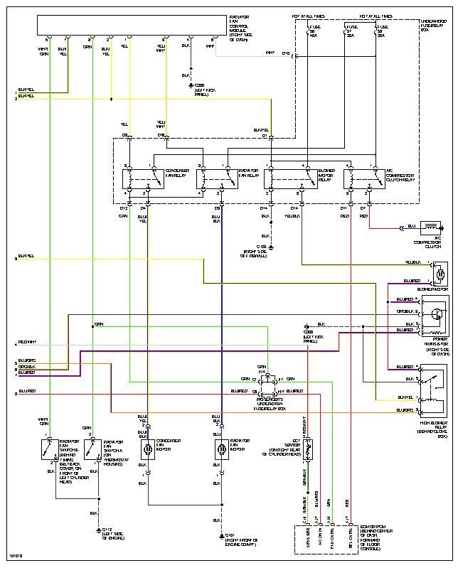
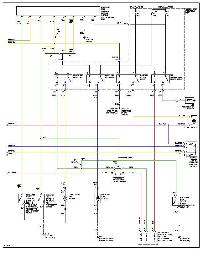
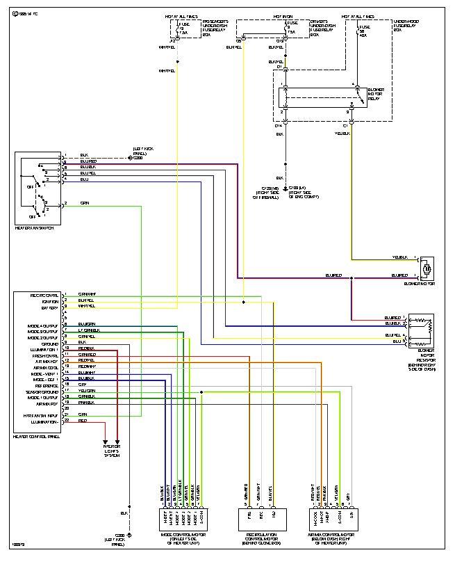
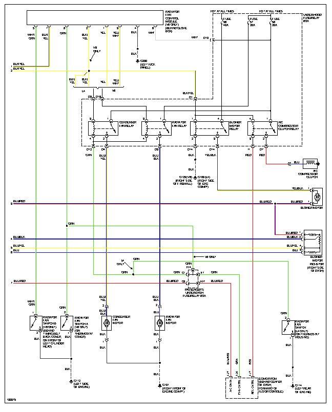
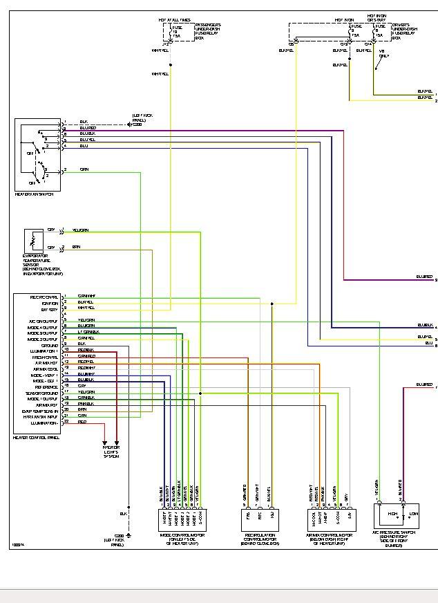
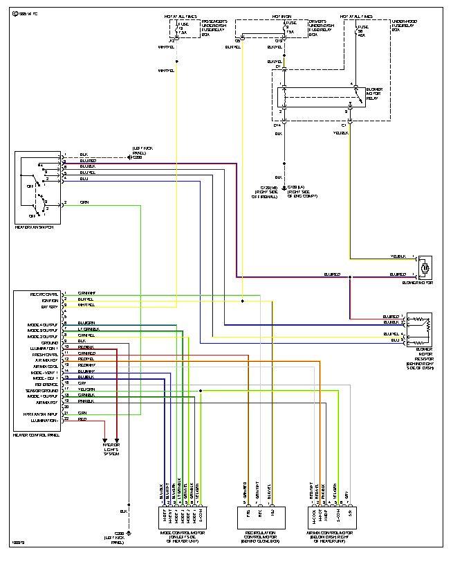
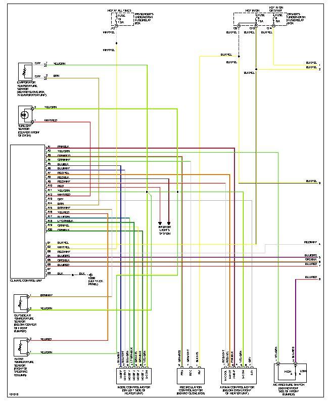
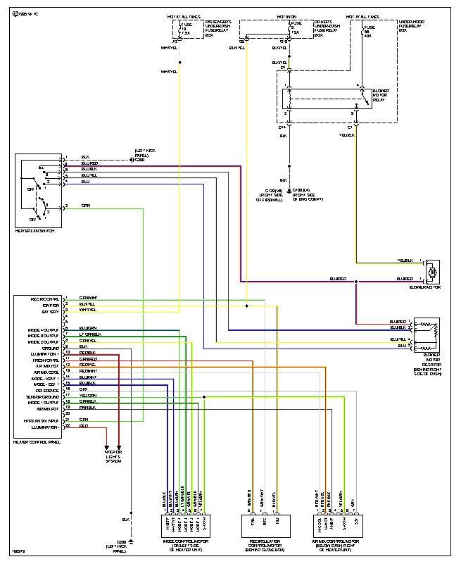
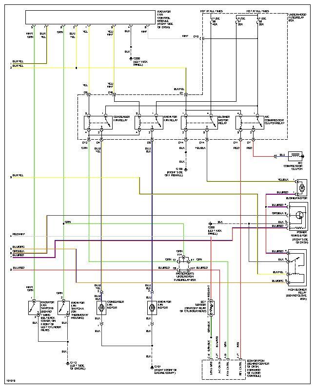
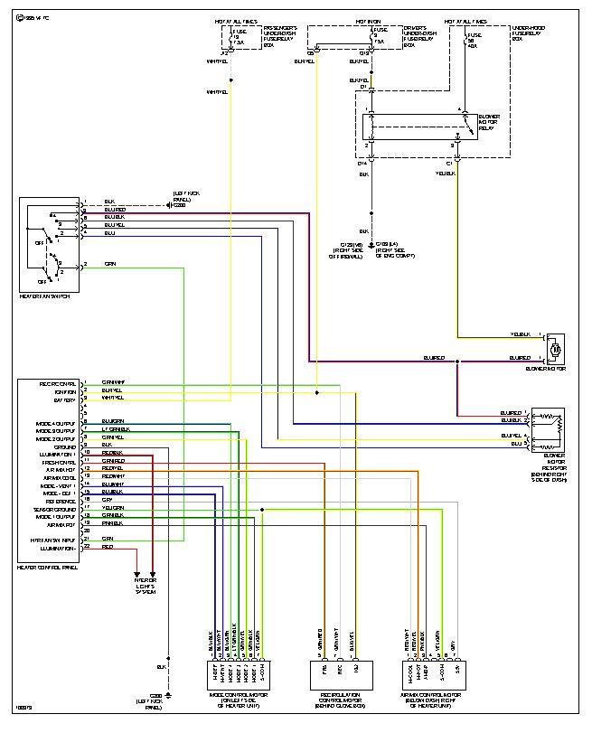
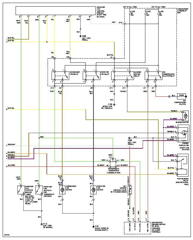
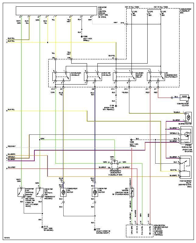
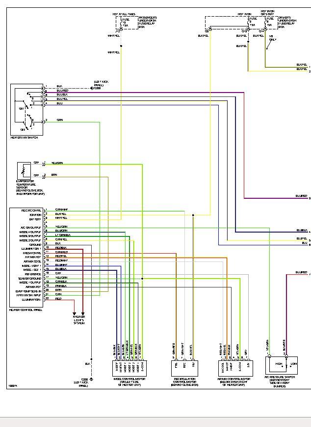
On either the automatic A/C system or the manual A/C system the problem could be the climate control unit. However on the Automatic A/C system the mode control unit could be at fault. Also compare your type of A/C unit to the Heater wiring diagram I have attached and see which has the most in common with your system. This will help you find components that are part of both systems and therefore give you a better idea of which component could be at fault. You should also go to Advance Auto or Auto Zone and have your trouble codes pulled. They will do this for free and it will probably give you some more information on what is wrong with the system.
Was this
answer
helpful?
Yes
No
Tuesday, August 13th, 2013 AT 8:50 AM
Tiny
CATALIN IONUT
  • MEMBER
  • 1 POST
Hello!

Higher resolution photos please
Was this
answer
helpful?
Yes
No
+2
Thursday, January 18th, 2018 AT 3:32 AM
Tiny
KEN L
  • MASTER CERTIFIED MECHANIC
  • 55,302 POSTS
Hello,

Here is a guide to help you check the wiring and the better air conditioner wiring diagrams you have requested.

https://www.2carpros.com/articles/how-to-check-wiring

Check out the diagrams (Below)

Please let us know if you need anything else to get the problem fixed.

Cheers, Ken
Was this
answer
helpful?
Yes
No
+3
Saturday, January 20th, 2018 AT 3:09 PM

Please login or register to post a reply.