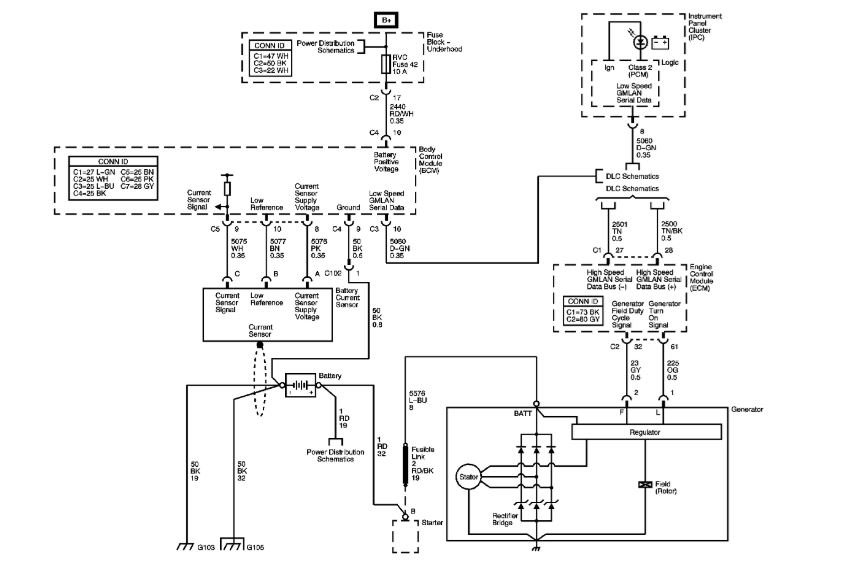
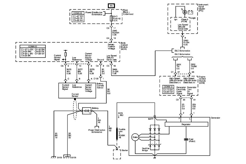
The first thing I would do is to check the voltage at the battery again. This time check for any AC voltage on your meter. If you have any AC voltage, the alternator is no good. The modules do not like AC voltage and do not know what to do with it when they see it and will set many codes and the system will act very strange.
The PCM does turn the field control on and off on the alternator and that needs to be checked as well. See if your scan tool can see the command on the alternator.
Roy
Was this helpful?
Yes
No
Saturday, September 29th, 2018 AT 1:28 PM
(Merged)

