Intermittent crank no start?

Tiny
CORTE.EZ12
  • MEMBER
  • 2007 JEEP GRAND CHEROKEE
  • 3.7L
  • 6 CYL
  • 4WD
  • AUTOMATIC
  • 270,000 MILES
When I turn the key sometimes the car starts up fine. Then sometimes I turn the key and it’s continuous cranking even if l let go of the key.

I’ll drive somewhere then park, I’ll go attend business come back try to start up again and then it starts just cranking.

Note: sometimes I have to keep turning the key off and on to get it to start up.
Tuesday, May 2nd, 2023 AT 9:58 PM

1 Reply

Tiny
KEN L
  • MASTER CERTIFIED MECHANIC
  • 55,499 POSTS
Yep, this happens when the IPM goes out but to be sure we should do a CAN scan to see what comes up, you can get a CAN scanner (Controller Area Network) which will work on most cars from Amazon.

Here is a video to show you how:

https://youtu.be/u-4syLc-ifQ

and

https://www.2carpros.com/articles/can-scan-controller-area-network-easy

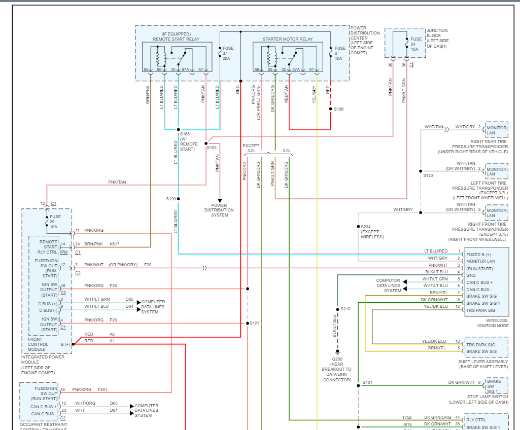
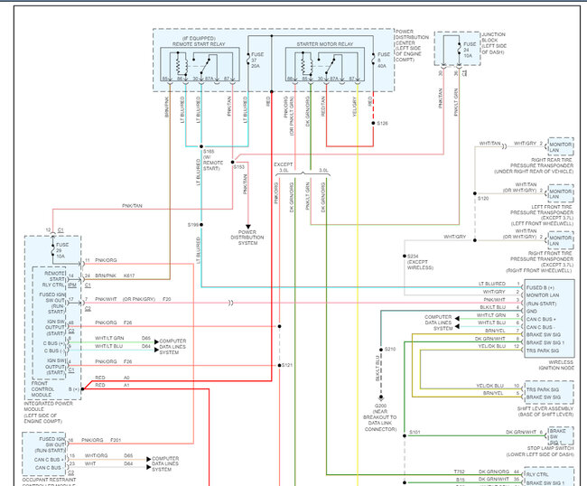
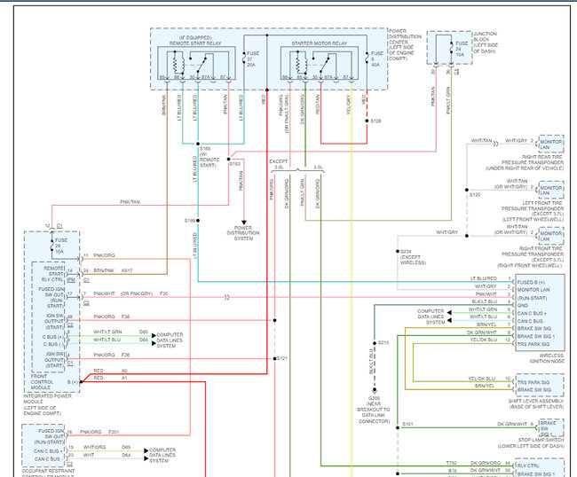
Here is how to change the IPM out and I have included the starter wiring diagrams so you can see how the system works. It is easy to replace because it-self learns. Check out the images (below). Please let us know what happens.
Was this
answer
helpful?
Yes
No
Wednesday, May 3rd, 2023 AT 2:41 PM

Please login or register to post a reply.