Interior lights very dim after I sprayed out the engine bay

Tiny
SETTERGRENH
  • MEMBER
  • 2002 PONTIAC GRAND PRIX
  • 3.8L
  • 6 CYL
  • 2WD
  • AUTOMATIC
  • 140,000 MILES
My interior lights always worked, the other day I sprayed out the engine bay without covering anything. Now my interior lights still work but they are really, really dim. What could I have done to the lights?
Friday, August 27th, 2021 AT 5:17 AM

1 Reply

Tiny
JACOBANDNICKOLAS
  • MECHANIC
  • 110,194 POSTS
Hi,

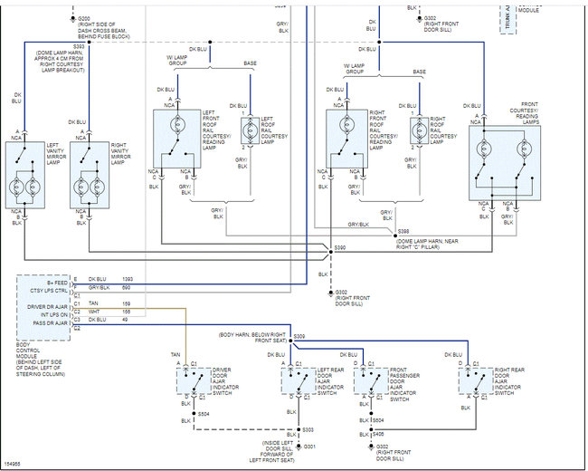
There really isn't anything under the hood that is for the interior light. If you look at the wiring schematic below, it shows only one fuse under the hood that powers the parking lamps and interior lamps. If you sprayed on the fuse box, check to make sure the fuse is still tight, dry, and free of corrosion.

Note: I had to cut the schematic in two so you could read it. I did overlap them so you can follow from one to the next.

Pic 3 shows the fuse location in the under hood fuse box.

When you are checking, confirm that the headlamps and parking lights are all working properly.

Here is a link you may find helpful:

https://www.2carpros.com/articles/how-to-check-a-car-fuse

Take care,

Joe

See pics below.
Was this
answer
helpful?
Yes
No
Friday, August 27th, 2021 AT 9:51 PM

Please login or register to post a reply.