Door lights, dome light or back light and trunk light all quit working

Tiny
JJWILSON501
  • MEMBER
  • 2016 TOYOTA CAMRY
  • 2.9L
  • 4 CYL
  • 2WD
  • AUTOMATIC
  • 159,000 MILES
Fuse is still good. Is there any other possible than fuses?
Monday, November 18th, 2019 AT 6:55 AM

1 Reply

Tiny
JACOBANDNICKOLAS
  • MECHANIC
  • 110,192 POSTS
Hi.

There are actually two fuses that you should check. Take a look at pics 1 and 2. Also, if the fuses are good, we need to check the light cut relay which is seen in pic 1.

If both fuses are good, then we need to check the relay. Here is a link that shows in general how to test a relay:

https://www.2carpros.com/articles/how-to-check-an-electrical-relay-and-wiring-control-circuit

____________________________

Here are the directions specific to your vehicle for testing the light cut relay:

___________________________

2016 Toyota Camry L4-2.5L (2AR-FE)
Relay - On Vehicle Inspection
Vehicle Lighting and Horns Relays and Modules - Lighting and Horns Interior Lighting Relay Testing and Inspection Component Tests and General Diagnostics Relay - On Vehicle Inspection
RELAY - ON VEHICLE INSPECTION
LIGHTING (INT): RELAY: ON-VEHICLE INSPECTION; 2016 MY Camry [08/2015 - ]
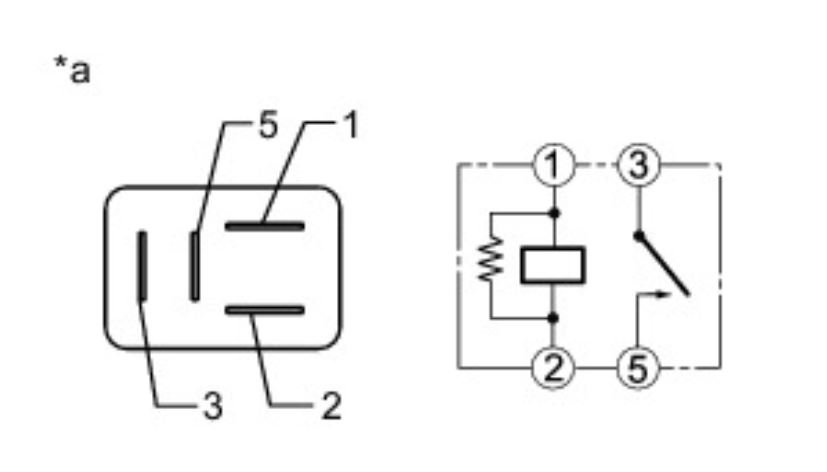
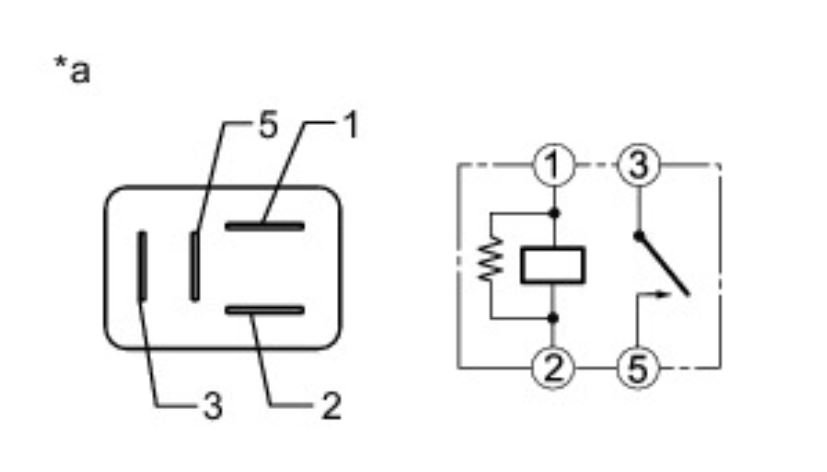
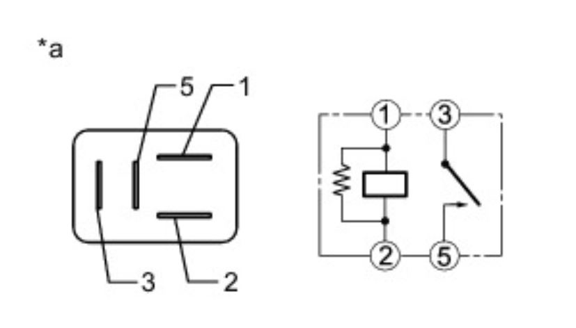
INSPECT LIGHT CUT RELAY
Measure the resistance according to the value(s) in the table below.

pic 3

Standard Resistance:
Tester Connection Condition Specified Condition
3 - 5 Voltage is not applied between terminals 1 and 2 10 ohm or higher
3 - 5 Voltage is applied between terminals 1 and 2 Below 1 ohm

______________________________

If you look at pic 4, you will see all the lights which are controlled by the relay.

Here are a few links you may find helpful:

https://www.2carpros.com/articles/how-a-car-fuse-works

https://www.2carpros.com/articles/how-to-check-a-car-fuse

https://www.2carpros.com/articles/how-to-use-a-test-light-circuit-tester

https://www.2carpros.com/articles/how-to-use-a-voltmeter

https://www.2carpros.com/articles/how-to-check-wiring

________________________________

Let me know if this helps, what you find, or if you have other questions.

Take care,
Joe
Was this
answer
helpful?
Yes
No
Monday, November 18th, 2019 AT 7:44 PM

Please login or register to post a reply.