Sunday, March 3rd, 2019 AT 5:09 PM
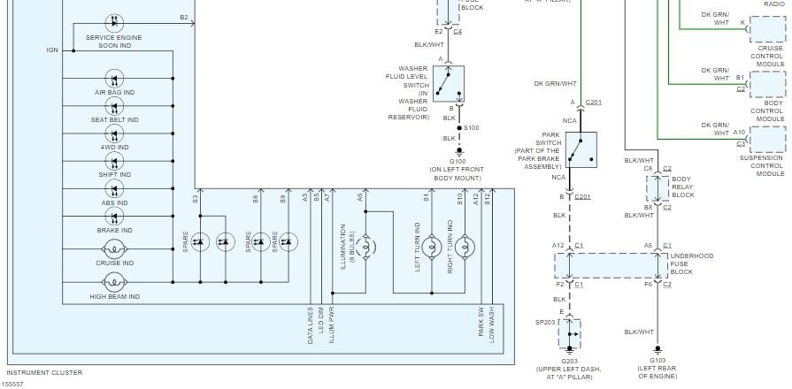
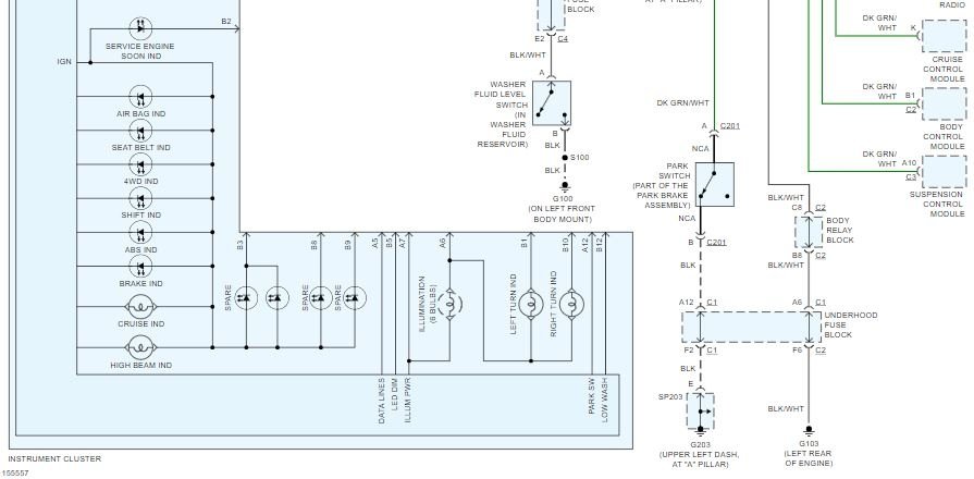
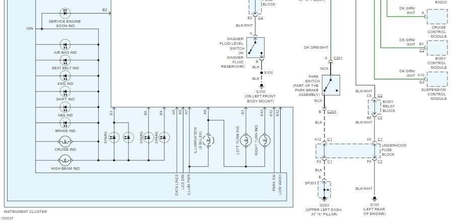
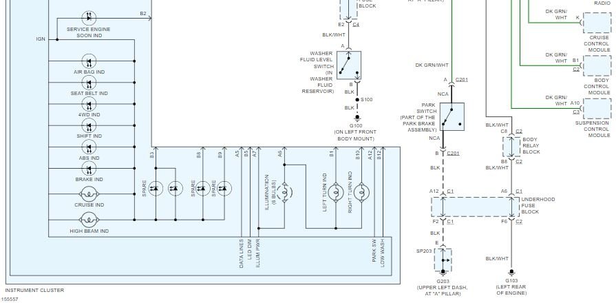
Hi, I just recently purchased the SUV listed above. They told me the cluster was out and I could replace it and it will work. Well I replaced it and that not the issue. What else could be wrong? All the grounds are getting ground. Auxiliary 20 amp fuse keeps blowing as well.











