Inner and outer tie rod torque values

Tiny
ALOHMAN2
  • MEMBER
  • 2008 CHEVROLET IMPALA
Need to know the torque. I keep getting different answers.
Tuesday, November 17th, 2015 AT 7:34 PM

13 Replies

Tiny
CARADIODOC
  • MECHANIC
  • 34,489 POSTS
Here are guides and diagrams to help you get the job done.

You will need to jack the car up first.

https://www.2carpros.com/articles/jack-up-and-lift-your-car-safely

and here is a tie rod end guide

https://www.2carpros.com/articles/tie-rod-end-replacement

Tighten the nut to 30 N.m (22 lb ft) plus 120 degrees . Visually inspect to ensure that 2 1/2 to 4 1/2 threads are visible past the nylon washer.

Here is the inner tie rod end specs

Tighten the inner tie rod to 100 N.m (74 lb ft).

Here are some diagrams of the job being done (below)

Please let us know what happens so it will help others.

Cheers
Was this
answer
helpful?
Yes
No
+30
Tuesday, November 17th, 2015 AT 7:57 PM
Tiny
ALOHMAN2
  • MEMBER
  • 6 POSTS
Is it the same for a castellated nut with cotter pin? Also, what about the jam nut? I am not sure what you mean by 120 degrees.
Was this
answer
helpful?
Yes
No
+5
Tuesday, November 17th, 2015 AT 8:48 PM
Tiny
CARADIODOC
  • MECHANIC
  • 34,489 POSTS
The outer stud nut is listed as there should be 2 1/2 to 4 1/2 threads sticking out past the nylon washer, which implies it is a lock nut. A replacement tie rod end with a cotter pin.

I used a 3/8" air impact to run outer tie rod nuts on. That was capable of 45 foot pounds, so I never let it pound on the nuts very long. 22 foot pounds seems like plenty for such a small diameter stud. Once you reach that, turn it just enough more so you can get the cotter pin in. Never back the nut off for the cotter pin. What is even more important is that the hole in the spindle is in good shape. In the rare event you find the old stud was loose and wobbling around, replace the spindle as the hole will be deformed. The new stud will not seat properly to stay tight. And it can have some clearance near the ball that allows it to bend and snap off. No grease of any kind on the stud. That needs the friction to hold it tight and from spinning.

For the jamb nut, again, common sense. No spec is given for that one. The thread size is pretty beefy and you are not going to damage them by hand. There are only three things you can do to cause a problem. The first is to not tighten that nut enough. Once it works loose, road forces will make the threads hammer against each other. Eventually the threads will peel apart and the two tie rod ends will separate. I have seen that on two or three occasions. The second is to coat the threads with anti-seize compound. That stuff works real well, but it has no place between the lower strut mount and spindle or on steering component threads. It is the friction between the side of the nut and where it butts up against the outer tie rod that holds it tight. Anti-seize will almost always crawl up there as you run the threads together, then get stuck between the nut and tie rod. That will let it work loose from the pounding it takes.

The third thing is to not use penetrating oil to insure the parts can be turned freely at the next alignment two or three years from now.
Was this
answer
helpful?
Yes
No
+15
Tuesday, November 17th, 2015 AT 9:08 PM
Tiny
ALOHMAN2
  • MEMBER
  • 6 POSTS
The inner tie rod is not reversed threaded is it? So do I need to crimp the inner tie rod after its been torqued? I also assume the rack has to be held tightly in place during removal and instillation or it could be damaged right? How do you advise I do that?
Was this
answer
helpful?
Yes
No
-1
Tuesday, November 17th, 2015 AT 10:42 PM
Tiny
CARADIODOC
  • MECHANIC
  • 34,489 POSTS
For your first question, yes, crimp the back side if it has that lip I mentioned. It is about 3/16" deep. You will see the old one is dented in two places after you remove it. It is normal thread. Unscrewing it will bend those crimps back out most of the way. You do not have to do that yourself. Nothing terrible will happen if you do not do this, I hope, but if the car is ever involved in a crash that was caused by the other guy, this is the type of thing his lawyer or insurance investigator loves to find, (along with altered ride height), so they can shift some of the blame onto you.

Here is a link that will help:

https://www.2carpros.com/articles/tie-rod-end-replacement

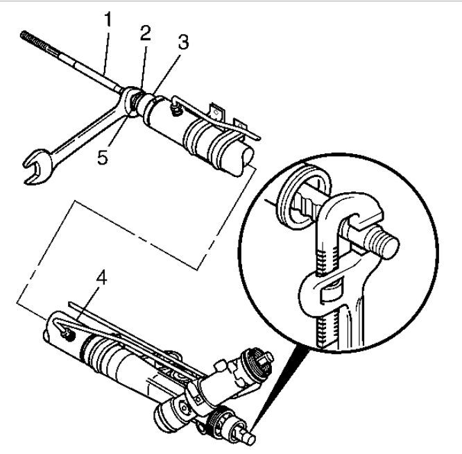
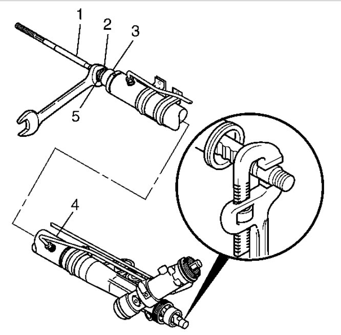
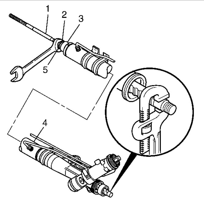
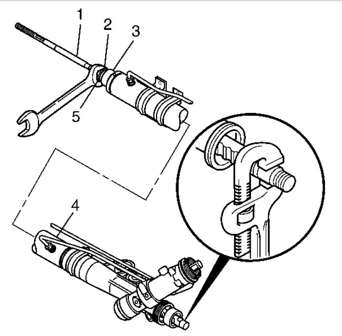
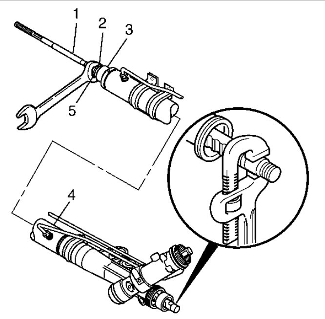
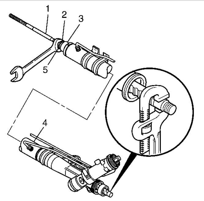
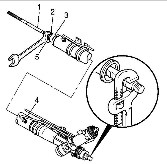
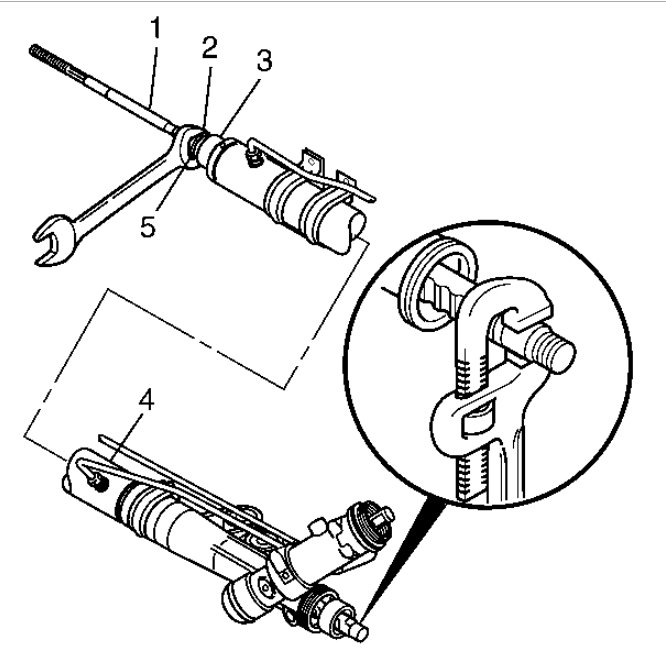
I searched through two web sites for Mac and Matco tools and could not find the tool, then I got smart and did a Google search for "GM inner tie rod crimper". The first two listings show the tool. You might find this at an auto parts store that rents or borrows tools. It looks a lot more complicated than it really is. In this photo, there are two hinged parts and each has a piece cast into it that you can see. The pretty blue arrow is pointing to the end of one of them. Those two parts are what does the crimping when you tighten the bolt. The three-sided black square piece of metal in the middle, shown by my nifty red arrow, is simply there to set the depth of the crimp. In this case, the steering gear would be up over your right shoulder, and the inner tie rod's shaft would be behind the tool pointing to the lower left of the picture. You slide the tool along the rack until the black metal part hits the housing of the tie rod. That places the crimping fingers in the right spot.

If you cannot find that tool, you may be able to get in there with a small hammer, Vise-Grip pliers, or even a C-clamp to do the job. All these crimps are for is a little extra insurance. First the tie rod has to work loose, which rarely happens, then it has to unscrew, which nothing is trying to make it do that, then the crimps catch on the threads of the rack so it cannot unscrew all the way. You will have squealing tires and horrendous tire wear long before it gets bad enough to come apart, but I know a couple of people who would not recognize those warnings.

If you need to hold the rack from twisting, that is where the adjustable wrench I mentioned comes in. Unless the last person got really carried away, you can just use the specialty socket and a large ratchet to unscrew the tie rod. After two or three turns, you will feel the resistance as the crimps straighten out. There is little chance of over-twisting the rack here. It is putting the new tie rod on where if tight is good, tighter must be better. I still go by feel and common sense, but if you were to measure the torque, I am sure I am going beyond the minimum spec. That is where I will find a helper to hold the adjustable wrench so I can convince myself the tie rod is tight enough.

Auto parts stores will have the sockets to borrow too. If both tie rods have a normal hex-shaped housing, you just use a deep socket of the right size. I have two sizes, but there might be more now. Those tie rods do not get crimped. If you only have two flats on the backside, that is the GM design that gets crimped. You will get a set of five or six crow's foot inserts with a socket they fit into. Use the one that is the right size, then slide the socket over it and the tie rod, and lock it in place with the ring on the end. Pull the socket toward you to keep the crow's foot on the flats, then turn it with your ratchet.

Was this
answer
helpful?
Yes
No
+2
Wednesday, November 18th, 2015 AT 12:22 AM
Tiny
ALOHMAN2
  • MEMBER
  • 6 POSTS
Yes my old ones are crimped and have only two flats, and the new ones I have also only have two flats. The kit I rented is only two parts, nothing to crimp. Here is a picture of the kit. Also, I am changing them because my left inner tie rod snapped at the jam nut near the outer tie rod and it bent the inner tie rod.
Was this
answer
helpful?
Yes
No
Wednesday, November 18th, 2015 AT 12:59 AM
Tiny
ALOHMAN2
  • MEMBER
  • 6 POSTS
Is crimping it a must? I do not have to remove to steering rack do I? Could you please tell me the steps to get it off? I already have the outer off, the rubber boot is off and the sleeve is slid back.
Was this
answer
helpful?
Yes
No
Wednesday, November 18th, 2015 AT 7:18 AM
Tiny
CARADIODOC
  • MECHANIC
  • 34,489 POSTS
That blue plastic sleeve is a bump stop to cushion the feel when you hit full turn. Slide that back to expose the nut. The socket in the second picture is for Ford and Chrysler inner tie rod ends. The adapter is for yours. That might actually work better than the special socket made for these tie rod ends. Slide that over the two flats, then slide the socket onto it. The whole reason for these sockets is so you do not have to remove the rack from the car. Just use a long-handle ratchet or breaker bar to unscrew the nut. You will feel how much force it takes. Screw the new one on just as hard.

It is not necessary to crimp the housing for it to operate properly, but I would sure feel better if you would make an attempt, even if it is with a small hammer. You can crimp one side before it is screwed all the way on. When it starts to get snug, back it off up to half a turn, tap that crimp, then tighten it all the way and crimp it in that spot.
Was this
answer
helpful?
Yes
No
+2
Sunday, November 22nd, 2015 AT 1:53 AM
Tiny
ALOHMAN2
  • MEMBER
  • 6 POSTS
  • 2008 CHEVROLET IMPALA
My new set of inner tie rods only have two flats, and I was told that after they have been torqued they have to be crimped. Is that something that can be avoided because the kit I rented does not have any of those tools? And my left inner tie rod is bent. I will send you a picture of it and of the kit. Let me know the best way to go about this.
Was this
answer
helpful?
Yes
No
Tuesday, June 6th, 2017 AT 2:02 PM (Merged)
Tiny
HMAC300
  • MECHANIC
  • 48,601 POSTS
The rack and pinion need to be removed to do this. Not on car. See pictures.
Was this
answer
helpful?
Yes
No
-1
Tuesday, June 6th, 2017 AT 2:02 PM (Merged)
Tiny
FLANDEW
  • MEMBER
  • 2 POSTS
  • 2004 CHEVROLET IMPALA
  • 93,058 MILES
I drive a 2004 Chevy Impala Sedan. I was T-boned today on my rear passenger side. The vehicle that hit me was going between five and fifteen mph at collision going down hill while breaking. I was going no more than ten mph as well. My rear passenger door was not hit, and there is virtually no aesthetic damage other than minor paint and a plastic hub cap all over the middle of an intersection. Though I did not notice, the blue suit on the scene pointed out that the wheel was bent and made me tow it home. The wheel appears to be vertically straight, (from ground to roof of wheel well. However, it is slightly noticeably bent horizontally inward towards rear bumper and outwardly bent towards the backseat passenger door. After a few minutes of comparison and cross-examination prone in a snowbank combined with all knowing Google, and looking at multiple diagrams, I have learned the outer tie rod is bent upward just after the gas tank. I am not a professional, and understand that until fully examined there maybe multiple much more expensive factors at work here. However, could this be the reason for the slightly noticeable horizontal bend in the wheel? If this is the case, would I be able to drive my vehicle to my mechanic approximately (just under) twenty miles away. I would of course be driving very gently and taking back roads as to travel at slower speeds. Based on current life circumstances and on the brink of being broke, I have a slight cushion in the bank which is mostly going towards rent already. I will be trading computer assistance, free professional massage sessions, and likely and sum of cash I cannot afford (yet will still be inexpensive compared to the alternative). I live in the city and have no room or place to make the repairs. I will need to have it towed if I cannot drive it for approximately $125.00 one way. The less money I spend on the tow truck, the more I can contribute to my mechanic. Please advise. Thank you so much.

-Mr. Webb
Was this
answer
helpful?
Yes
No
-1
Tuesday, June 6th, 2017 AT 2:02 PM (Merged)
Tiny
FLANDEW
  • MEMBER
  • 2 POSTS
**Edit** I will be trading (computer assistance, free professional massage sessions, and likely and sum of cash I cannot afford (yet will still be inexpensive compared to the alternative). **To my close friend and mechanic for his assistance in the repair.**
Was this
answer
helpful?
Yes
No
Tuesday, June 6th, 2017 AT 2:02 PM (Merged)
Tiny
CARADIODOC
  • MECHANIC
  • 34,489 POSTS
The cop told you to have it towed to avoid any liability issue since we all love to sue whenever possible. Drive it carefully and you will notice the steering wheel is no longer centered. That is because the rear tire is steering to one side and you have to compensate by turning the front wheels the same way, just as you would steer into a skid. If the steering wheel is off-center no more than say 1/8 turn, a little excessive wear will be taking place on both rear tires. Twenty miles will not cause much wear. If the steering wheel is off much more than that, you may hear the tires skidding a little. Besides the less-than-ideal handling, the tires will be scrubbing off very much faster than normal.

Tie rod ends are fairly easy and inexpensive to replace. Many manufacturers use them on the rear because they are lightweight. Unfortunately they are extremely weak and the slightest bump or pothole can affect the critical adjustments. The car will need to be aligned once the tie rod end is replaced. Your mechanic will be able to get it close so you can safely drive the car, but it is impossible to get it close enough to prevent tire wear without an alignment computer.
Was this
answer
helpful?
Yes
No
Tuesday, June 6th, 2017 AT 2:02 PM (Merged)

Please login or register to post a reply.