Wednesday, October 23rd, 2024 AT 5:10 PM
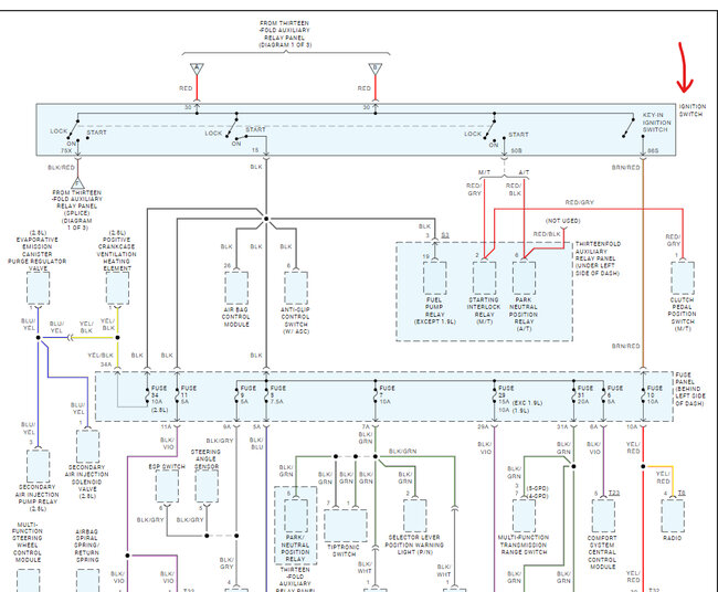
I bought this vehicle listed above (tdi) that already had a switch installed from battery to power the ignition switch. We tried tapping into that wire with a stereo install because the stereo wouldn't turn off and thought we might have accidentally pulled on that wire. Anyway, long story short, we bought a new ignition and switch and are trying to find some kind of map or wiring diagram to figure out why we are not getting any power from the battery so we won't have to use a switch. Also, when we use VCDS it states loss of signal to steering probably because of the picture.







