Monday, September 20th, 2010 AT 1:56 PM
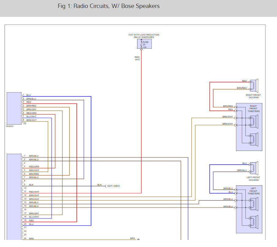
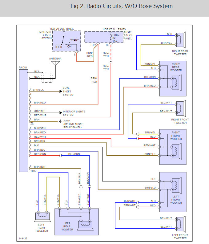
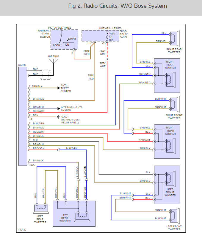
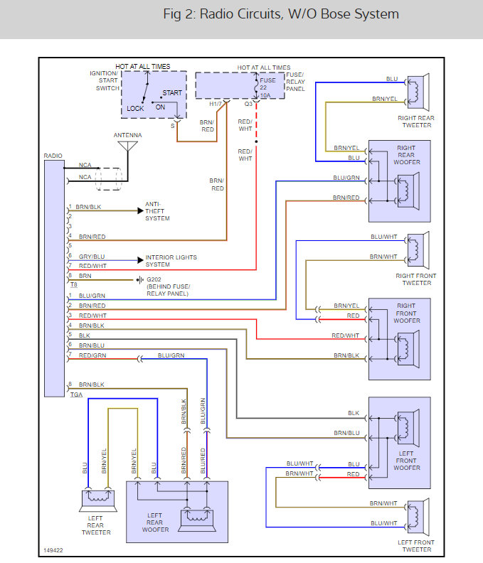
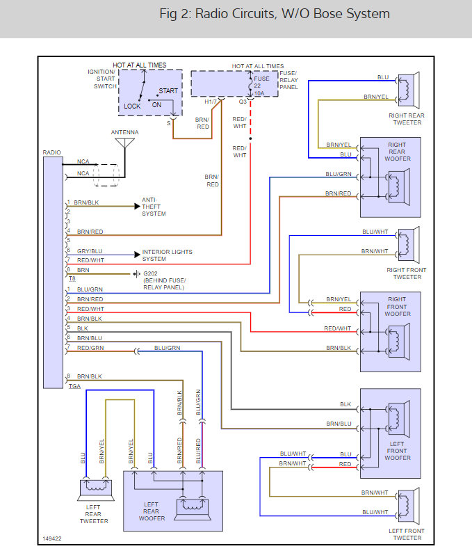
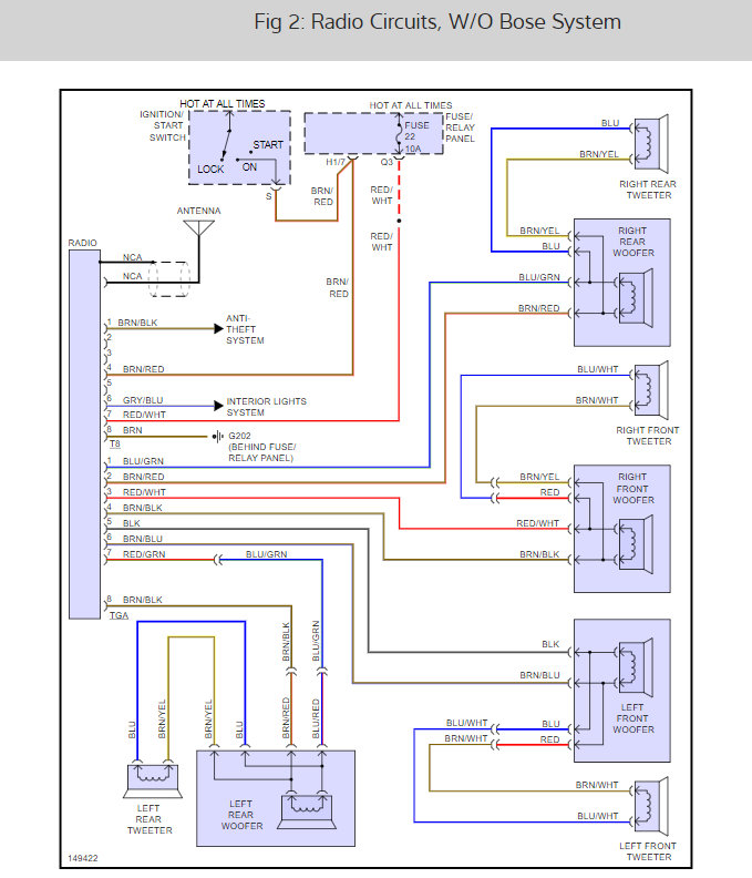
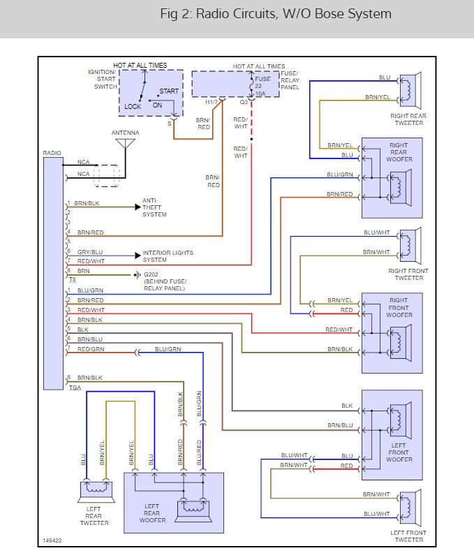
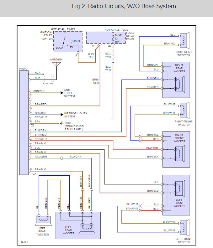
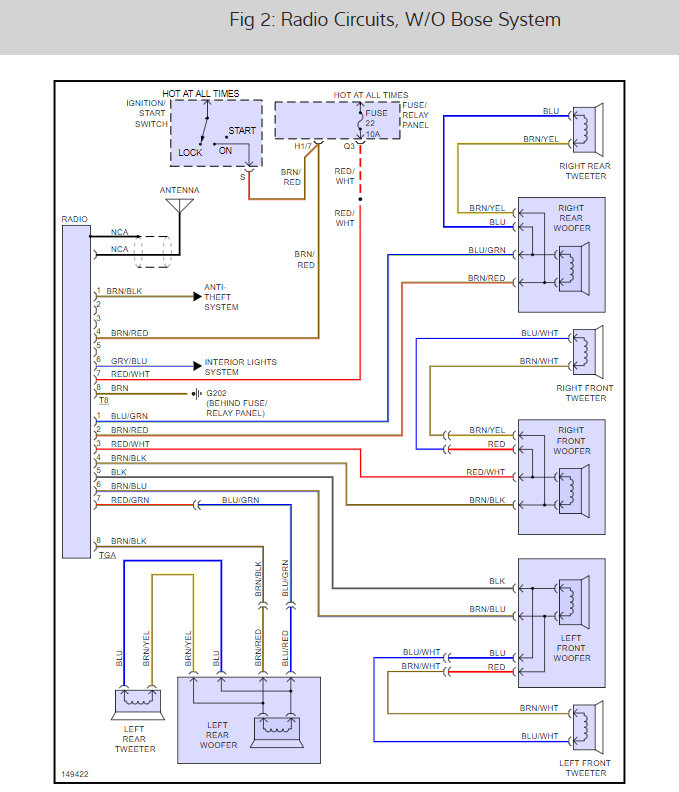
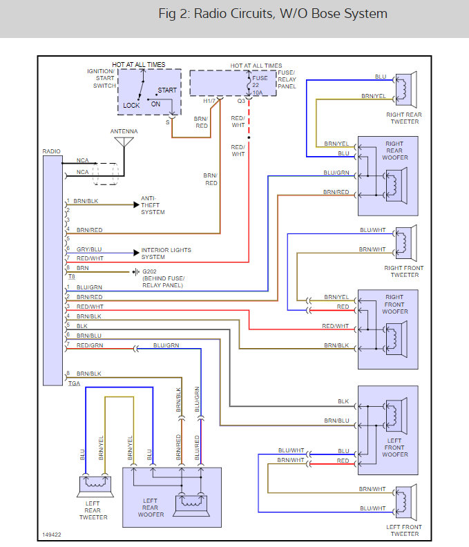
Ok, so I bought this 97 vw jetta trek. Somebody cut out the factory radio including the adapters so there just bare wires. I need to know the color coded factory wiring diagram so I can install a aftermarket radio. I kno BROWN is Ground and RED/WHITE is constant power but I need to know the rest I just keep blowing fuses trying to figure it out. Hope somebody can help me out. Thanks will be very much appreciated!



