Ignition coil primary male spade + terminal voltage?

Tiny
AL514
  • MECHANIC
  • 5,584 POSTS
I will look up the powers and grounds for the PCM. The IC timing signal and the IC timing control are both PCM outputs to the ICM. Remember that when the ICM is in bypass mode during cranking, it grounds both of those circuits so you would read 0volts on them during that time. The PCM will then apply 5volts to the IC timing signal circuit which switches the ICM spark advance/timing to the PCM. So that 5volts being applied from the PCM is what will cause the ICM to switch over timing.
At this point you have no spark and no injector pulse, correct?
Was this
answer
helpful?
Yes
No
Monday, June 2nd, 2025 AT 6:47 PM
Tiny
AL514
  • MECHANIC
  • 5,584 POSTS
These are your PCM connector pinout diagrams, I will check the power and ground distribution diagrams and post anything relevant. Make sure to load test the PCM powers and grounds from the PCM connectors.
Was this
answer
helpful?
Yes
No
Monday, June 2nd, 2025 AT 7:30 PM
Tiny
AL514
  • MECHANIC
  • 5,584 POSTS
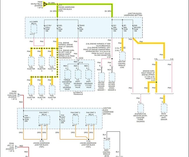
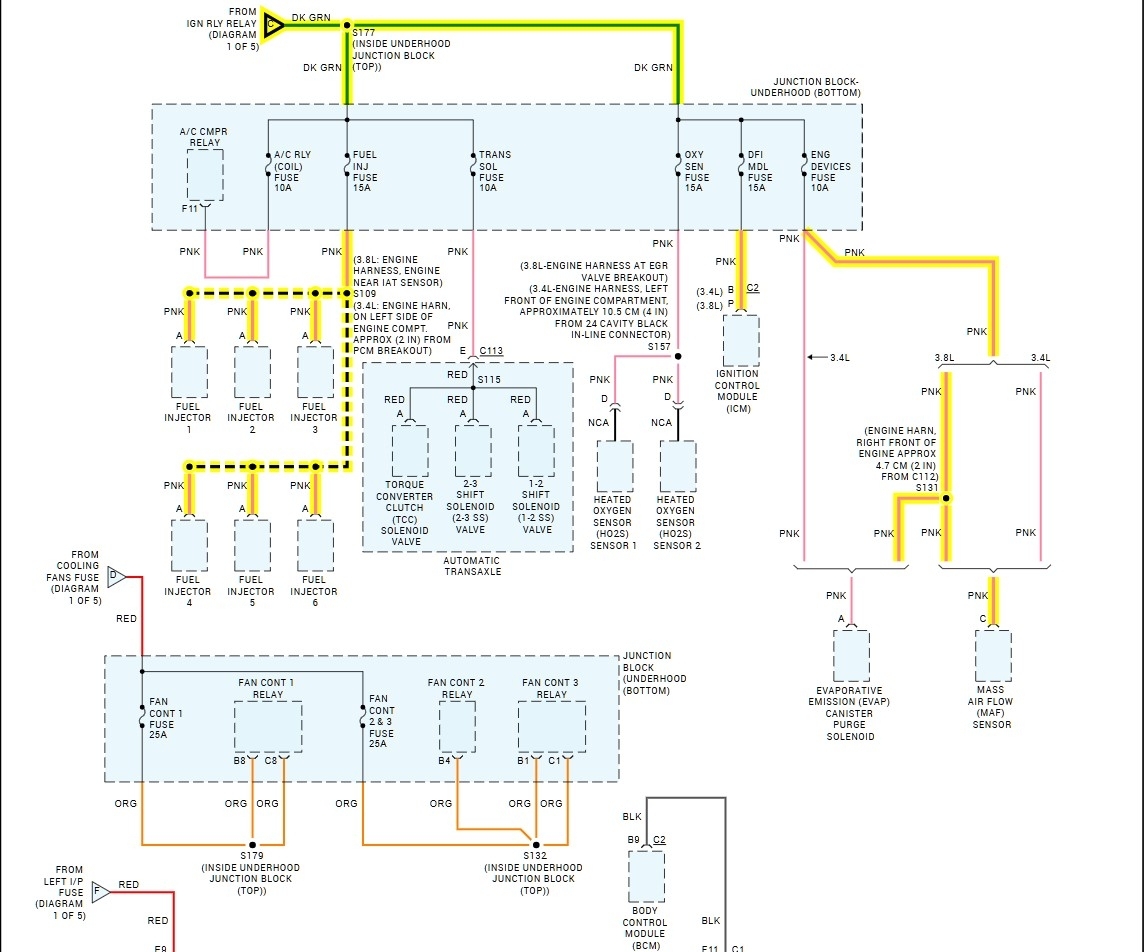
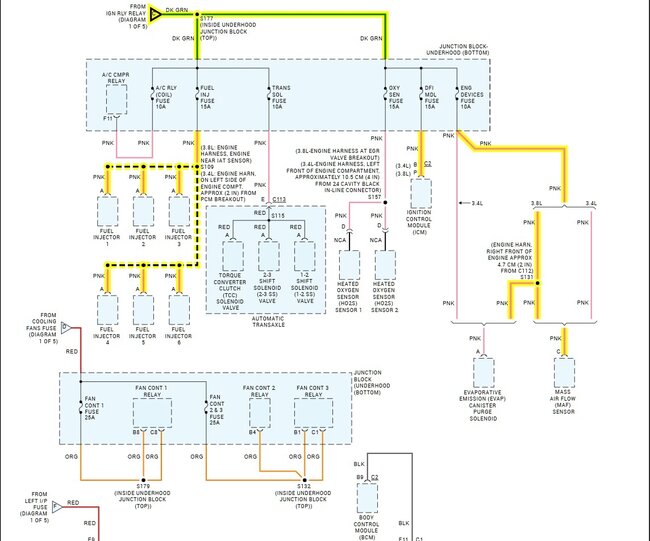
These are the Power Distribution diagrams 1, 2 top/bottom, etc. I'll post the Grounds next, but go through all the fuse panels and check for any signs of corroded fuses or pins in all the fuse panels. Along with any connectors you can get to.
Was this
answer
helpful?
Yes
No
Monday, June 2nd, 2025 AT 8:35 PM
Tiny
AL514
  • MECHANIC
  • 5,584 POSTS
These are 3 pages of ground distribution diagrams, top and bottom.
Was this
answer
helpful?
Yes
No
Monday, June 2nd, 2025 AT 8:36 PM
Tiny
AL514
  • MECHANIC
  • 5,584 POSTS
One last thing, what is all the live data from the PCM reading, can I see every data PID. And you need to check for an injector control pulse. We need to make sure there is power and injector pulse when cranking and recheck for spark on multiple wires. We need more information here.
There are TSBs on wiring rubbing threw at certain contact points, these need to be checked as well.

https://www.2carpros.com/articles/how-to-test-a-fuel-injector
Was this
answer
helpful?
Yes
No
Monday, June 2nd, 2025 AT 8:49 PM
Tiny
BRUCEDUNCAN
  • MEMBER
  • 38 POSTS
Today is June 8, 2025
Dear Al, My car started the other day. It stalled 8 times. Upon every restart it ran longer and longer till it was relatively o.K. No trouble codes were set. My scan tool showed a cam sensor signal after the engine ran a full 5 seconds. On my scan tool the crank sensor showed the same rpm on the 3x wire and 18x wire while running.
I have a question about the spark. When the car was running several months ago the coils were sparking a fat blue spark with loud clicking. I checked the coils the other day and now there is a thin white spark with quiet clicking but the car is running. Whats better a fat blue spark or a thin white spark?
The car still isn't 100 percent right. The exhaust smells like sulfur which is something new. The right tailpipe has a very small intermittent pop or miss and the engine after being warmed up has a very small shake or movement which is something new. When the car was running several months ago the engine never shaked or moved. The car had no spark a month ago when I put in the new icm but it started now.
My gut instincts are telling me the ignition will quit again. I sold the car cheap the other day to a guy that came to look at it and he drove it home. He is aware the ignition could quit again.
I was wondering where you get your car information from, the pcm pin outs, wiring diagrams, key relearn, diagnostics. Are you connected to Mitchell?
I was wondering if there was a CD rom or maybe a one time fee download for my car where I can get the information you have access too. I am not interested in paying fees month after month after month for a personal vehicle. My Haynes paper manual is good for simple stuff but the wiring diagrams are very vague.

I really appreciate the help you gave me and I would like to mail you 20 dollars for your trouble. If you give me your address I will mail you a check. I only make about 15 thousand dollars a year and survive on government help but I want to send you something.
I am definitely going to keep your website address for future reference.

Thanks again, Bruce Duncan
Was this
answer
helpful?
Yes
No
Sunday, June 8th, 2025 AT 3:04 PM
Tiny
AL514
  • MECHANIC
  • 5,584 POSTS
Save your money, Im just glad you got it going, my guess is that after so much cranking and testing the cylinders were washed down from all the fuel. Cylinder wash will cause low compression and the spark plugs were probably fouled out with fuel as well. As for checking the quality of ignition spark, buy one of the spark testers that has an adjustable gap on it, so you can set the gap to 20k, 40k, etc. This stresses the coil to see if it can jump those higher gaps, I wouldnt go over 30-40k on it, but it will show you a nice blue spark with a loud snap sound. I was hoping we would come to more of a definitive diagnosis, but I think the ICM was bad for one, with no trouble codes setting after it running so many times, what I mentioned above was probably what was going on. These things can pile up quick when cranking with no spark. Before you know it, you have low compression and such.
The info I was giving you was from All Data, I prefer them over Mitchell. But you can purchase a 3 day (i think it is) access for one specific vehicle that should give you what you need as for wiring diagrams and service information. It used to be $40 I think for one vehicle, its probably gone up a bit, but for DIY thats all you really need. We go through more vehicles than I can count each year, but check on All Data and see what their price is per vehicle. No one sells CDs anymore, those days are long gone and Haynes manuals are not great, so online sources are good. You can also go on the Google play store with your phone, and download the free version of "Carmin". It will provide a lot of different wiring diagrams, but thats about all it does. It doesnt have everything, and is limited but can be helpful.
Glad this case is done, it was a difficult one. Have a good day.
Was this
answer
helpful?
Yes
No
Monday, June 9th, 2025 AT 10:58 AM
Tiny
BRUCEDUNCAN
  • MEMBER
  • 38 POSTS
Dear Al, if the cylinder was washed the coils would still spark. Thanks again for all your help. Bruce
Was this
answer
helpful?
Yes
No
Monday, June 9th, 2025 AT 4:47 PM
Tiny
AL514
  • MECHANIC
  • 5,584 POSTS
The coils would, but if the plugs were fouled out with fuel, the combination of things could have been preventing starting. The sulfur smell is indicative of a catalytic converter failing, which again happens when there is too much raw or partially burned fuel entering the exhaust. I find it odd the car just happened to start up one day, it may have been that it sat for awhile and the plugs dried out, Im not sure exactly what happened because I cant see the vehicle. But something changed. It could have even been you moving some section of the harness around not being aware of it. I was hoping we would figure out exactly what happened, but there are too many variables to know at this point.
Was this
answer
helpful?
Yes
No
Tuesday, June 10th, 2025 AT 8:51 AM
Tiny
BRUCEDUNCAN
  • MEMBER
  • 38 POSTS
There was some unburned fuel in the cylinders from cranking without starting but for about 80 percent of my cranking tests I unplugged the fuel pump relay. Thanks Bruce
Was this
answer
helpful?
Yes
No
Tuesday, June 10th, 2025 AT 8:59 AM
Tiny
AL514
  • MECHANIC
  • 5,584 POSTS
Well we can only speculate from here. It's possible there was some pin issue that made contact when you plugged things back in the last time, or moved the harness in some way, but you would have to see if the new owner calls you when and if it fails again. Guessing the fault is irrelevant now. Need a scope bud. If you have a laptop you can get a basic 2 channel Pico scope for less than 200 bucks. The software is free. If you're curious check out Picotech. Com. The 2204A is 185 from them. Tequipment. Net/Pico/2204A is only 150 if you plan on working on your own vehicles in the future, because things are only getting more technical, and I mean very technical. You don't want to know how much I have to spend on testing equipment. It's sickening.
Was this
answer
helpful?
Yes
No
+1
Wednesday, June 11th, 2025 AT 12:50 PM
Tiny
BRUCEDUNCAN
  • MEMBER
  • 38 POSTS
Thanks Al the car hasn't died on the new owner but once in a while it intermittently wants to die. It was doing the same thing to me once every 3 months for the last 3 years. I saw a picotech video. It looks fairly complicated. I'll look at it again. I would like someone to teach me the basics of scope use. I saw a OTC Genisys used scope it only had about 2 buttons and an up down left to right arrow key.
I am trying to get away from computers and sensors with my next vehicle but I might by an S-10 pickup. I drive cars through the auction block at Adesa Inc. Part time and I see all the computer, sensor, electronic steering, electronic transmissions, electronic suspensions and all their troubles. New cars fail all the time and it's expensive to diagnose and fix these new cars.
I drove a Subaru with the check engine light on and it didn't matter where you put the throttle it didn't raise the rpm 1 rpm. I idled through the auction block. Maybe it had a wasted throttle position sensor I don't really know.
I saw an outstanding carbureted El-Camino on Facebook. Two tone silver and blue new paint. The owner said he has about $ 40,000 dollars in receipts, and he is asking $ 15,000 for it. It's going to sell quickly. Your friend Bruce
Was this
answer
helpful?
Yes
No
Friday, June 13th, 2025 AT 6:42 PM
Tiny
AL514
  • MECHANIC
  • 5,584 POSTS
Scopes are complicated, but necessary to diagnose modern or even older vehicles. The thing with learning to use an oscilloscope is just to dive right in, watch as many videos as possible, ask questions, and once you get the basic idea, you will wonder how you ever did without one. I didnt have anyone teach me, in fact when I was in college they didnt even train us on scope use. But when you can look at things such as ignition coil and fuel injector current waveforms and know if theres a shorted coil or lack of some other essential signal without even taking anything apart, it will save you all that time you spent trying to figure out what was going on with that last vehicle. Youre not going to get away from computers and sensors, its impossible. Even if you buy an S-10, it still has all the basic sensors of any older vehicle. But you cant spend 6 months trying to diagnose something, its frustrating on both ends.
I did watch this video on the OTC Genisys scope, if I spelled that right, but its pretty cool, Im surprised it has 4 channels, I have a small handheld scope like this thats only 2 channels that I use for quick checks on things.
These are a couple of very simple waveforms I captured from a 2013 Hyundai Sonata, this is the K-Line network which is what is used for a scan tool to communicate with this particular vehicle. This vehicle has a fault with the instrument cluster, in the first picture the pulses are my scan tool trying to communicate with the cluster, except the cluster froze its communications when I tried to read codes from it, the 2nd picture (and you can see the difference in voltage levels here) is where the cluster finally responded. The 3rd picture is the vehicles Can Bus High speed network where you can see the voltage levels are all over the place. But there would be no way to know what was happening with the vehicle without a scope, the scan tool would just sit there with a frozen screen trying to read trouble codes and I would have had no idea what was wrong. Granted this is the technical side of things, but you could have checked your cam and crank signals in 5 minutes to see if they looked correct. Not even having to replace any parts until you know whats actually wrong, just the benefits of learning new things. I fully understand the hesitation of it all, buts its like everything else, once you learn it, you are ahead of all the guys that dont use this type of equipment and are just changing parts until they happen to fix something.
This is also the Pico 6 automotive software that has guided tests, tells you where and how to hook up the scope to the vehicle and what to expect for a waveform.

OTC Genisys scope video..
https://www.youtube.com/watch?v=g2IoPBWyEds
Was this
answer
helpful?
Yes
No
Sunday, June 15th, 2025 AT 9:44 AM

Please login or register to post a reply.