Will not start

Tiny
LETHARUSSELL
  • MEMBER
  • 2002 PONTIAC GRAND PRIX
  • 3.1L
  • 6 CYL
  • 2WD
  • AUTOMATIC
  • 182,000 MILES
The curb was blowing the ignition fuse every time I took it to the battery, I got a new fuse box, and I got the starter tested and it's good and I'm getting power from the battery to the starter and it's not blowing my ignition fuse anymore, but now it still won't turn over and I'm not getting power from the starter to the ignition.
Wednesday, March 23rd, 2022 AT 5:18 PM

5 Replies

Tiny
JACOBANDNICKOLAS
  • MECHANIC
  • 110,194 POSTS
Hi,

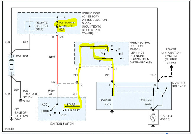
Actually, power from the starter doesn't go to the ignition switch. Power from the ignition main maxi-fuse sends power to the ignition switch. When the key is in the start position, power from the switch goes to the park/neutral switch. If the transmission is in park or neutral and the sensor is good, power then goes to the smaller wire on the starter (purple in color).

So, there should be a heavy gauge black wire at the starter motor that has 12v at all times. With the key in the start position, the purple wire should get 12v which engages the starter.

Reconfirm the fuse indicated in the pic below is good. Also, make sure there is power to it. Here is a link you may find helpful:

https://www.2carpros.com/articles/how-to-check-a-car-fuse

If the fuse is good, see if it will start by placing the transmission in neutral. Also, confirm the gear indicator light shows the correct gear position.

If everything checks good and the starter still doesn't engage, have a helper turn the key to the start position while you check if the purple wire at the starter gets 12v. Again, it will only have power in the start position. Additionally, reconfirm that the heavy gauge black wire has 12v at all times.

Here is a link you may find helpful:

https://www.2carpros.com/articles/how-to-check-wiring

Let me know what you find.

Take care,

Joe

See pics below. Pic 2 shows the fuse to check.
Was this
answer
helpful?
Yes
No
Wednesday, March 23rd, 2022 AT 6:41 PM
Tiny
LETHARUSSELL
  • MEMBER
  • 11 POSTS
Okay, so black wire has power from the starter I went back to the fuse box in the ignition fuse is blown again. I tested the wire coming off of the ignition fuse and it's testing negative. When I hooked the tester up to the positive on the battery and then test the wire it lights up all the other ones didn't do anything until I put it on the negative and then tested the wires and then they light up. It's the five red wires coming out of the fuse box under the hood the one that connects to the ignition fuse is the one that's testing negative all the way as far as I can reach so behind the Overflow for the radiator.
Was this
answer
helpful?
Yes
No
Thursday, March 24th, 2022 AT 5:18 PM
Tiny
JACOBANDNICKOLAS
  • MECHANIC
  • 110,194 POSTS
Hi,

Just so I understand. The one red wire that goes to the fuse only lights the tester if you place the opposite end of the tester on the negative terminal.

Did you check if there was power to the purple wire on the starter with the key in the start position? Also, is the fuse I indicated above the one that is failing?

Let me know.

Joe
Was this
answer
helpful?
Yes
No
Thursday, March 24th, 2022 AT 8:14 PM
Tiny
LETHARUSSELL
  • MEMBER
  • 11 POSTS
Only one side from the ignition fuse lights up the other side doesn't light up because the fuse is blown. If I put another one in it blows it and when it was on the negative or ground and I put the other end to the red wire coming out of the ignition fuse it did nothing. Then I switched the clamp on the negative to the positive and when I stuck the other end into the red wire it then lit up the other four wires all lit up. When I have the clamp on the ground and stuck the needle in into the wiring the only one that didn't light up was the red wire coming out of the ignition fuse and it did opposite it lit up when it was clamped onto the positive and I stuck the needle end into the wiring.
Was this
answer
helpful?
Yes
No
Friday, March 25th, 2022 AT 10:11 AM
Tiny
JACOBANDNICKOLAS
  • MECHANIC
  • 110,194 POSTS
Okay, that tells me you have a short to ground on that specific wire. If you are providing power to that wire and it lights the tester, the opposite side of that wire has to be providing a ground. Otherwise, the light wouldn't turn on.

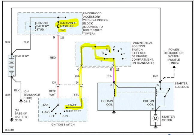
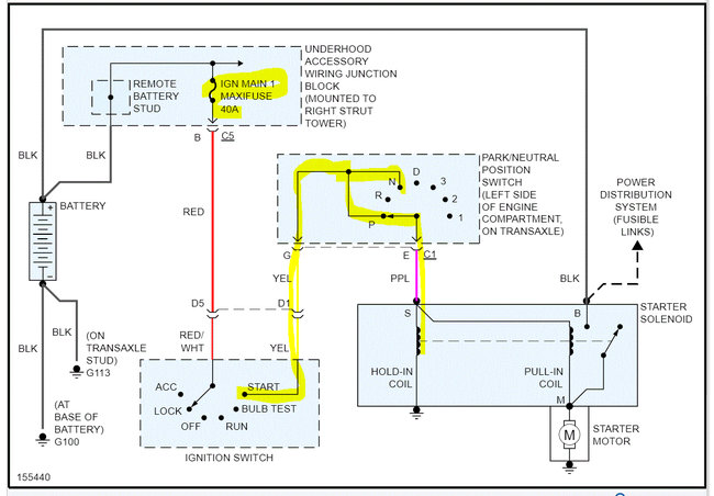
If you look at the first pic I attached above, you will see the red wire runs directly to the ignition switch. So, either there is a short between the fuse panel and the switch or the switch is bad.

Here is what to do: The next thing I would do to confirm this theory is accurate would be to check for continuity between the red wire and the negative battery terminal. If there is, then we know that wire is shorted.

You will need a multimeter to perform this. If you don't have one, then we need to first disconnect the battery and then disconnect the wiring at the ignition switch. Once it is disconnected, reconnect the battery and install a new fuse to see if it still fails. If it doesn't, it sounds like the switch is bad. If it does fail, the problem is at some point in the wire itself.

I found an OEM wiring schematic for this and highlighted the wire in question, so you have a reference to what I'm suggesting.

Pic 2 shows the switch and wiring. Both the upper and lower trim covers need to be removed. Before you do this, make sure the battery is disconnected for at least 30 minutes because you will be working around the wiring related to the airbag.

Let me know what you find or if you have questions.

Take care,

Joe

See pics below. Note: Pic 2 shows the wiring. Both connectors from the switch should be disconnected for the test.
Was this
answer
helpful?
Yes
No
Friday, March 25th, 2022 AT 12:35 PM

Please login or register to post a reply.