I am having an issue with my A/C system control relay?

Tiny
ONEDSOB
  • MEMBER
  • 2011 GMC YUKON
  • 5.3L
  • V8
  • 2WD
  • AUTOMATIC
  • 208,050 MILES
So, this is what I have on the relay.

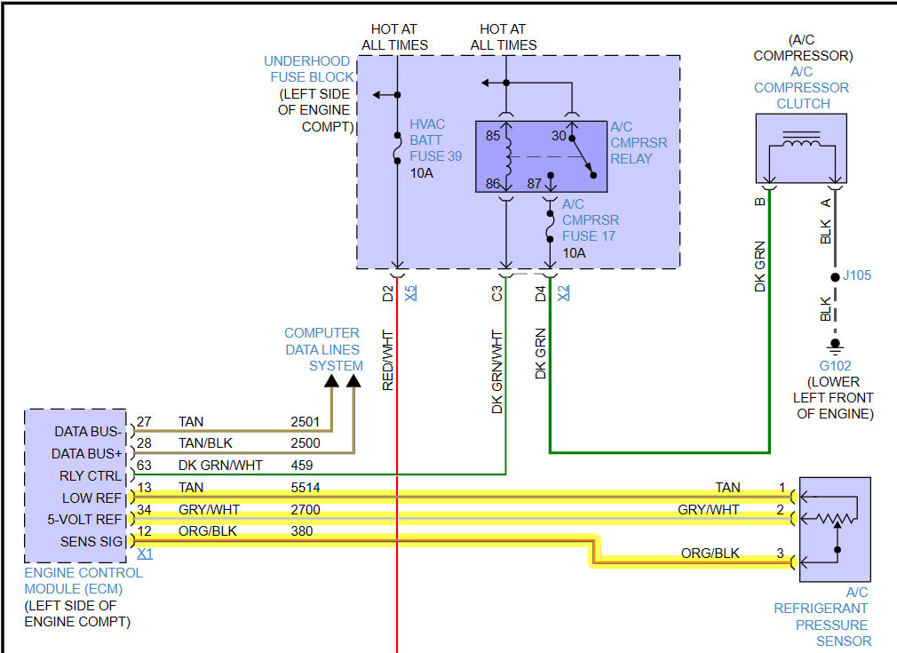
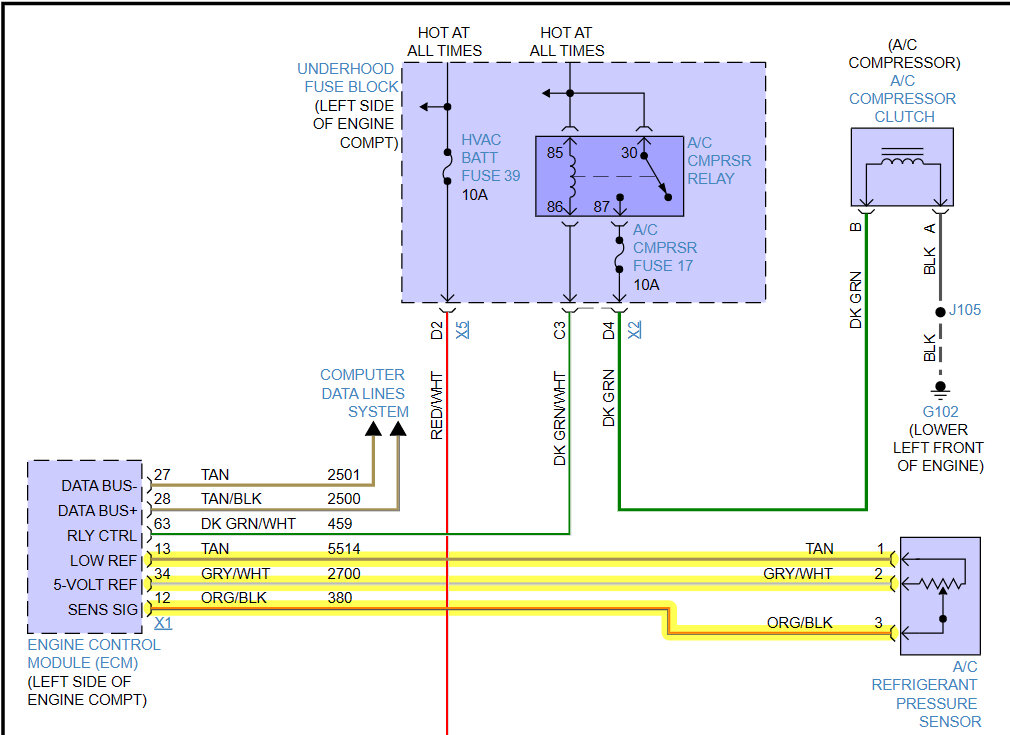
Pin 30 is always hot
Pin 86 is switched hot
Pin 87 goes to the ac compressor
Pin 85 comes from the ECU to supply ground

The ECU is not supplying the ground at pin 85, but if I connect pin 85 to ground the compressor comes on.

I suspect the pressure switch, or the ECU is bad. Can I jumper out the pressure switch? If so which pins do I jumper.


the pressure switch has 3 pins, it’s located on the line, the wires are ORG/BLK - GRY/WHT - TAN. I don’t have a low-pressure switch on the accumulator or the condenser.
Tuesday, May 2nd, 2023 AT 6:01 PM

21 Replies

Tiny
BRENDON S
  • MECHANIC
  • 653 POSTS
Good morning, ONEDSOB,

Thank you for all the information. You won't be able to bypass the sensor with a jumper because it relies on a 5v ref signal from the PCM except for bypassing the PCM, like you already have.

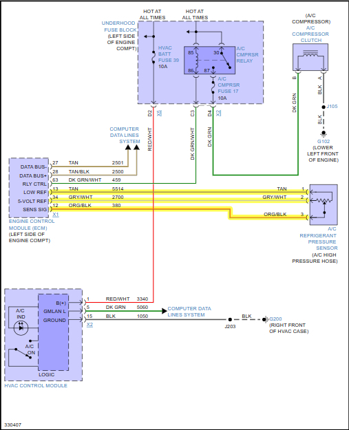
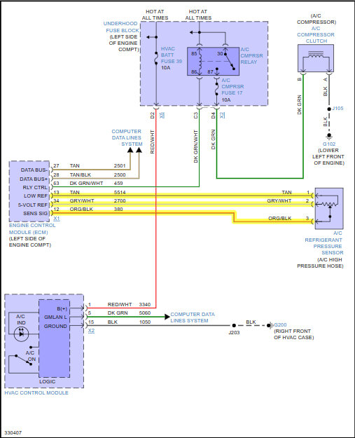
I noticed you said "Pin 85 comes from the ECU to supply ground" but according to my information 85 & 30 should be hot at all times. 86 should be ground for relay control switched by PCM and 87 should go right to compressor. Please check to confirm that is what you see as well. I am adding a diagram of the relay for you from my information.

Can you pull the relay and verify the presence of power at 85 and 30 at all times? 86 shouldn't have power unless the relay is installed and the PCM supplies the ground which is dependent on the input signal from the pressure switch.

I have attached some diagrams for you as well as some test you can perform on the A/C Pressure switch to see if it is causing a problem and getting the right voltage to operate the sensor.

For these tests you will need Digital Volt Ohm Meter or DVOM or simply Multimeter. If you don't have one you can find one at a parts store near you. Klien makes a decent one that can be found at Home Depot. It can also be found online. I will add a picture of this for you as well as a certain pin I use to back probe connectors. I highly recommend them for testing, and they can be found at Walmart in the Craft's section.

In the tests it refers to a "Yellow" lead. For this you will use the red lead on your multimeter.

Also, there is 2 types of connectors it looks like. It looks like the only difference is the wire size. I have added both connector end views for you. It looks like the shape, wire locations and color are the same.

A test light is fine to check for power at terminals 85 and 30 but I would use a pin or flat blade male connector to stick into the terminals and not the end of the test light as it may damage the terminals.

Thank you,
Brendon
Was this
answer
helpful?
Yes
No
Wednesday, May 3rd, 2023 AT 7:30 AM
Tiny
ONEDSOB
  • MEMBER
  • 11 POSTS
Brendon,

After reading your reply again, I’ll check the pressure switch by back-pinning the connector. I get 5V with the connector disconnected.

Thanks.
Was this
answer
helpful?
Yes
No
Wednesday, May 3rd, 2023 AT 10:04 AM
Tiny
ONEDSOB
  • MEMBER
  • 11 POSTS
Brendon,

For some reason my previous reply didn’t post.

I agree with you according to every diagram I’ve looked at for my 2011 YUKON, shows that pin 30 and 85 should have 12V all the time, however after changing the fuse/relay box, I still didn’t have 12V on pin 85, pin 30 had the power and still does.

I figured out which contact on the back of the box went to pin 85 and put 12V fused jumper to pin 85, and it didn’t fix the problem.

So, I started checking for shorts to power and that’s when I found pin 86 had 12V with the ignition in RUN.

So, looking at the SIERRA wiring (see attached) I found this is how my relay is wired.

Pin 30 is hot all the time
Pin 86 is hot with the ignition in run
Pin 85 is ground from the PCM
pin 87 goes to the compressor clutch.

I think I need a new PCM. What are your thoughts?
Was this
answer
helpful?
Yes
No
Wednesday, May 3rd, 2023 AT 10:12 AM
Tiny
BRENDON S
  • MECHANIC
  • 653 POSTS
Hello ONEDSOB,

Okay. The diagram might be wrong. It does happen sometimes. My thought was that there might have been an issue in the fuse box since you had power in the wrong area, but we will keep that on the backburner for now.

So, we got power at 86 and 30. In your original question you said if you jump 85 to ground the compressor turns on. I am assuming this is with the relay in, is that right?

I didn't realize you changed out the fuse box. Okay that should rule out a short within the fuse box.

I really don't want to condemn the PCM until we are absolutely sure that's the issue. Since you had 5v at the sensor. That shows me the PCM has reference voltage which tells me it might be fine. Normally not having reference voltage is a sign of a bad PCM. But that's a good thing and we will keep it in mind as a possibility.

I am thinking possible wiring issue, bad pressure sensor, a leak or very low pressure in the system. Even with a system leak the compressor should turn on, just more often but if it were too low for the sensor to pick up, the signal voltage would be too low for the PCM to switch the ground on for the relay.

When you observed the 5v the red lead was on the Gray/White wire and black was to ground, am I correct?

What did you get for voltage on the orange/black wire with sensor plugged in, the engine running and a/c on? Since the compressor isn't turning on you should have 1v. If you have less than 1v it could mean the system pressure is too low or the sensor is bad.

With key on engine off and sensor plugged in did you have less than 0.1v with red lead on Tan wire and black lead to ground?

Any issues with the engine running or while driving like misfires, hard start, dieseling-running after it has been switched off, lack of power or stalling? What about any codes? No ground from the PCM could signal a bad PCM but if it isn't getting the right input from the sensor it isn't going to supply ground good or bad. So, I would only suspect the PCM after I have tested everything else.

Thank you,
Brendon
Was this
answer
helpful?
Yes
No
Wednesday, May 3rd, 2023 AT 3:59 PM
Tiny
ONEDSOB
  • MEMBER
  • 11 POSTS
Brendon,

Thanks again for the reply.

Brendon - When you observed the 5v the red lead was on the Gray/White wire and black was to ground, am I correct?

ONEDSOB - yes

Brendon - What did you get for voltage on the Orange/Black wire with sensor plugged in, the engine running and a/c on? Since the compressor isn't turning on you should have 1v. If you have less than 1v it could mean the system pressure is too low or the sensor is bad.

ONEDSOB - with the compressor off I have.9V

With the compressor jumpered on I have 1.8V

The system pressures are 30 on the low side, and 150 on the high side.

Brendon - With key on engine off and sensor plugged in did you have less than 0.1v with red lead on Tan wire and black lead to ground?

ONEDSOB - I have 0.0V with the key off

Brendon - Any issues with the engine running or while driving like misfires, hard start, dieseling-running after it has been switched off, lack of power or stalling?

ONEDSOB - No, it runs great.

Brendon - What about any codes?

ONEDSOB - Yes DCT P0645 A/C clutch relay control circuit

Brendon - No ground from the PCM could signal a bad PCM but if it isn't getting the right input from the sensor it isn't going to supply ground good or bad. So, I would only suspect the PCM after I have tested everything else.

ONEDSOB - I’m thinking the pressure switch I replaced is bad with the voltage being.9V with the compressor off.
Was this
answer
helpful?
Yes
No
Wednesday, May 3rd, 2023 AT 4:24 PM
Tiny
ONEDSOB
  • MEMBER
  • 11 POSTS
Okay, I just checked the voltage again on the ORG/BLK wire, engine running, and the compressor off and I have 1.06V.
Was this
answer
helpful?
Yes
No
Wednesday, May 3rd, 2023 AT 4:29 PM
Tiny
BRENDON S
  • MECHANIC
  • 653 POSTS
Hello ONEDSOB,

I appreciate the detailed response. What are you getting now when you jump the compressor? It should be around 3.0v.

System pressure seems to be fine so that's good.

That's good you have a code. Sometimes when a PCM is going it will reset over and over so there won't be any codes.

The sensor could be faulty. It does happen. I would use A/C Delco if you can sometimes cheaper sensors can cause an issue.

So, when you jump the compressor, are you removing the relay and using a jumper wire from 85 to battery ground? So, there is no relay installed and the compressor is turning on?

Sorry I just want to make sure I'm understanding correctly because if you're jumping to ground from 85 with no relay the compressor shouldn't be turning on. Maybe I misunderstood.

Thank you,
Brendon
Was this
answer
helpful?
Yes
No
Wednesday, May 3rd, 2023 AT 5:52 PM
Tiny
BRENDON S
  • MECHANIC
  • 653 POSTS
Hello ONEDSOB,

I found this test procedure specific to code P0645. You have already done some of it. I would start at 5 and go through the rest of it.

Thank you,
Brendon
Was this
answer
helpful?
Yes
No
Wednesday, May 3rd, 2023 AT 6:23 PM
Tiny
ONEDSOB
  • MEMBER
  • 11 POSTS
Brendon - What are you getting now when you jump the compressor? It should be around 3.0v.

ONEDSOB - I’m getting 1.8V

Brendon - System pressure seems to be fine so that's good.

ONEDSOB - Thankfully.

Brendon - That's good you have a code. Sometimes when a PCM is going it will reset over and over so there won't be any codes.

ONEDSOB - I work on aircraft, and I hate it when we don’t get a code. I don’t like chasing ghosts.

Brendon - The sensor could be faulty. It does happen. I would use A/C Delco if you can sometimes cheaper sensors can cause an issue.

ONEDSOB - good to know, I’ll pick up another switch tomorrow on my way home from work and give it a try.

Brendon - So, when you jump the compressor, are you removing the relay and using a jumper

ONEDSOB - the relay is installed, and I just put the ground off the relay pin 85 to ground, and the compressor is powered off the relay through the fuse.
Was this
answer
helpful?
Yes
No
Wednesday, May 3rd, 2023 AT 6:25 PM
Tiny
BRENDON S
  • MECHANIC
  • 653 POSTS
Hello ONEDSOB,

Sounds good. Let me know how it goes. With the 1.8v with the compressor on, it's looking more like that sensor may be having an issue.

Thank you,
Brendon
Was this
answer
helpful?
Yes
No
Wednesday, May 3rd, 2023 AT 6:36 PM
Tiny
BRENDON S
  • MECHANIC
  • 653 POSTS
Good morning, ONEDSOB,

I was wondering if the new pressure switch fixed the issue or not? I have another customer with the same issue on an earlier model Sierra and want to help them and future customers the best I can. If you have a chance, please let me know if it worked or didn't work. If it didn't fix your issue, we can continue testing. I am happy to help. If you don't have time to let me know that is perfectly fine as well, I completely understand but I figured it didn't hurt to ask.

My goal is to not only help you and others obtain information to fix their own automotive problems and save money but to do it quickly and accurately.

Thank you and have a great weekend.
Brendon
Was this
answer
helpful?
Yes
No
Saturday, May 6th, 2023 AT 8:06 AM
Tiny
ONEDSOB
  • MEMBER
  • 11 POSTS
Hello Brendon,

I picked up a new switch and installed it yesterday, it didn’t fix it, the voltage was the same at the pressure switch.

Does the ECU put out a hard ground, or is it a low voltage ground?

I have ordered a new ECU and am waiting for it to get here.

I’ve not given up.

I appreciate your help.
Was this
answer
helpful?
Yes
No
Saturday, May 6th, 2023 AT 8:54 AM
Tiny
ONEDSOB
  • MEMBER
  • 11 POSTS
A little more information on this issue. I bought the Toulon from my sister-in-law, she told me it didn’t just stop working, it was intermittent for a while, then it just completely stopped working, my brother-in-law originally replaced the pressure switch, and it didn’t fix it.

I replaced the fuse/relay box under the hood, and that didn’t fix it. The compressor is good and so is the clutch, the pressures are 30 on the low side and 150 on the high.

I’ll let you know what the ECU does when I get it.
Was this
answer
helpful?
Yes
No
Saturday, May 6th, 2023 AT 9:00 AM
Tiny
BRENDON S
  • MECHANIC
  • 653 POSTS
Happy Sunday ONEDSOB,

The PCM is grounded and can apply ground to a circuit in multiple ways. The thing to remember is that the PCM makes calculations based on inputs from sensors and other parameters. If those inputs are incorrect or incomplete, that's when we start seeing problems, like a circuit not functioning properly.

I have a few other things to try if your willing.

When you tested the signal wire, ORG/BLK, you had 1.8v but you should have had 3.0v, to me that is signaling something.

When you observed 150 on the high-side and 30 on the low side, what was the ambient temperature outside?

Was this reading taken with the engine off or was the engine running and the compressor jumped?

If the engine was off that would be your static pressure and is dependent on the ambient temperature. I have added a chart for you from GM. It is a A/C temp chart. The vehicle needs to be off for at least 30 mins, hook up your gauges and measure the ambient air temperature with a thermometer, don't use a weather app, and compare findings to chart.

What did you get this time? Are you withing the specified range?

If the readings are a little low, it could signal that the system is under-charged which may mean you have a leak.

The best way to look for a leak is with a UV light. The system should have dye in it that when put under the light will appear a bright green. I will add a picture of one for you.

If you don't have one I found pretty nice one for you on Amazon. Here is the link:
https://www.amazon.com/TactEagle-Flashlight-Blacklight-UVA-T2-Inspection/dp/B09ZPBMHVM/ref=asc_df_B09ZPBMHVM?tag=bingshoppinga-20&linkCode=df0&hvadid=80882954287610&hvnetw=o&hvqmt=e&hvbmt=be&hvdev=c&hvlocint=&hvlocphy=&hvtargid=pla-4584482474504476&psc=1

I would check the entire system with the light all hoses, connections, the compressor, everything. If your Yukon has rear A/C the connection between the lines at the back of the truck is a common weak spot.

If the system has a small leak the issue could get worse with time explaining your sister-in-law having an intermittent issue and eventually not working. If the system is low on charge, it will be below the low-pressure threshold and the PCM will not ground that circuit and turn on the compressor.

Sounds like you have a gauge set so I would try putting the relay back in, grab a can of refrigerant if you don't already have some, put a little in to add some pressure to the system and start the vehicle and turn on the A/C and see if the compressor turns on.

Let me know what happens.

You can also take it to a place that has an A/C machine and have them pull a vacuum on it and have them hold the vacuum for 20-30 minutes.

Would you mind sending me your VIN and/or a photo of the placard for your RPO codes? RPO codes should be in your glovebox. It will help a lot on my end to make sure my information is as accurate as possible.

I found a Technical Service Bulletin (TSB), that says customer concerns: Customers may comment that the HVAC system blows warm air when controls are set to "cool" position. This may be an intermittent condition. The cause was the A/C compressor clutch is cycling out early when the low-pressure side reaches approximately 55 PSI.

The correction is to have the logic in the HVAC control head reprogrammed at GM.

There is a few more but I will need your VIN and/or RPO codes to see if any of them apply to your vehicle. If they do you may be able to fix the issue by a simple reprogram for an hour worth of labor.

I will add this TSB for you. The RPO code I am looking for is CJ2.

I am thinking it is an input or a programming issue instead of the PCM because there are no other issues that to me indicate the PCM has failed or has an issue. Not saying it isn't possible though.

You are welcome to try these things or if you want to try replacing the PCM that's fine too. Just thought I would give you some other things to test in the meantime so if it isn't the PCM we can save you the money.

Either way let me know. I am glad you are not giving up. Diagnosing vehicles is not easy and it is just getting harder with the more electronics the put in them. I know it's frustrating especially when it's your own vehicle.

Have a great rest of your weekend.

Thank you,
Brendon
Was this
answer
helpful?
Yes
No
Sunday, May 7th, 2023 AT 10:18 AM
Tiny
ONEDSOB
  • MEMBER
  • 11 POSTS
Q - When you tested the signal wire, ORG/BLK, you had 1.8v but you should have had 3.0v, to me that is signaling something.

A - I agree, today the voyage is 2.6 with the compressor jumpered on.

Q - When you observed 150 on the high-side and 30 on the low side, what was the ambient temperature outside?

A - 75°

Q - Was this reading taken with the engine off or was the engine running and the compressor jumped?

A - Engine on and compressor jumped

Q - If the engine was off that would be your static pressure and is dependent on the ambient temperature. I have added a chart for you from GM. It is a A/C temp chart. The vehicle needs to be off for at least 30 mins, hook up your gauges and measure the ambient air temperature with a thermometer, don't use a weather app, and compare findings to

A - Engine was on. But this morning 5/8/23 before I did anything I had the key on and engine off. The voltage was 1V

Then I started the engine and jumped the compressor on. I had 2.2V with the gauges reading 150 and 30 out side temp was 75°

Q - If the readings are a little low, it could signal that the system is under-charged which may mean you have a leak.

A - I don’t believe I have a leak, because the pressures have remained the consistent.

Q - Sounds like you have a gauge set so I would try putting the relay back in, grab a can of refrigerant if you don't already have some, put a little in to add some pressure to the system and start the vehicle and turn on the A/C and see if the compressor turns on.

Let me know what happens.

You can also take it to a place that has an A/C machine and have them pull a vacuum on it and have them hold the vacuum for 20-30 minutes.

A - So this morning discharged the system, I then replaced the inline filter, I pulled a vacuum on it @-30 lbs for 45 minutes, then I put 4ea 12 ounce cans of Freon in it, with a 3 ounce can of oil. I had to jump the compressor to get it to come on, because it still won’t come on, on its own.

I shut the Yukon off, let it sit for about an hour, then I checked the voltage at the pressure switch it was at 1.2V engine off. It’s 88° outside.

Q - Would you mind sending me your VIN and/or a photo of the placard for your RPO codes? RPO codes should be in your glovebox. It will help a lot on my end to make sure my information is as accurate as possible.

A - VIN 1GKS1KE06BR285574

I’ll attach photo of RPO

I also hooked my Code reader back up and I’ll attach the screenshot of the codes I’m getting.

For the record, I’m ready to set it on fire. Lol
Was this
answer
helpful?
Yes
No
Monday, May 8th, 2023 AT 2:52 PM
Tiny
BRENDON S
  • MECHANIC
  • 653 POSTS
Good morning, ONEDSOB,

True, pressures have stayed consistent. But that is with the compressor jumped and running.

Static pressures need to be taken after the engine is of for about 30 mins, the compressor should not be running. Then it needs to be compared to the chart.

That voltage signal is all over the place. Would you mind checking the static pressure with the vehicle off? I need the gauge readings without the compressor pressurizing the system.

You may not have a leak, but these readings will help diagnose the issue by giving us more information. Then we can compare with the readings you took with the compressor running.

How did the filter look?

That TSB I spoke about earlier, the HVAC module software update, does pertain to your vehicle so I would have the dealer update the software. Should only be charged for a half an hour to an hour labor. Then we can rule that out.

I also have found another TSB pertaining to the ambient temp sensor. On my 2001 Suburban it displays on my mirror. So your vehicle should have it there or on in the instrument cluster. I will add the TSB for you. It has a procedure to reset the ambient temp sensor. I would read it over and try it.

I have to send it in 2 images.

I am also adding the refrigerant capacities for you as well as the type of PAG oil and the amount.

If you added 4 12-ounce cans you are .5 lbs. over now on refrigerant.

You should have enough pressure but for some reason with the compressor on you still don't have 3v.

So, if you could:

1) Re-check static pressures with the engine off for about 30 minutes and no compressor on. Then compare it to the chart.

2) Take it to the dealer to have the software update the HVAC module. I would print a copy of the TSB for the software update and bring it with you to the dealer.

3) Using the TSB try resetting the ambient temp sensor as this will also make the compressor is not turned on.

I would then test this sensor, remove it and use your multimeter on the ohm setting. I am adding a video for you because it explains how to test it pretty clearly. Here is the link:
https://youtu.be/X7x_TwoRYRQ

I would also check the connector for corrosion or damage as well as the harness for any damage.

I have also added a diagram for the location of this sensor. Since it is at the front of the vehicle it's possible this sensor could be having an issue.

4) I would check all your fuses with a test light so we can make sure we aren't overlooking anything. Connect it to ground and touch both side of the fuse. If we have an electrical issue, I want to make sure all the fuses are good. Here is an informative article to show you how to do it in case you need it:
https://www.2carpros.com/articles/how-to-check-a-car-fuse

I will add the fuse panel diagram as well as the legend for each of them.

5) Since this voltage reading just will not reach 3.0v I am wondering if there is any extra resistance in the circuit as well. So, I would double check any harnesses and see if you can find anything.

I know it's frustrating, unfortunately all vehicles are lol, but out of all the people on here that I have talked to you have done the best in testing and communicating. I think you are doing great, and I don't blame you but hang in there. Plus, that is a nice truck be a shame to burn it lol.

Also, Thank you very much for the VIN and RPO codes. It will help a lot.

I know these tests are getting redundant, but that's kind of how diagnosis goes, sometimes double or triple checking is necessary but when it's fixed, the knowledge you gain and the feeling you fixed it will be well worth it in my opinion.

While you are doing that, I am going to take the day and go through the codes you sent me, RPO codes, wiring diagrams and any more TSB's I can find. Now that I have the VIN and RPO codes I can go over the entire diagnostic procedure with the information you have provided.

Thank you,
Brendon
Was this
answer
helpful?
Yes
No
+1
Tuesday, May 9th, 2023 AT 6:55 AM
Tiny
BRENDON S
  • MECHANIC
  • 653 POSTS
Good morning, ONEDSOB,

I found some good information. That code B3933-05 refers to the Evaporator Temperature Sensor having either a short to power, excessive resistance or has an open in that circuit. As a result, the A/C compressor is disabled, which is why we have the P0645 code and no ground.

Most common fix I found was replacement of the sensor itself and seems to be a very common problem.

This code is set when the sensor sends back a temperature of -38 degrees Fahrenheit or less or 419 degrees Fahrenheit or more for 15 seconds or longer.

This sensor is located directly on the evaporator.

What kind of scan tool do you have? Are you able to see live data? If so, you can see if you can view the Data PID for that sensor and see what it is reading.

I am adding a circuit test procedure for you along with connector end view with wire colors, a reference table for resistance for this sensor compared to temperature, as well as a wiring diagram for the HVAC System.

I would start with the component testing procedure and compare your findings with the Sensor Resistance Table. I would also check all my fuses just to make sure, but this sensor goes into the HVAC control module and as far as we know it is still operational. So, it's very possible it's the sensor but I would check fuses as well.

You should either get a resistance reading or an OL.

It looks like the connector is behind the glove box but may be easier to access by removing the passenger side air bag and cover and the glove box.

I will add procedures for both for you as well as how to disable the air bag system. I am also adding a view of the connector at the top of the HVAC box through the hole where the passenger air bag is.

* Air bag Systems are dangerous to work on or around. The control module for this system will hold a charge for about a minute after disconnection in case of a power loss during an accident. My advice, remove the positive and negative battery cable and pull the fuse. Then wait a minute or more and the start the removal procedure of the Air Bag Module. Now any airbag can be set of with simply a static discharge so be very careful handling it and getting in and out of the vehicle and place out of the way outside of the vehicle and out of the sun. *

This sensor is located directly on the evaporator which as you probably know is inside the heater box behind the dash. Which entails removing parts of the dash, removing refrigerant, draining coolant, then removing the heater box and splitting it open. This is the way GM wants you to do it.

Alternatively, I have found a quick YouTube video that involves drilling a 1-inch hole to access the sensor and then covering it with a plug. I would seal this plug with clear RTV and then install if this is the route you take.

I don't usually do things like that but I don't think it will harm anything in this instance and save you a lot of time since it's more than likely a 12 hour or more job.

I will let you decide what you route you want to take. Here is a link to the video:
https://youtu.be/PhTdzsOo7yY

I am adding a lot of information. If you need more let me know, I think I covered everything. Any questions at all or you need some guidance, anything please do not hesitate to let me know. I am here 24/7.

This is also a $20-$30 part. I would get it from GM especially because it is not easy to reach.

Thank you,
Brendon
Was this
answer
helpful?
Yes
No
+1
Wednesday, May 10th, 2023 AT 9:51 AM
Tiny
ONEDSOB
  • MEMBER
  • 11 POSTS
Awesome. I appreciate your help.

I will do the tests.

I am not going to be able to do it next week, as I have to go out of town, leaving tomorrow.

Thank you again.
Was this
answer
helpful?
Yes
No
Wednesday, May 10th, 2023 AT 10:47 AM
Tiny
BRENDON S
  • MECHANIC
  • 653 POSTS
Hello ONEDSOB,

No problem. You are very welcome. Have a safe trip and get back to me when you can.

Thank you,
Brendon
Was this
answer
helpful?
Yes
No
Wednesday, May 10th, 2023 AT 11:02 AM
Tiny
ONEDSOB
  • MEMBER
  • 11 POSTS
I couldn’t wait. I had to check the sensor.

It was bad. Read wide open.

Got a new sensor, slaved it in and guess what. The compressor came on

Now to cut the hole and replace it.

You’re the man!

I really appreciate your help and I hope this information helps others.
Was this
answer
helpful?
Yes
No
Wednesday, May 10th, 2023 AT 1:53 PM

Please login or register to post a reply.