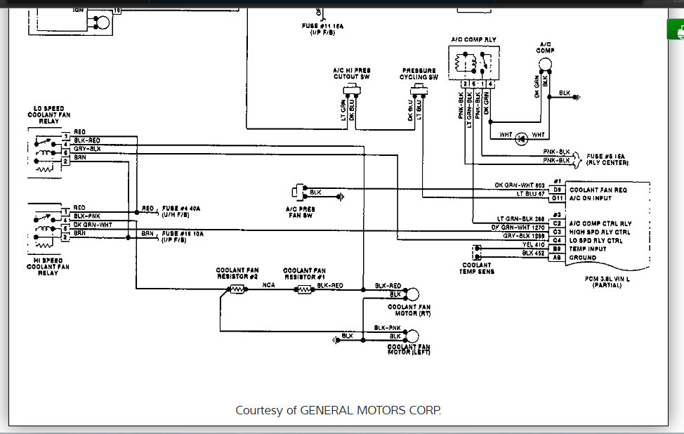
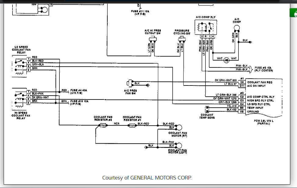
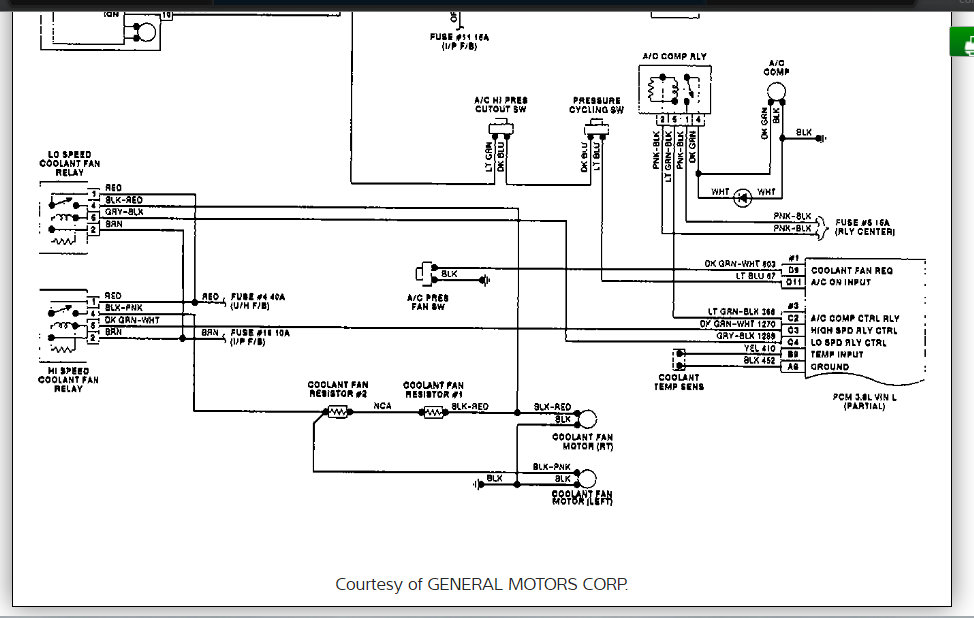
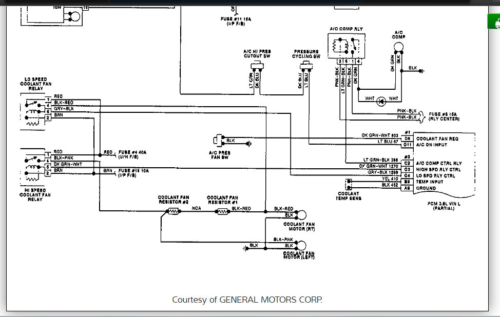
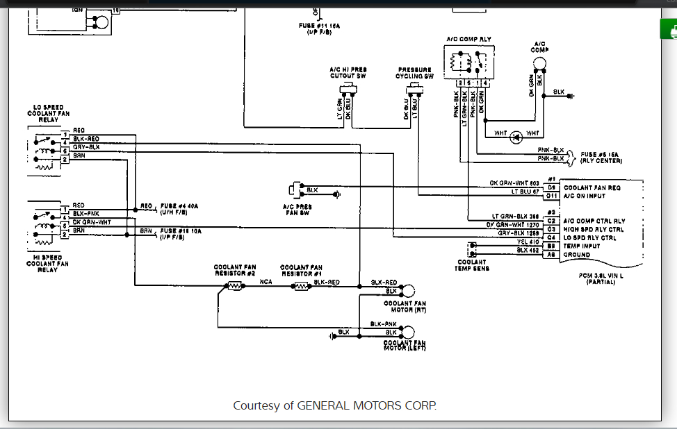
I have included the wiring diagrams for your vehicle's HVAC system in the diagrams down below. This is the only information I could pull up in my two reference sources for it. Please go over them and get back to us with what you are able to find out.
Thanks,
Alex
2CarPros
Was this helpful?
Yes
No
Monday, January 25th, 2021 AT 9:55 AM
(Merged)




