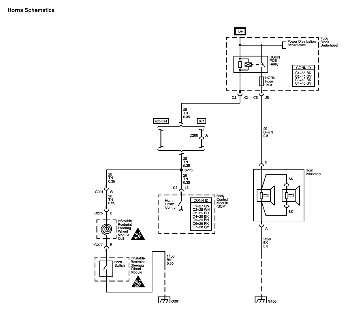
Horn relay location

Tiny
TOM WELTON
  • MEMBER
  • 2006 CHEVROLET IMPALA
  • 3.5L
  • V6
  • 2WD
  • AUTOMATIC
  • 112,510 MILES
Horn will not blow, fuse good. Cannot find where horn relay is.
Saturday, August 12th, 2017 AT 1:31 PM

1 Reply

Tiny
STEVE W.
  • MECHANIC
  • 15,679 POSTS
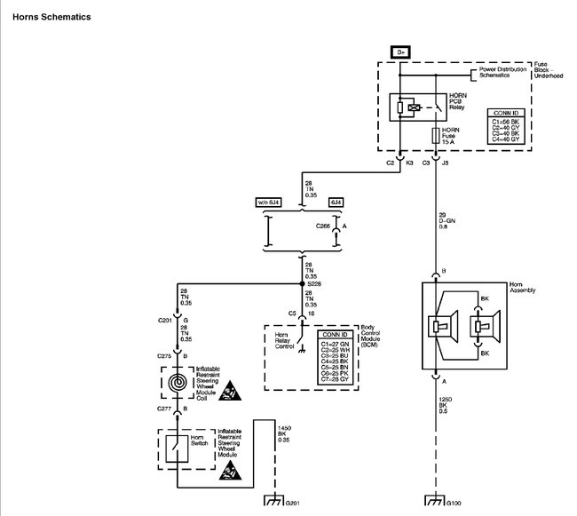
OK first thing to test will be the horns themselves. Connect a test light to ground and unhook the horn connector. Hit the horn button and see if you get battery voltage at the connector. If yes, the horn is bad.
If no then go to the fuse box and locate the TAN wire in the C2 connector. That wire is the control side of the horn relay. When you hit the horn button it should ground that wire. If it does the relay is the issue. BUT the relay isn't a serviceable part. It is actually a part of the fuse boxes circuit board. To replace it you replace the entire fuse box.
However replacing just the box will repair the relay, but you also have to use a scan tool to tell the BCM/ECM that you replaced the box so it activates the correct sections of the box.

OR you can wire an external relay to blow the horn. Tap the Tan wire to one side of the relay coil with an inline diode to prevent a voltage spike to the BCM. Then connect the other side of the coil to battery positive through a 10 amp fuse, Connect the same battery positive to the relay terminal for the center post, then the horn gets connected to the normally open terminal. You are basically duplicating what is inside the box, just using an external relay.
Similar to the second picture, The blue wire is your tan, the horn out red goes to the dark green that feeds the horns. The power feed goes to the battery through a fuse.
Was this
answer
helpful?
Yes
No
-2
Monday, August 14th, 2017 AT 2:12 PM

Please login or register to post a reply.