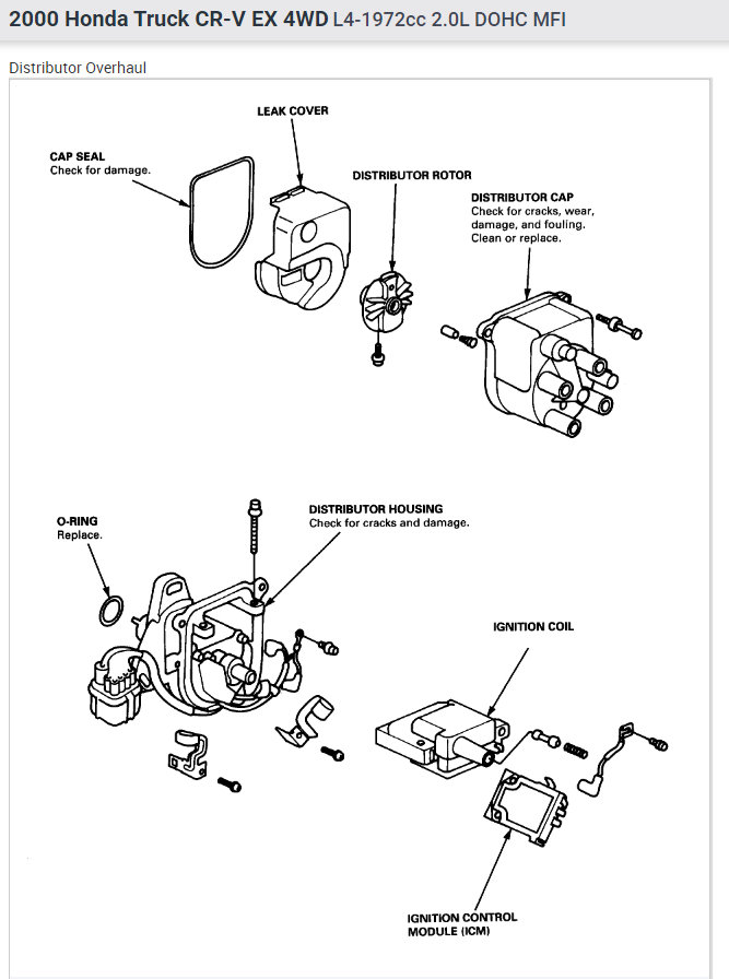
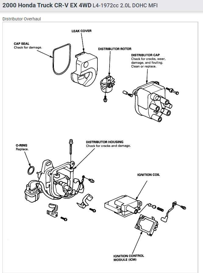
Saturday, October 16th, 2010 AT 9:11 PM
I have a 2000 Honda CRV that stalled in an intersection while turning left from a stop. Otherwise car had been running fine. Thought for sure it was the fuel pump as it didn't seem to be running when I turned the ignition on. Today I replaced the fuel pump, strainer and fuel filter. There is fuel in the tank. While I can now here the pump run when I turn the ignition on, the car still will not start. Any ideas?





