Power window not working?

Tiny
KHLOW2008
  • MECHANIC
  • 41,814 POSTS
Hi stevepti,

Expect to see a broken regulator top end roller for the cable.

The inner handle is slotted in before being tightened with the screw. Push the opener forward before lifting it out slightly to enable you to detach the lever behind it.
Was this
answer
helpful?
Yes
No
Friday, October 16th, 2020 AT 10:59 AM (Merged)
Tiny
PEREZ Y
  • MEMBER
  • 2 POSTS
  • 1992 HONDA ACCORD
  • 4 CYL
  • 2WD
  • AUTOMATIC
  • 148,000 MILES
I have a 92 honda accord and all 4 windows stop working
Was this
answer
helpful?
Yes
No
Friday, October 16th, 2020 AT 10:59 AM (Merged)
Tiny
KHLOW2008
  • MECHANIC
  • 41,814 POSTS
Have you checked the fuses underhood?
Was this
answer
helpful?
Yes
No
Friday, October 16th, 2020 AT 10:59 AM (Merged)
Tiny
PEREZ Y
  • MEMBER
  • 2 POSTS
Yes the fuse and relay underhood
Was this
answer
helpful?
Yes
No
+2
Friday, October 16th, 2020 AT 10:59 AM (Merged)
Tiny
KHLOW2008
  • MECHANIC
  • 41,814 POSTS
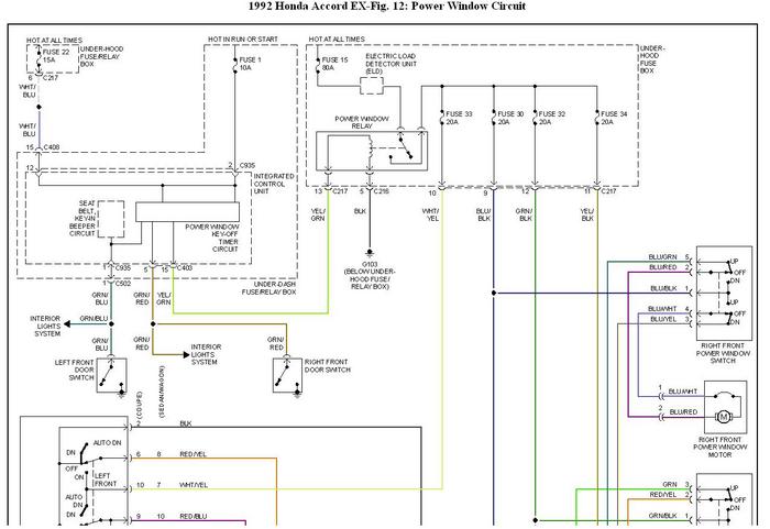
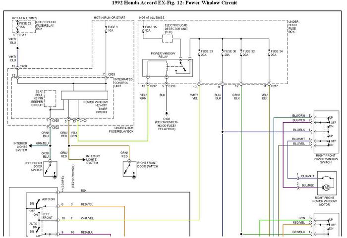
Here are the schematic of the system.

Check the power window relay. Use a test lamp to test the power window fuses for battery voltage.
Was this
answer
helpful?
Yes
No
-2
Friday, October 16th, 2020 AT 10:59 AM (Merged)
Tiny
LA.VERO
  • MEMBER
  • 40 POSTS
  • 1992 HONDA ACCORD
  • 4 CYL
  • 2WD
  • AUTOMATIC
  • 213,567 MILES
It only make a rough sound when I try to roll them up. Help please
Was this
answer
helpful?
Yes
No
Friday, October 16th, 2020 AT 10:59 AM (Merged)
Tiny
JACOBANDNICKOLAS
  • MECHANIC
  • 110,194 POSTS
Hi and thanks for using 2CarPros.

It sounds like the gears on the regulator have stripped. Take a look at picture 1. You will see a set of gears. You need to remove the door panel and inspect those to see if that is what has been damaged. Also, one the panel is removed, if you crank the window up and assist the glass upward with the other hand, at least you can close it until you repair it.

The directions I have for removing the door panel are for either manual windows or electric. If there are electrical components in the directions that you do not have, ignore them.

__________________________
Starting with picture 2, the remaining pics correlate with these directions.

Disassembly
Sedan/Wagon Front/Coupe:

1. If applicable, remove the regulator handle by pulling the clip out with a wire hook.

2. Remove the mounting screw, then pull the inside door handle out half-way and disconnect the latch rod and power door lock connector.

NOTE: Remove the panel with a little bending as possible to avoid creasing or breaking it.

3. Remove the power door mirror switch and disconnect the connector.

4. Remove the screws and clips (see trim pad remover) attaching the door panel. Remove the door panel by pulling it upward and disconnect the power window and courtesy light harnesses.

________________________

I based this diagnosis on the windows being manual and not power because you said when you roll them up. Let me know if this helps, if you have other questions, or need additional information.

Take care,
Joe
Was this
answer
helpful?
Yes
No
Friday, October 16th, 2020 AT 10:59 AM (Merged)
Tiny
ANJANKRB
  • MEMBER
  • 1 POST
  • 1991 HONDA ACCORD
  • 4 CYL
  • 2WD
  • AUTOMATIC
  • 221,858 MILES
The automatic rear window glass on the driver side is not going up since yesterday. It made a funny noise first and then stopped half way. I got it to go down with the driver said panel button. But it did not come up again. No matter how many times I tried.
Please let me know how to repair this problem.

Thanks a lot,

Anjan
Was this
answer
helpful?
Yes
No
Friday, October 16th, 2020 AT 10:59 AM (Merged)
Tiny
KHLOW2008
  • MECHANIC
  • 41,814 POSTS
Hi Anjan,

If operating the switch causes noises to be emitted from the window as if the motor is working, you have a bad door glass regulator and you would have to remove the door panel and door glass to replace the window regulator.
Was this
answer
helpful?
Yes
No
+1
Friday, October 16th, 2020 AT 10:59 AM (Merged)
Tiny
PFRCOATES
  • MEMBER
  • 1 POST
  • 1991 HONDA ACCORD
Other Category problem
1991 Honda Accord 4 cyl Wheel Drive Type unknown Automatic 223000 miles

The power window on just the driver side door wont go up. I can hear the motor running when I push the button but the window wont move even when we try to pull on it when we push the button. We have tapped the side of the door pannel where the motor is in hopes that it would help but nothing is working. All the other windows are moving up and down fine. We thought it might have been the motor at first but we arent so sure now since we can hear it going. PLEASE if you can give us a suggestion it would be great as it is winter and it gets very cold in the car as I need it for work!
Was this
answer
helpful?
Yes
No
Friday, October 16th, 2020 AT 10:59 AM (Merged)
Tiny
EMMANUEL1993
  • MEMBER
  • 3 POSTS
Same problem I have. I put my window down. And it started to rain really bad and when I tryed to put it up. It didnt go up. Its the motor. Since I waited to late. Now my passenger and back passenger window does the same thing. GET MOTOR REPLACED ASAP
Was this
answer
helpful?
Yes
No
+1
Friday, October 16th, 2020 AT 10:59 AM (Merged)
Tiny
JENK
  • MEMBER
  • 5 POSTS
I also recently had this problem. Sounds like if it is making noise it is the motor. However, my window was slow to go up for quite a while but went down fine, and when it stopped going up it would make no noise and they had to replace the switch that you push, not the motor. Now it goes up and down even faster than it did before.
Was this
answer
helpful?
Yes
No
Friday, October 16th, 2020 AT 10:59 AM (Merged)
Tiny
CHRIS615
  • MEMBER
  • 2 POSTS
DAMN ME TOO MAN I HAD TO SWITCH THE MASTER WINDOW SWITCH. BUT I DONT HAVE MONEY TO GET ONE SO I GOT ON FROM A JUNKYARD AND IT WORKED ON MINE. BUT AFTER LIKE 2 MINS MESSING AROUND WITH THE SWITCHES THE LR WINDOW DIDNT WANT TO WORK ANYMORE AND I WAS OPEN A LIL BIT AND IT RAINED AND THE INSIDE OF MY CAR GOT WET. AND NOW IT WORKED AGAIN SUM HOW BUT NOW ITS DOESNT AND I HAD TO TAKE OFF MY DOOR PANEL AND GET TO THE WINDOW AND DO IT MAUALLY BUT I DONT KNOW HOW TO MOVE UP THE WINDOW BRACKET SO I JUST TOOK OFF THE WINDOW AND TAPED IT UP LOL.
Was this
answer
helpful?
Yes
No
Friday, October 16th, 2020 AT 10:59 AM (Merged)
Tiny
TATIOUSMAMI
  • MEMBER
  • 2 POSTS
  • 1988 HONDA ACCORD
  • 4 CYL
  • FWD
  • MANUAL
  • 270,000 MILES
For some strange reason after washing my car this morning All of my windows in my 88 Honda Accord LXI will not work. I checked all 4 fuses under the hood as well as the relay. I also swapped the power window relay and the cooling fan relay and still no luck. Then I checked the fuses under my dash to find out that the fuse that goes to my winshield wipers was blown. I remember this happening once before but it somehow fixed itself because one morning I put a fuse in and it did not pop, but lucky me the problem has came back and this time I would love to fix it myself and for good. I am figuring obviously the fuse to my wipers also control my windows (I HOPE). What can I do to figure out what is causing the fuse to continuously pop? Oh also my check engine light keeps coming on and my spedometer quit working the other day. My spedometer would go crazy when driving over 65mph on freeway, it would like float between 65mph and 100mph and now its dead to. Please help me I know its got a lot of miles on it but what can I say, "I Love My Honda"!
Was this
answer
helpful?
Yes
No
Friday, October 16th, 2020 AT 10:59 AM (Merged)
Tiny
KHLOW2008
  • MECHANIC
  • 41,814 POSTS
Hi Tatiousmami,

1988 model should be cable driven so you should check if the cable is broken. If it is sensor driven, then the speed sensor is faulty. Get it replaced.

Each window has a separate fuse but the wiper fuse also controls the power window relay so not surprising if they don't work, the relay is not being activated.

Shorting should not be from the power window so you should check the wiper.

Intermittent failures are difficult to detect. Put in new fuse and try component by component till it pops, then you go about checking that circuit.
Was this
answer
helpful?
Yes
No
Friday, October 16th, 2020 AT 10:59 AM (Merged)
Tiny
TATIOUSMAMI
  • MEMBER
  • 2 POSTS
I have checked all fuses and like I said the wiper fuse keeps popping every time I try to insert a new one so how can I go about finding out what is causing the problem.
Was this
answer
helpful?
Yes
No
Friday, October 16th, 2020 AT 10:59 AM (Merged)
Tiny
KHLOW2008
  • MECHANIC
  • 41,814 POSTS
Hi Tatiousmami,

Disconnect the wiper motor wire connector and see if the shorting still occurs. If it does not, then the wiper is faulty.
Was this
answer
helpful?
Yes
No
+1
Friday, October 16th, 2020 AT 10:59 AM (Merged)
Tiny
BBRENDA88
  • MEMBER
  • 1 POST
  • HONDA ACCORD
The power window on the passenger side is not working. You can hear a clicking noise coming from the door when driving and not touching anything. The driver side is also having some problems but has not stopped working completely. I need to know what the problem is so I can have a friend look at it and repair it.
Was this
answer
helpful?
Yes
No
Friday, October 16th, 2020 AT 10:59 AM (Merged)
Tiny
BRUCE HUNT
  • MECHANIC
  • 3,754 POSTS
I would put off the inside door panel and watch the mechanism to see if a component has broken. Pretty pricey but necessary.
Was this
answer
helpful?
Yes
No
+1
Friday, October 16th, 2020 AT 10:59 AM (Merged)

Please login or register to post a reply.