Engine cranks will not start?

Tiny
F4I_GUY
  • MECHANIC
  • 3,302 POSTS
The first checks to do when a vehicle cranks but doesn't start is to check for strong spark and proper fuel pressure.

If you do not have the necessary tools to perform these tests safely I would recommend you tow it to a shop.
Was this
answer
helpful?
Yes
No
Monday, September 28th, 2020 AT 4:35 PM (Merged)
Tiny
BIGKEV72
  • MEMBER
  • 1 POST
  • 2000 HONDA ACCORD
  • 6 CYL
  • 2WD
  • AUTOMATIC
  • 130,000 MILES
I have issues help! Ok this car will crank but will not start I have checked the coils and changed the spark plugs, Also it is getting fuel but it is getting to much fuel the car tries to start but has a small backfire coming from the air filter which has burned and singed the filter. The timing is in line on the top and on the bottom the crank sensor has been replaced the main relay has been replaced the injectors have been replaced. Has anyone ever seen these type problems?
Was this
answer
helpful?
Yes
No
Monday, September 28th, 2020 AT 4:35 PM (Merged)
Tiny
F4I_GUY
  • MECHANIC
  • 3,302 POSTS
Do you have a distributor or individual coil on plugs?

Either way, just checking to make sure spark is present, isn't good enough.

You must ensure it's strong spark, up to 40KV. (40,000volts). You need a spark tester to test this, or a labscope.
Was this
answer
helpful?
Yes
No
Monday, September 28th, 2020 AT 4:35 PM (Merged)
Tiny
BAMBAM29
  • MEMBER
  • 9 POSTS
  • 2000 HONDA ACCORD
  • 95,000 MILES
Engine cranks but wont start. Good spark, good fuel pressure, timing belt set correctly. No computer codes. Good injector pulse. Died while driving hasnt started since.
Was this
answer
helpful?
Yes
No
Monday, September 28th, 2020 AT 4:35 PM (Merged)
Tiny
DJCL
  • MECHANIC
  • 767 POSTS
How was the car running before it stalled out? It sounds like you covered a lot ot checks. If the car has spark on all plugs testing @ the plug wire end there is inject or pulse on all 4 cylinders fuel psi amd volume are correct and the timing is on. Compression will have to be checked but I don't think you lost that if belt timing is good. Pull the plugs out and see if thay smell of gas or are weat with fuel m
Was this
answer
helpful?
Yes
No
Monday, September 28th, 2020 AT 4:35 PM (Merged)
Tiny
BAMBAM29
  • MEMBER
  • 9 POSTS
Car was running good before died. Smell gas on plugs. Plugs were wet so replaced
Was this
answer
helpful?
Yes
No
Monday, September 28th, 2020 AT 4:35 PM (Merged)
Tiny
DJCL
  • MECHANIC
  • 767 POSTS
Does it try to start? It might be flooded. See if the new plugs are wet agen
Was this
answer
helpful?
Yes
No
Monday, September 28th, 2020 AT 4:35 PM (Merged)
Tiny
BAMBAM29
  • MEMBER
  • 9 POSTS
Doesnt even try to start. Pulled plugs were wet again. Cleaned and reinstalled. No luck
Was this
answer
helpful?
Yes
No
+1
Monday, September 28th, 2020 AT 4:35 PM (Merged)
Tiny
DJCL
  • MECHANIC
  • 767 POSTS
When you checked for spark how and where did you check it? Was it with a spark tester that will take hi voltage to fire it and did you check it @ all 4 plugs. I would like to know the quality of the spark @ the plugs. Color of the spark. There may not be full voltage getting to the plug.
Was this
answer
helpful?
Yes
No
Monday, September 28th, 2020 AT 4:35 PM (Merged)
Tiny
BAMBAM29
  • MEMBER
  • 9 POSTS
Adjustable spark tester opened up to 20 and still had good blue spark. Checked at all 4 wires.
Was this
answer
helpful?
Yes
No
Monday, September 28th, 2020 AT 4:35 PM (Merged)
Tiny
DJCL
  • MECHANIC
  • 767 POSTS
As far as timing goes you checked belt timing crank and cam all lined up good? If you need the marks let me know I will send them to you. I would want to know what the compression readings are on all 4 cylinders.
Was this
answer
helpful?
Yes
No
+1
Monday, September 28th, 2020 AT 4:35 PM (Merged)
Tiny
BAMBAM29
  • MEMBER
  • 9 POSTS
Will do compression test and get back to you. Thank you for help
Was this
answer
helpful?
Yes
No
-1
Monday, September 28th, 2020 AT 4:35 PM (Merged)
Tiny
BLESSING EWOBOR
  • MEMBER
  • 754 POSTS
  • 2000 HONDA ACCORD
  • 4 CYL
  • 2WD
  • AUTOMATIC
  • 245,234 MILES
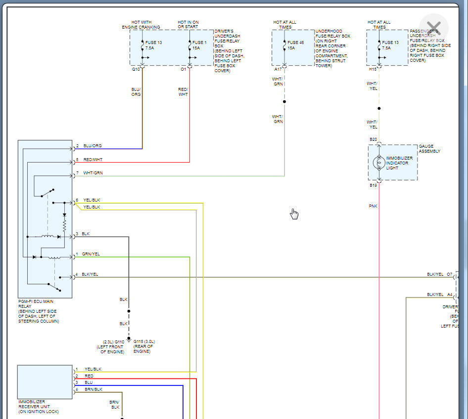
Hello, the car listed above's engine is cranking but refused to start. I observed that the security light (key symbol) is not displaying on the combination meter, then I realized that the problem is the immobilizer system. After leaving the vehicle for some hours I came back to the vehicle, turned the ignition switch to on position, the security light was "on" on the combination meter, I cranked the engine and it started. I was some how confused. Backing the door the security light went off again, I decided to shake the vehicle the light came on, shaking it again the light went off. Then I knew that there is open circuit, short to voltage, or ground some where. I have been searching for that but I have not seen it. How can I fix the problem?
Was this
answer
helpful?
Yes
No
Monday, September 28th, 2020 AT 4:35 PM (Merged)
Tiny
DJCL
  • MECHANIC
  • 767 POSTS
Ome other thing you can try is. Cranking the engine with your foot on the gas held down to the floor for about 15 second and see if the engine starts to clear out. Let me know how it works out.
Was this
answer
helpful?
Yes
No
Monday, September 28th, 2020 AT 4:35 PM (Merged)
Tiny
KASEKENNY
  • MECHANIC
  • 18,907 POSTS
How are you searching for it? I agree that it would have to be rubbed through wire but I would start at the immobilizer and hook up your meter to test each wire for a short to power, ground and another circuit. Clearly this is going to take a little bit of time but now that you know how to get it to act up, when you shake the vehicle, clearly the voltage should not change. If you can back probe the connector that would be best because the system will need to remain intact.

Does that make sense?
Was this
answer
helpful?
Yes
No
Monday, September 28th, 2020 AT 4:35 PM (Merged)
Tiny
BAMBAM29
  • MEMBER
  • 9 POSTS
Did compression test.120 lbs. Tried holding to the floor still no go. Checked tps-good reference voltage and signal to computer. Did checks on main relay-good. Get codes when unplugging sensors for checks. Have run completely out of options to try. Everything indicates should run. Have considered torching but doubt the evil thing will burn. Lol
Was this
answer
helpful?
Yes
No
Monday, September 28th, 2020 AT 4:35 PM (Merged)
Tiny
BLESSING EWOBOR
  • MEMBER
  • 754 POSTS
Thank you.
Was this
answer
helpful?
Yes
No
Monday, September 28th, 2020 AT 4:35 PM (Merged)
Tiny
DJCL
  • MECHANIC
  • 767 POSTS
It sounds like this car is getting to much fuel. I'm still thinking flooded. See if you can do this. Remove all the spark plugs disable the ignition and fuel pump. Crank the engine with all the plugs out. See if fuel is blowing out of the plug holes. When there is no more spraying out add thimble amount of motor oil to each cylinder. Blow dry the plugs thay must be very dry. Reinstall the plugs restore the fuel pump and ignition system holt foot down to the flore on gas crank away and keep your fingers crossed
Was this
answer
helpful?
Yes
No
Monday, September 28th, 2020 AT 4:35 PM (Merged)
Tiny
BAMBAM29
  • MEMBER
  • 9 POSTS
Ok. Heres what I found. Put engine on tdc. To recheck timing belt again. Pulled off distributor cap and noticed rotor is not pointing to #1 wire. Wire is at about 10 oclock on cap while rotor is pointing to 6. As is the distributor has an offset where it enters cam. How could this happen. Is this common on hondas?
Was this
answer
helpful?
Yes
No
Monday, September 28th, 2020 AT 4:35 PM (Merged)
Tiny
DJCL
  • MECHANIC
  • 767 POSTS
What cylinder is the rotor pointing to
Was this
answer
helpful?
Yes
No
Monday, September 28th, 2020 AT 4:35 PM (Merged)

Please login or register to post a reply.