Engine backfires while driving

Tiny
GARNETT CEASE
  • MEMBER
  • 1992 GMC SONOMA
  • 4.3L
  • 6 CYL
  • 2WD
  • 175,000 MILES
As we drive it, it backfires, but the deal is when you go to drive it jolts and you can have gas pedal pushed to the floor and it still won't go until it seems like the RPM'S I guess catch up to the motor, now we've replaced the distributor cap and rotor the fuel filter and the erg solenoid and the coil as well now at a loss what it could be? Help.
Sunday, October 17th, 2021 AT 1:44 PM

1 Reply

Tiny
KASEKENNY
  • MECHANIC
  • 18,907 POSTS
This sounds like it is out of time, so we need to start with checking the compression and then make sure the distributor is installed correctly.

https://www.2carpros.com/articles/how-to-test-engine-compression

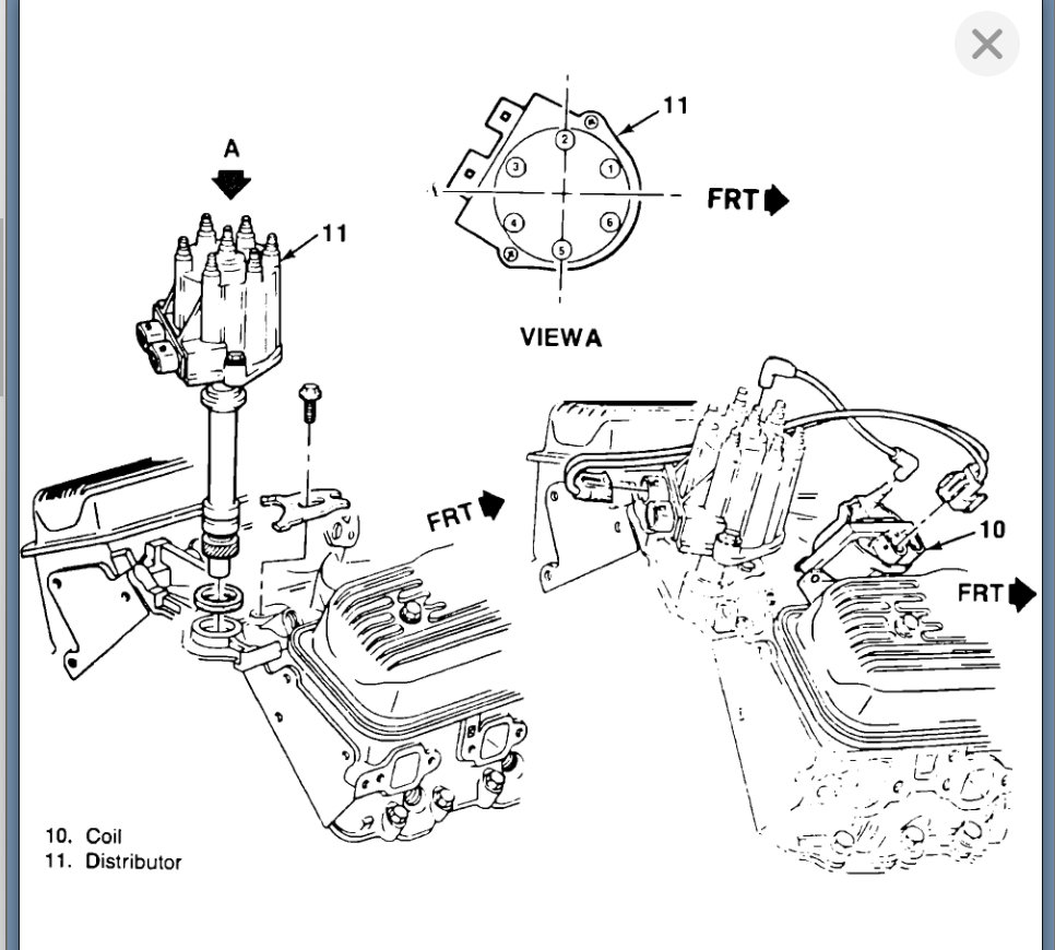
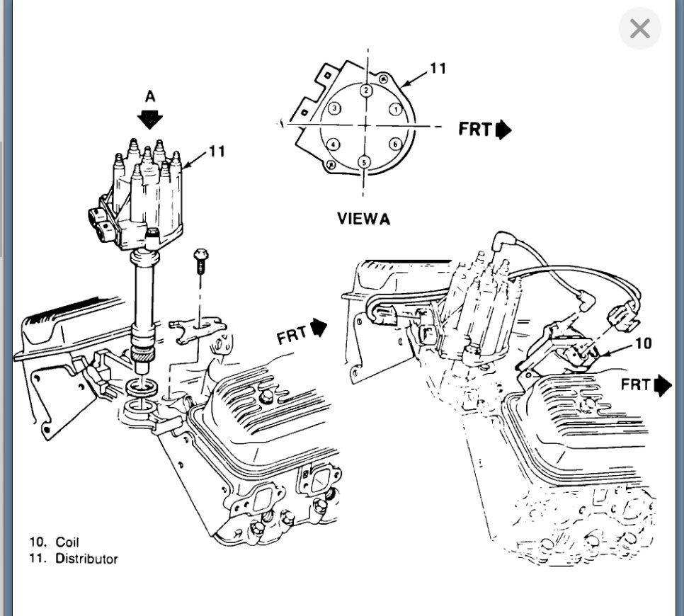
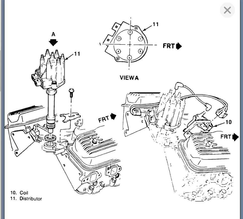
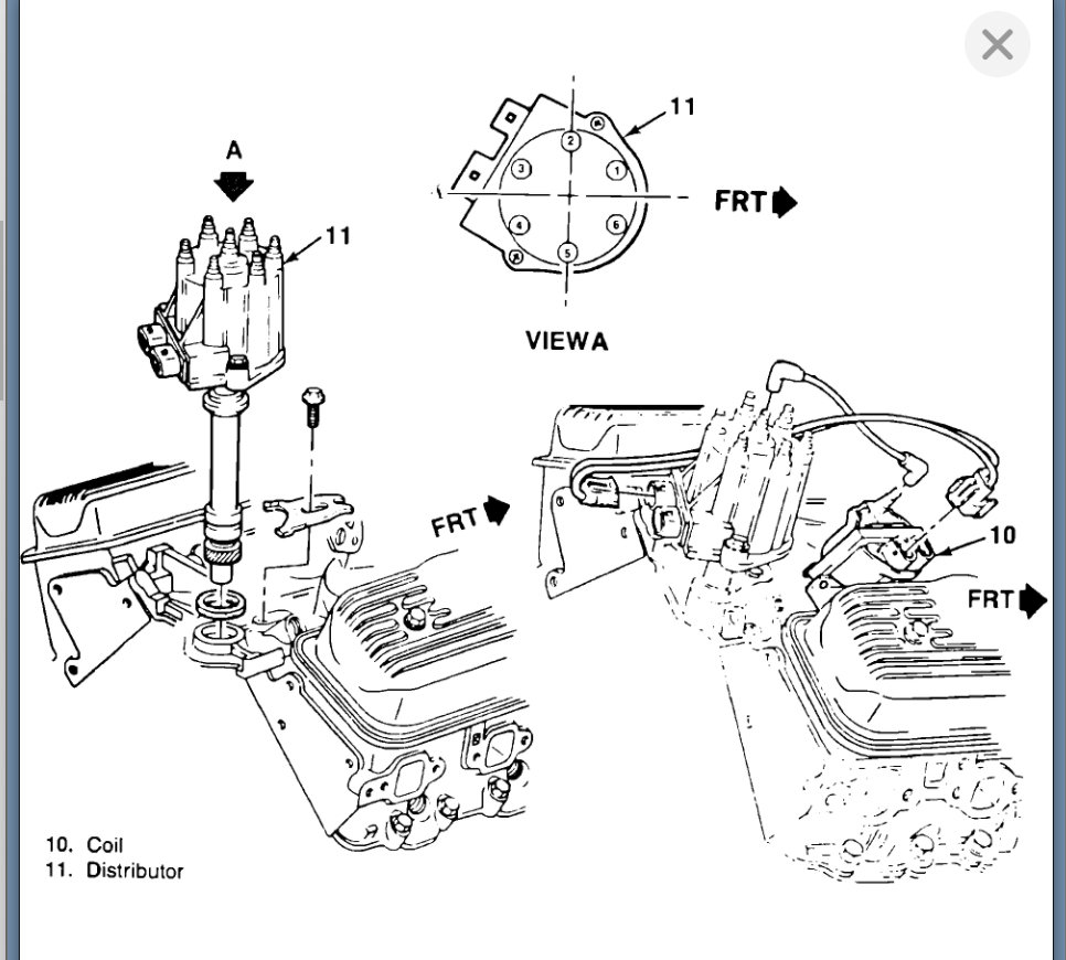
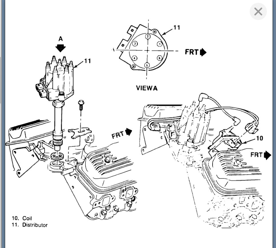
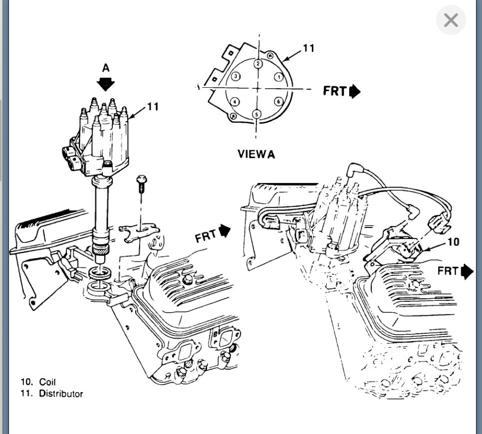
If the compression is off, then we need to check the base timing which is shown below in the attached documents. This is done by removing the timing cover, make sure the number one cylinder is on TDC and then make sure the marks on the crank and cam are at 6 and 12 o'clock.

Also, here is a guide that will help with this repair if the timing turns out to be correct.

https://www.2carpros.com/articles/engine-backfires-while-running

If the base timing is correct, then we need to check the spark advance. They have you set this at 0 but we need to find out what it is and then adjust it to the point the engine is happiest.

I am sure you will find something with the timing being off so if you have not done anything to the timing chain, then just check the advance with a timing light and see what it is.

Then make sure you do not have the plugs wires on the cap correct as they go counterclockwise.

Please run through all this info and let us know what you find. Thanks
Was this
answer
helpful?
Yes
No
Monday, October 18th, 2021 AT 2:38 PM

Please login or register to post a reply.