Heater troubles

Tiny
KRISTEN BRUTON
  • MEMBER
  • 2005 HONDA ACCORD
  • 3.0L
  • V6
  • 2WD
  • AUTOMATIC
  • 165,000 MILES
The driver side works perfectly fine with both A/C and heat but the passenger side is only blowing out hot air no matter whether I have the heat or A/C on.
Tuesday, March 24th, 2020 AT 12:30 PM

1 Reply

Tiny
JACOBANDNICKOLAS
  • MECHANIC
  • 110,192 POSTS
Hi,

I assume the vehicle does have duel climate control. If that is the case, there are two blend air door actuators. These actuators are responsible for determining the air temperature entering the vehicle.

In this case, I would remove the actuator and see if it operates properly. If I had to guess, I would say it needs replaced.

Here is a link that shows how in general one is replaced:

https://www.2carpros.com/articles/replace-blend-door-motor

_______________________________

Here are the directions specific to your vehicle. This is for the passenger side.

2005 Honda Accord V6-3.0L
Passenger's Air Mix Control Motor
Vehicle Heating and Air Conditioning Air Door Actuator / Motor Service and Repair Procedures Passenger's Air Mix Control Motor
PASSENGER'S AIR MIX CONTROL MOTOR
Passenger's Air Mix Control Motor Replacement

4-door

1. Remove the passenger's dashboard lower cover.

pic 1

2. Disconnect the 2P connector (A) from the evaporator temperature sensor. Disconnect the 7P connector (B) from the passenger's air mix control motor (C). Remove the self-tapping screws and the passenger's air mix control motor from the heater unit.
3. Install the motor in the reverse order of removal. Make sure the pin on the motor is properly engaged with the linkage. After installation, make sure the motor runs smoothly.

2-door

1. Remove the passenger's dashboard lower cover.

pic 2

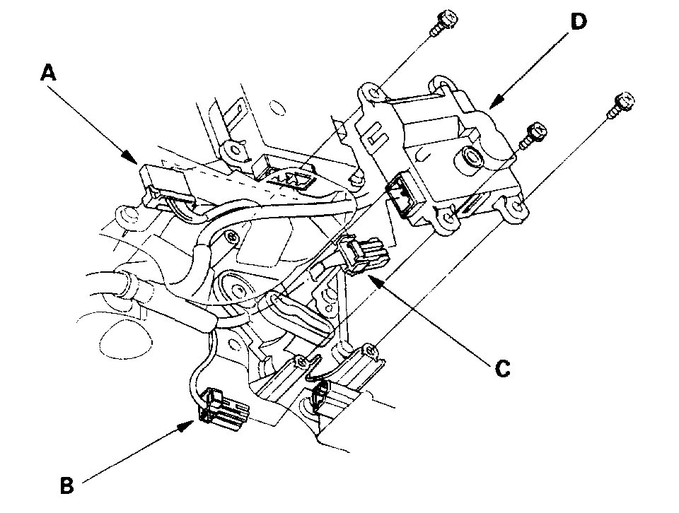
2. Disconnect the 10P connector (A) from the mode control motor. Disconnect the 2P connector (B) from the evaporator temperature sensor. Disconnect the 5P connector (C) from the passenger's air mix control motor (D). Remove the self-tapping screws and the passenger's air mix control motor from the heater unit.
3. Install the motor in the reverse order of removal. Make sure the pin on the motor is properly engaged with the linkage. After installation, make sure the motor runs smoothly.

_______________________________

Let me know if this helps. If you have other questions, let me know.

Joe
Was this
answer
helpful?
Yes
No
Tuesday, March 24th, 2020 AT 12:42 PM

Please login or register to post a reply.