Blower fan not working

Tiny
LISROB
  • MEMBER
  • 2012 GMC SIERRA
  • V6
  • 4WD
  • AUTOMATIC
  • 100,000 MILES
The fan for the heat works one day and not the next. I have replaced the resistor about a month ago.
Monday, January 13th, 2020 AT 3:47 PM

37 Replies

Tiny
ASEMASTER6371
  • MECHANIC
  • 52,796 POSTS
Good evening,

You will need to do some voltage tests to determine the issue.

https://www.2carpros.com/articles/how-to-check-wiring

You need to check for voltage to the resistor with the key on. It could be either the resistor or the blower motor.

Roy

Was this
answer
helpful?
Yes
No
-3
Monday, January 13th, 2020 AT 4:45 PM
Tiny
JJ JOHANNSEN
  • MEMBER
  • 1 POST
  • 2008 GMC SIERRA
  • 5.3L
  • V8
  • 4WD
  • AUTOMATIC
  • 105,000 MILES
My blower motor works when I first start my truck but then after it warms up it will shut off and not blow any air out. The air is hot but the blower will not work.
Was this
answer
helpful?
Yes
No
+7
Saturday, December 26th, 2020 AT 10:10 AM (Merged)
Tiny
ASEMASTER6371
  • MECHANIC
  • 52,796 POSTS
Good morning

I attached a wiring diagram for you to view.

https://www.2carpros.com/articles/how-to-check-wiring

When the blower stops working, you need to do some voltage testing at the motor and the resistor to see which unit is causing the failure.

https://www.2carpros.com/articles/how-to-check-an-electrical-relay-and-wiring-control-circuit

Roy
Was this
answer
helpful?
Yes
No
+2
Saturday, December 26th, 2020 AT 10:10 AM (Merged)
Tiny
SONYA BROOKS HOUCK
  • MEMBER
  • 1 POST
  • 2007 GMC SIERRA
  • 5.2L
  • V8
  • 4WD
  • AUTOMATIC
  • 201,000 MILES
Turned on A/C today and fan was not working, at any setting. Nothing coming out of the vents. Tried everything. Replaced under hood relay. Did not fix problem. Switch in truck is working. Just nothing blowing out of vents. Not sure what to do next
Was this
answer
helpful?
Yes
No
+5
Saturday, December 26th, 2020 AT 10:10 AM (Merged)
Tiny
KEN L
  • MASTER CERTIFIED MECHANIC
  • 55,411 POSTS
Hello,
It sounds like you have a blower motor that has gone out but to be sure lets run a simple test using a test light to test for power at the blower motor. This guide will show you how.

https://www.2carpros.com/articles/blower-fan-motor-works-on-high-speed-only

and

https://www.2carpros.com/articles/how-to-use-a-test-light-circuit-tester

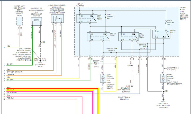
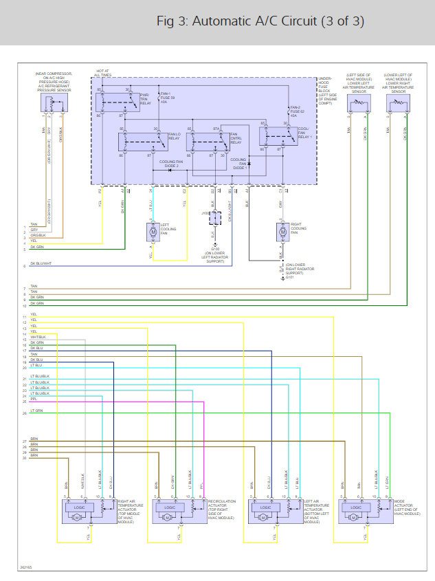
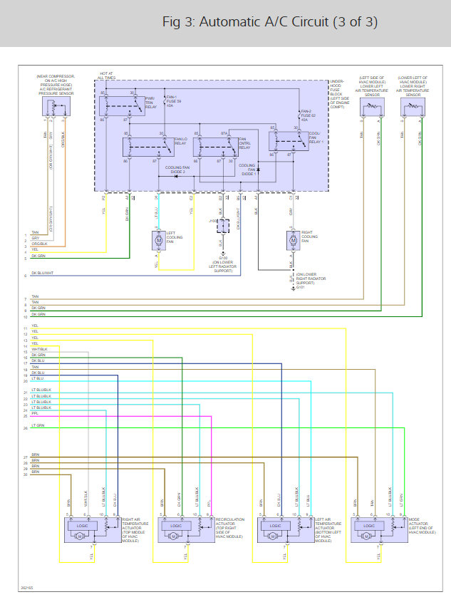
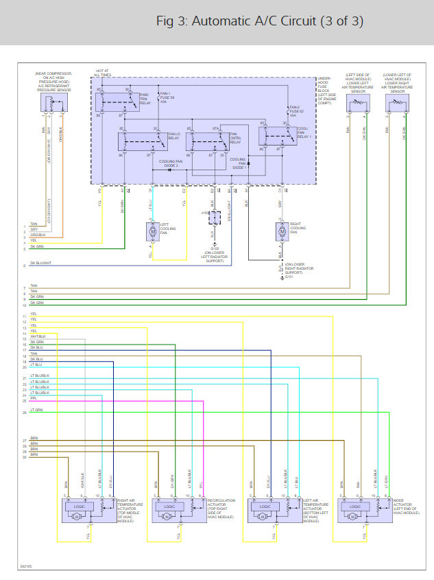
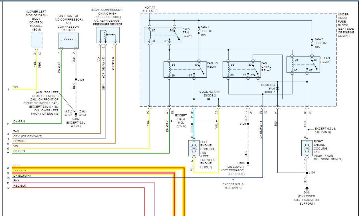
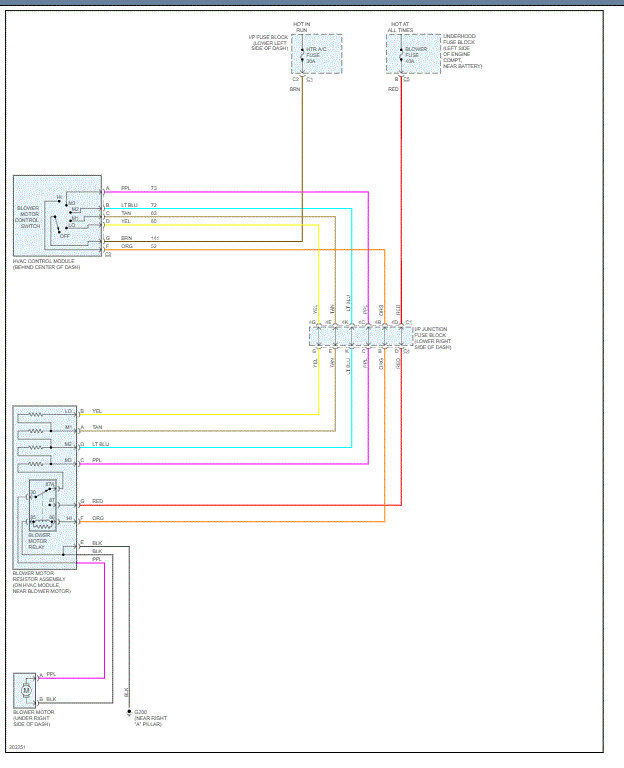
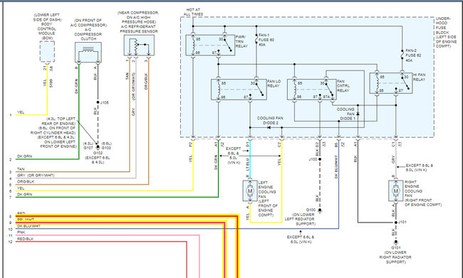
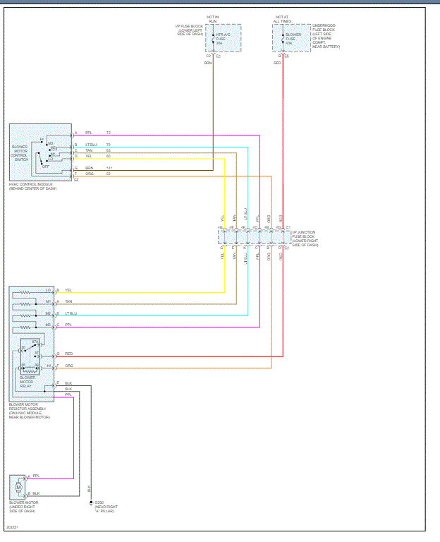
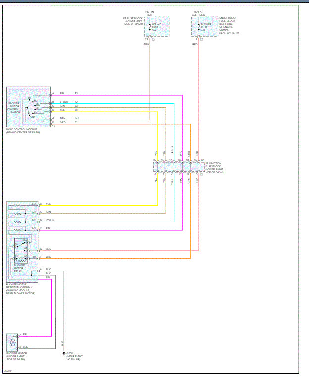
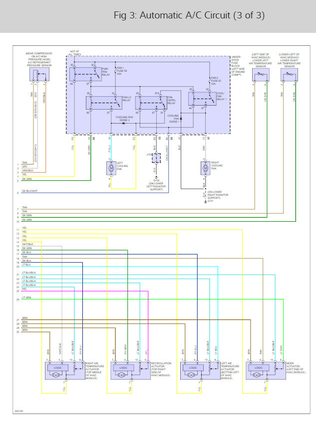
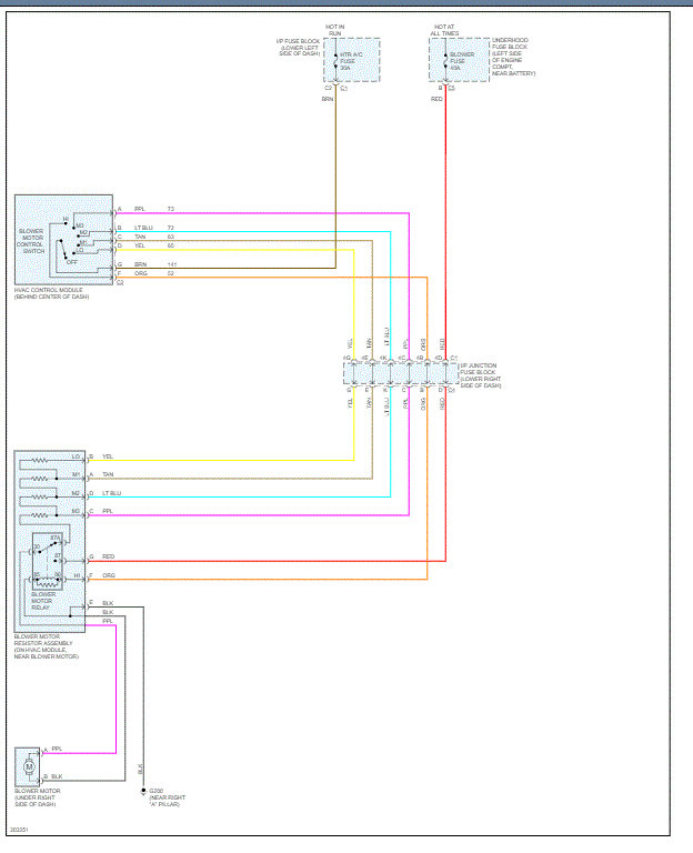
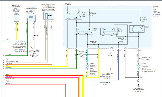
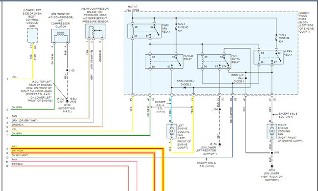
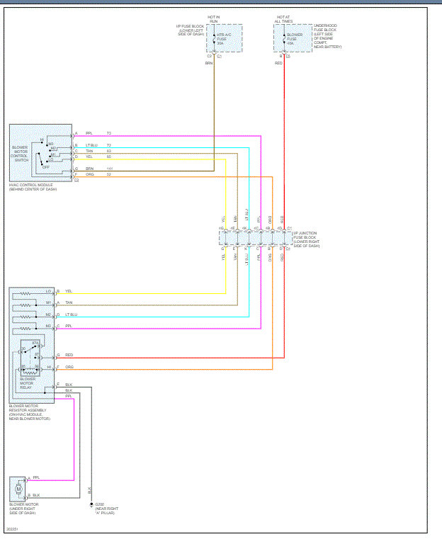
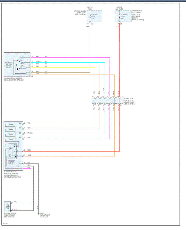
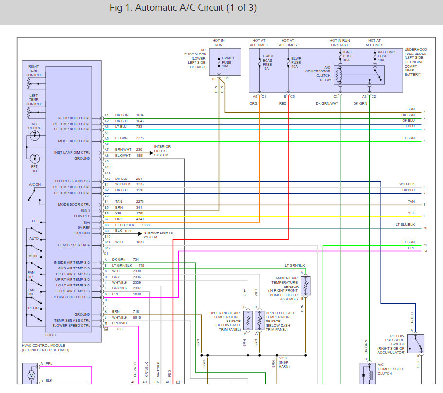
Here is the blower location and the wiring diagrams so you can see how the system works.

Check out the diagrams (below).

Please let us know what you find. We are interested to see what it is.

Cheers, Ken
Was this
answer
helpful?
Yes
No
-1
Saturday, December 26th, 2020 AT 10:10 AM (Merged)
Tiny
ENJOY425
  • MEMBER
  • 3 POSTS
  • 2006 GMC SIERRA
  • V8
  • 4WD
  • AUTOMATIC
  • 67,000 MILES
I turn the fan switch from low to high and nothing is happening, nothing blowing out the vents, I have no heat ac or defrost. Usually you can hear the fan motor going when on but there is no noise, nothing. I have checked all fuses and they are okay. Just wondering if it could be the resister or the blower motor. I have not checked to see if there is power to the resister or motor. The fan just stopped working no warning or any type of noise just quit, maybe the switch. I am hoping someone could guide me in the right direction before I start taking things apart. Your help would be appreciated.
Thank you,
Gary
Was this
answer
helpful?
Yes
No
Saturday, December 26th, 2020 AT 10:10 AM (Merged)
Tiny
RASMATAZ
  • MECHANIC
  • 75,992 POSTS
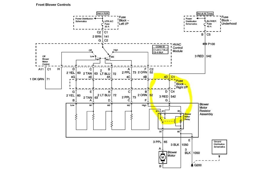
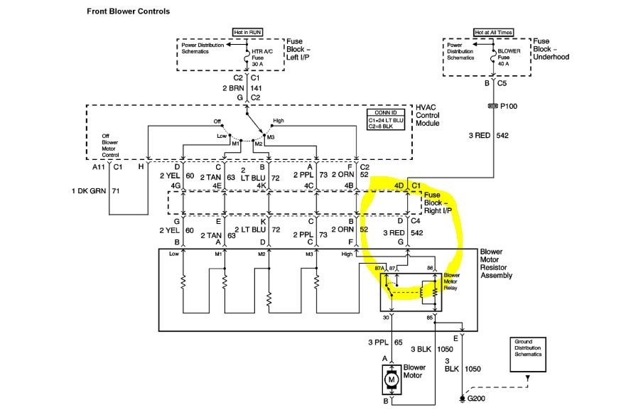
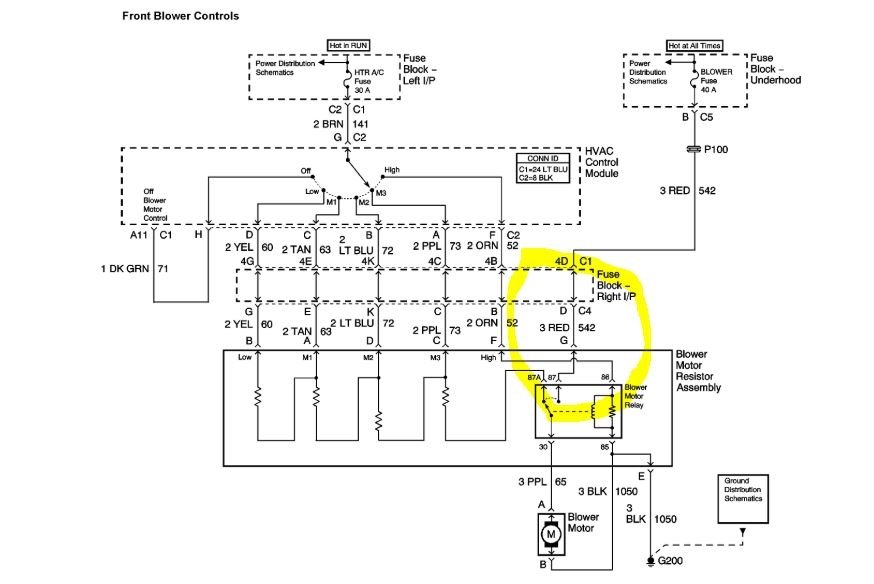
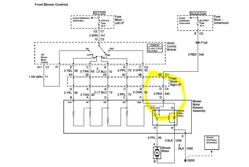
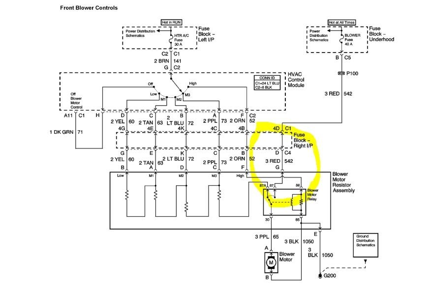
It sounds like you have a blower motor power resistor has gone out, but to be sure here is a guide to show you how to test it and a diagram below to help you see what it will be like for your truck:

https://www.2carpros.com/articles/blower-fan-motor-works-on-high-speed-only

I added the wiring diagrams so you can see how the system works.

Check out the diagrams (below). Please let us know what you find.

Cheers
Was this
answer
helpful?
Yes
No
+5
Saturday, December 26th, 2020 AT 10:10 AM (Merged)
Tiny
ENJOY425
  • MEMBER
  • 3 POSTS
I check the blower motor to the battery it works fine. So I checked out the guide and figured out the power resistor has bad. I got a new one for $78.00. All fixed!
Thanks, Gary
Was this
answer
helpful?
Yes
No
+4
Saturday, December 26th, 2020 AT 10:10 AM (Merged)
Tiny
RASMATAZ
  • MECHANIC
  • 75,992 POSTS
Nice work, we are here to help, please use 2CarPros anytime.

Cheers
Was this
answer
helpful?
Yes
No
+1
Saturday, December 26th, 2020 AT 10:10 AM (Merged)
Tiny
GMC11
  • MEMBER
  • 4 POSTS
  • 2006 GMC SIERRA
  • 6.6L
  • V8
  • TURBO
  • 4WD
  • AUTOMATIC
  • 320,000 MILES
So I proceeded to replace the module after reading one of your posts. A little wiggle and it came back on and worked as it should for another two months. Then quit again so I purchased the module and the wiring kit since one of the prongs on the seven pin connector was melting/burnt. (The black wire) Double and triple checked everything. As soon as I plugged it in it got extremely hot and started smoking.
Help?
Not sure what to do next?
Was this
answer
helpful?
Yes
No
Saturday, December 26th, 2020 AT 10:10 AM (Merged)
Tiny
JACOBANDNICKOLAS
  • MECHANIC
  • 110,194 POSTS
Hi,

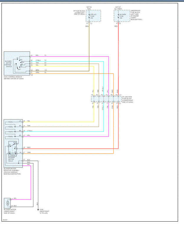
It sounds like you have a direct short. You indicated the purchase of a new wiring harness. Is it an OEM part or aftermarket? Did everything match up with what you had? Is it possible for you to take pics so I can see what is happening and indicates which wires started smoking? Or if it was the module smoking, let me know.

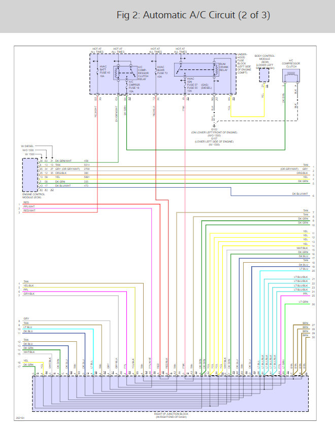
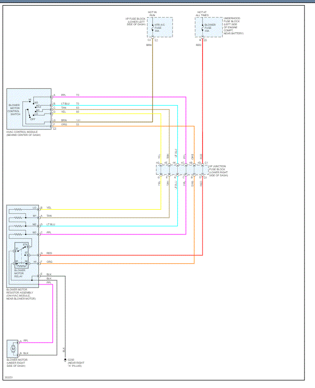
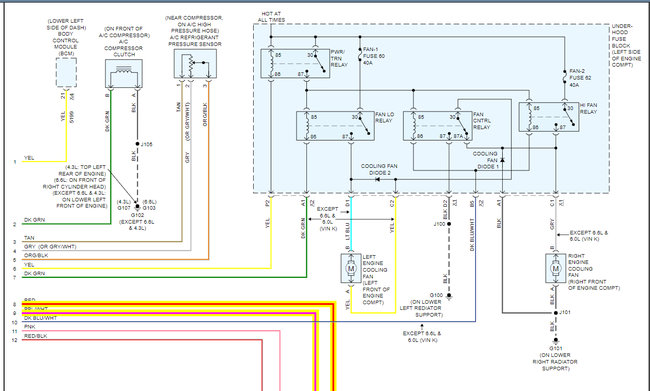
I attached a pic below of the wiring schematic of the HVAC blower motor system. When you say module, are you referring to what in the picture is also called the blower motor control switch?

Let me know.
Joe
Was this
answer
helpful?
Yes
No
+1
Saturday, December 26th, 2020 AT 10:10 AM (Merged)
Tiny
GMC11
  • MEMBER
  • 4 POSTS
Oh my gosh! I feel really dumb. After walking away for a minute and coming back I noticed I crossed two wires. Probably after repositioning (basically upside down for tool placement).
I’m sorry if I wasted anyone’s time.
Although the new module does get fairly warm to the touch still. Is that normal?
All parts were from Napa.
Was this
answer
helpful?
Yes
No
Saturday, December 26th, 2020 AT 10:10 AM (Merged)
Tiny
GMC11
  • MEMBER
  • 4 POSTS
I also attempted to send pics. Not sure what happened there.
Thank you so much for the swift reply!
Was this
answer
helpful?
Yes
No
Saturday, December 26th, 2020 AT 10:10 AM (Merged)
Tiny
GMC11
  • MEMBER
  • 4 POSTS
Warning to others, the Napa repair harness has all black and white wires. Other than that it’s identical looking.
Was this
answer
helpful?
Yes
No
Saturday, December 26th, 2020 AT 10:10 AM (Merged)
Tiny
JACOBANDNICKOLAS
  • MECHANIC
  • 110,194 POSTS
Hi,

It isn't out of the ordinary for it to get warm, but not hot. Is it working properly now? Also, you didn't waste anyone's time. We're here to help if we can.

Let me know.

Joe
Was this
answer
helpful?
Yes
No
Saturday, December 26th, 2020 AT 10:10 AM (Merged)
Tiny
SIERRA336
  • MEMBER
  • 1 POST
  • 2005 GMC SIERRA
  • 5.3L
  • V8
  • 4WD
  • AUTOMATIC
  • 163,000 MILES
The heater blows hot air, but the fan blows like it is on low even when it is on max.
Was this
answer
helpful?
Yes
No
+1
Saturday, December 26th, 2020 AT 10:11 AM (Merged)
Tiny
HMAC300
  • MECHANIC
  • 48,601 POSTS
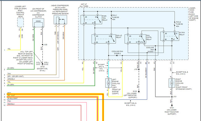
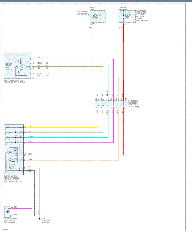
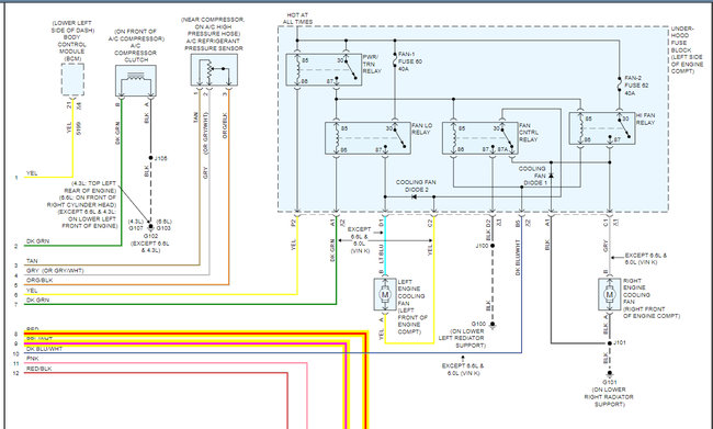
Check the blower control processor by blower motor, it may be bad. Scan for codes to see if that is the problem and not control module. See picture.
Was this
answer
helpful?
Yes
No
+2
Saturday, December 26th, 2020 AT 10:11 AM (Merged)
Tiny
STAN JONES
  • MEMBER
  • 1 POST
  • 2003 GMC SIERRA
  • 4.8L
  • 2WD
  • AUTOMATIC
  • 100,000 MILES
Blower quit working, it was only working on high speed. Replaced blower motor resistor but still nothing. When I change the fan speed I can hear a click down by the blower motor.
Was this
answer
helpful?
Yes
No
Saturday, December 26th, 2020 AT 10:11 AM (Merged)
Tiny
ASEMASTER6371
  • MECHANIC
  • 52,796 POSTS
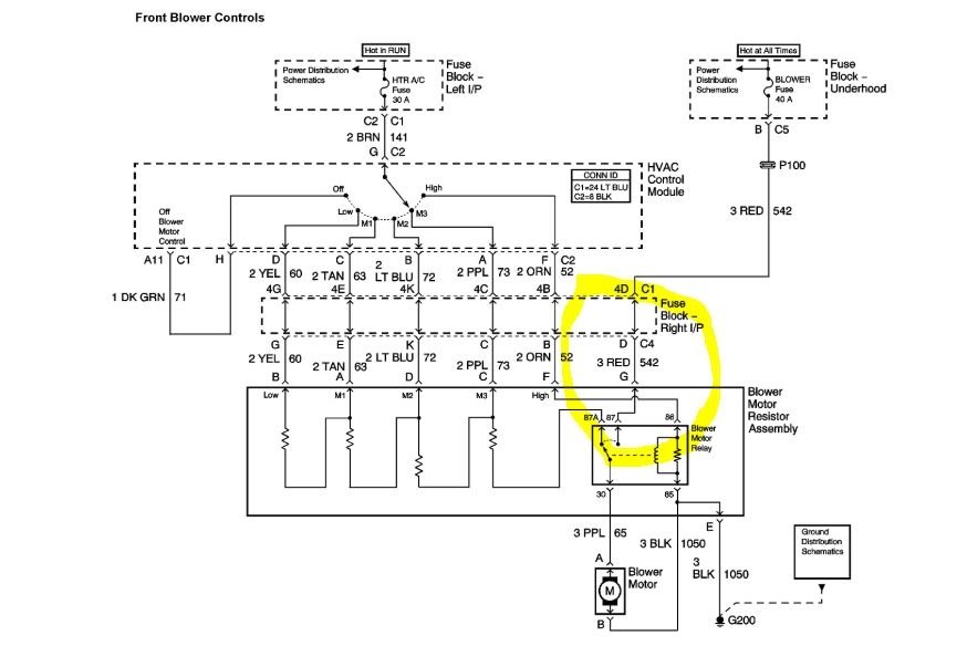
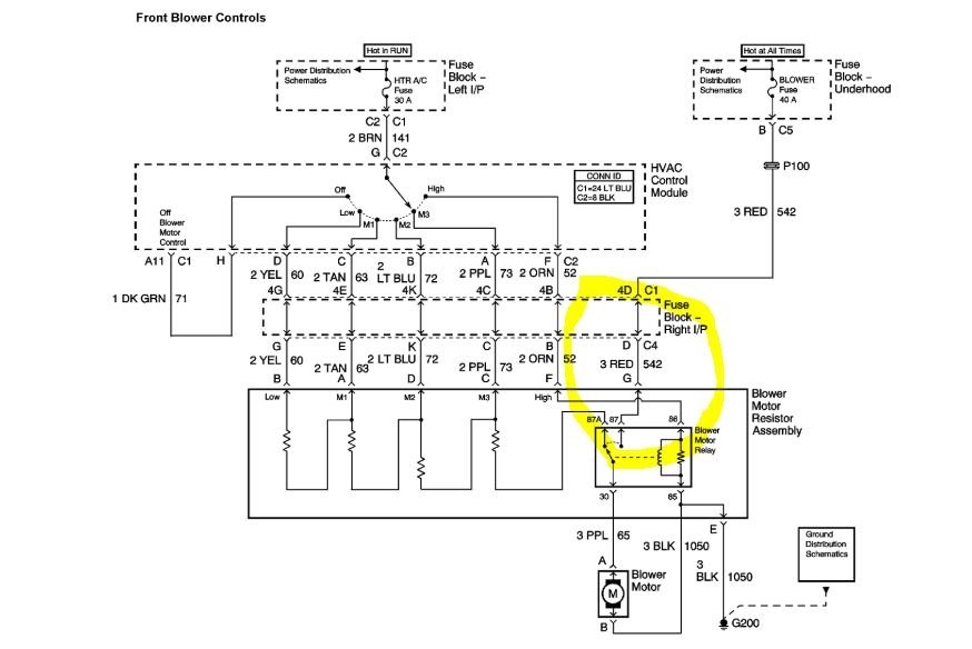
Good evening,

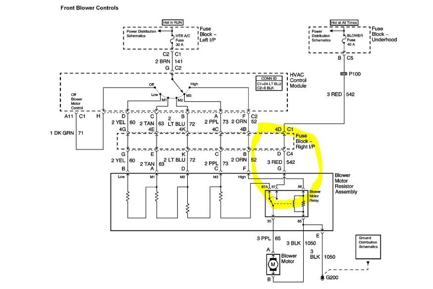
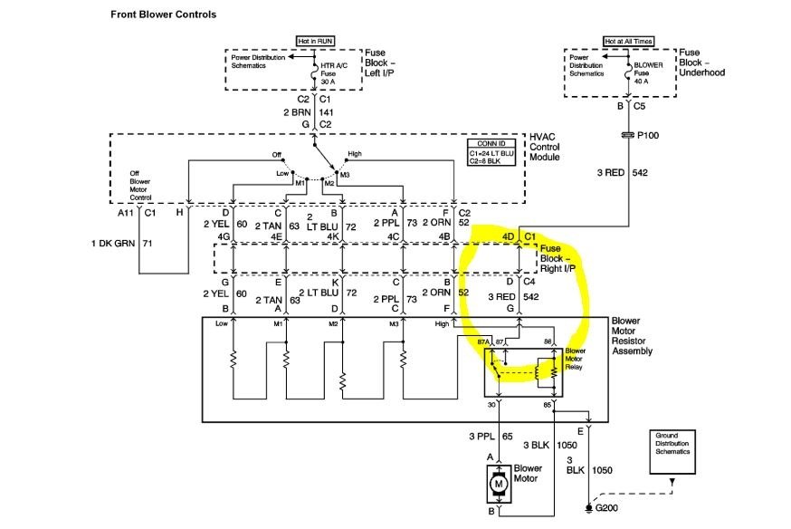
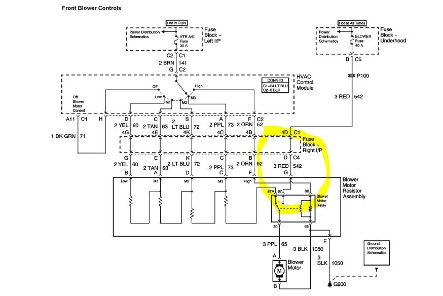
I attached a wiring diagram for you to view. Check the wire I circled and see if it has power with the key on.

Roy
Was this
answer
helpful?
Yes
No
Saturday, December 26th, 2020 AT 10:11 AM (Merged)
Tiny
MIDKNIGHT
  • MEMBER
  • 2 POSTS
  • 2003 GMC SIERRA
  • 170,000 MILES
I have a 2003 gmc serra z71. The heater blower motor stopped working. I have replaced the resistor, (at $55.00)and didn't solve my problem.
Was this
answer
helpful?
Yes
No
-3
Saturday, December 26th, 2020 AT 10:11 AM (Merged)

Please login or register to post a reply.