I hope you have some time.
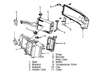
Basically, you have to remove the entire dashboard. I'm telling your everything, all main bolts holding it on. Then under the hood, in the upper passenger side, there is a spot with 4 or 5 bolts. They are difficult to get out but it can be done. Then, you have to loosen the clamps on the metal hoses, meanwhile someone on the inside will have to hold in up and pull the dash back so they can get it out and not spill coolant all over. Installation is the reverse. It's not too fun.
If you have any other questions, let me know.
Joe
Was this helpful?
Yes
No
Saturday, October 3rd, 2020 AT 11:59 AM
(Merged)





