Heater core replacement

1996 CHEVROLET S-10
2,244,787 MILES • 4.3L • 6 CYL
Avatar
CECIL FERGUSON
  • MEMBER
  • 1 POST
The heater core is leaking water in the floorboard. How do I go about replacing the heater core? What does it consist of? Step by step please.
Sep 29, 2017 at 4:20 AM
Repair Safety Notice: This information is for general instructional purposes only. Vehicle repair can be dangerous. Verify all information, follow manufacturer service procedures, use proper tools and safety equipment, and consult a qualified repair shop when needed.
Advertisement
Avatar
STRAILER
  • CAR REPAIR CONTRIBUTOR
  • 54,193 POSTS
Yep, this job is a fun Saturday full day job. Take you time and you will get it done.

Here is a super generic guide to get you started:

https://www.2carpros.com/articles/replace-heater-core

Here are some diagrams of what it will be like on your car. The evaporator housing can stay it just shows some of the bolts that need to be removed.

Please let us know what happens and upload pictures or videos of the problem.

Cheers, Ken
Sep 29, 2017 at 11:47 AM
Advertisement
Avatar
STEVE W.
  • CAR REPAIR CONTRIBUTOR
  • 15,148 POSTS
At least it is a 1996. On those the core can be removed without tearing everything apart. You drop the column, pull the dash and remove the back of the case.

This should give you an idea of the job.
https://www.youtube.com/watch?v=TiwfuA5O-ok
Sep 29, 2017 at 5:54 PM
Avatar
LBAKER
  • MEMBER
  • 1 POST
any easy way to attack a heater core mine is bad and stuff is everywhere in the road
Oct 3, 2020 at 11:57 AM (Merged)
Avatar
BLUELIGHTNIN6
  • CAR REPAIR CONTRIBUTOR
  • 16,542 POSTS


https://images.2carpros.com/forum/automotive_pictures/261618_Noname_1307.jpg

Oct 3, 2020 at 11:57 AM (Merged)
Avatar
JDFONTENOT131
  • MEMBER
  • 1 POST
What do I need to do to change the heater core in my truck?
Oct 3, 2020 at 11:57 AM (Merged)
Avatar
BLUELIGHTNIN6
  • CAR REPAIR CONTRIBUTOR
  • 16,542 POSTS


https://images.2carpros.com/forum/automotive_pictures/261618_Noname_2885.jpg


https://images.2carpros.com/forum/automotive_pictures/261618_Graphic_760.jpg


https://images.2carpros.com/forum/automotive_pictures/261618_Noname2_948.jpg


https://images.2carpros.com/forum/automotive_pictures/261618_Graphic2_108.jpg

Oct 3, 2020 at 11:57 AM (Merged)
Avatar
SAM WILSON
  • MEMBER
  • 1 POST
how long does it take to change out a heater core box and is this something consumers can be taken advantage of easily. what would be a reasonable cost for having one changed out.
Oct 3, 2020 at 11:58 AM (Merged)
Avatar
BLUELIGHTNIN6
  • CAR REPAIR CONTRIBUTOR
  • 16,542 POSTS


https://images.2carpros.com/forum/automotive_pictures/261618_Noname_1304.jpg

Oct 3, 2020 at 11:58 AM (Merged)
Avatar
COOLBILL17
  • MEMBER
  • 1 POST
where is the heater core
Oct 3, 2020 at 11:58 AM (Merged)
Avatar
JACOBANDNICKOLAS
  • CAR REPAIR CONTRIBUTOR
  • 110,190 POSTS
It's under the dash. Here is a picture:


https://images.2carpros.com/forum/automotive_pictures/249084_core_1.jpg

Let me know if this helps.
Oct 3, 2020 at 11:58 AM (Merged)
Avatar
RLHARVEY
  • MEMBER
  • 1 POST
Heater problem
1995 Chevy S-10 4 cyl Two Wheel Drive Manual

what is the labor time to change a heater core in this pickup? I have changed heater cores in a full size pick up but not in the s-10.
Oct 3, 2020 at 11:58 AM (Merged)
Avatar
OBXAUTOMEDIC
  • CAR REPAIR CONTRIBUTOR
  • 3,711 POSTS
[quote:83b1bd44d5="rlharvey"]Heater problem
1995 Chevy S-10 4 cyl Two Wheel Drive Manual

what is the labor time to change a heater core in this pickup? I have changed heater cores in a full size pick up but not in the s-10.[/quote:83b1bd44d5]


Hello,

Labor time is about 5.5


.
Oct 3, 2020 at 11:58 AM (Merged)
Avatar
JPEELS1215
  • MEMBER
  • 2 POSTS
Do you have to remove the whole dash to change the heater core???
Oct 3, 2020 at 11:58 AM (Merged)
Avatar
BLUELIGHTNIN6
  • CAR REPAIR CONTRIBUTOR
  • 16,542 POSTS
Replacement procedures of your heater core are below. Read over instructions and be certain you can perform this repair before starting. Otherwise damage to vehicle or harm to self can occur. REMOVAL: Disconnect the negative battery cable and properly drain the engine cooling system to a level below the heater core. Disconnect the heater hoses from the core tubes near the cowl. NOTE: The instrument panel carrier is designed not only to provide access to parts through removal of the carrier components, but the carrier will also tilt downward as a complete assembly to allow access from the top. If this is desired, remove the retainer screws along the top and bottom of the carrier assembly. The instrument panel will then tilt as an assembly into the cab. It is necessary to unbolt and lower the steering column from the carrier to allow for maximum movement of the instrument panel. The instrument panel must be removed or repositioned for access to the heater core case. Unbolt and either tilt the instrument panel forward or disengage the instrument panel components and remove the panel from the vehicle. In most cases, tilting the panel forward should be sufficient for the necessary access, but if necessary remove the panel refer to in this guide. Unfasten the heater core rear case retaining screws, then remove the rear case for access to the heater core. Loosen the retainers and remove the heater core retaining straps. Remove the heater core and seals. ((Fig. 1: Exploded view of a common heater core and case assembly))


https://images.2carpros.com/forum/automotive_pictures/261618_0900c152800bfede_1.jpg

INSTALLATION: Install the heater core and seals, taking care not to damage the core tubes when inserting them through the cowl. Install and secure the core retaining straps. Install the rear case and secure using the screws. Reposition and secure the instrument panel and components. Tighten the cowl screws to 17 inch lbs. (1.9 Nm) and the lower instrument panel screws to 66 inch lbs. (7.5 Nm). Connect the heater hoses to the core tubes. Connect the negative battery cable, then properly refill the engine cooling system. Run the engine at normal operating temperature, then check for leaks. Thanks for using 2CarPros.com !
Oct 3, 2020 at 11:58 AM (Merged)
Avatar
KKCF6671
  • MEMBER
  • 1 POST
How do i get to the heater core to remove it and install a new one?
Oct 3, 2020 at 11:59 AM (Merged)
Avatar
RASMATAZ
  • CAR REPAIR CONTRIBUTOR
  • 75,992 POSTS
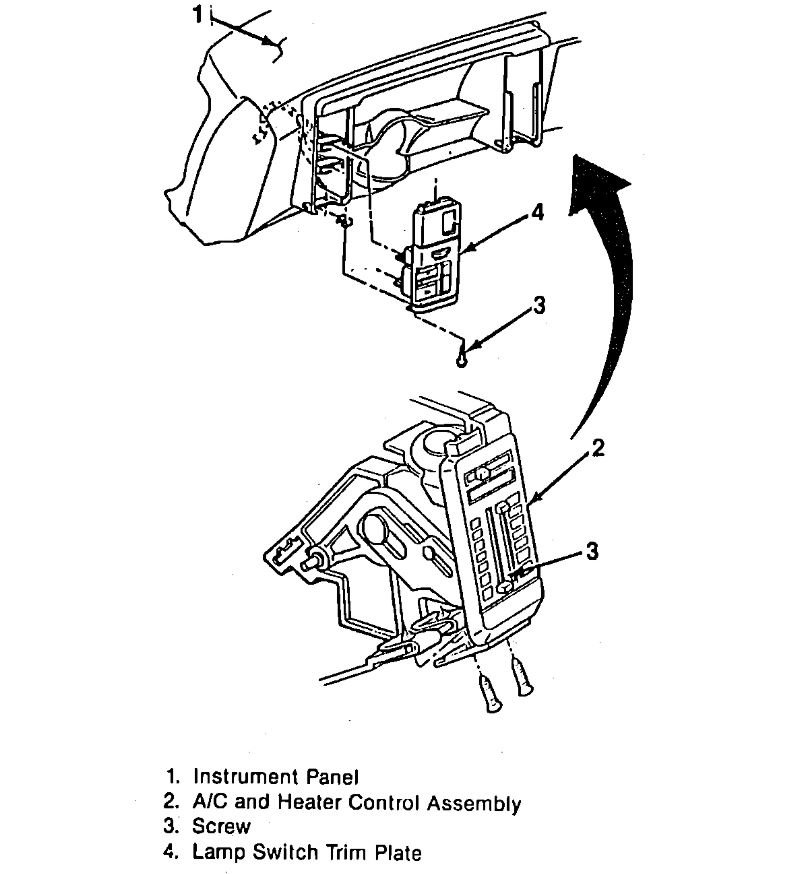
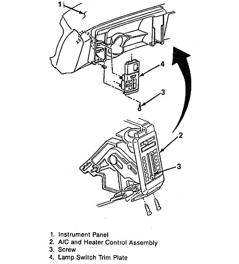
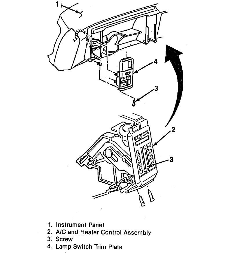
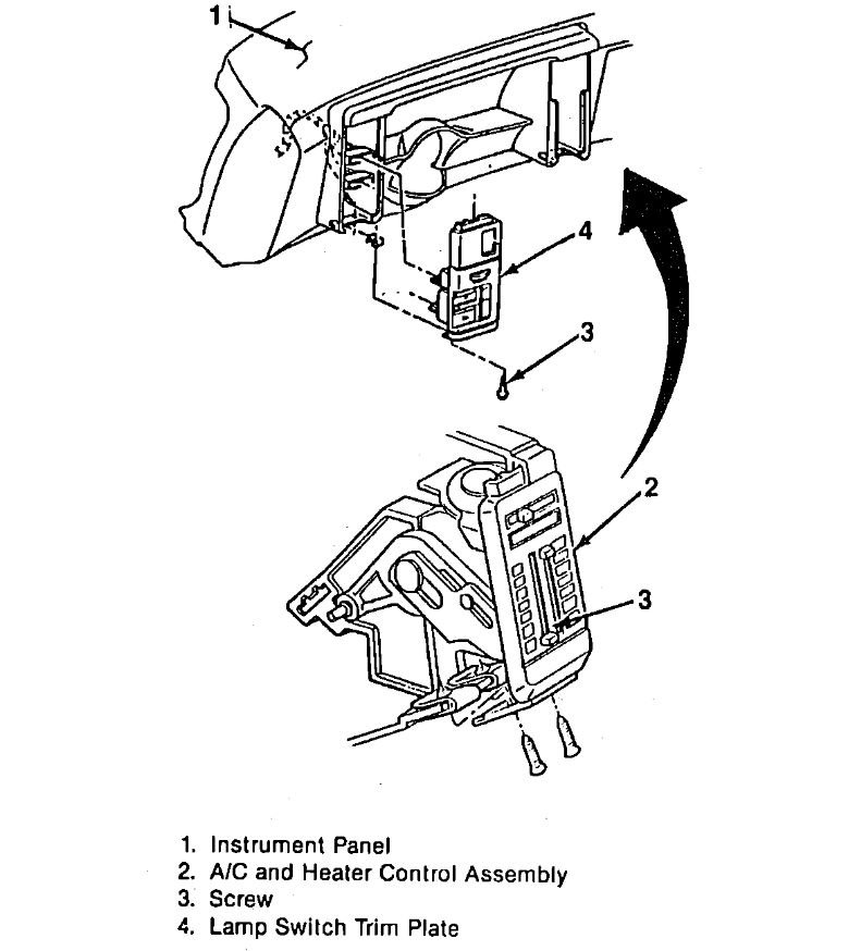
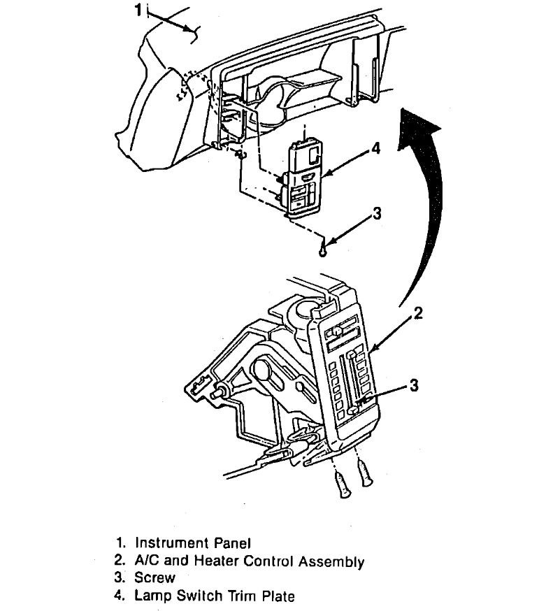
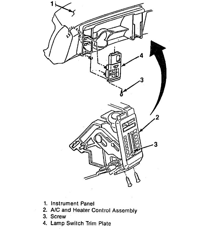
First you have to remove the entire dash assembly

1. Disconnect battery ground cable.
2. Remove lamp switch trim plate attaching screws, then pull lamp switch rearward and disconnect wiring harness, Fig. 23.
3. Remove A/C and heater control assembly attaching screws, then pull control assembly rearward and disconnect electrical connector.
4. Remove filler panel attaching screws and filler panel, Fig. 24.
5. Remove instrument cluster housing attaching nuts and cluster housing.
6. Remove instrument cluster attaching nuts, then pull cluster rearward and disconnect electrical connector and speedometer cable.
7. Disconnect transmission control cable from steering column, then remove steering column attaching bolts and lower steering column.
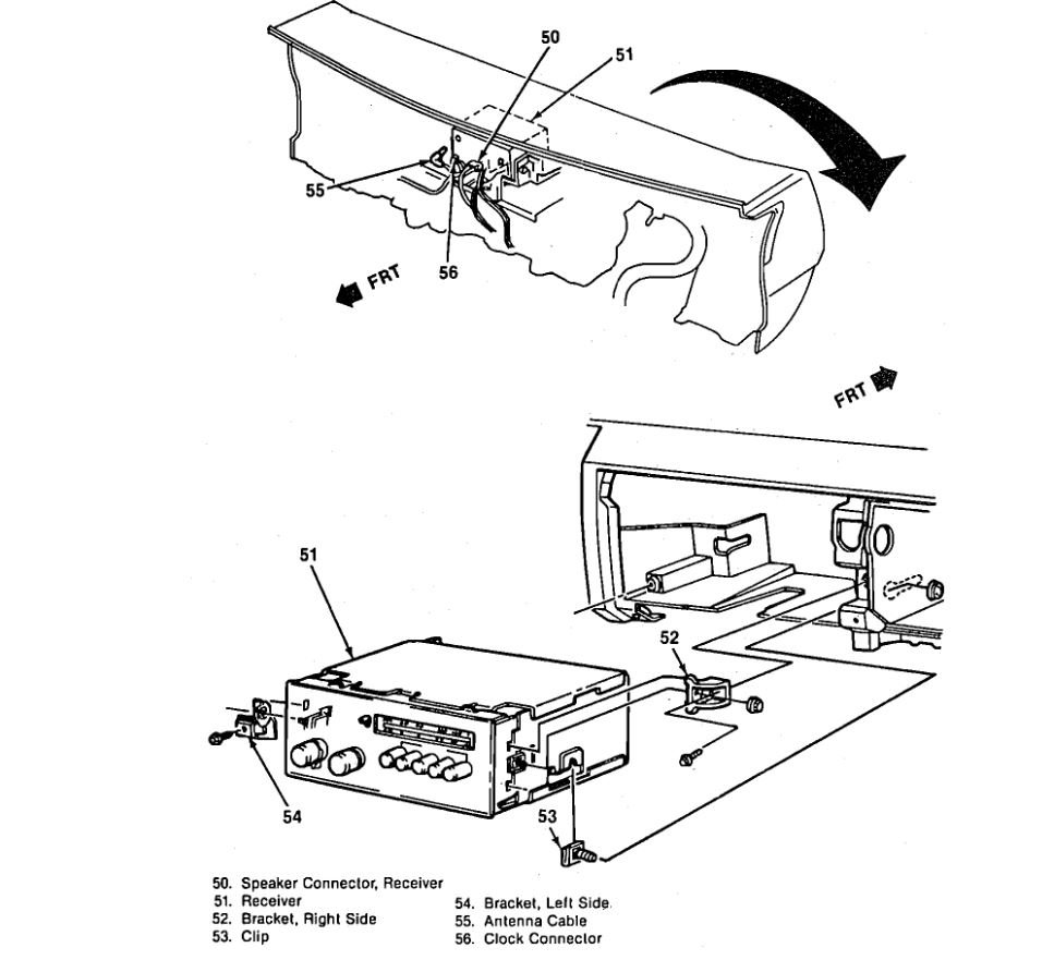
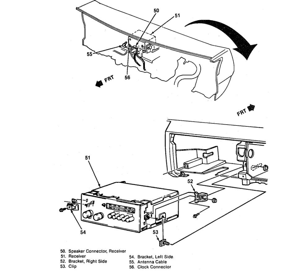
8. Remove ashtray and any wires needed for clearance to remove radio trim plate.
9. Remove radio trim plate, then the nuts from the support clips, Fig. 25.
10. Remove support bracket retaining screws, then pull radio rearward and disconnect electrical connectors, antenna cable and speaker connectors.
11. Remove speaker grille attaching screws, then the speakers, Fig. 26.
12. Remove instrument panel attaching bolts and nuts, then pull panel rearward, disconnect all electrical connectors and remove panel.
13. Reverse procedure to install.

Heater Core Replacement

Remove Or Disconnect
1.Engine coolant.
2.Heater hoses.
*Refer to "Heater Hose". See: Heater Hose Replacement
3.Instrument panel.
*Refer to "Dash Board" under Body and Frame / Interior Trim. See: Body and FrameInterior Molding / TrimDashboard / Instrument Panel
4.Rear case screws. (88)
5.Rear case. (96)
6.Screws. (94)
7.Straps. (93)
8.Heater core. (92)
9.Seals. (89 & 90)

Install Or Connect
1.Seals. (89 & 90)
2.Heater core. (92)
3.Straps. (93)
4.Screws. (94)
5.Rear case. (96)
6.Rear case screws. (88)
7.Instrument panel.
8.Heater hoses.
9.Engine coolant.
*Check the system for leaks.

Here's a guide on heater core replacement, not vehicle specific but will give you an idea of whats involved

https://www.2carpros.com/articles/replace-heater-core


All the images area attached below that go with the instructions for your truck
Oct 3, 2020 at 11:59 AM (Merged)
Avatar
WALLYANDSTEVEN
  • MEMBER
  • 2 POSTS
How do you replace the heater core in the S-10 pickup 4.3 w/A/C?
Oct 3, 2020 at 11:59 AM (Merged)
Avatar
ASEMASTER6371
  • CAR REPAIR CONTRIBUTOR
  • 52,796 POSTS
HEATER CORE REPLACEMENT

Remove Or Disconnect

Engine coolant.
Heater hoses.

Refer to "Heater Hose". See: Heater Hose Replacement

Instrument panel.

Refer to "Dash Board" under Body and Frame / Interior Trim. See: Body and Frame\Interior Moulding / Trim\Dashboard / Instrument Panel

Rear case screws. (88)
Rear case. (96)
Screws. (94)
Straps. (93)
Heater core. (92)
Seals. (89 & 90)

Install Or Connect

Seals. (89 & 90)
Heater core. (92)
Straps. (93)
Screws. (94)
Rear case. (96)
Rear case screws. (88)
Instrument panel.
Heater hoses.
Engine coolant.

Check the system for leaks.


Oct 3, 2020 at 11:59 AM (Merged)
Avatar
WALLYANDSTEVEN
  • MEMBER
  • 2 POSTS
Can you be more specific?? Is it inside the s-10 under the dash or is it outside under the hood, or both?? Remember it is a 4.3 with A/C.
Oct 3, 2020 at 11:59 AM (Merged)
Avatar
MENTALCASE63
  • MEMBER
  • 1 POST
Heater problem
1993 Chevy S-10 6 cyl Two Wheel Drive Automatic

what do i have to take off to install a heater core???
dash board etc??????
Oct 3, 2020 at 11:59 AM (Merged)
Avatar
JACOBANDNICKOLAS
  • CAR REPAIR CONTRIBUTOR
  • 110,190 POSTS
Hi:
I hope you have some time.

Basically, you have to remove the entire dashboard. I'm telling your everything, all main bolts holding it on. Then under the hood, in the upper passenger side, there is a spot with 4 or 5 bolts. They are difficult to get out but it can be done. Then, you have to loosen the clamps on the metal hoses, meanwhile someone on the inside will have to hold in up and pull the dash back so they can get it out and not spill coolant all over. Installation is the reverse. It's not too fun.

If you have any other questions, let me know.
Joe
Oct 3, 2020 at 11:59 AM (Merged)
Avatar
4INDROPBLAZER
  • MEMBER
  • 2 POSTS
Do i have to go through the back of the dash board to replace my heater core? i was wondering if there was an easier way to get to it.
Oct 3, 2020 at 11:59 AM (Merged)
Avatar
JACOBANDNICKOLAS
  • CAR REPAIR CONTRIBUTOR
  • 110,190 POSTS
That's it. There is no easy way. They are difficult.
Oct 3, 2020 at 11:59 AM (Merged)
Avatar
4INDROPBLAZER
  • MEMBER
  • 2 POSTS
thanks guys, i thought that was the only way in. not looking foward to doing it,but hey i like heat in the winter.
Oct 3, 2020 at 11:59 AM (Merged)
Avatar
JACOBANDNICKOLAS
  • CAR REPAIR CONTRIBUTOR
  • 110,190 POSTS
I agree.
Oct 3, 2020 at 11:59 AM (Merged)
Avatar
ATX_JDOGG
  • MEMBER
  • 1 POST
Engine Cooling problem
1992 Chevy S-10 6 cyl 165000 miles
----------------------------------------------------------------
my truck is leaking coolant and the water that i placed in it. into the cab it is dripping under the dash on the passenger side of the truck. I don't know where it is coming from or why it is leaking. what could be the problem? what do i need to do? also the temp is getting up to about 250 then will come down a little.
Oct 3, 2020 at 11:59 AM (Merged)
Avatar
SERVICE WRITER
  • CAR REPAIR CONTRIBUTOR
  • 9,123 POSTS
Set aside a weekend..


https://images.2carpros.com/forum/automotive_pictures/30961_hc_2.jpg


https://images.2carpros.com/forum/automotive_pictures/30961_hc1jpg_1.jpg


https://images.2carpros.com/forum/automotive_pictures/30961_hc2_1.jpg

Here's some crap for ya. IF you are a technician that is paid flat rate. The Dealership charges flate rate. Meaning he only gets paid this much time regardless of what it takes. Notice how the time is 5.5 hours? NOW LOOK AT THE AMOUNT THE TECHNICIAN WILL GET PAID FOR DOING WARRANTY WORK? ABOUT HALF OF IT. Sorry for yelling I hit the cap unverdently. No wonder a technician isn't going to look too close for warranty work huh?


https://images.2carpros.com/forum/automotive_pictures/30961_hc3_1.jpg

Oct 3, 2020 at 11:59 AM (Merged)
Avatar
JERSEYJOHN
  • MEMBER
  • 1 POST
My Engine temperature does not get above 120 degrees. I have flushed the entire system. changed the thermostat 3 times (195 degrees). The problem is the heater does dot generate much heat and takes along time to get any heat. I also put a new heater core in because it was leaking. I bought this truck used and I have had it about a month. So I do not know how long it has been doing this. It was like that when I got it.
Oct 3, 2020 at 11:59 AM (Merged)
Avatar
RACEFAN966
  • CAR REPAIR CONTRIBUTOR
  • 5,029 POSTS
Ok if you would have the temp of the engine checked with an infered thermometer to see what temp the engine is running at. You may have a bad temp. sending unit. Now as for the heater if you would check the actuators. There is one under the hood and one just to the right of the gas pedal area and one on the passanger side. They have vacuum lines connected to them. Make sure the vacuum lines are not cracked and that the actuators hold vacuum. The best I can tell the one near the passenger kick panel is the one that blends the outside to inside air, therefore it controls the temp. Don't know how well it will come out but see pic below.


https://images.2carpros.com/forum/automotive_pictures/249564_Graphic_187.jpg

Oct 3, 2020 at 11:59 AM (Merged)
Avatar
PGEO37
  • MEMBER
  • 1 POST
I am trying to remove the heater core in my 89 s-10 4.3l how much of the dash do i need to remove? I've already taken the screws off of the heatercore cover but it feels stuck.
Oct 3, 2020 at 11:59 AM (Merged)
Avatar
MASTERTECHTIM
  • CAR REPAIR CONTRIBUTOR
  • 4,750 POSTS
you should be able to remove the heater core just by removing the glove box and the access cover in the glove box. there is a screw hidden way back on the heater core cover. look close. i had a real hard time finding it myself. hope this helps
Oct 3, 2020 at 11:59 AM (Merged)
Avatar
JAY_P
  • MEMBER
  • 2 POSTS
I have a 89 Chevy S-10 pickup with about 50,000 miles on the engine. The engine has a 6-cylinder.

There is a steady droplet leak under the dashboard on the glove department box side that seems to leak only when the pickup is running. A puddle of antifreeze has accumulated on the floor board of the passenger side of the truck from this pesky leak, and now it stinks very badly. When I turn the heater on the leak is even more noticeable and pronounced, so I have completely stopped running the heater.

My question is: Do you know what is causing this and how to fix it, and the area that the leak may be located???

Also, what would be the estimate to fix something like this?
Oct 3, 2020 at 12:00 PM (Merged)
Avatar
MURD
  • MEMBER
  • 4 POSTS
looks like your heater core has sprung a leak. it is a small radiator unit contained inside your heater box. it will also cause your heater to blow cold.
if your able you need drain your coolant and pull the plastic heater box apart under the glove compartment, disconnect the heater hoses and take the core out and to a radiator repair shop to have it sealed.
if you can't take it out yourself any repair shop can do it but your looking a at least a days labor + the core repair! could be around $200.00-$300.00 repair depending on were you take it. good luck!
Oct 3, 2020 at 12:00 PM (Merged)
Avatar
JAY_P
  • MEMBER
  • 2 POSTS
Thank you so much. That helps greatly!!!
Oct 3, 2020 at 12:00 PM (Merged)
Avatar
WWRUSSELL
  • MEMBER
  • 1 POST
Heater problem
1993 Chevy S-10 V6 Four Wheel Drive Automatic 90000 miles
----------------------------------------------------------------
I turn on my heater/de-froster and my windows steam up. i could see the steam coming out of the de-froster vents. is the problem my heater core or something else?
Oct 3, 2020 at 12:00 PM (Merged)
Avatar
MHPAUTOS
  • CAR REPAIR CONTRIBUTOR
  • 31,937 POSTS
Hi there,

First check if you are loosing engine coolant. if so have the system pressure tested to locate any leaks. If not do you have a problem with a leaking windscreen. any external moisture on the external surface of the heater will gassoff when the heater is on, causing condensation on the wind screen, also if your recirculation vent is open to out side air and moisture is getting in past any drain tube, this also could cause this to happen.

Mark (mhpautos) :D
Oct 3, 2020 at 12:00 PM (Merged)