Monday, August 21st, 2023 AT 2:15 PM
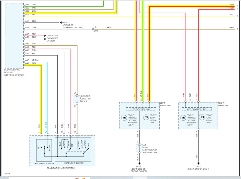
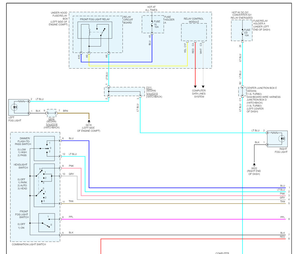
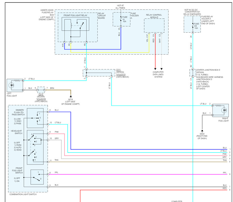
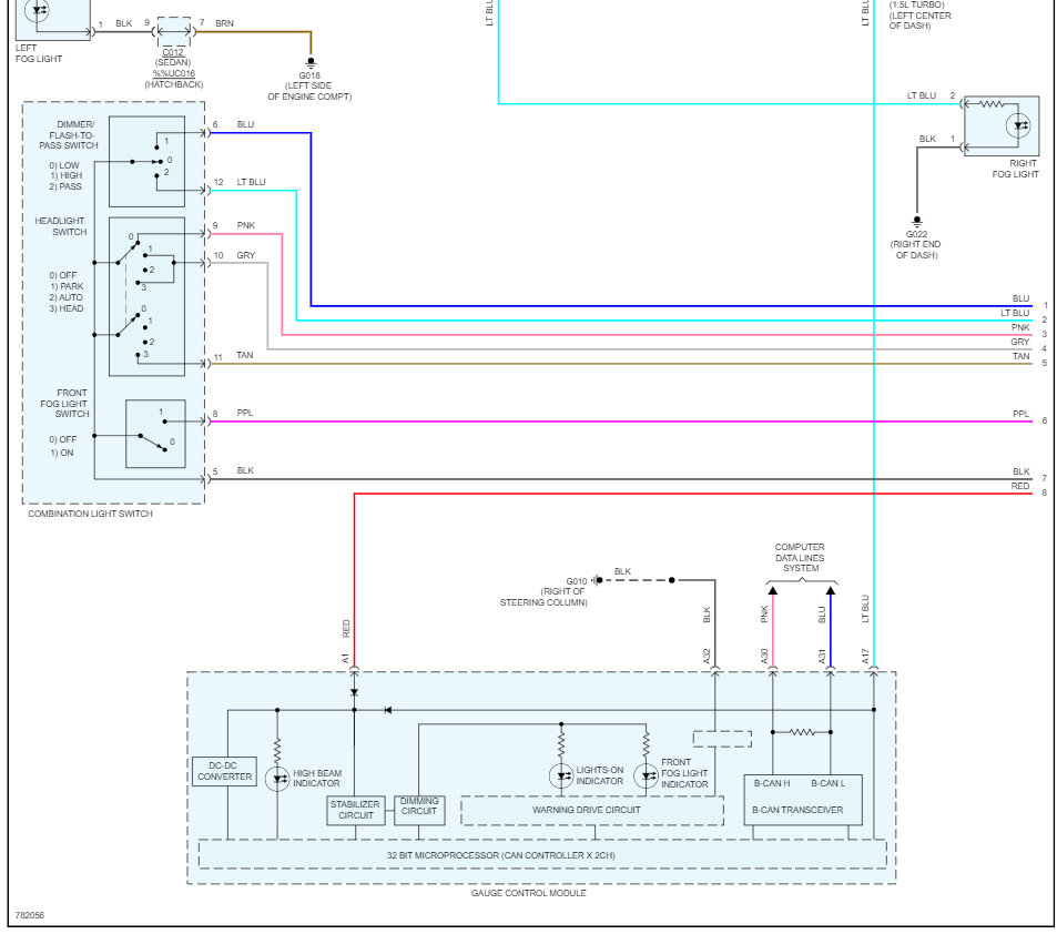
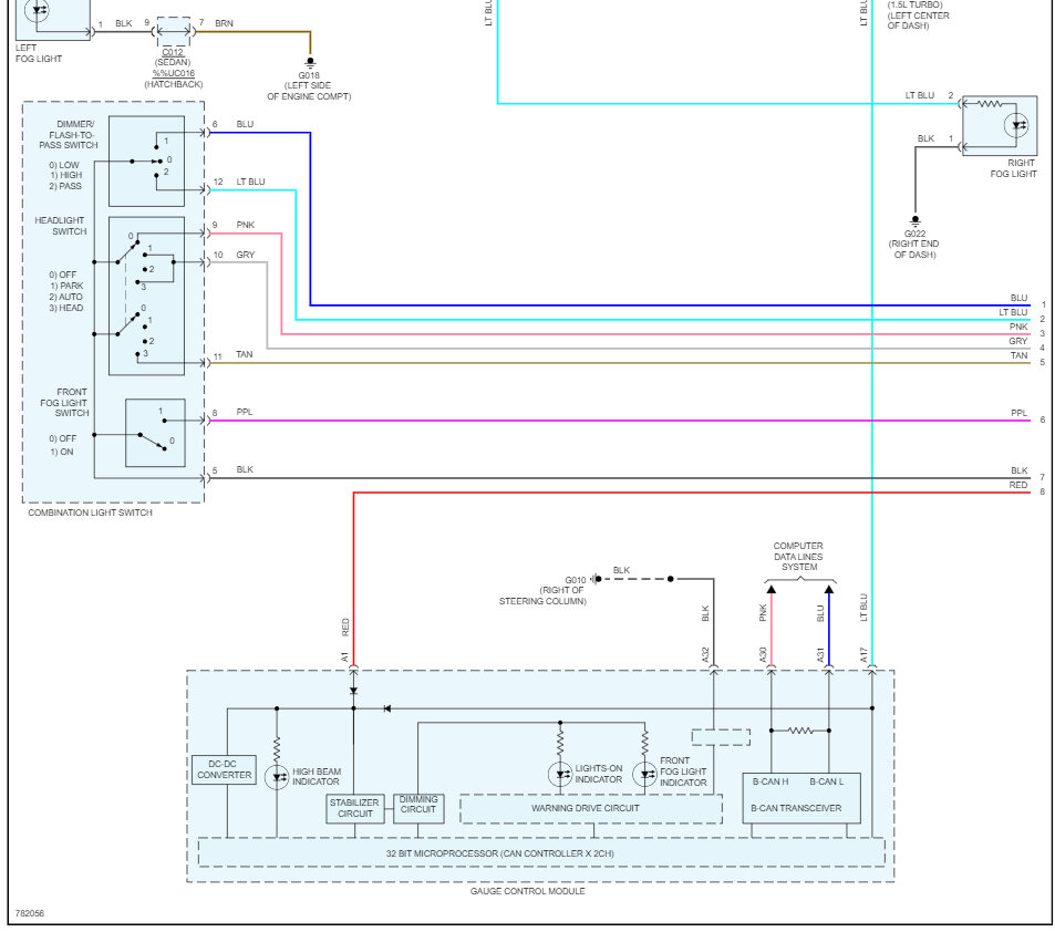
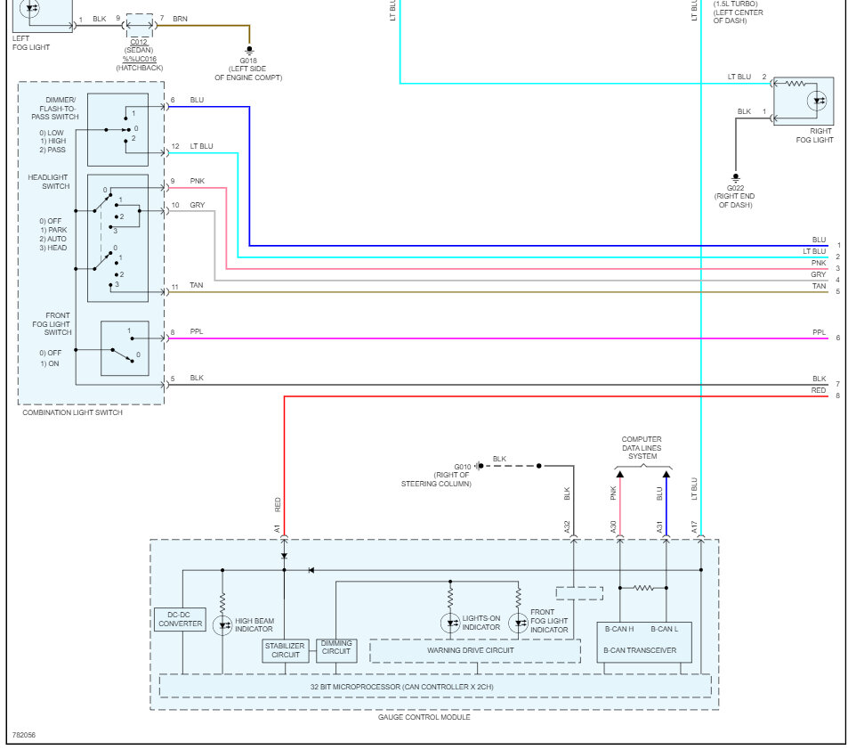
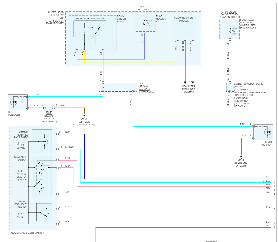
I had damage to the front left of my car listed above, so I changed the left headlight, but it’s turn signal doesn’t want to work, the signal works though when you have the hazards on. I plugged in the headlight into the right-side connector, and it works perfectly on that side. What could be the issue, any ideas?









