Hazards lights and turn signals do not work on the outside of the van

Tiny
WILLIAMF410
  • MEMBER
  • 2001 CHRYSLER TOWN AND COUNTRY
  • 3.6L
  • 2WD
  • AUTOMATIC
  • 200,000 MILES
When I put a turn signal or flasher on it will flash on the dash inside the van, but it won’t flash on the outside of the van in the front or the back.
Monday, February 14th, 2022 AT 4:35 PM

1 Reply

Tiny
KASEKENNY
  • MECHANIC
  • 18,907 POSTS
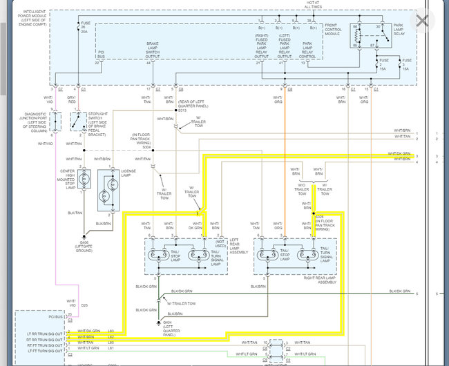
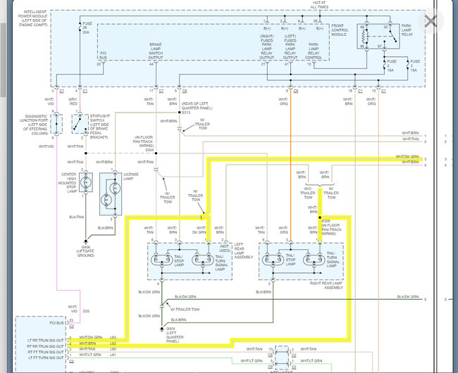
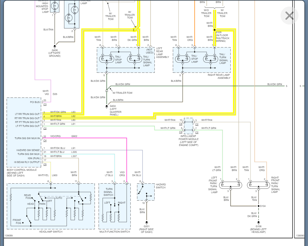
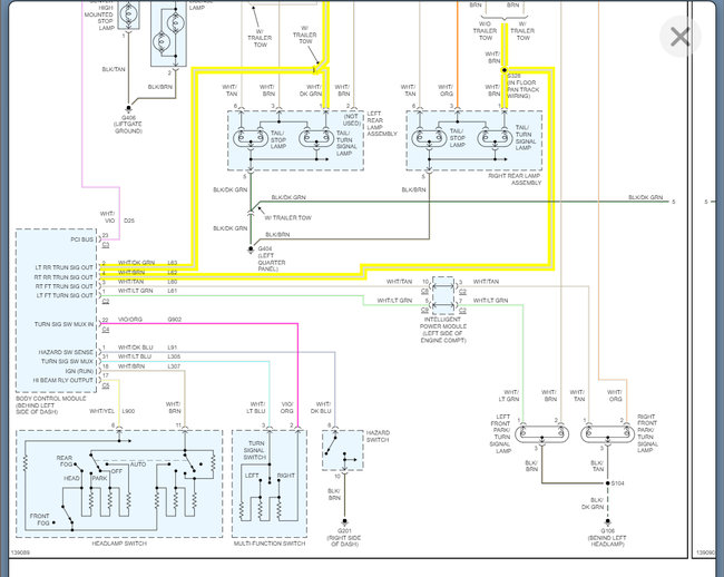
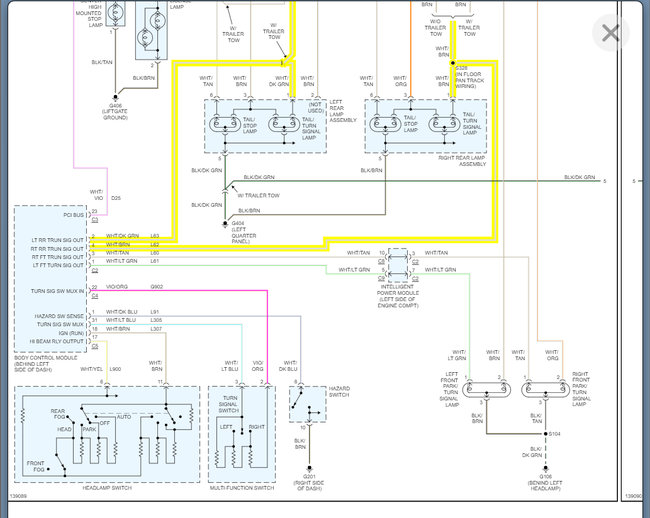
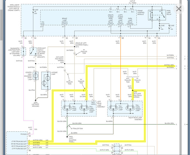
The likely issue with this is the BCM but we need to confirm this by checking the voltage on the circuits highlighted below.

Basically, when you turn the switch on the BCM controls the lights. So, the fact that none of the lights work on the exterior points to a control issue and this would be a BCM issue.

Clearly the switch works as the cluster sees the input, but the BCM is most likely not sending the signal out on the circuits. Here is a guide that will help with this:

https://www.2carpros.com/articles/how-to-check-wiring

I am attaching the wiring diagrams below that will help with this info.

Please run through this info and let me know what questions you have. Thanks
Was this
answer
helpful?
Yes
No
Tuesday, February 15th, 2022 AT 10:36 AM

Please login or register to post a reply.