Hard to start sometimes

Tiny
COREY H JENKINS
  • MEMBER
  • 1996 CHEVROLET TAHOE
  • 5.7L
  • V8
  • 4WD
  • AUTOMATIC
  • 253,000 MILES
Let me start out by saying in the last six months new fuel pump, plugs, wires, distributor cap, rotor button, ignition coil and module. Truck was starting and running fine.
This morning (temperature was 40 F) it was hard to start. Had to turn key about three times before it caught and started. Went to work, truck ran fine. It started okay at lunch and quitting time 3:30, parked at house at 3:45. But at 6:15 (temperature was 54) went to start truck and it turned over but would not catch. Had to turn key about six or seven times.
What should I check? Cannot afford to wake up one morning and be strained. Thank you.
Wednesday, October 25th, 2017 AT 4:16 PM

9 Replies

Tiny
STEVE W.
  • MECHANIC
  • 15,606 POSTS
Check the fuel pump relay and test the actual fuel pressure as well as how long the fuel pressure holds when you turn off the key. If you put the gauge on and it says 55 psi or more the pump itself is good. Then as soon as the pump shuts off watch the gauge. You want it to stay at that pressure and not start dropping. If it drops you have an internal leak, either the pump check valve, injector, pressure regulator or line.
Was this
answer
helpful?
Yes
No
+1
Saturday, June 5th, 2021 AT 2:51 PM
Tiny
COREY H JENKINS
  • MEMBER
  • 80 POSTS
Got up his morning and would not start. I need to do what you suggested this morning. Going to replace pump relay, but how do I test the fuel pressure? Never done that before. Please explain.
Thank you
Was this
answer
helpful?
Yes
No
Saturday, June 5th, 2021 AT 2:51 PM
Tiny
STEVE W.
  • MECHANIC
  • 15,606 POSTS
This should help.
https://www.2carpros.com/articles/how-to-check-fuel-system-pressure-and-regulator
You can usually get the pressure tester as a loaner tool at some parts stores.

A way to test around the relay is to find the fuel pump prime connector under the hood and jump it to the battery positive. That will turn on the pump and let you test it easier than needing to turn the key on/off all the time.
I suspect you will find the pump is losing pressure overnight. The issue then is to track down why.
One way to do that is with some vice grips or hose pinch pliers. You run the pump and then clamp off the return line and the feed line. Then watch the pressure.
If it holds steady and doesn't drop your problem is on the pump side. If the pressure drops off then it is on the engine side.

The biggest issue with that is that all of the trouble items are inside the intake manifold! The common issues are a bad pressure regulator, the "nut kit" AKA the fuel lines inside the intake and the poppet injectors themselves.

If you discover it is inside the engine, you can get a conversion kit that replaces the OE spider unit with a much better unit that uses real injectors and does not leak. It makes them start and run much better.
Was this
answer
helpful?
Yes
No
+2
Saturday, June 5th, 2021 AT 2:51 PM
Tiny
COREY H JENKINS
  • MEMBER
  • 80 POSTS
Went to auto parts store and purchased fuel pump relay, fuel pressure regulator and a fuel pressure tester. Six hours after originally trying to start the SUV this morning, I replaced the relay and it started. Now wondering if it was a lucky fluke or its fixed. Going to wait until this evening and try to crank again and see. Any advice?
Thank you for your help, it is really appreciated.
Was this
answer
helpful?
Yes
No
Saturday, June 5th, 2021 AT 2:51 PM
Tiny
KEN L
  • MASTER CERTIFIED MECHANIC
  • 55,037 POSTS
It sounds like the pump is going out.

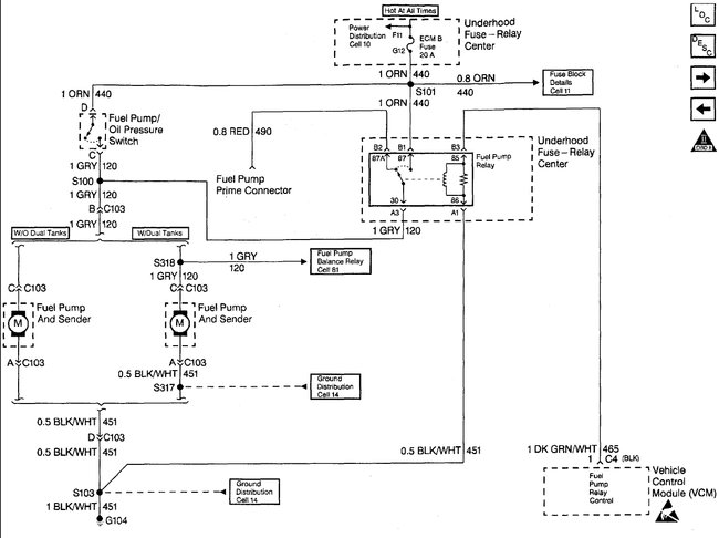
Here is a guide and some diagrams to help you get the job done.

This guide will give you an idea of how the job is done.

https://www.2carpros.com/articles/how-to-replace-an-electric-fuel-pump

You will need to raise the car safely,

https://www.2carpros.com/articles/jack-up-and-lift-your-car-safely

How to drain the gas.

https://youtu.be/Q5MH2gnyFH0

Here are the diagrams (below).

Please let us know what happens.

Cheers, Ken
Was this
answer
helpful?
Yes
No
Saturday, June 5th, 2021 AT 2:51 PM
Tiny
COREY H JENKINS
  • MEMBER
  • 80 POSTS
Been cranking just fine since I replaced relay. Pump is only four months so I do not think its going out.
Thanks again for your help. You guys and this site have been a lifesaver
Was this
answer
helpful?
Yes
No
Saturday, June 5th, 2021 AT 2:51 PM
Tiny
STEVE W.
  • MECHANIC
  • 15,606 POSTS
Good to hear. Pull the relay out and look inside at the terminals in the socket. You are looking to see if there is corrosion or melting. If it is corrosion spray some contact cleaner in there and plug the relay in/out a few times. Then apply a dab of dielectric grease to the terminals. That should stop it from corroding any farther.
Was this
answer
helpful?
Yes
No
+1
Saturday, June 5th, 2021 AT 2:51 PM
Tiny
COREY H JENKINS
  • MEMBER
  • 80 POSTS
No corrosion but it does look like one of the prong slots has some melting. Should I do what you said for corrosion or something else?
Was this
answer
helpful?
Yes
No
Saturday, June 5th, 2021 AT 2:51 PM
Tiny
STEVE W.
  • MECHANIC
  • 15,606 POSTS
Melting is a common issue with them. What happens is the pump starts to draw more current as it ages. The extra current creates heat. That heat makes the contacts at the pump end and the relay lose some of their spring tension. The "loose" connection makes it worse and they heat up more. The heat builds until the connector melts.

Normally I pull the fuse/relay box and replace that connector. Or if it's melted real bad I'll just add a new relay outside the box. If the melting is VERY slight I have also used a fine pick to pull the spring piece of the contact in to make it tighter.
Was this
answer
helpful?
Yes
No
+1
Saturday, June 5th, 2021 AT 2:51 PM

Please login or register to post a reply.