Four high button is pressed it blinks several times?

Tiny
M KRUK
  • MEMBER
  • 1999 GMC YUKON
  • V8
  • 4WD
  • AUTOMATIC
  • 128,000 MILES
The actuator and the four button dash switch was replaced. When the four high button is pressed it blinks several times then returns to the two hi switch
Wednesday, December 26th, 2007 AT 10:59 AM

1 Reply

Tiny
KASEKENNY
  • MECHANIC
  • 18,907 POSTS
This means there is an issue in the system that the module is attempting the engage 4WD, but it fails, and it returns to the 2WD.

So that means we most likely have a code that will point us in the right direction.

Let's start with checking for codes and we can go from there.

https://www.2carpros.com/articles/checking-a-service-engine-soon-or-check-engine-light-on-or-flashing

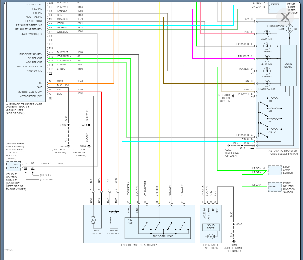
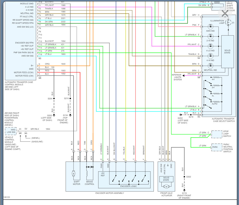
However, I am attaching the wiring diagrams that we need to use in order to check the power going to the encoder and the front axle actuator as both of these are the most likely cause.

If they are not getting voltage when commanded to 4WD then the module is the issue.

https://www.2carpros.com/articles/how-to-check-wiring

Lo please run through this testing and let us know what you find, and we can go from there.
Was this
answer
helpful?
Yes
No
Monday, December 6th, 2021 AT 8:14 AM

Please login or register to post a reply.