HOME
ASK A QUESTION
REPAIR GUIDES
BECOME A MEMBER
LOG IN
Login with Facebook
OR
Remember me
NOT A MEMBER?
FORGOT PASSWORD?
CONTACT US
PRIVACY POLICY
TERMS AND CONDITIONS
☰
Home
GMC
Sonoma
Fuel System
Fuel Pump
Relay
Location
FUEL PUMP RELAY
SQUI
MEMBER
1992 GMC SONOMA
Here is the fuel pump relay located?
Sunday, September 19th, 2010 AT 6:20 PM
1 Reply
RASMATAZ
MECHANIC
75,992 POSTS
Hello
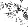
The fuel pump relay is located on firewall, left of brake booster. HEre is a guide to help you test it with diagrams below to show the location.
https://www.2carpros.com/articles/how-to-check-an-electrical-relay-and-wiring-control-circuit
Check out the diagrams (Below). Please let us know what you find.
Image (Click to make bigger)
Was this
answer
helpful?
Yes
No
+3
Sunday, September 19th, 2010 AT 6:36 PM
Please
login
or
register
to post a reply.
Related Fuel System Fuel Pump Relay Location Content
Fuel Pump Relays
Where Is Both Fuel Pump Relays Located On A Gmc Sonoma 1998 Model
Asked by
bpar40
·
2 ANSWERS
1 IMAGE
1998
GMC SONOMA
Fuel Pump Grounding Wire
I Have Just Replaced The Electric Fuel Pump On My Gmc 1992 Sonoma. Everything Was Going Smoothly- Tank Is In Position, All Hoses Hooked Up...
Asked by
nosmiley
·
2 ANSWERS
1992
GMC SONOMA
1995 Gmc Sonoma Fuel Pump/relay
Get No Fuel Pressure When Fuel Filter Is Loosened. I Own No Voltmeter. Fuses Inside Cab Okay. Is There Any Way To See If The Problem Is The...
Asked by
donalbey
·
1 ANSWER
1995
GMC SONOMA
1995 Gmc Sonoma No Fuel
Engine Mechanical Problem 1995 Gmc Sonoma 6 Cyl Four Wheel Drive Manual I Hooked Up Noid Lights To My 4.3 Tbi Injector Connectors And...
Asked by
joshua_parsons
·
16 ANSWERS
1995
GMC SONOMA
Fuel System
What Do I Do If My Fuel Pump Relay Wont Engage But The Relay And Fuel Pump Are Still Good
Asked by
db18765
·
7 ANSWERS
2 IMAGES
1999
GMC SONOMA
VIEW MORE
Ask a Car Question. It's Free!
How to Use a Test Light
Fuel Pump Replacement
Car Cranking but Not Starting? Try This