Engine starts but does not stay running

Tiny
SILVERCELICA
  • MEMBER
  • 1996 TOYOTA CELICA
  • 2.2L
  • 4 CYL
  • 2WD
  • MANUAL
  • 186,000 MILES
The engine turns over once and then stalls. If I disconnect the battery and leave it for an hour, I can start it and run for 5 minutes before it stalls out. After that it's back to step 1. I've replaced the fuel pump and disconnected security system. The issue persists in the same way. I got a check engine light code 14 "no igf signal to ECM four consecutive times". I've checked the coils and they are within spec for resistance. The igniter is getting power and the ECM is transmitting an igt signal. I was wondering what could be causing this issue.
The car listed above is a Gen 6.
Sunday, April 3rd, 2022 AT 4:42 AM

33 Replies

Tiny
JACOBANDNICKOLAS
  • MECHANIC
  • 110,194 POSTS
Hi,

It sounds like you are losing the crankshaft position signal. Have you checked that? Also, after it stalls, are you able to restart it?

Take a look through this link and let me know if it seems to mirror what you are experiencing:

https://www.2carpros.com/articles/symptoms-of-a-bad-crankshaft-sensor

If you do, I have attached the directions for replacing it below. The directions are specific to your vehicle.

If you have a live data scan tool, check to see if the RPM signal is lost when it won't start.

Let me know.

Joe

See pics below.
Was this
answer
helpful?
Yes
No
Sunday, April 3rd, 2022 AT 8:24 PM
Tiny
SILVERCELICA
  • MEMBER
  • 17 POSTS
Thanks, I didn't think of that. I'll check it out over the weekend. And no, after it stalls I cannot make it run again until after I disconnect the battery and leave it for an hour. While I'm checking out the CPS, are there any other sensors that could be causing the issue that I can check as well?
Was this
answer
helpful?
Yes
No
Monday, April 4th, 2022 AT 2:41 AM
Tiny
JACOBANDNICKOLAS
  • MECHANIC
  • 110,194 POSTS
Hi,

There are other things that can cause problems. However, we need to determine if the no start is the result of a loss of spark or fuel to the engine.

When it won't start, see if it does when using starting fluid and then stall. If it does, then we know it is a fuel-related issue. IF it makes no difference, then it is likely ignition related. At that point, check if the spark plugs are getting spark. Here is a link showing how that is done:

https://www.2carpros.com/articles/how-to-test-an-ignition-system

Let me know

Joe
Was this
answer
helpful?
Yes
No
Monday, April 4th, 2022 AT 1:46 PM
Tiny
SILVERCELICA
  • MEMBER
  • 17 POSTS
I've tried using starter fluid and it seems to run on well on that. So, it seems to be a fuel-related issue from what I can tell. What other sensors or engine components could limit the flow of fuel if they are faulty?
Was this
answer
helpful?
Yes
No
Monday, April 4th, 2022 AT 10:28 PM
Tiny
JACOBANDNICKOLAS
  • MECHANIC
  • 110,194 POSTS
Hi,

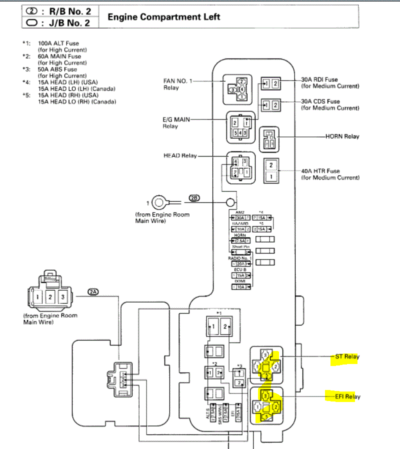
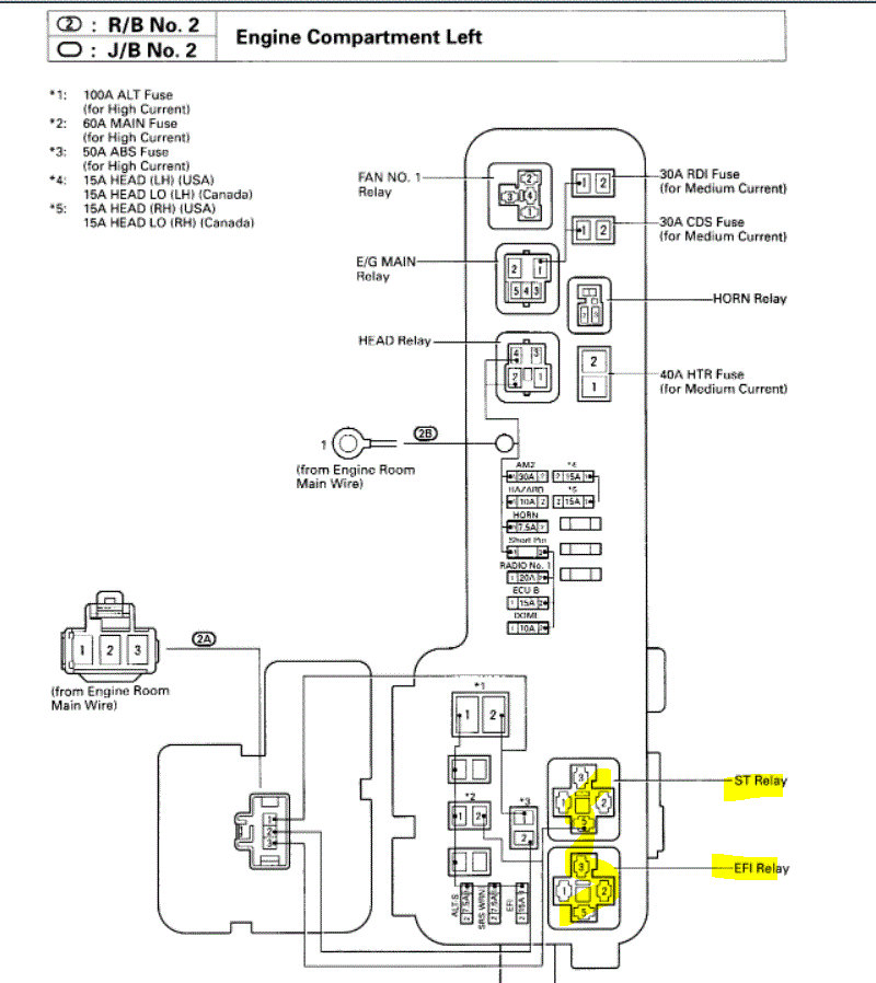
If that is the case, then we need to first check two relays, the EFI relay and the Circuit Open relay. Here is how it works:

Refer to the pic below to see the components I mention.

When the engine is cranked, current flows from the terminal ST of the ignition switch to the starter relay coil. The starter relay switches on and the current flows to coil L1 of the circuit opening relay. As a result, the circuit opening relay switches on, power is supplied to the fuel pump, and the fuel pump operates to prime. When the STA signal and NE signal are input to the ECM, Tr is turned "on", current flows to coil L2 of the circuit opening relay, the relay switches on and the fuel pump operates. While the NE signal is generated (engine running), the ECM keeps Tr "on" (circuit opening relay "on") and the fuel pump keeps operating.

That may sound confusing, but it is really straightforward. So, the first things I want you to check are the two relays I mentioned.

Pic 1 below shows the circuit. Pic 2 shows the location of the circuit opening relay. Pic 3 shows the EFI relay and the starter relay. If there are no issues with the starter function, it should be fine, but I added it in case.

Here is what to do: Locate the relays and switch them with another relay in the box having the same part number. If there isn't one, here is a link that explains how to test one.

https://www.2carpros.com/articles/how-to-check-an-electrical-relay-and-wiring-control-circuit

Let me know what you find.

Joe

See pics below.
Was this
answer
helpful?
Yes
No
Tuesday, April 5th, 2022 AT 5:26 PM
Tiny
SILVERCELICA
  • MEMBER
  • 17 POSTS
I didn't know that's what the COR did. I'll have to check it out. I'll let you know what I find. Btw, thanks so much for the help, I really appreciate it.
Was this
answer
helpful?
Yes
No
Wednesday, April 6th, 2022 AT 4:29 AM
Tiny
JACOBANDNICKOLAS
  • MECHANIC
  • 110,194 POSTS
Hi,

You are very welcome. Let me know what you find. I'm hoping it is something simple.

Take care,

Joe
Was this
answer
helpful?
Yes
No
Wednesday, April 6th, 2022 AT 4:39 PM
Tiny
SILVERCELICA
  • MEMBER
  • 17 POSTS
So, I found a spare hour to have a look and I might have been wrong about the initial assessment. I connected b+ to fp and tried starting the engine. The fuel pump was working the whole time and yet, the problem still persisted in the same way. I think that rules out fuel-related fuses and relays. Not sure where to go from here.
Was this
answer
helpful?
Yes
No
Wednesday, April 6th, 2022 AT 6:24 PM
Tiny
JACOBANDNICKOLAS
  • MECHANIC
  • 110,194 POSTS
Hi,

No problem. That leads us to either no fuel injector pulse to get the fuel into the engine or no spark. Did you confirm that the spark plugs are getting spark?

https://www.2carpros.com/articles/how-to-check-for-ignition-spark

Also, if possible, record it cranking and upload it for me to hear. I want to hear what it is doing to confirm it isn't something completely different.

Let me know. Hang in there. We'll get it running.

Take care,

Joe
Was this
answer
helpful?
Yes
No
Thursday, April 7th, 2022 AT 12:30 PM
Tiny
SILVERCELICA
  • MEMBER
  • 17 POSTS
Thanks so much. I've checked spark by disconnecting spark plug wires and connecting the spark plugs to them and they work, so it might be injectors. I've uploaded a video of it trying to run, let me know what you think.
Was this
answer
helpful?
Yes
No
Thursday, April 7th, 2022 AT 1:16 PM
Tiny
JACOBANDNICKOLAS
  • MECHANIC
  • 110,194 POSTS
Hi,

I'm questioning the injector pulse as well as if you lose spark when you return the key from start to run.

Do me a favor. Each one of the injectors will have two wires. One will be black, and the second wire will be a different color. See pic below.

When the key is in the run or start position, the black wires at each injector should have 12v. Check that first. If that checks good, at the ignition coil there will also be a black wire that should have 12v under the same conditions. This one is of special interest to me. I need to know if the coil is getting power with the key in the run position. If there isn't power, have a helper crank the engine while you check to see if there is power in the start position. Do this with both injectors and coil.

As far as the injectors are concerned, to complete the circuit and inject fuel, the PCM provides a ground path at specific times. So, the black wires should have power if the key is in the run or start position.

If you find the power is correct, I suspect the ignition coil/igniter is bad. If it isn't sending a signal to the ECM showing an ignition reference, the fuel pump is shut down.

Let me know what you find.

Take care,

Joe

See pic below.
Was this
answer
helpful?
Yes
No
Friday, April 8th, 2022 AT 5:39 PM
Tiny
SILVERCELICA
  • MEMBER
  • 17 POSTS
Thanks for the hints. I've tested the power to fuel injectors and coil with key in the run/on position and there is 12-12.4 volts in each one (including the coil). I've also tested the power to igniter and it's 12 volts. So where do I go from here?
Was this
answer
helpful?
Yes
No
Saturday, April 9th, 2022 AT 8:42 PM
Tiny
JACOBANDNICKOLAS
  • MECHANIC
  • 110,194 POSTS
Okay, now that we know the ignition has power, follow the directions below to determine if the coil/igniter is bad. I have a feeling that is where the problem is based on the "no igf signal" code.

Let me know.

Joe

See pics below.
Was this
answer
helpful?
Yes
No
Saturday, April 9th, 2022 AT 9:58 PM
Tiny
SILVERCELICA
  • MEMBER
  • 17 POSTS
For me, it is an exc. Cal model, so it has a different ignition coil. But I found the diagram and did the tests mentioned above. In cold conditions, I got 0.6 and 13.2 ohms for the first and second test respectively.
Was this
answer
helpful?
Yes
No
Sunday, April 10th, 2022 AT 5:20 AM
Tiny
JACOBANDNICKOLAS
  • MECHANIC
  • 110,194 POSTS
Hi,

The coil is within specification, so that isn't the issue. By any chance, do you have an igniter you could switch to test? I have a feeling that is the problem.

I attached two pics below. One shows the location, and the other is what you are looking for. Confirm the connection is good, not damaged or corroded, and the pins are not pushed or damaged.

The code you have which indicates no igf signal is pointing to this part. I can't guarantee it but feel this is the likely cause.

Let me know.

Joe

See pics below.
Was this
answer
helpful?
Yes
No
Sunday, April 10th, 2022 AT 6:59 PM
Tiny
SILVERCELICA
  • MEMBER
  • 17 POSTS
Unfortunately, I don't have a spare igniter to swap it out right now. I've looked at the connection and it seems to be good. I've attached some photos of the connector and the socket from igniter. If necessary, I could buy a used one from a Camry and see if it changes anything.
Was this
answer
helpful?
Yes
No
Sunday, April 10th, 2022 AT 7:24 PM
Tiny
JACOBANDNICKOLAS
  • MECHANIC
  • 110,194 POSTS
Hi,

You can purchase these online or even on eBay for a low price. You really should get one specifically designed for your vehicle. If the Camry's ignitor has the same part number, it would be good to try, but if you get it used, you likely can't return it if that doesn't resolve the issue.

The manufacturer's part number should be 8962126010. It's your call on how you want to proceed.

Regardless, let me know what you decide and your findings. I'm here to help if you have questions. Also, take a look at the pic below. It indicates the best offer, so offer ten dollars. LOL

Take care,

Joe

See pic below.
Was this
answer
helpful?
Yes
No
Sunday, April 10th, 2022 AT 8:02 PM
Tiny
SILVERCELICA
  • MEMBER
  • 17 POSTS
I'll look into it. I'm in Aus so parts are pricier, so I'll have to factor that in. From what I've read, if the igniter is faulty, it shouldn't be giving any spark. Is that correct, or am I mistaken?
Was this
answer
helpful?
Yes
No
Sunday, April 10th, 2022 AT 8:31 PM
Tiny
JACOBANDNICKOLAS
  • MECHANIC
  • 110,194 POSTS
On your vehicle, the ECM uses the igf signal to confirm the ignition coil has fired after an igt pulse. If the igf signal isn't received by the ECM, the fuel injectors/fuel system is shut down.

The initial start you get is because the initial igt signal is present and it starts. After the start, the igf needs to indicate to the ECM that the spark was delivered. If the igf signal is not present, the ECU goes into fuel fail-safe and stops the injector pulses, and the engine stalls.

I wish I could guarantee this is the issue. It could be a bad ECM or a bad connection between the igniter and the ECM. You inspected the connector at the igniter, and it looks good. If you want, disconnect the battery and unplug the ECM connector.

The igf signal is sent from the igniter to the ECM via a black wire with a yellow tracer. It will be pin 3 in the connector. Confirm there is no corrosion at the ECM connection. Then, using a multimeter, confirm there is continuity through that wire between the igniter and ECM. If there is, that takes me back to the igniter.

Let me know what you find or if there is anything I can do to help.

Take care,

Joe
Was this
answer
helpful?
Yes
No
Sunday, April 10th, 2022 AT 9:00 PM
Tiny
SILVERCELICA
  • MEMBER
  • 17 POSTS
Thanks so much for the help. I'll be away for the week, but when I get back, we'll go from here.
Was this
answer
helpful?
Yes
No
Sunday, April 10th, 2022 AT 10:01 PM

Please login or register to post a reply.