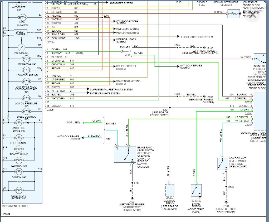
Saturday, October 19th, 2013 AT 9:39 AM
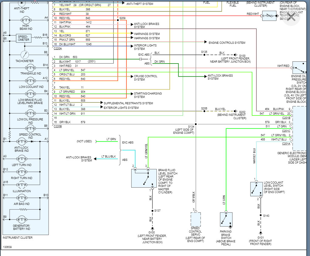
My gas gauge has never worked but this year all the gauges don't work in the cold weather until you drive abounds 30 or more miles. The only gauge that does work is the temp gauge. The odometer, speedometer, rpm, and trip gauge do not work in the cold or wet weather. I have to use the trip gauge to know how much fuel I have so when that doesn't work I have no clue where I'm at on fuel. Please help.




