I noticed the instrument cluster not working

2007 FORD TAURUS
53,000 MILES
Avatar
ALLEN TOLA
  • MEMBER
  • 1 POST
I noticed the instrument cluster not working what do you think is wrong?
Mar 1, 2012 at 5:56 PM
Repair Safety Notice: This information is for general instructional purposes only. Vehicle repair can be dangerous. Verify all information, follow manufacturer service procedures, use proper tools and safety equipment, and consult a qualified repair shop when needed.
Advertisement
Avatar
STRAILER
  • CAR REPAIR CONTRIBUTOR
  • 54,223 POSTS
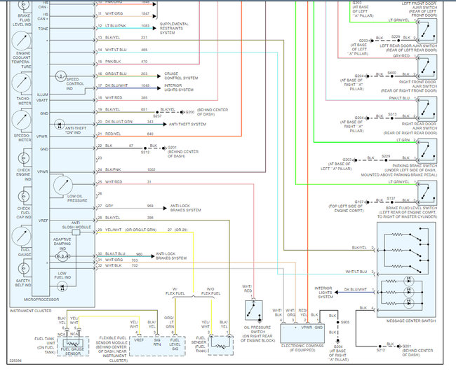
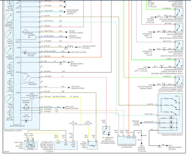
We need to check some fuses inside the car fuse panel # f22 #f32 and #f33. here is a guide to help test the fuse with the fuse locations below with the instrument cluster wiring diagrams so you can see how the system works:

https://www.2carpros.com/articles/how-to-check-a-car-fuse

Check out the diagrams (below). Please let us know what happens.
May 5, 2021 at 12:00 PM
Advertisement
Avatar
KDREWBELLA
  • MEMBER
  • 1 POST
it was the use # 33 I replaced it and now everything works! thank you.
May 5, 2021 at 12:01 PM