No start after fuse replacement

Tiny
TONYA HUDSON2
  • MEMBER
  • 1991 ACURA INTEGRA
  • 2WD
  • AUTOMATIC
  • 75,905 MILES
I just changed the ignition fuse under the hood and now my car won't start. What should I do?
Wednesday, June 23rd, 2021 AT 4:03 PM

1 Reply

Tiny
KASEKENNY
  • MECHANIC
  • 18,907 POSTS
If all you did was change the fuse then I suspect it was a faulty fuse.

Let's start with testing that fuse before we go much further.

https://www.2carpros.com/articles/how-to-check-a-car-fuse

If that checks out then let's run through this guide that will help with where to start:

https://youtu.be/dCjmRL3p4Cs

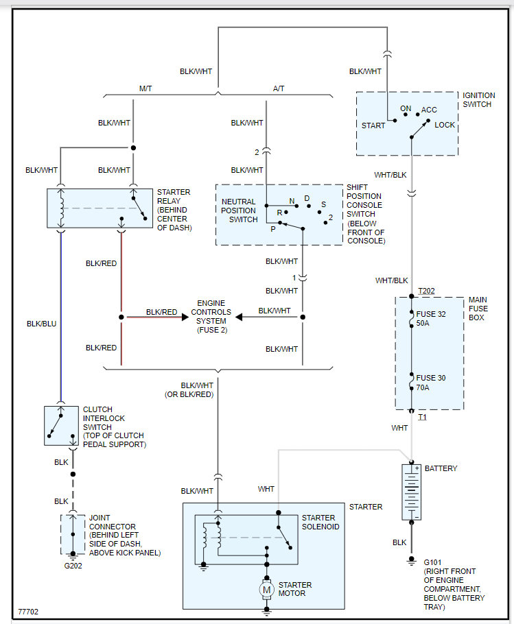
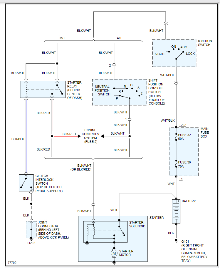
Below are the fuse diagrams but I would suggest with starting with checking voltage at the starter. I assume that you have a crank no start. Meaning it will turn over but not start.

Please run through this info and we can go from there. Thanks
Was this
answer
helpful?
Yes
No
Thursday, June 24th, 2021 AT 4:20 PM

Please login or register to post a reply.