Front passenger interior door light not working

Tiny
TGTSA
  • MEMBER
  • 2009 HONDA ACCORD
  • 3.0L
  • 6 CYL
  • 2WD
  • AUTOMATIC
  • 75,000 MILES
I’m having a problem getting my front passenger interior door light working... I’ve checked the bulbs, the fuses, the harness and the door switch, for the life of me I cannot get it working... Has anyone have a solution for me? Much appreciated.
Thursday, July 29th, 2021 AT 3:06 PM

9 Replies

Tiny
MASTER ASE TECH
  • MECHANIC
  • 82 POSTS
Hi,I'm Dan.

Do the other lights work normally? If you open the passenger side door, do the other lights work normally?
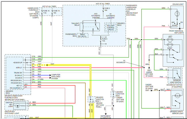
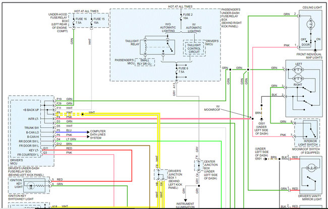
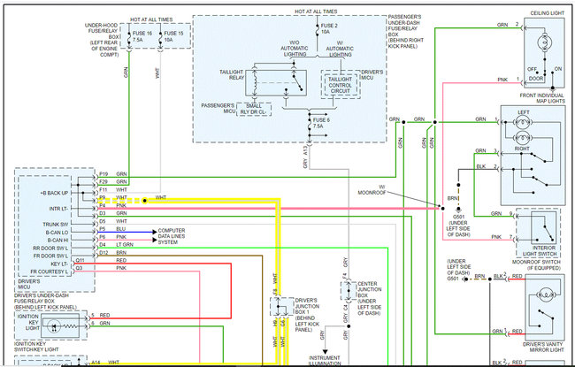
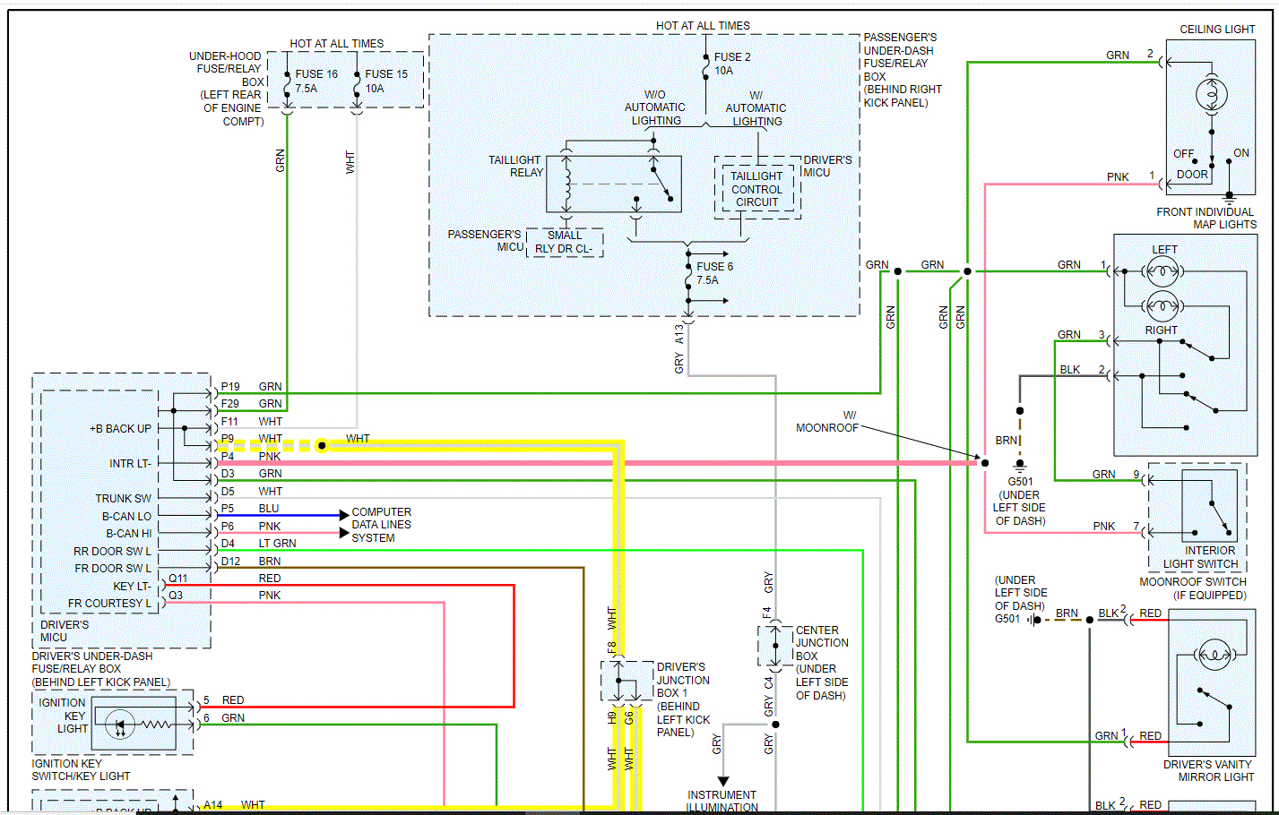
I've attached a wiring schematic for your interior lights. First step would be to check for power on both sides of fuse#15 in the under hood fuse box.
Then I would check for power and ground at the light bulb and work my way back. Remember, you can only test the circuit while the other lights are on, as the car will shut off the lights after a set amount of time.

https://www.2carpros.com/articles/how-to-use-a-voltmeter

Was this
answer
helpful?
Yes
No
Friday, July 30th, 2021 AT 12:41 PM
Tiny
TGTSA
  • MEMBER
  • 5 POSTS
Yes, all the doors light up except the passenger front door... All fuses under hood are good... Checked the fuses in passenger fuse box and they’re all complete no breaks... I just can’t get any power to the lines... I checked to see if the wire might have been fried by connecting a small volt battery and the light came on... I feel it maybe the fuse box itself... Maybe the panel where the 7.5 fuse goes may be damaged...
Was this
answer
helpful?
Yes
No
Friday, July 30th, 2021 AT 1:11 PM
Tiny
JACOBANDNICKOLAS
  • MECHANIC
  • 110,194 POSTS
Hi,

I noticed it has been a couple of days since we heard from you. Have you made any progress? We're interested in knowing.

Also, I attached the schematic below that was provided above. I cut the schematic in half to make it easier to read and I highlighted the wiring I need you to check.

Specifically, check the white wire at the light socket for power. The driver's door light works and they receive power from the same place. So, if there is no power, the splice where the two wires are joined may have failed.

Also, if I am reading the schematic correctly, the ground must be provided via the yellow wire. Check that for continuity to ground to make sure it's good.

Here is a link you may find helpful when testing:

https://www.2carpros.com/articles/how-to-check-wiring

Let us know what you find or if you have other questions.

Take care,

Joe

See pics below.
Was this
answer
helpful?
Yes
No
Sunday, August 1st, 2021 AT 10:33 PM
Tiny
TGTSA
  • MEMBER
  • 5 POSTS
Hi,

No, still trying to figure it out... I connected a small battery to see if the wires were fried but the light came on... I think you may be right about the ground wire maybe the issue... I’ll tell you what I discover later on this week... PS: it’s the passenger side that’s problematic.
Was this
answer
helpful?
Yes
No
Monday, August 2nd, 2021 AT 6:12 PM
Tiny
JACOBANDNICKOLAS
  • MECHANIC
  • 110,194 POSTS
Hi,

Let me know what you find. Also, let me know if there is anything I can do to help.

Take care,

Joe
Was this
answer
helpful?
Yes
No
Monday, August 2nd, 2021 AT 7:56 PM
Tiny
TGTSA
  • MEMBER
  • 5 POSTS
So I checked the socket and I’m getting no readings from it... Could it be the fuse box?
Was this
answer
helpful?
Yes
No
Thursday, August 5th, 2021 AT 8:40 AM
Tiny
ASEMASTER6371
  • MECHANIC
  • 52,796 POSTS
Check the ground that Joe circled in the diagram he sent you. Clean all those grounds and re-test.
Roy
Was this
answer
helpful?
Yes
No
Saturday, August 7th, 2021 AT 5:50 PM
Tiny
TGTSA
  • MEMBER
  • 5 POSTS
So I checked the grounds... Cleaned reconnected and still no power... Also I checked the 7.5a Small (Intr) fuse while installed and got no reading... I did get continuity though.
Was this
answer
helpful?
Yes
No
Friday, August 27th, 2021 AT 1:05 PM
Tiny
ASEMASTER6371
  • MECHANIC
  • 52,796 POSTS
If the 7.5 amp fuse has no power, you may have a bad fuse box as it is not supplying power to the fuse.

Re-test to confirm.

Roy
Was this
answer
helpful?
Yes
No
Friday, August 27th, 2021 AT 2:06 PM

Please login or register to post a reply.