my headlight are not working?

2009 HONDA ACCORD
34,000 MILES • 6 CYL • AUTOMATIC
Avatar
MARKMEE
  • MEMBER
  • 2 POSTS
The fog lights do help , but I was reading up on the headlight that are not working and need help. Thank you Mark
Dec 13, 2010 at 3:32 PM
Repair Safety Notice: This information is for general instructional purposes only. Vehicle repair can be dangerous. Verify all information, follow manufacturer service procedures, use proper tools and safety equipment, and consult a qualified repair shop when needed.
Advertisement
Avatar
KHLOW2008
  • CAR REPAIR CONTRIBUTOR
  • 41,814 POSTS
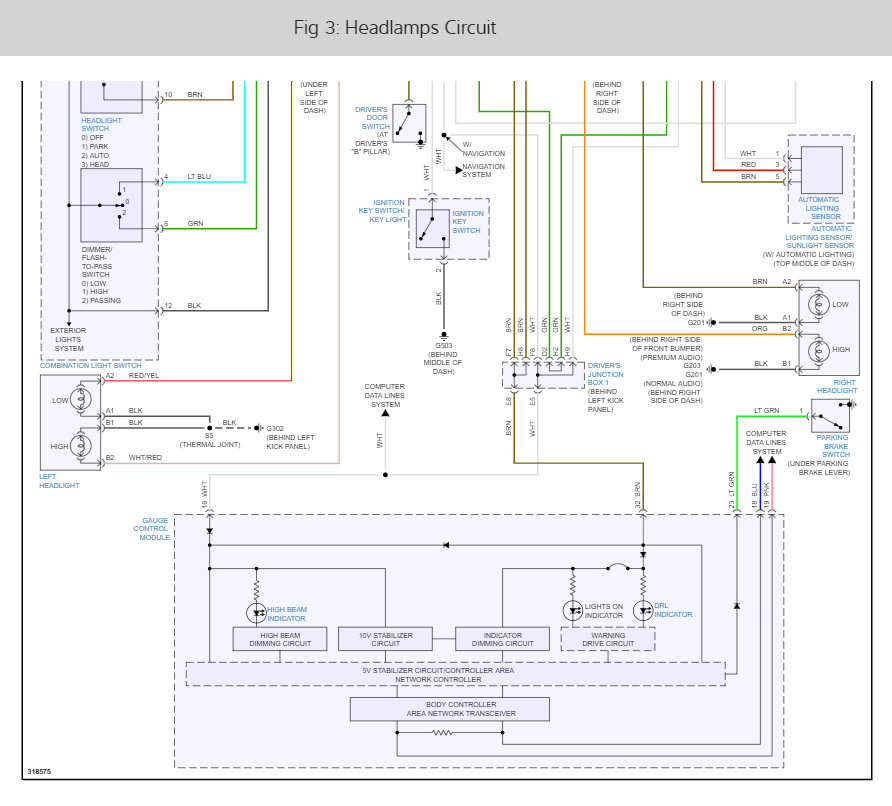
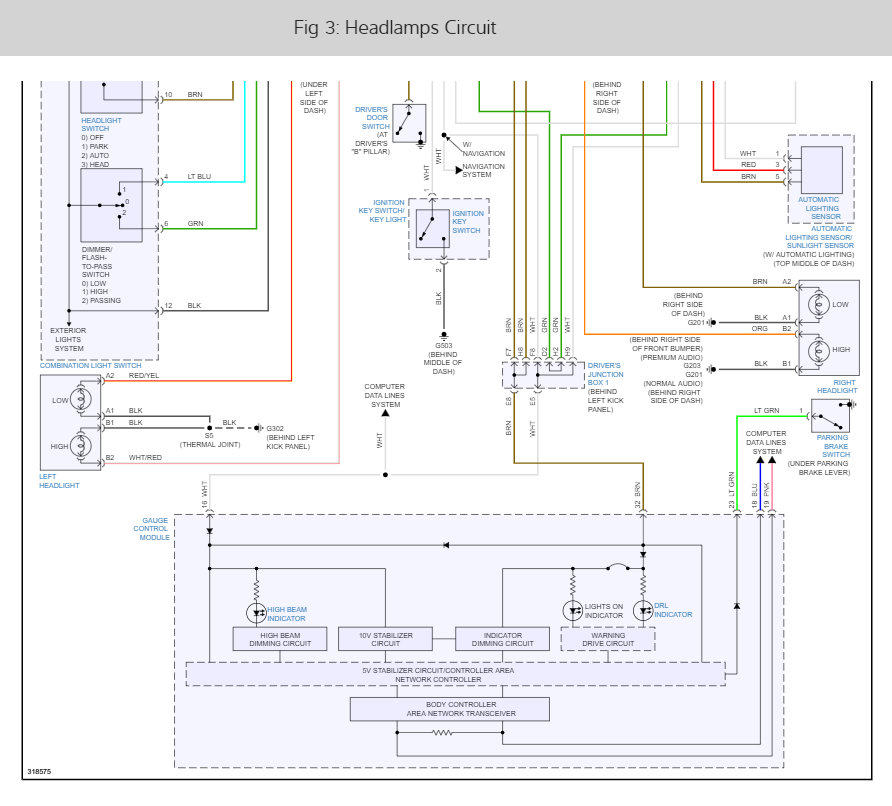
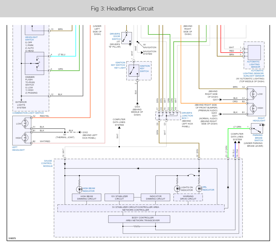
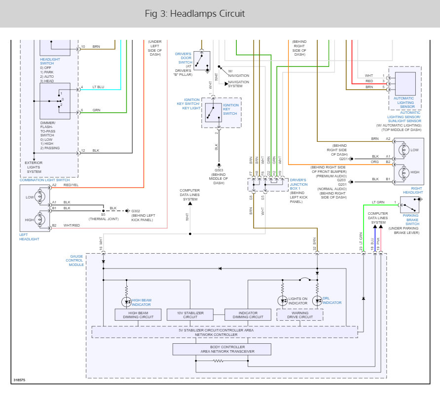
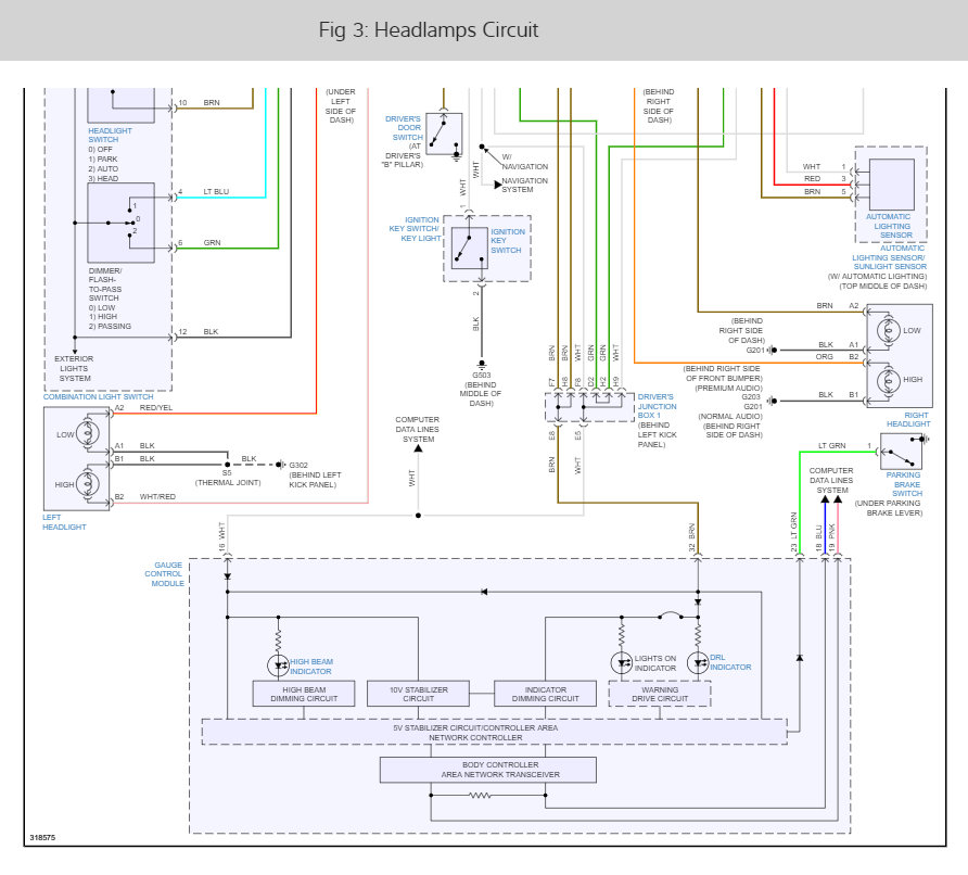
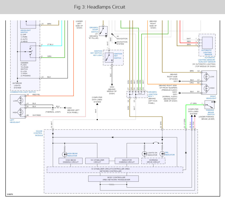
There are 8 fuses #15, #5, #28 and #30 drivers panel. #1 and #4 in the pass panel and # 15 in the under hood (in all three fuses boxes) that run the headlight system we should check those first here is a guide to help with the fuse locations and the diagrams below with the headlight wiring diagrams so you can see how the system works and which fuses to check.

https://www.2carpros.com/articles/how-to-check-a-car-fuse

Check out the diagrams (Below). Let us know what happens and please upload pictures or videos of the problem.
May 17, 2021 at 11:55 AM
Advertisement
Avatar
MARKMEE
  • MEMBER
  • 2 POSTS
great answer, It was the #15 fuse that was out. Thank you
May 17, 2021 at 11:55 AM