I tested the fuel pump with the Multi-meter

Tiny
DLKS77
  • MEMBER
  • 1997 PONTIAC GRAND PRIX
  • 3.8L
  • 6 CYL
  • 2WD
  • AUTOMATIC
  • 160,000 MILES
Replaced fuel pump fuse, relay and pump. Was told it was an electrical issue. I noticed three wires were melted on the turn signal wire harness. It seems these wires have nothing to do with the fuel pump, just for the blinker, high beams, wipers and cruise control. Even though it is not related would it have anything to do the fuel pump. I tested the fuel pump with the multi-meter and I'm getting a reading.
Wednesday, June 26th, 2019 AT 6:37 PM

3 Replies

Tiny
JACOBANDNICKOLAS
  • MECHANIC
  • 110,194 POSTS
Welcome to 2CarPros.

Honestly, I don't see how. They aren't connected in any way. You said you are getting a reading at the fuel pump. How many volts is present? Did you replace the fuel pump speed control relay (FPSC)?

I have attached three pictures. The first picture indicates where the fuel pump ground is located. Confirm it is clean, tight, undamaged, and not corroded.

Pictures 2 and 3 are related to the fuel pump speed control relay. That relay could be your issue. Check the relay. If there is another one with the same part number, switch them. Here is a link that explains how to test a relay:

https://www.2carpros.com/articles/how-to-check-an-electrical-relay-and-wiring-control-circuit

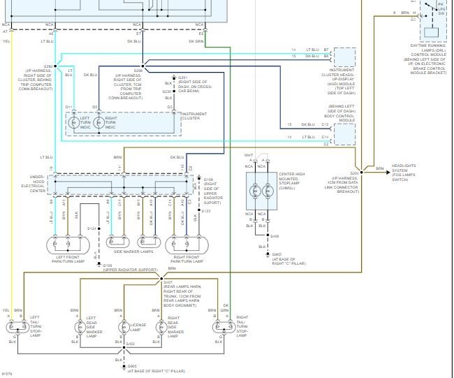
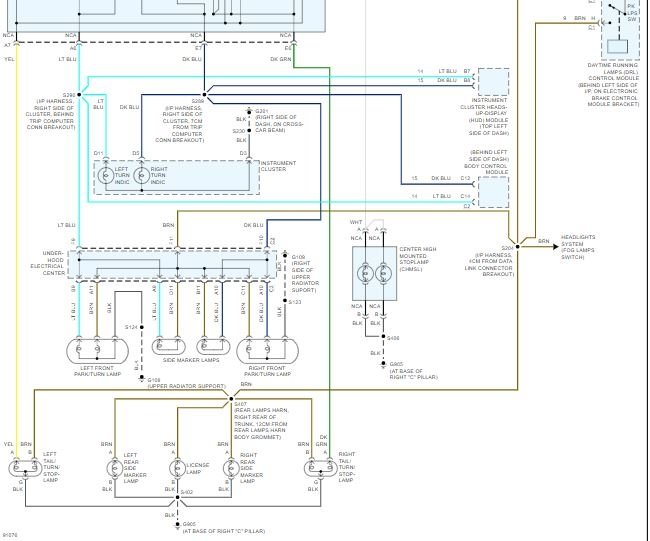
Also, pictures 4 and 5 show the entire exterior lighting system for your vehicle. I highlighted the signal so you could find it easier. It has a different ground and honestly, I don't see how it could be related. I had to break the picture in half to include everything, but I did overlap them so you could follow.

Let me know about the relay. And believe it or not, the FPSC relay sends power to the pump based on need. One common symptom is not priming.

Let me know exactly what is going on. Is the pump working at all or just not priming?

Let me know.

Joe

Was this
answer
helpful?
Yes
No
Saturday, March 20th, 2021 AT 7:32 PM
Tiny
DLKS77
  • MEMBER
  • 4 POSTS
The fuel pump speed control relay is only on the gtp. After looking at my question I didn't tell you I have a gt. I made sure the fuse and fuel pump relay are in good condition. I really don't know what to do. I appreciate you taking the time to send the pictures and your opinion. Any other information would be much appreciated. I made sure the battery was charged. Still not getting any priming.
Was this
answer
helpful?
Yes
No
Saturday, March 20th, 2021 AT 7:32 PM
Tiny
JACOBANDNICKOLAS
  • MECHANIC
  • 110,194 POSTS
Welcome back:

If you are getting power to the pump, either you have a bad ground or a bad pump (even though it's new). Have you checked the ground?

Let me know.

Joe
Was this
answer
helpful?
Yes
No
Saturday, March 20th, 2021 AT 7:32 PM

Please login or register to post a reply.