Fuel pump replacement issue

Tiny
JONSOLOW13
  • MEMBER
  • 2004 GMC YUKON
  • 5.3L
  • V8
  • 2WD
  • AUTOMATIC
  • 237,000 MILES
Per your previous instructions we replaced a bad fuel pump but there seems to be no current getting to the pump. Engine turns but doesn't start.

Engine starts with starter fluid.

Could you give us instructions on how to diagnose and hopefully fix the issue (bad fuse or relay, etc.)?

Thanks.

Jon
Thursday, January 16th, 2020 AT 9:02 AM

1 Reply

Tiny
ASEMASTER6371
  • MECHANIC
  • 52,796 POSTS
Good morning,

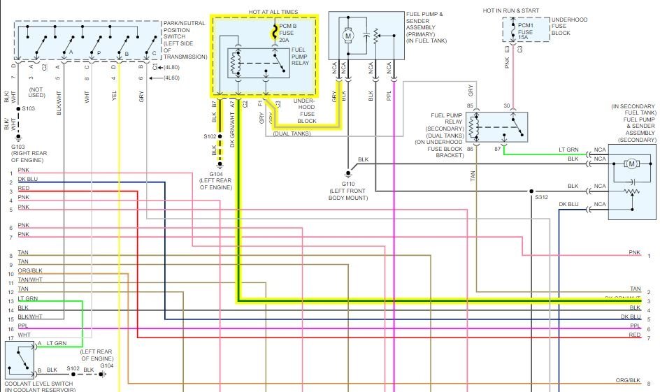
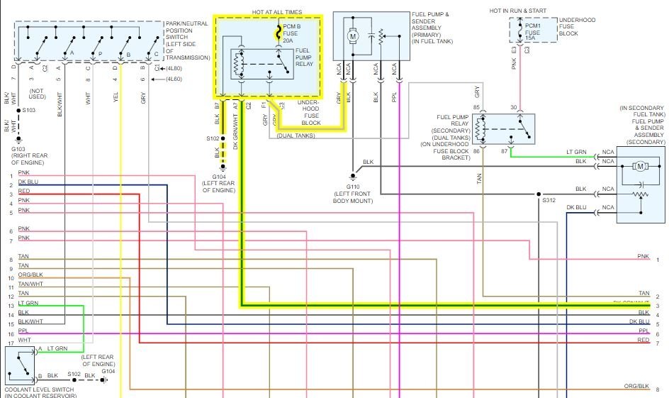
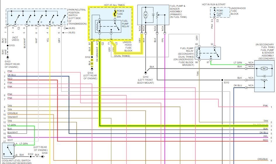
I attached a diagram for you to view. Verify power to the fuel pump relay with the key on.

Jump pins 30 and 87 and see if the pump runs. That will check the wiring. You will be applying a voltage directly to the fuel pump. It will confirm the wiring is good to the pump.

https://www.2carpros.com/articles/how-to-check-an-electrical-relay-and-wiring-control-circuit

Let us start there.

Roy
Was this
answer
helpful?
Yes
No
Thursday, January 16th, 2020 AT 9:24 AM

Please login or register to post a reply.