Where is the fuel pump relay located?

Tiny
SINCOMIDA
  • MEMBER
  • 2010 TOYOTA RAV4
  • 2.5L
  • 4 CYL
  • 4WD
  • AUTOMATIC
  • 90,000 MILES
Need location of fuel pump relay.
Wednesday, October 25th, 2023 AT 11:36 AM

1 Reply

Tiny
JACOBANDNICKOLAS
  • MECHANIC
  • 110,192 POSTS
Hi,

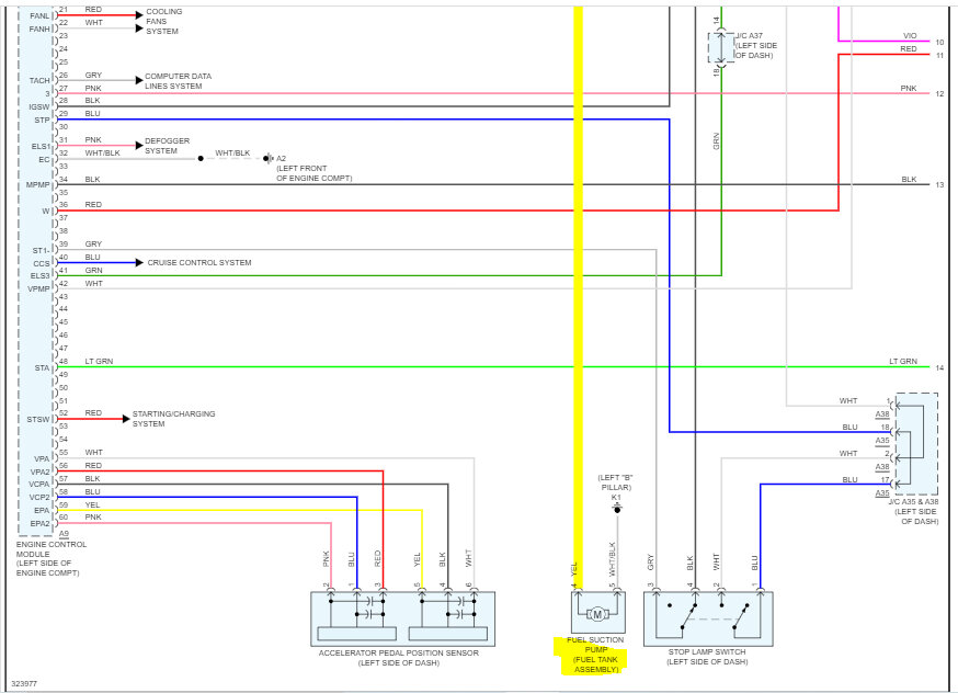
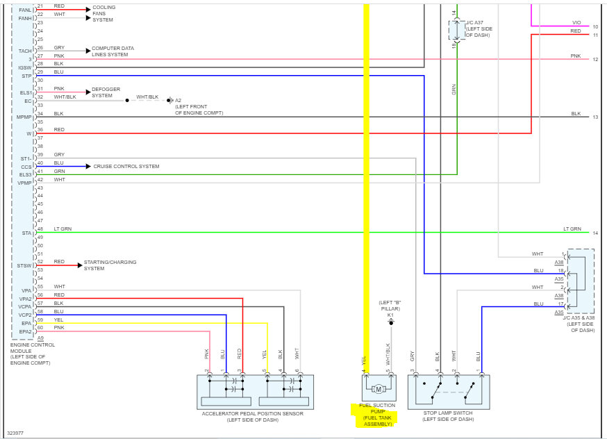
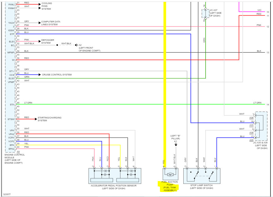
This vehicle has a relay to power the fuel pump, but they call it a C/open relay (instrument panel fuse box). That's likely why you can't find it. Additionally, there is a relay (A/F relay) in the under-hood fuse box that supplies power to the C/open relay. (anything to make it more confusing LOL).

Also, there are two fuses to consider testing. One is under the hood and the other is in the interior fuse box.

I attached the wiring schematic below, so you have a reference. Before you start, confirm both fuses are good. When doing this, also confirm there is power to and from the fuse.

Here is a link that explains how it's done:

https://www.2carpros.com/articles/how-to-check-a-car-fuse

Here is a link that explains how to test a relay and its circuit. If the fuses are good, follow this link for testing:

https://www.2carpros.com/articles/how-to-check-an-electrical-relay-and-wiring-control-circuit

Let me know if this helps.

Take care,

Joe

See pics below.

Was this
answer
helpful?
Yes
No
+1
Wednesday, October 25th, 2023 AT 8:07 PM

Please login or register to post a reply.