Fuel pump not working and injectors not pulsing

Tiny
AWESOMEBILL
  • MEMBER
  • 1988 CHEVROLET S-10
  • 2.8L
  • 6 CYL
  • 4WD
  • AUTOMATIC
  • 250,000 MILES
Fuel pump works fine if I wire it straight to battery. Injectors have juice with test light just don't pulse. What is going on? I am on the verge of selling it for scrap and its way down. So please help me and my truck from scrap yard.
Sunday, January 19th, 2020 AT 4:24 AM

1 Reply

Tiny
SCGRANTURISMO
  • MECHANIC
  • 4,897 POSTS
Hello,

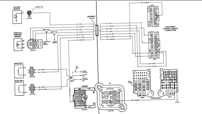
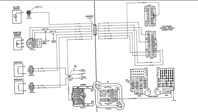
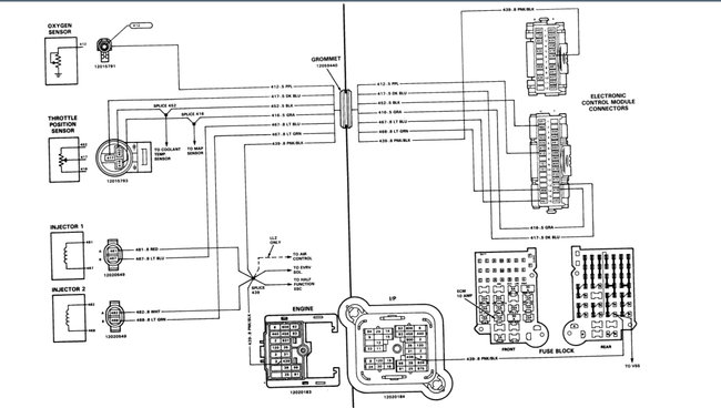
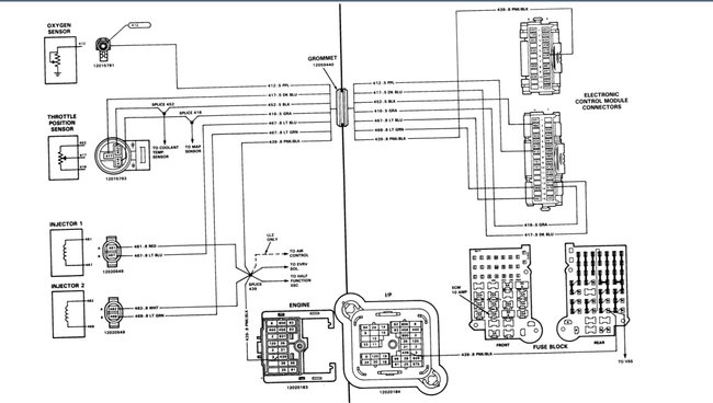
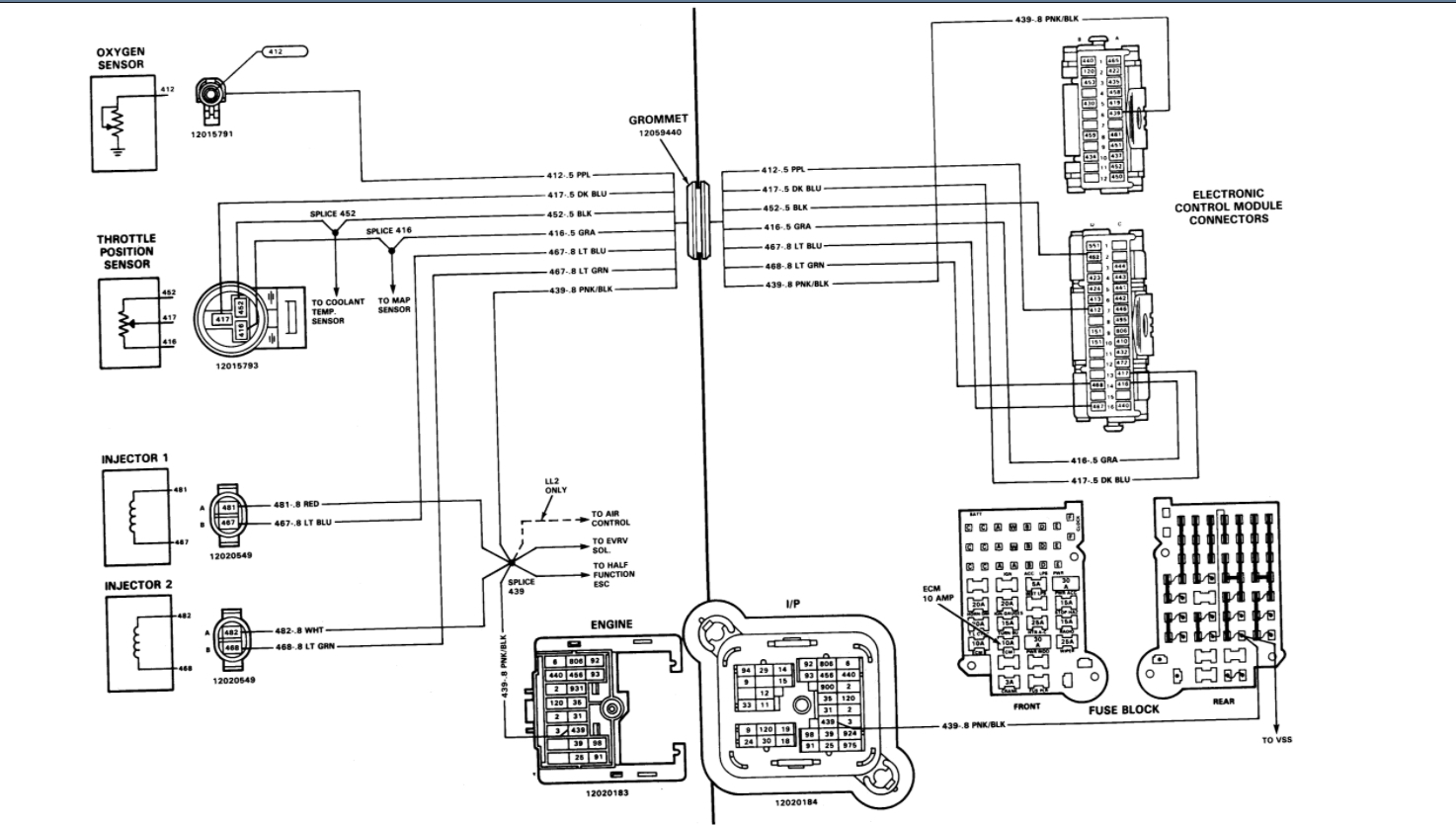
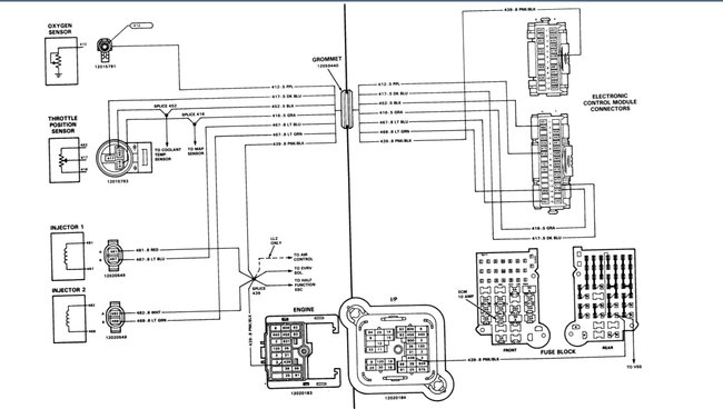
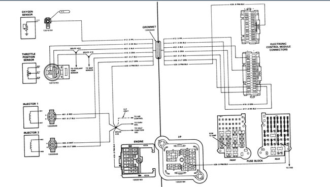
This could be a problem with your vehicle's Engine Control Unit[ECU] or a power or ground wire that goes to the ECU. n the diagrams down below I have included the fuel pump circuit wiring diagram and the engine control wiring diagram which shows the fuel injectors circuit. I have also included a diagnostic troubleshooting guide that explains how to test the fuel injector circuit to pinpoint what your vehicle's problem is from the vehicle manufacturer. You will need to use a Digital Multi-meter [DMM] to go through these guides, so here is a link below explaining how to use one, if needed:

https://www.2carpros.com/articles/how-to-use-a-voltmeter

Please go through these guides and get back to us with what you find out.

Thanks,
Alex
2CarPros
Was this
answer
helpful?
Yes
No
Sunday, January 19th, 2020 AT 11:41 AM

Please login or register to post a reply.