Monday, October 10th, 2022 AT 4:02 PM
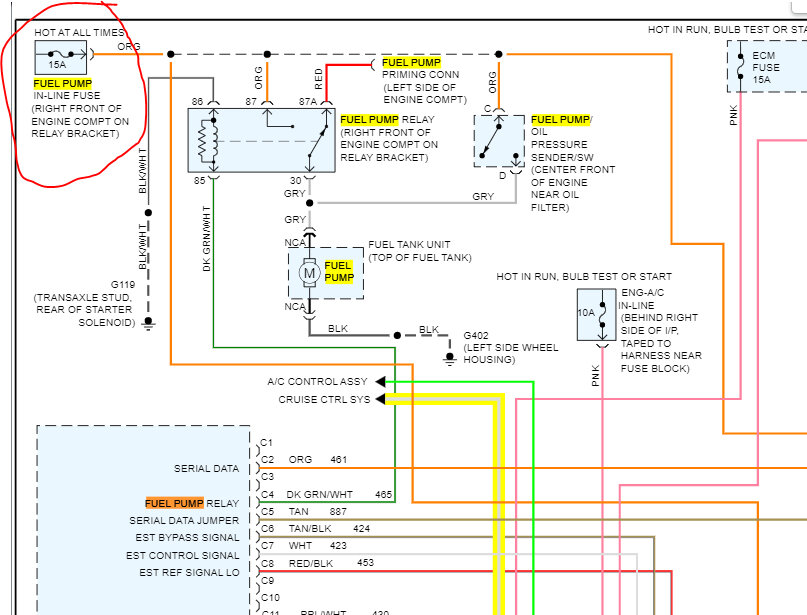
Hey everyone, I have the car listed above and for the life of me I can’t figure out why it won’t start. Fuel pump relay new, fuel pump new, fuses good, but still nothing. I spray starter fluid and it does run. But no power to the fuel pump, or relay. I did power the red connector that comes out of the relay to the battery. I can hear a humming in the engine, and fuel comes out of the test valve. Any suggestions? I even changed the fusible links coming from the starter.






