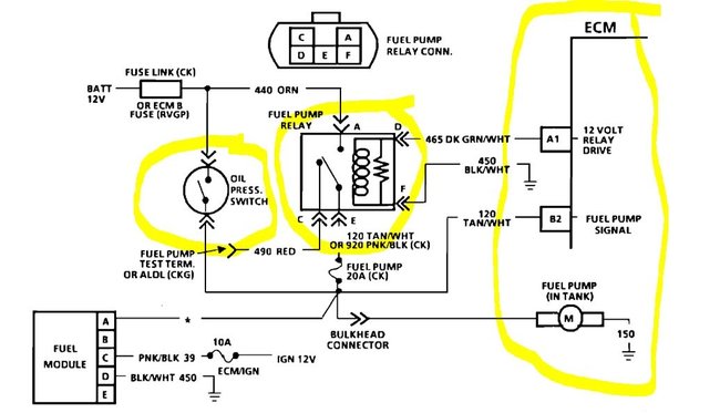
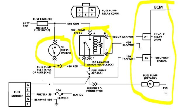
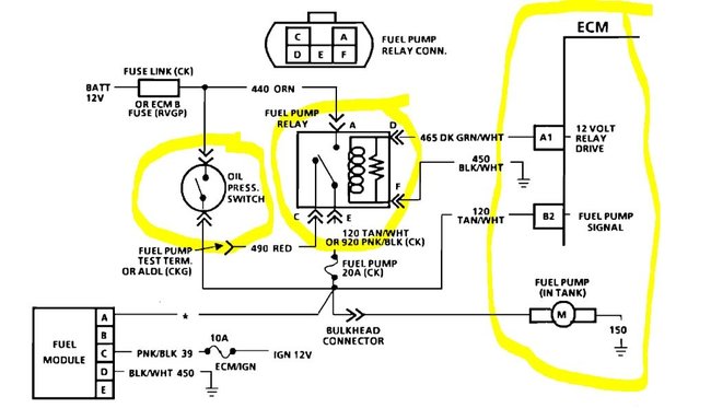
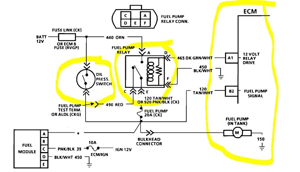
Saturday, June 8th, 2019 AT 1:37 PM
I can hear humming in the fuel tank. I started the truck and pulled forward then reversed it to rock the fuel and it turned off. What do I need to replace to solve this problem?


